













专题七 大题突破(三) 化学综合实验 2024年高考化学二轮复习课件+讲义
展开1.(2023·山东,18)三氯甲硅烷(SiHCl3)是制取高纯硅的重要原料,常温下为无色液体,沸点为31.8 ℃,熔点为-126.5 ℃,易水解。实验室根据反应Si+3HCl SiHCl3+H2,利用如图装置制备SiHCl3粗品(加热及夹持装置略)。回答下列问题:
(1)制备SiHCl3时进行操作:(ⅰ)……;(ⅱ)将盛有硅粉的瓷舟置于管式炉中;(ⅲ)通入HCl,一段时间后接通冷凝装置,加热开始反应。操作(ⅰ)为___________________________;判断制备反应结束的实验现象是_________
组装仪器并检查装置气密性
_______________________________。图示装置存在的两处缺陷是___________________________________________。
之间没有干燥装置,没有处理氢气的装置
没有固体剩余,烧瓶中无液体滴下
制备SiHCl3时,组装好装置后,要先检查装置气密性,然后将盛有硅粉的瓷舟置于管式炉中,通入氯化氢气体,排出装置中的空气,一段时间后,接通冷凝装置,加热开始反应,当管式炉中没有
固体剩余时,即硅粉完全反应,SiHCl3易水解,所以需要在C、D之间加一个干燥装置,防止D中的水蒸气进入装置C中,另外氢氧化钠溶液不能吸收氢气,需要在D后面加处理氢气的装置。
(2)已知电负性:Cl>H>Si,SiHCl3在浓NaOH溶液中发生反应的化学方程式为_______________________________________________。
SiHCl3+5NaOH===Na2SiO3+3NaCl+H2↑+2H2O
已知电负性:Cl>H>Si,则SiHCl3中氯元素的化合价为-1,H元素的化合价为-1,硅元素化合价为+4,所以氢氧化钠溶液和SiHCl3反应时,要发生氧化还原反应,得到氯化钠、硅酸钠和
氢气,化学方程式为SiHCl3+5NaOH===Na2SiO3+3NaCl+H2↑+2H2O。
(3)采用如下方法测定溶有少量HCl的SiHCl3纯度。m1 g样品经水解、干燥等预处理过程得硅酸水合物后,进行如下实验操作:①__________,②__________(填操作名称),③称量等操作,测得所得固体氧化物质量为m2 g,从下列仪器中选出①、②中需使用的仪器,依次为_______(填标号)。测得样品纯度为________________(用含m1、m2的代数式表示)。
m1 g样品经水解、干燥等预处理过程得到硅酸水合物后,高温灼烧,在干燥器中冷却干燥后,称量,所用仪器包括坩埚和干燥器,所得固体氧化物为二氧化硅,质量为m2 g,
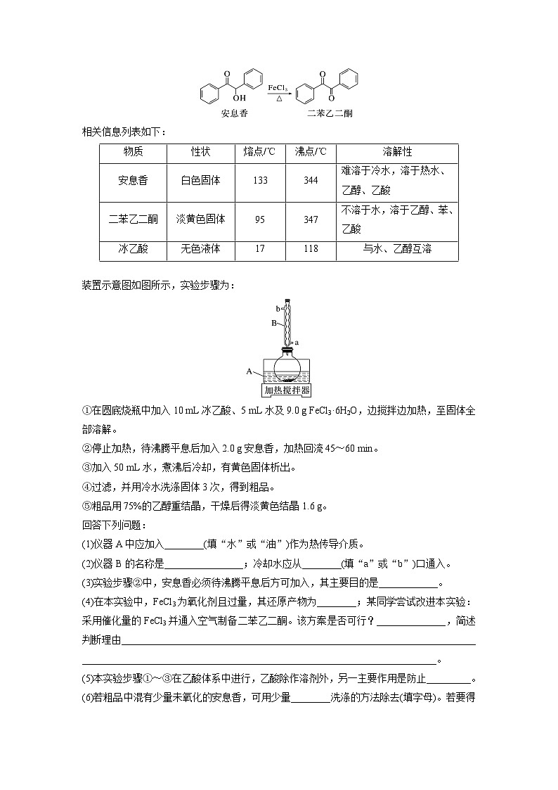
2.(2023·新课标卷,28)实验室由安息香制备二苯乙二酮的反应式如下:
装置示意图如图所示,实验步骤为:①在圆底烧瓶中加入10 mL冰乙酸、5 mL水及9.0 g FeCl3·6H2O,边搅拌边加热,至固体全部溶解。②停止加热,待沸腾平息后加入2.0 g安息香,加热回流45~60 min。③加入50 mL水,煮沸后冷却,有黄色固体析出。④过滤,并用冷水洗涤固体3次,得到粗品。⑤粗品用75%的乙醇重结晶,干燥后得淡黄色结晶1.6 g。
回答下列问题:(1)仪器A中应加入_____(填“水”或“油”)作为热传导介质。
该实验需要加热使冰乙酸沸腾,冰乙酸的沸点超过了100 ℃,应选择油浴加热。
(2)仪器B的名称是____________;冷却水应从_____(填“a”或“b”)口通入。
根据仪器的结构特征可知,B为球形冷凝管,为了充分冷却,冷却水应从a口进,b口出。
(3)实验步骤②中,安息香必须待沸腾平息后方可加入,其主要目的是_________。
步骤②中,若沸腾时加入安息香,会引起暴沸,所以需要待沸腾平息后加入。
(4)在本实验中,FeCl3为氧化剂且过量,其还原产物为_______;某同学尝试改进本实验:采用催化量的FeCl3并通入空气制备二苯乙二酮。该方案是否可行?______,简述判断理由________________________________________________________。
空气可以将还原产物FeCl2又氧化为FeCl3,
FeCl3可循环参与反应
FeCl3为氧化剂,则铁元素的化合价降低,还原产物为FeCl2,若采用催化量的FeCl3并通入空气制备二苯乙二酮,空气可以将还原产物FeCl2又氧化为FeCl3,FeCl3可循环参与反应。
(5)本实验步骤①~③在乙酸体系中进行,乙酸除作溶剂外,另一主要作用是防止____________。
氯化铁易水解,所以步骤①~③中,乙酸除做溶剂外,另一主要作用是防止氯化铁水解。
(6)若粗品中混有少量未氧化的安息香,可用少量_____洗涤的方法除去(填字母)。若要得到更高纯度的产品,可用重结晶的方法进一步提纯。a.热水 b.乙酸c.冷水 d.乙醇
根据安息香和二苯乙二酮的溶解特征,安息香溶于热水,二苯乙二酮不溶于水,所以可以用热水洗涤粗品除去安息香。
(7)本实验的产率最接近于_____(填字母)。a.85% b.80%c.75% d.70%
2.0 g安息香(C14H12O2)的物质的量约为0.009 4 ml,理论上可产生二苯乙二酮(C14H10O2)的物质的量约为0.009 4 ml,质量约为1.98 g,产率为 ×100%≈80.8%,最接近80%。
综合实验题是每年考查的综合压轴题,其综合性强、难度大,是一道拉分的主要试题。从题型设计上有评价型实验题、定量测定实验题等;从考查的角度上有仪器的识别与应用、物质的制备、除杂与分离、物质的性质探究与验证、实验现象的分析与描述、实验结论的评价与计算。其中物质制备和定量实验是高考的两大热点题型,物质制备主要以气体、无机物、有机物的制备为载体,考查学生常见化学仪器的使用、物质的分离与提纯等基本实验操作,以及实验条件的控制、产率的计算;而定量实验是将化学实验与化学计量有机的结合在一起测定物质化学组成与含量的探究性实验,是近几年高考命题的常考题型。设计中先通过实验测出相关的有效数据,然后经计算得出物质的组成与含量。由于定量实验目的性、实用性强,能给予学生较大的创造空间,更能激发学生的学习兴趣,培养学生严谨求实的科学态度。因此复习过程中注重定性实验拓展到定量实验的探讨。
(一)2023真题回访1.(2023·辽宁,17)2-噻吩乙醇(Mr=128)是抗血栓药物氯吡格雷的重要中间体,其制备方法如下:
Ⅰ.制钠砂。向烧瓶中加入300 mL液体A和4.60 g金属钠,加热至钠熔化后,盖紧塞子,振荡至大量微小钠珠出现。Ⅱ.制噻吩钠。降温至10 ℃,加入25 mL噻吩,反应至钠砂消失。Ⅲ.制噻吩乙醇钠。降温至-10 ℃,加入稍过量的环氧乙烷的四氢呋喃溶液,反应30 min。Ⅳ.水解。恢复室温,加入70 mL水,搅拌30 min;加盐酸调pH至4~6,继续反应2 h,分液;用水洗涤有机相,二次分液。Ⅴ.分离。向有机相中加入无水MgSO4,静置,过滤,对滤液进行蒸馏,蒸出四氢呋喃、噻吩和液体A后,得到产品17.92 g。
回答下列问题:(1)步骤Ⅰ中液体A可以选择____。a.乙醇 b.水c.甲苯 d.液氨
步骤Ⅰ制钠砂过程中,液体A不能和Na反应,而乙醇、水和液氨都能和金属Na反应,故选c。
(2)噻吩沸点低于吡咯( )的原因是_________________________________________。(3)步骤Ⅱ的化学方程式为___________________________。
(4)步骤Ⅲ中反应放热,为防止温度过高引发副反应,加入环氧乙烷溶液的方法是____________________________________________________。
将环氧乙烷溶液沿烧杯壁缓缓加入,并不断用玻璃棒搅拌
(5)步骤Ⅳ中用盐酸调节pH的目的是_____________________________________。
2-噻吩乙醇钠水解生成2-噻吩乙醇的过程中有NaOH生成,用盐酸调节pH的目的是将NaOH中和,使平衡正向移动,增大反应物的转化率。
与水解生成的OH-反应,使
(6)下列仪器在步骤Ⅴ中无需使用的是_____________________(填名称);无水MgSO4的作用为_______。
步骤Ⅴ中的操作有过滤、蒸馏,蒸馏的过程中需要直形冷凝管不能用球形冷凝管,无需使用的是球形冷凝管和分液漏斗。
(7)产品的产率为________(用Na计算,精确至0.1%)。
2.(2023·湖南,15)金属Ni对H2有强吸附作用,被广泛用于硝基或羰基等不饱和基团的催化氢化反应,将块状Ni转化成多孔型雷尼Ni后,其催化活性显著提高。已知:①雷尼Ni暴露在空气中可以自燃,在制备和使用时,需用水或有机溶剂保持其表面“湿润”;②邻硝基苯胺在极性有机溶剂中更有利于反应的进行。某实验小组制备雷尼Ni并探究其催化氢化性能的实验如下:步骤1:雷尼Ni的制备
步骤2:邻硝基苯胺的催化氢化反应反应的原理和实验装置图如下(夹持装置和搅拌装置略)。装置Ⅰ用于储存H2和监测反应过程。
回答下列问题:(1)操作(a)中,反应的离子方程式是_________________________________。
(2)操作(d)中,判断雷尼Ni被水洗净的方法是____________________________________________________________________________________________________。
取最后一次洗涤液于试管中,
向其中滴加酚酞,如果溶液不变粉红色,则证明洗涤干净,否则没有洗涤干净
由于水洗之前是用碱洗,此时溶液显碱性,故可以用酸碱指示剂来判断是否洗净,具体方法为取最后一次洗涤液于试管中,滴加几滴酚酞,如果溶液不变粉红色,则证明洗涤干净,否则没有洗涤干净。
(3)操作(e)中,下列溶剂中最有利于步骤2中氢化反应的是______。A.丙酮 B.四氯化碳C.乙醇 D.正己烷
根据题中信息可知,雷尼Ni被广泛用于硝基或羰基等不饱和基团的催化氢化反应,故不能选丙酮,否则会发生副反应,又因为邻硝基苯胺在极性有机溶剂中更有利于反应进行,而CCl4、正己烷均为非极性分子,乙醇为极性分子,所以应选乙醇。
(4)向集气管中充入H2时,三通阀的孔路位置如下图所示;发生氢化反应时,集气管向装置Ⅱ供气,此时孔路位置需调节为____。
根据向集气管中通入H2时三通阀的孔路位置,可确定集气管向装置Ⅱ中供气时,应保证只有下侧、右侧孔路通气,故B正确。
(5)仪器M的名称是_____________。(6)反应前应向装置Ⅱ中通入N2一段时间,目的是________________。
根据题给信息可知,雷尼Ni暴露在空气中可以自燃,故反应前向装置Ⅱ中通入N2一段时间,目的是排尽装置中的空气,防止雷尼Ni自燃。
(7)如果将三颈瓶N中的导气管口插入液面以下,可能导致的后果是___________________________________________________。(8)判断氢化反应完全的现象是_______________________。
反应完成后,氢气不再被消耗,则集气管中液面不再发生变化。
管道中气流不稳,不利于监测反应过程
3.(2023·浙江1月选考,20)某研究小组制备纳米ZnO,再与金属有机框架(MOF)材料复合制备荧光材料ZnO@MOF,流程如下:
已知:①含锌组分间的转化关系:Zn2+ Zn(OH)2 [Zn(OH)4]2-②ε-Zn(OH)2是Zn(OH)2的一种晶型,39 ℃以下稳定。请回答:(1)步骤Ⅰ,初始滴入ZnSO4溶液时,体系中主要含锌组分是____________。
[Zn(OH)4]2-
(2)下列有关说法不正确的是______(填字母)。A.步骤Ⅰ,搅拌的作用是避免反应物浓度局部过高,使反应充分B.步骤Ⅰ,若将过量NaOH溶液滴入ZnSO4溶液制备ε-Zn(OH)2,可提高 ZnSO4的利用率C.步骤Ⅱ,为了更好地除去杂质,可用50 ℃的热水洗涤D.步骤Ⅲ,控温煅烧的目的是为了控制ZnO的颗粒大小
(3)步骤Ⅲ,盛放样品的容器名称是______。(4)用Zn(CH3COO)2和过量(NH4)2CO3反应,得到的沉淀可直接控温煅烧得纳米ZnO,沉淀无需洗涤的原因是______________________________________________________________________________。
(5)为测定纳米ZnO产品的纯度,可用已知浓度的EDTA标准溶液滴定Zn2+,从下列选项中选择合理的仪器和操作,补全如下步骤[“____”上填写一件最关键仪器,“( )”内填写一种操作,均用字母表示]。用____(称量ZnO样品x g)→ 用烧杯( )→用____( )→用移液管( )→用滴定管(盛装EDTA标准溶液,滴定Zn2+)仪器:a.烧杯;b.托盘天平;c.容量瓶;d.分析天平;e.试剂瓶操作:f.配制一定体积的Zn2+溶液;g.酸溶样品;h.量取一定体积的Zn2+溶液;i.装瓶贴标签
(6)制备的ZnO@MOF荧光材料可测Cu2+浓度。已知ZnO@MOF的荧光强度比值与Cu2+在一定浓度范围内的关系如图。某研究小组取7.5×10-3 g人血浆铜蓝蛋白(相对分子质量1.5×105),经预处理,将其中Cu元素全部转化为Cu2+并定容至1 L。取样测得荧光强度比值为10.2,则1个血浆铜蓝蛋白分子中含____个铜原子。
(二)模拟预测4.(2023·武汉市高三模拟)三氯化铬(CrCl3)为紫色单斜晶体,熔点为83 ℃,易潮解,易升华,溶于水但不易水解,高温下能被氧气氧化,工业上主要用作媒染剂和催化剂。Ⅰ.某化学小组用Cr2O3和CCl4利用如下装置在高温下制备无水三氯化铬。
(1)实验前先往装置A中通入N2,其目的是排尽装置中的空气,在实验过程中还需要持续通入N2,其作用是_______________________。(2)装置C中还会生成光气(COCl2),C中反应的化学方程式为______________________________________。
将CCl4带入装置C中反应
(3)装置E用来收集产物,实验过程中若D处出现堵塞,通过__________________________(填具体操作)使实验能继续进行。(4)G中会生成两种盐,化学式为_______________。
Na2CO3、NaCl
Ⅱ.产品中CrCl3质量分数的测定,步骤如下:①称取0.300 0 g CrCl3产品溶于水并于250 mL容量瓶中定容;②取25.00 mL样品溶液于带塞的锥形瓶中,加热至沸腾后加入稍过量的Na2O2,再加入过量的H2SO4酸化,将Cr3+氧化为 ,稀释并加热煮沸,再加入稍过量的KI固体,加塞摇匀,使铬完全以Cr3+形式存在;③加入1 mL指示剂,用0.025 0 ml·L-1的标准Na2S2O3溶液滴定至终点,平行测定三次,平均消耗标准Na2S2O3溶液21.00 mL(已知2Na2S2O3+I2===Na2S4O6+2NaI)。(5)②中加入稍过量的Na2O2后需要加热煮沸,其主要原因是___________________________________。
分解除去,防止干扰实验
(6)滴定实验可选用的指示剂为____________;产品中CrCl3质量分数为________(计算结果保留四位有效数字)。
5.(2023·河北邢台高三模拟)Na2S2O3是重要的化学试剂,遇高温分解,与酸发生反应。实验室可通过如图所示装置制备Na2S2O3。
回答下列问题:(1)仪器A的名称为__________。
(2)下列关于装置B的作用叙述错误的是_____(填字母)。a.通过观察气泡可控制SO2气流速率b.防止发生倒吸
c.通过长颈漏斗液面升降判断B后面装置是否堵塞(3)C中生成产品的化学方程式为__________________________________________。(4)为保证硫代硫酸钠的产率和纯度,实验中通入的SO2不能过量,原因是________________________________________。
Na2S2O3与酸反应,过量SO2会使溶液呈酸性
(5)为测定所得产品纯度,取m g所得产品溶于蒸馏水中配制成250 mL溶液,取25.00 mL置于锥形瓶中,加入2滴淀粉试剂,用c ml·L-1碘的标准溶液滴定,消耗标准液V mL。
①滴定终点现象为__________________________________________________________;②产品的纯度为_________(用m、c、V表示)。
滴入最后半滴碘的标准溶液,溶液变为蓝色,且半分
由实验装置图可知,70%硫酸与亚硫酸钠固体反应制备二氧化硫,装置B用于控制二氧化硫的气流速率和通过长颈漏斗液面升降判断B后面装置是否堵塞;
装置C中二氧化硫与硫化钠和碳酸钠混合溶液共热反应制备硫代硫酸钠,装置D为空载仪器,作安全瓶,起防倒吸的作用;装置E中盛有的氢氧化钠溶液用于吸收二氧化碳和未反应的二氧化硫,防止污染空气。
由题意可知,滴定消耗V mL c ml·L-1碘的标准溶液,
(6)下列装置和试剂不能代替E的是______(填字母)。
由分析可知,装置E中盛有的氢氧化钠溶液用于吸收二氧化碳和未反应的二氧化硫,防止污染空气,则盛有碱石灰的干燥管和盛有氢氧化
钠固体的U形管均能代替E,而浓硫酸、氯化钙溶液不能与二氧化碳和二氧化硫反应,则盛有浓硫酸的洗气瓶和盛有氯化钙溶液的试管均不能代替E。
6.(2023·成都第七中学高三模拟)苯乙酮用于制香皂和香烟,也用作纤维素酯和树脂等的溶剂和塑料。工业生产中的增塑剂,是一种重要的化工原料,可由苯经下述反应制备:
CH3COOH+AlCl3―→CH3COOAlCl2+HCl↑
实验步骤如下:步骤1:向如图一所示的仪器A中迅速加入13 g粉状无水AlCl3和16 mL(14 g,0.18 ml)无水苯。在搅拌下将4 mL(4.3 g,0.04 ml)乙酸酐自恒压滴液漏斗慢慢滴加到A中,控制乙酸酐滴加的速度(约10 min)。加完后,待反应稍缓和后在沸水浴中搅拌回流,直到不再有HCl气体逸出为止。
步骤2:将反应混合物冷却到室温,在搅拌下倒入装有18 mL 37%的HCl和30 g碎冰的烧杯中(在通风橱中进行),若仍有固体不溶物,可补加适量37%的HCl使之完全溶解。将混合物转入分液漏斗中,分出有机层,水层用苯萃取两次(每次8 mL)。合并有机层,依次用15 mL 10% NaOH溶液、15 mL水洗涤,再用无水MgSO4干燥。
步骤3:先在水浴上蒸馏回收物质B,稍冷后改用空气冷凝管蒸馏收集馏分,产量约4.0 g。
(1)步骤1中搅拌回流时,冷凝水从_____(填“a”或“b”)端进水,仪器A的名称为__________。
(2)步骤1中要逐滴滴加乙酸酐的原因是_____________________________。
防止反应太过剧烈,发生副反应
因为乙酸酐与苯反应是放热反应,逐滴滴加乙酸酐的目的是防止反应太过剧烈,发生副反应。
(3)步骤2中水层用苯萃取两次(每次8 mL),而不萃取一次(16 mL)的目的是______________________。用15 mL 10% NaOH溶液洗涤主要是为了除去_____________(填物质名称) 。(4)步骤3中在水浴上蒸馏回收的物质B的名称为____。
(5)本实验为收集产品用了减压蒸馏装置,如图二所示,其中毛细管的作用是_________________,蒸馏中需要控制一定温度,可能是____(填字母)。A.202 ℃ B.220 ℃ C.175 ℃
毛细管在减压蒸馏中可调节蒸馏体系的真空度,同时通入的气体在加热过程中起到搅拌作用,使得体系受热均匀防止暴沸;蒸馏中温度应该控制比苯乙酮的沸点低,比其他杂质的沸点高,故选C。
(6)本次实验苯乙酮的产率为______(结果保留两位有效数字) 。
由化学方程式 +(CH3CO)2O +CH3COOH可知, 0.04 ml乙酸酐和0.18 ml
无水苯反应,无水苯过量,乙酸酐完全反应,则生成的苯乙酮为0.04 ml,
7.(2023·山东日照高三一模)环己酮( )是一种重要的化工原料,一种由H2O2氧化环己醇制备环己酮的实验方法如下:
回答下列问题:(1)FeCl3的作用是__________;加入食盐的目的是__________________________________________。
(2)环己酮的产率受H2O2用量的影响,当环己酮产率达最大值后,增加H2O2的用量其产率反而下降,原因是____________________________________。
环己酮进一步被氧化,发生开环
(3)减压蒸馏的装置如图所示,为了便于控制温度,加热方式最好选用_____(填“水浴”或“油浴”)。进行减压蒸馏时,使用磁力加热搅拌器加热,磁子的作用除搅拌使混合物均匀受热外,还有__________。减压蒸馏的操作顺序为打开双通旋塞,打开真空泵,缓慢关闭双通旋塞,接通冷凝水,开启磁力加热搅拌器,进行减压蒸馏。减压蒸馏完成后,需进行下列操作,正确的操作顺序是_______(填字母)。a.关闭真空泵b.关闭磁力加热搅拌器,冷却至室温c.缓慢打开双通旋塞d.停止通冷凝水
本实验是用H2O2在FeCl3的催化下氧化环己醇制备环己酮,先使10 mL环己醇和2.0 g FeCl3混合,再滴加30% 双氧水在60~70 ℃下反应70 min制
备环己酮,反应后的溶液中加入50 mL水后进行蒸馏得到共沸馏出液,向共沸馏出液中加入食盐以减小环己酮在水中的溶解度,便于液体分离,搅拌后进行分液得到有机层,主要含有环己酮和环己醇,向其中加入MgSO4吸收表面的水分进行过滤得到的液体进行减压蒸馏即得较纯净的环己酮,据此分析解题。
由题干信息可知,环己酮的沸点为155 ℃,为了便于控制温度,加热方式最好选用油浴。
(4)本实验中环己酮的产率为______(结果保留2位有效数字)。
(5)传统制备环己酮的实验用酸性K2Cr2O7作氧化剂,更易把环己醇氧化生成己二酸,该反应的离子方程式为_________________________________________________________________________。
3HOOCCH2CH2CH2CH2COOH+8Cr3++19H2O
8.(2023·广州市高三一模)醋酸钠(CH3COONa)是一种常用的防腐剂和缓冲剂。(1)配制250 mL 0.10 ml·L-1 CH3COONa溶液,需要称量醋酸钠晶体(CH3COONa·3H2O,M=136 g·ml-1)的质量为_______。实验需要的仪器有天平、药匙、玻璃棒、量筒、_____________________________(从下列图中选择,写出名称)。
烧杯、胶头滴管、250 mL容量瓶
配制250 mL 0.10 ml·L-1 CH3COONa溶液,需要称量醋酸钠晶体的质量为0.250 L×0.10 ml·L-1×136 g·ml-1=3.4 g。
(2)某小组探究外界因素对CH3COONa水解程度的影响。甲同学设计实验方案如下(表中溶液浓度均为0.10 ml·L-1):ⅰ.实验____和____(填序号),探究加水稀释对CH3COONa水解程度的影响;ⅱ.实验1和3,探究加入 对CH3COONa水解程度的影响;ⅲ.实验1和4,探究温度对CH3COONa水解程度的影响。
探究加水稀释对CH3COONa水解程度的影响,实验中变量为醋酸钠的浓度,故实验1和2是探究加水稀释对CH3COONa水解程度的影响。
①根据甲同学的实验方案,补充数据:a=____。
实验1和3,探究加入 对CH3COONa水解程度的影响,不能改变醋酸根离子的浓度,a=0。
③已知CH3COONa的水解为吸热反应,甲同学预测A1
升高温度促进水的电离导致溶
实验结果与预测不一致的原因是水的电离也为吸热过程,升高温度促进水的电离导致溶液中氢离子浓度增大。
(3)小组通过测定不同温度下CH3COONa的水解常数Kh确定温度对CH3COONa水解程度的影响。
试剂:0.10 ml·L-1 CH3COONa溶液、0.100 0 ml·L-1盐酸、pH计。
实验:测定40 ℃下CH3COONa水解常数Kh,完成下表中序号7的实验。
测定40 ℃醋酸钠溶液的pH
在50 ℃和60 ℃下重复上述实验。
数据处理:40 ℃,Kh=___________________________________(用含V、b、c的计算式表示)。实验结论:Kh(60 ℃)>Kh(50 ℃)>Kh(40 ℃),温度升高,促进CH3COONa水解。
实验为通过测定不同温度下CH3COONa的水解常数Kh确定温度对CH3COONa水解程度的影响,则实验7需要测定40 ℃醋酸钠溶液的pH;取20.00 mL CH3COONa溶液,用0.100 0 ml·L-1盐酸滴定至终点,消耗盐酸体积为V mL,CH3COONa和HCl以1∶1反应,
40 ℃纯水的pH=b,则纯水中c(H+)=c(OH-)=10-b ml·L-1,Kw=c(H+)·c(OH-)=10-2b;
实验7所得溶液的pH=c,则c(H+)=10-c ml·L-1,
专题七 主观题突破 2.实验仪器连接及现象作用描述 2024年高考化学二轮复习课件+讲义: 这是一份专题七 主观题突破 2.实验仪器连接及现象作用描述 2024年高考化学二轮复习课件+讲义,文件包含专题七主观题突破2实验仪器连接及现象作用描述pptx、专题七主观题突破2实验仪器连接及现象作用描述教师版docx、专题七主观题突破2实验仪器连接及现象作用描述docx等3份课件配套教学资源,其中PPT共47页, 欢迎下载使用。
专题六 大题突破(二) 化工流程题的综合分析 2024年高考化学二轮复习课件+讲义: 这是一份专题六 大题突破(二) 化工流程题的综合分析 2024年高考化学二轮复习课件+讲义,文件包含专题六大题突破二化工流程题的综合分析pptx、专题六大题突破二化工流程题的综合分析教师版docx、专题六大题突破二化工流程题的综合分析docx等3份课件配套教学资源,其中PPT共60页, 欢迎下载使用。
专题五 大题突破(一) 热化学与化学反应速率、平衡的综合分析 2024年高考化学二轮复习课件+讲义: 这是一份专题五 大题突破(一) 热化学与化学反应速率、平衡的综合分析 2024年高考化学二轮复习课件+讲义,文件包含专题五大题突破一热化学与化学反应速率平衡的综合分析pptx、专题五大题突破一热化学与化学反应速率平衡的综合分析教师版docx、专题五大题突破一热化学与化学反应速率平衡的综合分析docx等3份课件配套教学资源,其中PPT共60页, 欢迎下载使用。