高中通用技术学考复习13三视图及尺寸标注专题突破练习含答案
展开A.2处B.3处
C.4处D.5处
2.通用技术实践课上,小明设计了如图所示的零件,图样中的错误有( )
A.2处B.3处
C.4处D.5处
3.通用技术实践课上,小明设计了如图所示的零件。图样中存在的错误共有( )
A.2处B.3处
C.4处D.5处
4.图中漏标的尺寸共有( )
A.1处B.2处
C.3处D.4处
5.图中多标的尺寸共有( )
A.1处B.2处
C.3处D.4处
6.图中漏标的尺寸共有( )
A.1处B.2处
C.3处D.4处
7.图中多标的尺寸共有( )
A.1处B.2处
C.3处D.4处
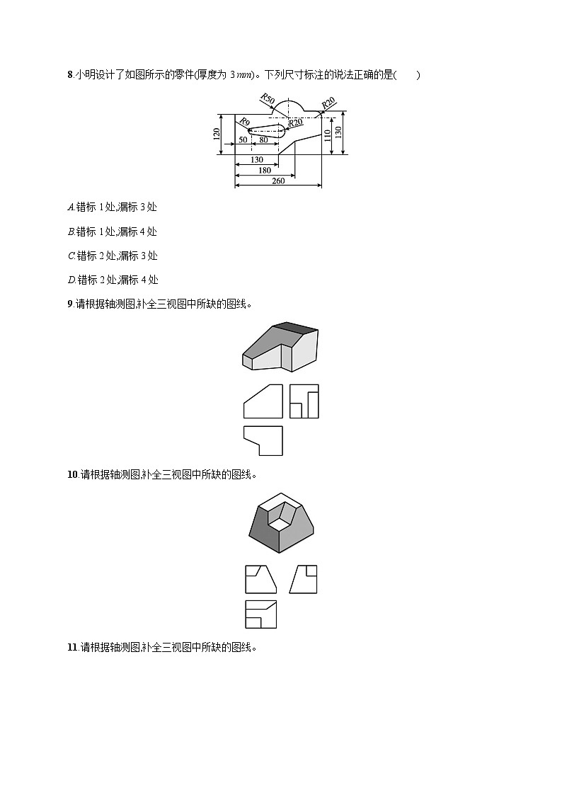
8.小明设计了如图所示的零件(厚度为3 mm)。下列尺寸标注的说法正确的是( )
A.错标1处,漏标3处
B.错标1处,漏标4处
C.错标2处,漏标3处
D.错标2处,漏标4处
9.请根据轴测图,补全三视图中所缺的图线。
10.请根据轴测图,补全三视图中所缺的图线。
11.请根据轴测图,补全三视图中所缺的图线。
12.请根据轴测图,补全三视图中所缺的图线。
13.请根据轴测图,补全三视图中所缺的图线。
14.请根据轴测图,补全三视图中所缺的图线。
训练13 三视图及尺寸标注专题突破
1.D 共有5处错误:①尺寸数字30应标注在尺寸线上方;②20应标注直径ϕ20,且不能被任何线穿过;③R10应标注直径ϕ10,且尺寸线箭头应指向圆弧;④对称中心线为点划线不是虚线;⑤5的尺寸线箭头应指向尺寸界线。
2.C 图样中错误的标注如下图所示。
1处尺寸线应与尺寸界线相接;2处尺寸线箭头应指向圆弧;3处应标注半径而不是直径;4处对称中心线为点划线不是实线。
3.A 两处错误。第一处R35,半径及圆的标注,箭头应指向圆弧;第二处60和170,大小尺寸标注,应该遵循小尺寸在里面,大尺寸在外面的原则。
4.C 5.B 6.B
7.C 多标尺寸为:左侧的40、角度60°(或37)、总高度60。
8.B
9.答案
10.答案
11.答案
12.答案
13.答案
14.答案
高中通用技术学考复习16学考卷第11题专题突破练习含答案: 这是一份高中通用技术学考复习16学考卷第11题专题突破练习含答案,共6页。
高中通用技术学考复习14结构受力、工艺专题突破练习含答案: 这是一份高中通用技术学考复习14结构受力、工艺专题突破练习含答案,共7页。试卷主要包含了一种压紧结构如图所示等内容,欢迎下载使用。
高中通用技术学考复习12方案构思题专题突破练习含答案: 这是一份高中通用技术学考复习12方案构思题专题突破练习含答案,共7页。试卷主要包含了卫生间镜前灯安装示意图如图所示等内容,欢迎下载使用。

