专题复习 高考化学 考点34 化学电源 讲义
展开1.电池的分类:
2.常见的化学电源
(1)一次电池
①锌银电池
锌银电池负极是Zn,正极是Ag2O,电解质溶液是KOH溶液,其电极反应如下:
负极:Zn+2OH--2e-===Zn(OH)2;
正极:Ag2O+2e-+H2O===2Ag+2OH-;
电池总反应式:Zn+Ag2O+H2O===Zn(OH)2+2Ag。
②
(2)二次电池
铅蓄电池是最常见的二次电池
① 放电时的电极反应
负极:Pb(s)+ SKIPIF 1 < 0 (aq)−2e− SKIPIF 1 < 0 PbSO4(s) (氧化反应)
正极:PbO2(s)+4H+(aq)+ SKIPIF 1 < 0 (aq)+2e− SKIPIF 1 < 0 PbSO4(s)+2H2O(l) (还原反应)
总反应:Pb(s)+PbO2(s)+2H2SO4(aq) SKIPIF 1 < 0 2PbSO4(s)+2H2O(l)
② 充电时的电极反应
阴极:PbSO4(s)+2e− SKIPIF 1 < 0 Pb(s)+ SKIPIF 1 < 0 (aq) (还原反应)
阳极:PbSO4(s)+2H2O(l)−2e− SKIPIF 1 < 0 PbO2(s)+4H+(aq)+ SKIPIF 1 < 0 (aq) (氧化反应)
总反应:2PbSO4(s)+2H2O(l) SKIPIF 1 < 0 Pb(s)+PbO2(s)+2H2SO4(aq)
(3)燃料电池
是一种连续地将燃料和氧化剂的化学能直接转换成电能的化学电池。燃料电池的优点:能量转换率高、废弃物少、运行噪音低。
A、氢氧燃料电池 氢氧燃料电池是目前最成熟的燃料电池,可分酸性和碱性两种。
B、甲醇燃料电池
甲醇燃料电池以铂为两极,用碱或酸作为电解质:
①碱性电解质(KOH溶液为例)
总反应式:2CH3OH + 3O2 +4KOH=== 2K2CO3 + 6H2O
正极的电极反应式为:3O2 + 12e− + 6H2O===12OH−
负极的电极反应式为:CH3OH – 6e− +8OH− === CO32−+ 6H2O
②酸性电解质(H2SO4溶液为例)
总反应:2CH3OH +3O2 ===2CO2 + 4H2O
正极的电极反应式为:3O2+12e−+12H+ === 6H2O
负极的电极反应式为:2CH3OH −12e−+2H2O ===12H++ 2CO2
说明:乙醇燃料电池与甲醇燃料电池原理基本相同。
C、甲烷燃料电池
甲烷燃料电池以多孔镍板为两极,电解质溶液为KOH,生成的CO2还要与KOH反应生成K2CO3,所以总反应为:CH4 + 2KOH+ 2O2=== K2CO3+3H2O。
负极发生的反应:CH4− 8e− +8OH−===CO2 + 6H2O、CO2 + 2OH−===CO32− + H2O,所以:
负极的电极反应式为:CH4 +10OH− + 8e− === CO32− + 7H2O
正极发生的反应有:O2 + 4e− ===2O2−和O2− + H2O === 2OH−,所以:
正极的电极反应式为:O2 + 2H2O + 4e− === 4OH−
说明:掌握了甲烷燃料电池的电极反应式,就掌握了其它气态烃燃料电池的电极反应式。
D、铝—空气—海水电池
我国首创以铝—空气—海水电池作为能源的新型海水标志灯,以海水为电解质,靠空气中的氧气使铝不断被氧化而产生电流。只要把灯放入海水中数分钟,就会发出耀眼的白光。
电源负极材料为:铝;电源正极材料为:石墨、铂网等能导电的惰性材料。
负极的电极反应式为:4Al−12e−===4Al3+
正极的电极反应式为:3O2+6H2O+12e−===12OH−
总反应式为:4Al+3O2+6H2O===4Al(OH)3
说明:铝板要及时更换,铂做成网状是为了增大与氧气的接触面积。
考向一 燃料电池
典例1 直接碳固体氧化物燃料电池作为全固态的能量转换装置,采用固体碳作为燃料,以多孔Pt作电极、氧化锆为电解质,其工作原理如下图。下列说法不正确的是
已知:CO2(g)+C=2CO(g) △H=+172.5kJ•ml-1 CO(g)+O2(g)=CO2(g) △H=-283kJ•ml-1
A.电极a为正极,电子由b经过导线到a
B.电极b发生的电极反应为:CO+O2--2e-=CO2
C.依据装置原理可推测,该条件下CO放电比固体C更容易
D.若1mlC(s)充分燃烧,理论上放出的热量为110.5kJ
【答案】D
【分析】分析电池的工作原理示意图,电池在工作时,氧化锆电解质中的O2-由a电极向b电极迁移,因此a为正极,b为负极;电池在工作时,固体碳首先转化为CO,再扩散到b电极上发生电化学反应,相比于直接利用固体碳,这种方式更容易反应。
【详解】A.通过分析可知,a电极为正极,b电极为负极;所以电子通过导线,由b电极向a电极迁移,A项正确;
B.由电池的工作原理示意图可知,b电极上发生的是CO的氧化反应,因此电极反应式为:,B项正确;
C.通过分析可知,电池在工作时,是将固体碳转变为CO后再利用CO发生的电化学反应,这种方式相比于直接利用固体碳,更容易放电,C项正确;
D.由题可知,C完全燃烧的热化学方程式为: ,所以1mlC(s)充分燃烧理论上放出的热量为393.5kJ,D项错误;答案选D。
1.美国G-TEC燃料电池以利用民用燃气为原料气,其结构如下图,有关该电池的说法不正确的是
A.电池工作时,电流由负荷的a流向b
B.电池工作一段时间后,电解质物质的量理论上保持不变
C.通入空气的一极的电极反应式是:O2+2H2O+4e-===4OH-
D.外电路中每通过0.2 ml电子,所消耗的燃料体积不小于2.24 L(标况下)
【答案】C
【解析】外电路中电流由电池的正极流向负极,A项正确;电解质仅为传导作用,没有变化,B项正确;通入空气的一极是O2得到电子生成O2-,电极反应式为O2+4e-===2O2-,C项错误;因2H2+O2===2H2O,2CO+O2===2CO2,故外电路中每通过0.2 ml电子时,需消耗的标况下的氢气或一氧化碳均为2.24 L,D项正确。
燃料电池电极反应书写的注意事项
(1)燃料电池的负极是可燃性气体,失去电子发生氧化反应;正极多为氧气或空气,得到电子发生还原反应,可根据电荷守恒来配平。
(2)燃料电池的电极不参与反应,有很强的催化活性,起导电作用。
(3)燃料电池的电极反应中,酸性溶液中不能生成OH−,碱性溶液中不能生成H+;水溶液中不能生成O2−,而熔融电解质中O2被还原为O2−。
(4)正负两极的电极反应在得失电子守恒的前提下,相加后的电池反应必然是燃料燃烧反应和燃烧产物与电解质溶液反应的叠加反应。
考向二 新型电池
典例2 某新型电池以NaBH4(B的化合价为+3价)和H2O2作原料,负极材料采用Pt,正极材料采用MnO2(既作电极材料又对该极的电极反应具有催化作用),该电池可用作卫星、深水勘探等无空气环境电源,其工作原理如图所示。下列说法不正确的是
A.每消耗3 ml H2O2,转移6 ml e-
B.电池工作时Na+从b极区移向a极区
C.a极上的电极反应式为BHeq \\al(-,4)+8OH--8e-===BOeq \\al(-,2)+6H2O
D.b极材料是MnO2,该电池总反应方程式:NaBH4+4H2O2===NaBO2+6H2O
【答案】B
【解析】正极电极反应式为H2O2+2e-===2OH-,每消耗3 ml H2O2,转移的电子为6 ml,故A正确;原电池工作时,阳离子向正极移动,阴离子向负极移动,则Na+从a极区移向b极区,故B错误;负极发生氧化反应生成BOeq \\al(-,2),电极反应式为BHeq \\al(-,4)+8OH--8e-===BOeq \\al(-,2)+6H2O,故C正确;电极b采用MnO2为正极,H2O2发生还原反应,得到电子被还原生成OH-,负极发生氧化反应生成BOeq \\al(-,2),该电池总反应方程式为NaBH4+4H2O2===NaBO2+6H2O,故D正确。
2.甲图为一种新型污水处理装置,该装置可利用一种微生物将有机废水的化学能直接转化为电能,乙图是一种用惰性电极电解饱和食盐水的消毒液发生器。关于甲、乙的说法正确的是( )
A.装置乙中的b极要与装置甲的X极连接
B.装置乙中a极的电极反应式为2Cl--2e-=Cl2↑
C.当N极消耗5.6 L(标准状况下)气体时,则有2NA个H+通过质子交换膜
D.若有机废水中主要含有葡萄糖(C6H12O6),则装置甲中M极发生的电极反应为C6H12O6+6H2O-24e-= 6CO2↑+24H+
【答案】D
【分析】
甲池为原电池,N电极上氧气转化为水,发生还原反应,所以N(Y)极为正极,则M(X)极为负极;乙池为电解池,需要制备消毒液,则b极应生成氯气,a电极生成NaOH和氢气,然后氯气移动到a电极和NaOH反应生成NaClO,所以b为阳极,a为阴极。
【详解】
A.a为阴极,与甲中的负极相连,即与X相连,b极要与装置甲的Y极连接,故A错误;
B.乙为电解池,在下端生成氯气,则b极的电极反应式为2Cl--2e-=Cl2↑,故B错误;
C.N电极为氧气得电子发生还原反应,电极反应式为:O2+4H++4e-=2H2O,则当N电极消耗5.6 L气体(标准状况下)即0.25ml时,消耗的氢离子为1ml,则有NA个H+通过离子交换膜,故C错误;
D.若有机废水中主要含有葡萄糖,则装置甲中M极上C6H12O6失电子生成二氧化碳同时产生氢离子,其电极应为:C6H12O6+6H2O-24e-=6CO2↑+24H+,故D正确;综上所述答案为D。
1.汽车的启动电源常用铅蓄电池,放电时的电池反应:PbO2+Pb+2H2SO42PbSO4+2H2O,根据此反应判断下列叙述中正确的是
A.PbO2是电池的负极B.电子从Pb极流出
C.PbO2得电子,被氧化D.电池放电时,溶液酸性增强
【答案】B
【详解】
A.PbO2中Pb化合价降低,得到电子,是原电池的正极,故A错误;
B.Pb化合价升高,失去电子,是原电池负极,PbO2中Pb化合价降低,得到电子,是原电池正极,电子从负极即Pb极流出,流入到正极即PbO2极,故B正确;
C.PbO2中Pb化合价降低,得到电子,被还原,故C错误;
D.根据总反应PbO2+Pb+2H2SO42PbSO4+2H2O,电池放电时,硫酸不断消耗,因此溶液酸性减弱,故D错误。综上所述,答案为B。
2.NO2、O2和熔融KNO3可制作燃料电池,其原理如图,该电池在使用过程中石墨Ⅰ电极上生成氧化物Y,Y可循环使用。下列说法正确的是
A.O2在石墨Ⅱ附近发生氧化反应
B.该电池放电时向石墨Ⅱ电极迁移
C.石墨Ⅰ附近发生的反应:3NO2 +2e-===NO+2
D.相同条件下,放电过程中消耗的NO2和O2的体积比为4∶1
【答案】D
【解析】石墨Ⅱ通入氧气,发生还原反应,为原电池的正极,电极方程式为O2+2N2O5+4e-===4,A错误;原电池中阴离子移向负极,向石墨Ⅰ电极迁移,B错误;石墨Ⅰ为原电池的负极,发生氧化反应,电极方程式为NO2+-e-===N2O5,C错误;电极方程式分别为NO2+-e-===N2O5、O2+2N2O5+4e-===4,则放电过程中消耗的NO2和O2的体积比为4∶1,D正确。
3.充电氟镁动力电池比锂电池具有更高的能量密度和安全性,在充电和放电时,其电池反应为Mg+2MnF32MnF2+MgF2。下列说法不正确的是
A.放电时,镁为负极材料
B.放电时,电子从镁极流出,经电解质溶液流向正极
C.充电时,阳极的电极反应式为MnF2+F--e-===MnF3
D.充电时,外加直流电源的负极应与原电池的Mg极相连
【答案】B
【解析】放电时,Mg被氧化生成MgF2,则镁为负极材料,A正确;放电时,电子从负极流出经导线流向正极,电子不进入电解质溶液,B错误;充电时,MnF2在阳极上发生氧化反应生成MnF3,电极反应式为MnF2+F--e-===MnF3,C正确;充电时,外加直流电源的负极要与原电池的负极相连,即与镁极相连,D正确。
4.熔融碳酸盐燃料电池是一种高温电池,具有效率高、噪音低、无污染、燃料多样化、余热利用价值高和电池构造材料价廉等诸多优点,是未来的绿色电站。某种熔融碳酸盐燃料电池以Li2CO3、K2CO3为电解质、以CH4为燃料时,该电池工作原理见下图。下列说法正确的是
A.Li+、K+移向左侧电极
B.外电路中电子由右侧电极移向左侧电极
C.通入1 ml气体A时,左侧电极上生成5 ml CO2
D.相同条件下通入气体B与气体C的体积比为2∶1
【答案】C
【解析】该原电池为甲烷燃料电池,通入燃料的电极为负极、通入氧化剂的电极为正极,负极反应式为CH4+4-8e-===5CO2+2H2O,正极反应式为O2+2CO2+4e-===2,负极上产生的二氧化碳可以为正极所利用,所以A是负极,B是正极。燃料电池中通入燃料的电极是负极、通入氧化剂的电极是正极,原电池放电时,阳离子向正极移动,Li+、K+向右侧电极移动,A错误;外电路中电子由负极流向正极,即从左侧电极移向右侧电极,B错误;负极反应式为CH4+4-8e-===5CO2+2H2O,正极反应式为O2+2CO2+4e-===2,通入1 ml甲烷气体时,左侧电极上生成5 ml CO2,C正确;相同条件下通入气体B与气体C的体积比为1∶2,D错误。
5.下面是几种常见的化学电源示意图,有关说法不正确的是
干电池示意图 铅蓄电池示意图 氢氧燃料电池示意图
A.上述电池分别属于一次电池、二次电池和燃料电池
B.干电池在长时间使用后,锌筒被破坏
C.氢氧燃料电池是一种具有应用前景的绿色电源
D.铅蓄电池工作过程中,每通过2 ml电子,负极质量减轻207 g
【答案】D
【解析】干电池是一次电池,铅蓄电池是可充电电池,属于二次电池,氢氧燃料电池属于燃料电池,故A正确;在干电池中,Zn作负极,被氧化,故B正确;氢氧燃料电池不需要将还原剂和氧化剂全部储藏在电池内,且工作的最终产物是水,故氢氧燃料电池是一种具有应用前景的绿色电源,故C正确;铅蓄电池工作过程中,硫酸铅在负极上析出,该极质量应该增加而非减小,故D错误。
6.一种三室微生物燃料电池可用于污水净化、海水淡化,其工作原理如图所示,图中有机废水中有机物可用C6H10O5表示。下列有关说法不正确的是
A.Cl-由中间室移向左室
B.X气体为CO2
C.处理后的含NOeq \\al(-,3)废水的pH降低
D.电路中每通过4 ml电子,产生标准状况下X气体的体积为22.4 L
【答案】C
【解析】该电池中,NOeq \\al(-,3)得电子发生还原反应,则装置中右边电极是正极,电极反应为2NOeq \\al(-,3)+10e-+12H+===N2↑+6H2O,装置左边电极是负极,负极上有机物失电子发生氧化反应生成X,有机物在厌氧菌作用下生成二氧化碳。放电时,电解质溶液中阴离子Cl-移向负极室(左室),A项正确;有机物在厌氧菌作用下生成二氧化碳,所以X气体为CO2,B项正确;正极反应为2NOeq \\al(-,3)+10e-+12H+===N2↑+6H2O,H+参加反应导致溶液酸性减小,溶液的pH增大,C项错误;根据负极上有机物失电子发生氧化反应,有机物在厌氧菌作用下生成二氧化碳,电极反应为C6H10O5-24e-+7H2O===6CO2↑+24H+知,电路中每通过4 ml电子,产生标准状况下X气体的体积为eq \f(4,24)×6×22.4=22.4(L),D项正确。
7.燃料电池是一种将燃料所具有的化学能直接转换成电能的化学装置。
(1)以多孔铂为电极,如图甲装置中A、B口分别通入CH3CH2OH和O2构成乙醇燃料电池,则b电极是________(填“正极”或“负极”),该电池的负极的电极反应式为___________________________。
(2)科学家研究了转化温室气体的方法,利用图乙所示装置可以将CO2转化为气体燃料CO,该电池负极反应式为__________________________,工作时的总反应式为________________________。
(3)绿色电源“二甲醚-氧气燃料电池”的工作原理如图丙所示。
①氧气应从c处通入,则电极Y为________极,发生的电极反应式为_______________________;
②二甲醚(CH3OCH3)应从b处加入,电极X上发生的电极反应式为_____________________________;
③电池在放电过程中,电极X周围溶液的pH________(填“增大”“减小”或“不变”)。
(4)合成气(H2、CO)不仅是化工原料,也是清洁能源。如果H2和CO以体积比11组成的混合气体与空气构成碱性燃料电池(KOH溶液为电解质溶液且足量),假设CO和H2同时按比例发生反应,则燃料电池负极的电极反应式为__________________。
(5)如图丁是甲烷燃料电池原理示意图。
①电池的负极是________(填“a”或“b”)电极,该极的电极反应式为________________________。
②电池工作一段时间后电解质溶液的pH________(填“增大”“减小”或“不变”)。
【答案】(1)正极 CH3CH2OH+16OH--12e-===2COeq \\al(2-,3)+11H2O
(2)2H2O-4e-===4H++O2↑ 2CO2===O2+2CO
(3)①正 4H++O2+4e-===2H2O ②CH3OCH3+3H2O-12e-===2CO2+12H+ ③减小
(4)CO+H2+6OH--4e-===COeq \\al(2-,3)+4H2O
(5)①a CH4+10OH--8e-===COeq \\al(2-,3)+7H2O
②减小
【解析】(1)b电极通入O2,发生还原反应,则b电极为正极。乙醇(CH3CH2OH)在负极上发生氧化反应,电解质溶液为KOH溶液,负极反应式为CH3CH2OH+16OH--12e-===2COeq \\al(2-,3)+11H2O。
(2)由图乙可知,CO2在N极上发生还原反应生成CO,则N为正极,M为负极。H2O在负极上发生氧化反应生成O2,则电极反应式为2H2O-4e-===4H++O2↑。H2O在M极上生成O2,CO2在N极上生成CO,则电池总反应式为2CO2===O2+2CO。
(3)①二甲醚-氧气燃料电池中,O2通入正极,发生还原反应生成H2O,电极反应式为4H++O2+4e-===2H2O。②二甲醚 (CH3OCH3)在负极发生氧化反应生成CO2,电极反应式为CH3OCH3+3H2O-12e-===2CO2+12H+。③放电过程中,电极X上CH3OCH3被氧化生成CO2和H+,电极X周围溶液中c(H+)增大,溶液的pH减小。
(4)在碱性条件下,CO和H2均被氧化,则燃料电池负极的电极反应式为CO+H2+6OH--4e-===COeq \\al(2-,3)+4H2O。
(5)①甲烷燃料电池中,CH4通入负极,发生失去电子的氧化反应,电极反应式为CH4+10OH--8e-===COeq \\al(2-,3)+7H2O。②O2通入正极,发生还原反应,电极反应式为O2+2H2O+4e-===4OH-,结合负极反应式及得失电子守恒推知,电池总反应式为CH4+2O2+2OH-===COeq \\al(2-,3)+3H2O,则甲烷燃料电池工作时不断消耗OH-,溶液中c(OH-)减小,溶液的pH减小。
8.(1)高铁酸钾(K2FeO4)不仅是一种理想的水处理剂,而且高铁电池的研制也在进行中。如图1所示是高铁电池的模拟实验装置。
图1 图2
①该电池放电时正极的电极反应式为________________________________。
若维持电流强度为1 A,电池工作十分钟,理论消耗Zn________g(已知F=96 500 C·ml-1)。
②盐桥中盛有饱和KCl溶液,此盐桥中氯离子向__________(填“左”或“右”)移动;若用阳离子交换膜代替盐桥,则钾离子向__________(填“左”或“右”)移动。
③图2为高铁电池和常用的高能碱性电池的放电曲线,由此可得出高铁电池的优点有______________________________。
(2)有人设想以N2和H2为反应物,以溶有A的稀盐酸为电解质溶液,可制造出既能提供电能,又能固氮的新型燃料电池,装置如下图所示,电池正极的电极反应式是_____________________________,A是____________。
(3)利用原电池工作原理测定汽车尾气中CO的浓度,其装置如下图所示。该电池中O2-可以在固体介质NASICON(固溶体)内自由移动,工作时O2-的移动方向___________(填“从a到b”或“从b到a”),负极发生的电极反应式为_________________________。
【答案】(1)①+4H2O+3e-===Fe(OH)3↓+5OH- 0.2
②右 左 ③使用时间长、工作电压稳定
(2)N2+8H++6e-===2 氯化铵
(3)从b到a CO+O2--2e-===CO2
【解析】(1)①放电时高铁酸钾为正极,正极发生还原反应,电极反应式为+4H2O+3e-===Fe(OH)3↓+5OH-。若维持电流强度为1A,电池工作十分钟,转移电子的物质的量为 ml=0.006 217 6 ml。理论消耗Zn的质量为×65 g·ml-1≈0.2 g。②电池工作时,阴离子移向负极,阳离子移向正极,所以盐桥中氯离子向右移动;若用阳离子交换膜代替盐桥,则钾离子向左移动。
(2)该电池的本质反应是合成氨反应,电池中氢气失去电子,在负极发生氧化反应,氮气得电子在正极发生还原反应,则正极反应式为N2+8H++6e-===2,氨气与HCl反应生成氯化铵,则电解质溶液为NH4Cl、HCl混合溶液。
(3)工作时电极b作正极,O2-由电极b移向电极a;该装置是原电池,通入一氧化碳的电极a是负极,负极上一氧化碳失去电子发生氧化反应,电极反应式为CO+O2--2e-===CO2。
1.(新课标Ⅰ)科学家近年发明了一种新型Zn−CO2水介质电池。电池示意图如图,电极为金属锌和选择性催化材料,放电时,温室气体CO2被转化为储氢物质甲酸等,为解决环境和能源问题提供了一种新途径。
下列说法错误的是
A. 放电时,负极反应为
B. 放电时,1 ml CO2转化为HCOOH,转移的电子数为2 ml
C. 充电时,电池总反应为
D. 充电时,正极溶液中OH−浓度升高
【答案】D
【解析】由题可知,放电时,CO2转化为HCOOH,即CO2发生还原反应,故放电时右侧电极为正极,左侧电极为负极,Zn发生氧化反应生成;充电时,右侧为阳极,H2O发生氧化反应生成O2,左侧为阴极,发生还原反应生成Zn,以此分析解答。放电时,负极上Zn发生氧化反应,电极反应式为:,故A正确;放电时,CO2转化为HCOOH,C元素化合价降低2,则1mlCO2转化为HCOOH时,转移电子数为2ml,故B正确;充电时,阳极上H2O转化为O2,负极上转化为Zn,电池总反应为:,故C正确;充电时,正极即为阳极,电极反应式为:,溶液中H+浓度增大,溶液中c(H+)•c(OH-)=KW,温度不变时,KW不变,因此溶液中OH-浓度降低,故D错误。
2.[2019新课标Ⅲ]为提升电池循环效率和稳定性,科学家近期利用三维多孔海绵状Zn(3D−Zn)可以高效沉积ZnO的特点,设计了采用强碱性电解质的3D−Zn—NiOOH二次电池,结构如下图所示。电池反应为Zn(s)+2NiOOH(s)+H2O(l)ZnO(s)+2Ni(OH)2(s)。
下列说法错误的是
A.三维多孔海绵状Zn具有较高的表面积,所沉积的ZnO分散度高
B.充电时阳极反应为Ni(OH)2(s)+OH−(aq)−e−NiOOH(s)+H2O(l)
C.放电时负极反应为Zn(s)+2OH−(aq)−2e−ZnO(s)+H2O(l)
D.放电过程中OH−通过隔膜从负极区移向正极区
【答案】D
【解析】A、三维多孔海绵状Zn具有较高的表面积,吸附能力强,所沉积的ZnO分散度高,A正确;
B、充电相当于是电解池,阳极发生失去电子的氧化反应,根据总反应式可知阳极是Ni(OH)2失去电子转化为NiOOH,电极反应式为Ni(OH)2(s)+OH− (aq)− e− =NiOOH(s)+H2O(l),B正确;
C、放电时相当于是原电池,负极发生失去电子的氧化反应,根据总反应式可知负极反应式为Zn(s)+2OH− (aq)− 2e− =ZnO(s)+H2O(l),C正确;
D、原电池中阳离子向正极移动,阴离子向负极移动,则放电过程中OH− 通过隔膜从正极区移向负极区,D错误。答案选D。
3.[2019天津]我国科学家研制了一种新型的高比能量锌−碘溴液流电池,其工作原理示意图如下。图中贮液器可储存电解质溶液,提高电池的容量。
下列叙述不正确的是
A.放电时,a电极反应为
B.放电时,溶液中离子的数目增大
C.充电时,b电极每增重,溶液中有被氧化
D.充电时,a电极接外电源负极
【答案】D
【解析】放电时,Zn是负极,负极反应式为Zn−2e− ═Zn2+,正极反应式为I2Br− +2e− =2I− +Br− ,充电时,阳极反应式为Br− +2I− −2e− =I2Br− 、阴极反应式为Zn2++2e− =Zn,只有阳离子能穿过交换膜,阴离子不能穿过交换膜,据此分析解答。
A、放电时,a电极为正极,碘得电子变成碘离子,正极反应式为I2Br− +2e− =2I− +Br− ,故A正确;B、放电时,正极反应式为I2Br− +2e− =2I− +Br− ,溶液中离子数目增大,故B正确;C、充电时,b电极反应式为Zn2++2e− =Zn,每增加0.65g,转移0.02ml电子,阳极反应式为Br− +2I− −2e− =I2Br− ,有0.02mlI− 失电子被氧化,故C正确;D、充电时,a是阳极,应与外电源的正极相连,故D错误;故选D。
4.[2018新课标Ⅲ]一种可充电锂-空气电池如图所示。当电池放电时,O2与Li+在多孔碳材料电极处生成Li2O2-x(x=0或1)。下列说法正确的是
A.放电时,多孔碳材料电极为负极
B.放电时,外电路电子由多孔碳材料电极流向锂电极
C.充电时,电解质溶液中Li+向多孔碳材料区迁移
D.充电时,电池总反应为Li2O2-x=2Li+(1-)O2
【答案】D
【解析】本题考查的是电池的基本构造和原理,应该先根据题目叙述和对应的示意图,判断出电池的正负极,再根据正负极的反应要求进行电极反应方程式的书写。A.题目叙述为:放电时,O2与Li+在多孔碳电极处反应,说明电池内,Li+向多孔碳电极移动,因为阳离子移向正极,所以多孔碳电极为正极,选项A错误。B.因为多孔碳电极为正极,外电路电子应该由锂电极流向多孔碳电极(由负极流向正极),选项B错误。C.充电和放电时电池中离子的移动方向应该相反,放电时,Li+向多孔碳电极移动,充电时向锂电极移动,选项C错误。D.根据图示和上述分析,电池的正极反应应该是O2与Li+得电子转化为Li2O2-X,电池的负极反应应该是单质Li失电子转化为Li+,所以总反应为:2Li + (1-)O2 = Li2O2-X,充电的反应与放电的反应相反,所以为Li2O2-x = 2Li + (1-)O2,选项D正确。
点睛:本题是比较典型的可充电电池问题。对于此类问题,还可以直接判断反应的氧化剂和还原剂,进而判断出电池的正负极。本题明显是空气中的氧气得电子,所以通氧气的为正极,单质锂就一定为负极。放电时的电池反应,逆向反应就是充电的电池反应,注意:放电的负极,充电时应该为阴极;放电的正极充电时应该为阳极。
5.[2018新课标Ⅱ]我国科学家研发了一种室温下“可呼吸”的Na—CO2二次电池。将NaClO4溶于有机溶剂作为电解液,钠和负载碳纳米管的镍网分别作为电极材料,电池的总反应为:3CO2+4Na2Na2CO3+C。下列说法错误的是
A.放电时,ClO4-向负极移动
B.充电时释放CO2,放电时吸收CO2
C.放电时,正极反应为:3CO2+4e− =2CO32-+C
D.充电时,正极反应为:Na++e−=Na
【答案】D
【解析】原电池中负极发生失去电子的氧化反应,正极发生得到电子的还原反应,阳离子向正极移动,阴离子向负极移动,充电可以看作是放电的逆反应,据此解答。A.放电时是原电池,阴离子ClO4-向负极移动,A正确;B.电池的总反应为3CO2+4Na2Na2CO3+C,因此充电时释放CO2,放电时吸收CO2,B正确;C.放电时是原电池,正极是二氧化碳得到电子转化为碳,反应为:3CO2+4e−=2CO32-+C,C正确;D.充电时是电解,正极与电源的正极相连,作阳极,发生失去电子的氧化反应,反应为2CO32-+C-4e−=3CO2,D错误。答案选D。
6.[2017新课标Ⅲ]全固态锂硫电池能量密度高、成本低,其工作原理如图所示,其中电极a常用掺有石墨烯的S8材料,电池反应为:16Li+xS8=8Li2Sx(2≤x≤8)。下列说法错误的是
A.电池工作时,正极可发生反应:2Li2S6+2Li++2e−=3Li2S4
B.电池工作时,外电路中流过0.02 ml电子,负极材料减重0.14 g
C.石墨烯的作用主要是提高电极a的导电性
D.电池充电时间越长,电池中Li2S2的量越多
【答案】D
【解析】A.原电池工作时,Li+向正极移动,则a为正极,正极上发生还原反应,随放电的进行可能发生多种反应,其中可能发生反应2Li2S6+2Li++2e−=3Li2S4,故A正确;B.原电池工作时,转移0.02 ml电子时,氧化Li的物质的量为0.02 ml,质量为0.14 g,故B正确;C.石墨烯能导电,S8不能导电,利用掺有石墨烯的S8材料作电极,可提高电极a的导电性,故C正确;D.电池充电时间越长,转移电子数越多,生成的Li和S8越多,即电池中Li2S2的量越少,故D错误。答案为A。
7.[新课标Ⅲ]锌—空气燃料电池可用作电动车动力电源,电池的电解质溶液为KOH溶液,反应为2Zn+O2+4OH−+2H2O SKIPIF 1 < 0 2 SKIPIF 1 < 0 。下列说法正确的是
A.充电时,电解质溶液中K+向阳极移动
B.充电时,电解质溶液中c(OH−)逐渐减小
C.放电时,负极反应为:Zn+4OH−−2e− SKIPIF 1 < 0 SKIPIF 1 < 0
D.放电时,电路中通过2 ml电子,消耗氧气22.4 L(标准状况)
【答案】C
【解析】本题的解题关键是电极反应式的书写,首先根据氧化还原反应与原电池的关系,正确判断出Zn为电池负极,O2在正极获得电子,正极反应为O2+4e−+2H2O SKIPIF 1 < 0 4OH−,该电极反应极为重要,1 ml O2反应转移4 ml电子,常用于相关计算。A、充电时阳离子向阴极移动,故错误;B、放电时总反应为:2Zn+O2+4KOH+2H2O===2K2Zn(OH)4,则充电时生成氢氧化钾,溶液中的氢氧根离子浓度增大,故错误;C、放电时,锌在负极失去电子,故正确;D、标准状况下22.4 L氧气的物质的量为1 ml,对应转移4 ml电子,故错误。
8.[四川]某电动汽车配载一种可充放电的锂离子电池,放电时电池总反应为:Li1−xCO2+LixC6 SKIPIF 1 < 0 LiCO2+C6(x<1)。下列关于该电池的说法不正确的是
A.放电时,Li+在电解质中由负极向正极迁移
B.放电时,负极的电极反应式为LixC6−xe− SKIPIF 1 < 0 xLi++C6
C.充电时,若转移1 ml e−,石墨(C6)电极将增重7x g
D.充电时,阳极的电极反应式为LiCO2−xe− SKIPIF 1 < 0 Li1−xCO2+xLi+
【答案】C
【解析】本题考查了电化学原理,意在考查考生运用电化学原理分析、解决实际问题的能力。明确该电池的充放电原理是解题的关键。电池放电时,阳离子由负极移向正极,A项正确;由放电时的总反应看出,LixC6在负极发生失电子的氧化反应,B项正确;充电反应是放电反应的逆反应,充电时阳极发生失电子的氧化反应:LiCO2−xe− SKIPIF 1 < 0 Li1−xCO2+xLi+,D项正确;充电时,阴极发生得电子的还原反应:C6+xe−+xLi+ SKIPIF 1 < 0 LixC6,当转移1 ml电子时,阴极(C6电极)析出1 ml Li,增重7 g,C项错误。普通锌锰电池
碱性锌锰电池
装置
电极
反应
负极:Zn−2e− SKIPIF 1 < 0 Zn2+
正极:2 SKIPIF 1 < 0 +2MnO2+2e− SKIPIF 1 < 0 2NH3+Mn2O3+H2O
总反应:
Zn+2MnO2+2 SKIPIF 1 < 0 SKIPIF 1 < 0 Zn2++2NH3+Mn2O3+H2O
负极:Zn+2OH−−2e− SKIPIF 1 < 0 Zn(OH)2
正极:2MnO2+2H2O+2e− SKIPIF 1 < 0 2MnOOH
+2OH−
总反应:
Zn + 2MnO2+2H2O SKIPIF 1 < 0 2MnOOH+
Zn(OH)2
特点
优点:制作简单,价格便宜;
缺点:新电池会发生自动放电,使存放时间缩短,放电后电压下降较快
优点:克服了普通锌锰干电池的缺点,单位质量所输出的电能多且储存时间长,适用于大电流和连续放电
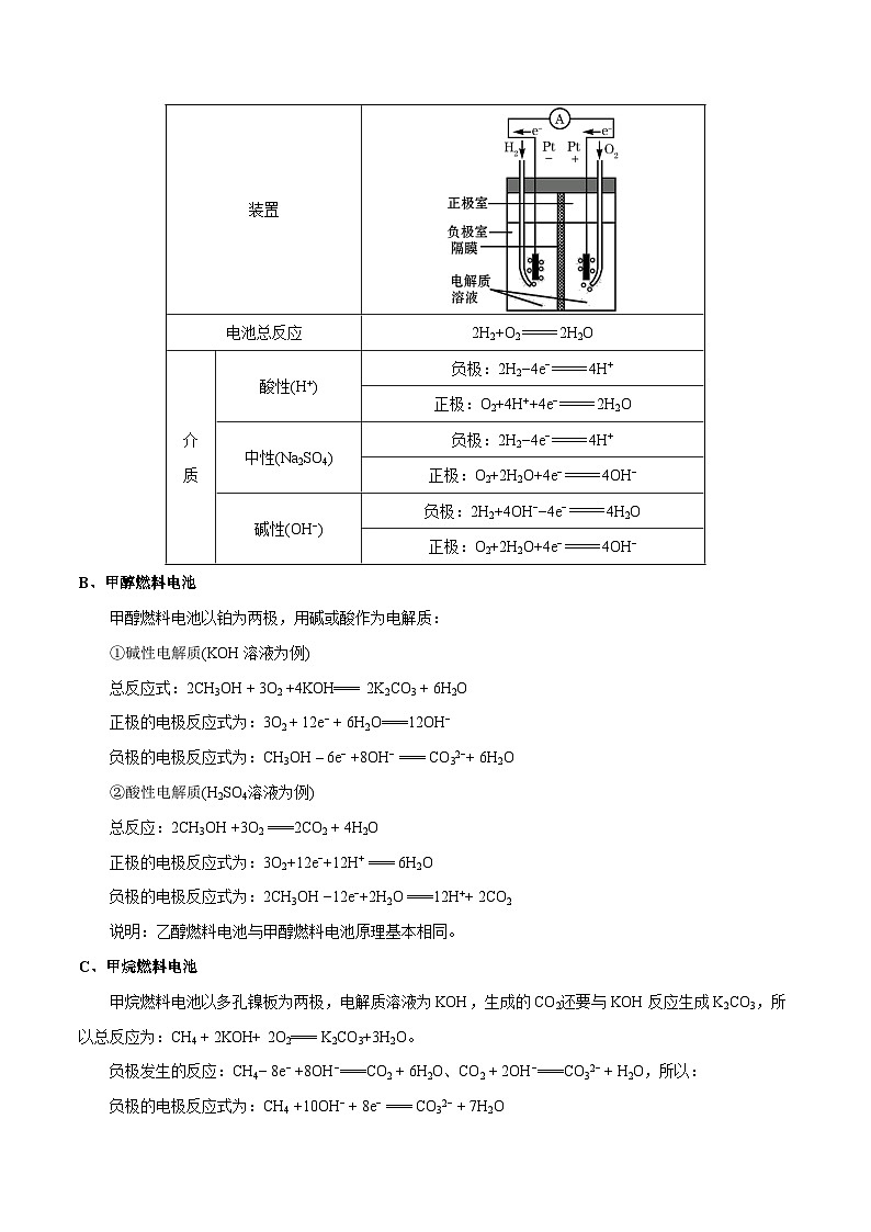
装置
电池总反应
2H2+O2 SKIPIF 1 < 0 2H2O
介
质
酸性(H+)
负极:2H2−4e− SKIPIF 1 < 0 4H+
正极:O2+4H++4e− SKIPIF 1 < 0 2H2O
中性(Na2SO4)
负极:2H2−4e− SKIPIF 1 < 0 4H+
正极:O2+2H2O+4e− SKIPIF 1 < 0 4OH−
碱性(OH−)
负极:2H2+4OH−−4e− SKIPIF 1 < 0 4H2O
正极:O2+2H2O+4e− SKIPIF 1 < 0 4OH−
【升级版】微专题34 新型高能化学电源 -备战2024年高考化学考点微专题: 这是一份【升级版】微专题34 新型高能化学电源 -备战2024年高考化学考点微专题,文件包含升级版微专题34新型高能化学电源-备战2024年高考化学考点微专题原卷版全国版docx、升级版微专题34新型高能化学电源-备战2024年高考化学考点微专题解析版全国版docx等2份试卷配套教学资源,其中试卷共39页, 欢迎下载使用。
专题复习 高考化学 考点52 乙醇和乙酸 讲义: 这是一份专题复习 高考化学 考点52 乙醇和乙酸 讲义,共22页。试卷主要包含了乙醇,乙酸等内容,欢迎下载使用。
专题复习 高考化学 考点46 酸碱中和滴定 讲义: 这是一份专题复习 高考化学 考点46 酸碱中和滴定 讲义,共30页。试卷主要包含了酸碱中和滴定,酸碱中和滴定中常见误差分析,酸碱中和滴定的拓展应用等内容,欢迎下载使用。

