


2023-2024学年江苏省盐城市龙冈共同体九上物理期末联考模拟试题含答案
展开
这是一份2023-2024学年江苏省盐城市龙冈共同体九上物理期末联考模拟试题含答案,共14页。试卷主要包含了如图,电源电压不变等内容,欢迎下载使用。
学校_______ 年级_______ 姓名_______
注意事项
1.考试结束后,请将本试卷和答题卡一并交回.
2.答题前,请务必将自己的姓名、准考证号用0.5毫米黑色墨水的签字笔填写在试卷及答题卡的规定位置.
3.请认真核对监考员在答题卡上所粘贴的条形码上的姓名、准考证号与本人是否相符.
4.作答选择题,必须用2B铅笔将答题卡上对应选项的方框涂满、涂黑;如需改动,请用橡皮擦干净后,再选涂其他答案.作答非选择题,必须用05毫米黑色墨水的签字笔在答题卡上的指定位置作答,在其他位置作答一律无效.
5.如需作图,须用2B铅笔绘、写清楚,线条、符号等须加黑、加粗.
一、选择题(每题1.5分,共30题,45分)
1. “关爱生命,快乐成长”,下列关于安全用电的说法正确的是( )
A.电灯的开关可以接在零线和灯座之间
B.使用测电笔时,手指不能接触笔尾金属体
C.选用插座时,所有家用电器都使用两孔插座
D.一旦发生触电事故,应先切断电源再进行抢救
2.下列过程,属于内能转化为机械能的是
A.内燃机的做功冲程B.电热水壶烧水
C.向下压活塞引燃棉花D.从滑梯上滑下时臀部发热
3.如图所示是四冲程汽油机工作时某个冲程的示意图,下列说法正确的是( )
A.该冲程是排气冲程
B.该冲程汽缸内的物质只有空气
C.该冲程中机械能转化为内能
D.该冲程汽缸内物质的内能在减小
4.在生活中,我们会遇到这些情况:①控制灯的开关中两个线头相碰;②插座中分别与火线和零线连接的两个线头相碰;③电路中增加了大功率的用电器;④插头与插座接触不良。在上述情况中,可能引起家庭电路中空气开关跳闸的是( )
A.①和②B.②和③C.③和④D.①和④
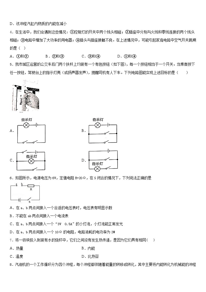
5.我市城区运营的公交车后门两个扶杆上均装有一个有色按钮(如下图),每一个按钮相当于一个开关。当乘客按下任一按钮,驾驶台上的指示灯亮(或扬声器发声),提醒司机有人下车。下列电路图能实现上述目标的是( )
A.B.
C.D.
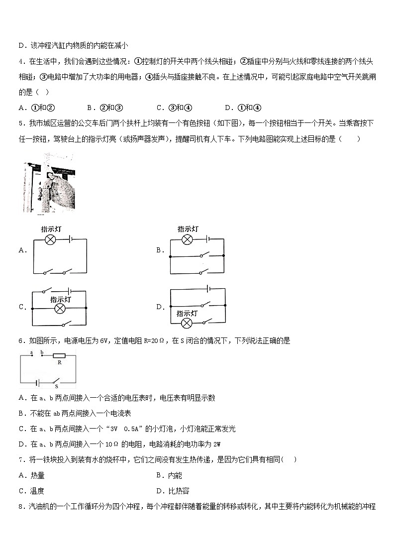
6.如图所示,电源电压为6V,定值电阻R=20Ω,在S闭合的情况下,下列说法正确的是
A.在a、b两点间接入一个合适的电压表时,电压表有明显示数
B.不能在ab两点间接入一个电流表
C.在a、b两点间接入一个“3V 0.5A”的小灯泡,小灯泡能正常发光
D.在a、b两点间接入一个10Ω的电阻,电路消耗的电功率为2W
7.将一铁块投入到装有水的烧杯中,它们之间没有发生热传递,是因为它们具有相同( )
A.热量B.内能
C.温度D.比热容
8.汽油机的一个工作循环分为四个冲程,每个冲程都伴随着能量的转移或转化,其中主要将内能转化为机械能的冲程是
A.吸气冲程 B.压缩冲程 C.做功冲程 D.排气冲程
9.如图所示,当工人师傅用500N的拉力向下拉绳时,可使重900N的重物勾速上升3m,此过程中忽略绳重和摩擦,这说法中正确的是图
A.拉力F做功为1500JB.增加物重该装置的机械效率变大
C.此过程中的机械效率约为60%D.动滑轮重为200N
10.如图,电源电压不变。闭合开关,将变阻器的滑片向左移动,下列说法正确的是( )
A.电压表示数变小B.电压表示数变大
C.电流表示数变小D.电流表示数变大
11.如图所示,把用毛皮摩擦过的橡胶棒去接触验电器的金属球,发现验电器金属箔片张开。下列有关说法正确的是( )
A.橡胶棒上产生了新的负电荷B.橡胶棒上消灭了一些正电荷
C.电子从毛皮转移到橡胶棒D.电子从橡胶棒转移到毛皮
12.估测是我们学好物理的一项基本能力,下列对生活中估测的几个物理量的数值,符合实际的是 ( )
A.你从教学楼一楼到四楼需要克服重力做的功约为600J
B.你家里房间空调正常工作时的电功率接近于1000W
C.你在家写字用台灯正常工作时通过的电流约3A
D.你家“200V 800W”的电饭锅正常工作时,煮熟一锅饭所用时间大约为4分钟
13.标有“4V 4W”和“6V 9W”的两个定值电阻,串联起来接在8V的电路上,则它们产生相同热量所需要的时间之比是
A.1:2B.2:1C.1:1D.1:4
14.如图所示,在电动自行车两个刹车手柄中,各有一只开关S1和S2。当在行驶中(开关S闭合)用任意一只手柄刹车时,该手柄上的开关会立即断开,这时电动机停止工作。下列电路符合设计要求的是( )
A.B.
C.D.
15.下列物品中,能被磁铁吸引的是( )
A.橡皮擦B.铁钉C.塑料尺D.铜钥匙
16.如图所示的电路中,若开关闭合后各灯无损,则( )
A.只有灯L1能发光
B.只有灯L3能发光
C.灯L1、L3能发光
D.灯L1、L2、L3都能发光
17.(2017•哈尔滨卷)如图所示,闭合开关S,发现灯泡L1亮,L2不亮.调节变阻器滑片P,L1变亮,L2始终不亮,出现这一现象的原因可能是( )
A.滑动变阻器断路B.滑动变阻器短路C.灯泡L2短路D.灯泡L2断路
18.如图甲电路,闭合开关S后,两个灯泡都能发光,乙图为电流表A1指针的位置,如果电流表A2读数是0.5A,则下列说法错误的是( )
A.灯泡L1和L2并联
B.电流表A1一定连接“3A”接线柱
C.电流表A1的读数是1.5A
D.通过灯L1的电流为1.2A
19.2014年4月16日,我国在从北京飞往成都的CA4116航班上成功进行了全球首个4G地空宽带实验,在飞机上实现无线高速上网.这些信号从地面到空中是通过
A.电磁波传送B.次声波传送C.光纤传送D.超声波传送
20.如图所示,向盛水的烧杯中陆续加盐,并轻轻搅拌,鸡蛋将( )
A.下沉,浮力不变B.上浮,浮力不变
C.下沉,浮力变小D.上浮,浮力变大
21.汽车紧急刹车时,轮胎温度急剧升高,内能增大,图中四个事例中改变物体内能的方式与之相同的是
A.钻木取火
B.金属勺放在热汤中
C.食品放入冰箱内
D.物体放在取暖器旁
22.如图所示,电路元件及导线连接均完好,闭合开关S1、S2,则
A.L1不能发光,L2能发光
B.L1能发光,L2不能发光
C.L1 L2都能发光
D.L1 L2都不能发光
23.关于电路的知识,下列说法中不正确的是:
A.一般的电路是由电源、用电器、开关和导线组成
B.金属中的电流方向跟自由电子定向移动方向相反
C.为使两灯同时亮,同时灭,两灯一定要串联
D.在电路中,电源是把其他形式的能转化为电能
24.如图所示的四幅图中,能反映发电机工作原理的实验装置是
A.
B.
C.
D.
25.关于家庭电路,下列说法正确的是( )
A.电能表是用来测量电路消耗电能的仪表,应安装在总开关之前
B.电热毯内的电阻丝断了,只需将断头接上后仍可安全使用
C.当电路因故障导致保险装置断开时,只需更换保险丝或使空气开关复位
D.家用电器或电线着火时,应立即浇水灭火
26.下列措施中,属于利用电流热效应的是
A.与空调器相连的导线很粗B.电视机的后盖有很多孔
C.热水器的发热板装在底部D.电脑的主机中安装微型风扇
27.在如图所示的实验装置中,当开关闭合时,能观察到导体棒ab沿 金属导轨运动。利用这一现象所揭示的原理,可制成的设备是
A.电热器B.发电机
C.电动机D.电磁继电器
28. “220V 800W”的电热壶烧水,不考虑能量损失,当把它接入110V的电源上时,在32min内将一壶水烧开,将该壶接在220V的电源上时,烧开同样一壶水所需时间为( )
A.8minB.16minC.64minD.128min
29.灯泡L,标有“6V6W” 的字样,L标有“12V6W ;为保证用电器的安全,下列说法正确的是
A.两灯都正常发光时,L会比L1亮一些
B.两灯串联时,电源电压最高为14.5V
C.两灯串联时,电路消耗的电功率最高为7.5W
D.两灯并联时,干路电流最高为1.5A
30.把一食品放入电冰箱,它的温度降低到0℃,下列说法正确的是
A.食品的温度降低,内能减小
B.食品含有的热量不断减少
C.0℃的食品内能为零
D.改变食品内能的方式是做功
二、填空题(每空1分,共10题,20分)
31.如图所示为一旋钮调节挡位的电风扇电路图结构示意图,由图可知这台电风扇运转时可调________个不同大小的风速.把旋钮开关调到“OFF”的意思是_________ (选填“短路”、“断路”或“通路”);结合电学知识判断:问从1旋到3表明了风扇的转速会_________,判断的依据是:_______________________.
32.如图所示,水平地面G点两侧粗糙程度不同,物体一直受到沿水平方向5N的拉力F。物体经过E点开始计时,每经过相同时间,用虚线框记录物体的位置,物体在EG段做匀速直线运动,则物体在EF段的速度_____GH段的速度,拉力F在EF段所做的功_____在GH段所做的功,拉力F在EF段的功率_____在GK段的功率。(大于/等于/小于)
33.如图所示的装置,其中一个瓶子装有密度比空气大的红棕色二氧化氮气体,另一个装有空气。演示气体扩散现象时应该把装有二氧化氮气体的瓶子放在_____(选填“上”或“下”)方;将50ml的水与50ml的酒精混合,所得液体总体积小于100ml的现象表明_____;摩擦生热中“热”的含义是_____(选填“热量”、“温度”或“内能”);某物体具有的动能为aJ,重力势能为cJ,弹性势能为dJ,内能为eJ,分子总动能为bJ,则它的机械能是_____,分子的总势能是_____。
34.用酒精灯给试管内的水加热至沸腾,会看到水蒸气将软木塞顶开,水蒸气内能_______ (选填“增加”或“减小”),此过程与汽油机______冲程的能量转化相同.酒精燃烧时是将_____能转化为内能。
35.如图,将连在电压表上的铜片和锌片插入盐水中,制成一个盐水电池。观察电压表的接线和指针偏转可知:锌片是盐水电池的______极,电池的电压为______V。
36.菲菲家的下水道堵了,爸爸用固体疏通剂进行疏通。具体操作是先将适量的疏通剂倒入下水道,再缓慢加入清水,疏通剂与水发生化学反应生成高温高压气体,通过高温高压气体的膨胀将管道疏通。高压气体疏通管道的过程相当于四冲程汽油机的___冲程,疏通管道的过程中,高压气体的________能转化为________能。
37.如图所示,两个表面光滑的铅块相互挤压后粘在一起,说明分子间有_____;长时间挤压在一起的铅块和金块会相互渗透,说明分子_____.
38.完全燃烧0.3m3的天然气来加热水箱中的水,放出的热量是__________J;若放出热量的84%被水吸收,则可以将水箱中20kg,20℃的水加热到_______℃(天然气的热值为3.0×107J/m3,c水=4.2×103J/(kg·℃),当地大气压为一个标准大气压).在洗浴过程中我们看到浴室里有大量“白气”产生,这些“白气”是水蒸气________(填物态变化)形成的.
39.近年来,我国城乡许多地区进行了供电线路改造,改造的内容之一就是把电线换成更粗的,使它的电阻_____,电流在导线上产生的热量_____,在线路改造时,还把电能表换成额定电流更大的,改造后家庭中可以使用的用电器总功率将_____。(填“变大”“不变”“变小”)
40.用四只完全相同的滑轮和两根相同的绳子组成如图所示的甲、乙两个滑轮组,分别匀速将两个相同的钩码在相同时间内提升相同高度,若不计绳子与滑轮的摩檫,__________装置更省力(选填“甲”或“乙”)。甲装置的机械效率__________乙装置的机械效率(选填“高于”、“低于”或“等于”)。甲图中若钩码总重100N,动滑轮重为20N,不计摩擦及绳重,若工人将绳子匀速向上拉6m,则泥桶上升的高度为__________m,滑轮组的机械效率为__________。
三、实验题(每空1分,共2题,15分)
41.小明在做“用伏安法测量某定值电阻R的阻值”的实验中:
(1)请你按照图甲所示的电路图,以笔画线代替导线,将图乙小明未连接好的电路连接完整;________
(2)实验前,为保护电路,滑动变阻器的滑片应置于_____端(填“A”或“B”);
(3)闭合开关,移动滑动变阻器滑片P,发现电压表始终无示数,电流表有示数,其原因可能是_____(填符号);
A.滑动变阻器断路 B.R断路 C.R短路
(4)排除故障后,当电压表的示数如图丙所示时,电流表的示数如图丁所示,则通过定值电阻的电流大小为_____A,它的阻值是_____Ω;
(5)通常情况下要进行多次测量并取平均值,其目的是为了_____。
42.图甲是小勇同学测定小灯泡电功率的实验(小灯泡额定电压为2.5V)。
(1)为完成实验,请你用笔画线代替导线,将图甲小勇连接的部分电路补充完整;
(_____)
(2)连接电路时,开关应该滑动变阻器的滑片应调至最_____(选填“左”或“右”)端,闭合开关前还要先进行_____;
(3)电路连接正确后,调节滑动变阻器的滑片,当电压表示数为2V时,电流表示数如图乙所示,通过小灯泡的电流为_____A,此时小灯泡的电功率为_____W:若要测量小灯泡的额定功率,应将滑动变阻器的滑片向_____(选填“左”或“右”)移动,直到电压表示数为_____V为止;
(4)实验中,移动滑动变阻器的滑片,小勇记下多组电流表及对应电压表的示数并画出图丙所示的I﹣U图象,从图象可算出小灯泡的额定功率为_____W;
(5)小勇在继续调节滑动变阻器的过程中若小灯泡突然熄灭,经检查发现灯丝烧断,则电压表示数将_____(选填“变大”“变小”或“不变”)。
四、计算题(每题10分,共2题,20分)
43.多功能养生壶具有精细烹饪、营养量化等功能,深受市场认可和欢迎。图是某品牌养生壶简化电路图。(ρ水=1×103kg/m3,C水=4.2×103J/(kg⋅℃),g=10N/kg)求
(1)R1的阻值;
(2)在标准大气压下,使用高温档将初温是12℃的一壶水烧开,若养生壶高温档加热效率为80%,求水吸收的热量和烧开一壶水需要的时间。
(3)一天,小宇断开家中其他用电器,只接通养生壶且处于高温档状态,发现家中标有“220 V 10(20 A);3 000 r/kW·h”的电能表6 min内转了300圈,求此时的实际养生壶高温档功率是多少?
44.小刚设计了一种小鸡孵化器的电路模型,如图所示,在一般情况下,只需灯光照明,温度较低时,则需要加热.电源电压为72V,R1为定值电阻,R2为发热电阻丝改成的滑动变阻器,其上标有“200Ω3A”的字样,电流表A1的量程为0∼0.6A,电流表A2的量程为0∼3A,灯泡上标有“12V3W”的字样.
(1)闭合S,断开S1、S2,灯泡正常工作,求R1的阻值.
(2)S、S1、S2均闭合时,求R2上消耗电功率的最小值和最大值.
参考答案
一、选择题(每题1.5分,共30题,45分)
1、D
2、A
3、C
4、B
5、B
6、A
7、C
8、C
9、B
10、B
11、C
12、B
13、C
14、D
15、B
16、A
17、C
18、D
19、A
20、D
21、A
22、B
23、C
24、A
25、A
26、C
27、C
28、A
29、C
30、A
二、填空题(每空1分,共10题,20分)
31、四 断路 变慢 详见解析
32、小于 等于 小于
33、下 分子间存在间隙 内能 (a+c+d)J (e﹣b)J
34、减小 做功 化学
35、负 0.6
36、做功 内 机械
37、引力 在不停地做无规则运动
38、9×106 100 液化
39、变小 变小 变大
40、甲 等于 2 83. 3%
三、实验题(每空1分,共2题,15分)
41、 B C 0.3 9 减小误差
42、 右 试触 0.22 0.44 左 2.5 0.625 变大
四、计算题(每题10分,共2题,20分)
43、 (1)88Ω
(2)420s
(3)1000W
44、(1)240Ω(2)25.92W、194.4W
项目
参数
电源电压(V)
220
低温档功率(W)
275
中温档功率(W)
550
高温档功率(W)
1100
容积(L)
1
相关试卷
这是一份江苏省盐城市盐城中学2023-2024学年九上物理期末统考模拟试题含答案,共9页。试卷主要包含了下列数据中,最接近实际情况的是等内容,欢迎下载使用。
这是一份2023-2024学年江苏省淮阴中学九上物理期末联考模拟试题含答案,共14页。试卷主要包含了考生必须保证答题卡的整洁等内容,欢迎下载使用。
这是一份2023-2024学年江苏省盐城市射阳县物理九上期末联考模拟试题含答案,共7页。试卷主要包含了下列做法符合安全用电的是,下列说法中正确的是等内容,欢迎下载使用。