08熔化和凝固的温度—时间图像、晶体与非晶体、噪声-初中物理自主招生精品讲义练习
展开
这是一份08熔化和凝固的温度—时间图像、晶体与非晶体、噪声-初中物理自主招生精品讲义练习,文件包含08熔化和凝固的温度时间图像晶体与非晶体噪声教师版docx、08熔化和凝固的温度时间图像晶体与非晶体噪声学生版docx等2份试卷配套教学资源,其中试卷共47页, 欢迎下载使用。
1.熔化和凝固的温度—时间图像
【知识点的认识】要明确知道熔化吸热、凝固放热;分清晶体有一定的熔点(凝固点)熔化时温度不变,晶体凝固时温度不变;非晶体没有一定的熔点(凝固点).
凝固、熔化图象:
【命题方向】
中考时判断那个图象是熔化那个是凝固图象,且判断那个是晶体的熔化图象那个是非晶体的熔化图象,或判断那个是晶体的凝固和非晶体的凝固图象时一个重点;在晶体的熔化和凝固时,像每一段物质所处状态的判断也是一个重点.
例1:图中,表示非晶体熔化时温度随时间变化的图象是( )
A. B. C. D.
例2:图是某种物质物态变化过程中温度随时间变化的图象,该图象反映的可能是( )
A.蜡的熔化过程 B.蜡的凝固过程 C.海波的熔化过程 D.海波的凝固过程
一.熔化和凝固的温度—时间图像(共8小题)
1.某种物质熔化过程中温度随时间变化的图线如图所示,据图可知,该物质( )
A.是晶体,熔点是30℃B.是非晶体,熔点是0℃
C.熔化前,升温比熔化后升温快D.熔化时,与外界不发生热传递
2.如图所示为海波的熔化图象,从图象中获得的信息说法正确的是( )
A.海波的沸点是48℃B.海波在BC段吸收了热量
C.海波在CD段是气态D.6min时海波已全为液态
3.如图所示为冰在加热过程中,温度随时间变化的图象。以下说法中不正确的是( )
A.冰是一种晶体B.冰的熔点为0℃
C.从t1到t2,冰处于熔化过程D.从t1到t2,冰的质量保持不变
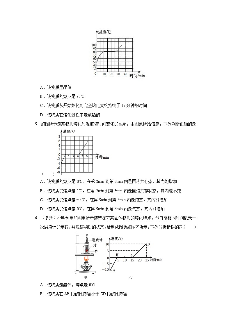
4.如图所示,是某种物质熔化时温度随时间变化的图象。根据图象的特征和信息。以下说法中错误的是( )
A.该物质是晶体
B.该物质的熔点是80℃
C.该物质从开始熔化到完全熔化大约持续了15分钟的时间
D.该物质在熔化过程中是放热的
5.如图所示是某物质熔化时温度随时间变化的图象,由图象所给信息,下列判断正确的是( )
A.该物质的熔点是0℃,在第2min到第3min内是固液共存态,其内能增加
B.该物质的熔点是0℃,在第2min到第3min内是固液共存状态,其内能不变
C.该物质的熔点是﹣4℃,在第5min到第6min内是液态,其内能增加
D.该物质的熔点是0℃,在第5min到第6min内是气态,其内能增加
6.(多选)小明利用如图甲所示装置探究某固体物质的熔化特点,他每隔相同时间记录一次温度计的示数,并观察物质的状态。绘制成图像如图乙所示,下列分析错误的是( )
A.该物质是晶体,熔点是0℃
B.该物质在AB段的比热容小于CD段的比热容
C.该物质熔化过程持续了15 分钟
D.该物质在熔化过程中吸收热量,但温度不变,所以内能也保持不变
7.如图所示是某物质熔化时其温度随时间变化的图象,根据该图象你能获得哪些有价值的信息,请写出两条:信息一: 。信息二: 。
8.阅读材料,回答问题
盐化冰雪“保”安全
北美、北欧、俄罗斯等地区和国家,比较早的采用了“撒盐”融化冰雪的方法,以应对城市交通和公路交通由于下雪造成的困难。使用最早、用量最大的盐是氯化钠(食盐)。它资源丰富、价格低廉、化冰雪效果好。美国自1930年开始使用,1950年以后的用量大增,一段时期美国每年的“撒盐”数量可达数千万吨,占盐业公司总销量的1/3,而加拿大每年用到300﹣500万吨。“撒盐”不仅在保证交通畅通方面发挥了优异功能,而且在保证安全、降低交通事故方面更显示出突出效果。美国有研究统计表明,“撒盐”可减少事故发生率达88.3%,加上经济、资源因素的综合考虑,与其他化冰雪方法相比,“撒盐”被认为是最经济、有效、快捷的方法。因此,在很长时期内,对于城市市政、公路管理部门等,“撒盐”成为主要的、不可缺少的应对冬季下雪的措施。
然而,随着时间的推移,“撒盐”的负面影响也逐渐显露出来,而且越来越显严重。人们对“撒盐”的认识也发生变化和产生疑虑。一些国家,由于长期“撒盐”的结果,已经造成了巨大的“盐害”。“盐害”主要体现在…
问题:(1)上文中提到“撒盐”能够融化冰雪,请你用学过的物理知识,针对这一现象的原因提出一个合理的猜想,说出你猜想的理由。
猜想: ;理由: 。
(2)为了验证这一猜想,他将一些盐放入水中,并把溶化后的盐水用容器盛好放入冰箱的冷冻室,研究盐水的凝固过程。每隔一定时间,小明就观察盐水的状态、测出温度,并将凝固过程记录的温度数据画成了凝固图象,如图所示。
①从图象中可以看出盐水从第 min开始凝固。
②盐水的凝固点为 ℃.实验验证了小明的猜想,因为与水相比,凝固点变 了(选填“高”或“低”)。
(3)去年,我省大部分地区都降了十多年不遇的大雪,“撒盐”在有效应对积雪带来的安全隐患时,我们也必须意识到上文中提到的“撒盐”的负面影响﹣﹣“盐害”,请根据你的了解,写出“盐害”的一种表现: 。
2.探究固体熔化时温度的变化规律
【知识点的认识】熔化和凝固的探究实验老师先演示,然后让学生分组到实验室再做实验.我们一般以石蜡和海波为例,来研究晶体和非晶体正在熔化时,它们在硬度、弹性方面的不同.例如:海波的熔化.
(1)把装有海波的试管(高度约3cm)放在盛有热水(稍低于熔点,海波的熔点是48℃)的大烧杯里.试管内装有温度计和搅拌器(玻璃棒),随时搅拌海波,并每半分钟记录一次温度.
(2)等海波的温度接近熔点时,稍减慢加热速度.注意观察海波的变化.
【命题方向】
熔化和凝固的探究实验是中考重点实验考查的课题,尤其在熔化和凝固过程
观察的现象是命题关键:例如海波熔化时的现象:(1)开始加热时,海波物态不变,温度计示数逐渐增大(2)在一定的温度下(熔点)海波开始融化,熔化过程中吸热,但温度计示数保持不变,海波处于固液共存态.(3)当海波全部熔化完毕,继续加热,温度计示数又逐渐增高.
例:如图甲是“探究固体熔化时温度的变化规律”的实验装置.
(1)把石棉网垫在烧杯下,并将试管放在水中加热,是为了使固体粉末受热 (选填“均匀”或“不均匀”).
(2)将温度计插入试管中时,温度计的玻璃泡要全部插入固体粉末中,不要碰到试管底或 .若某时刻温度计的示数如图乙所示,则此时温度计的读数为 ℃.
(3)下表是实验中记录的数据.
根据表中数据可知,该物质的熔点是 ℃;该物质是 (选填“晶体”或“非晶体”).
(4)能反映上述固体熔化时温度变化规律的是图丙ab中的 .
二.探究固体熔化时温度的变化规律(共5小题)
9.如图是探究冰熔化特点的装置图,该实验中没有使用酒精灯加热的原因是( )
A.冰在熔化过程中要放出热
B.冰的熔点比实验时的气温低许多,冰从周围空气吸热
C.一部分冰升华放热使其余的冰熔化
D.冰可以在任意温度下熔化
10.小刚在探究海波和蜂蜡的熔化规律时,记录实验数据如下表所示,请回答下列问题。
根据表中的实验数据可以判断:
(1)蜂蜡属于 (选填“晶体”或“非晶体”);(2)海波的熔点为 ℃。
11.如图甲所示是萘的熔化实验装置
(1)将装有萘的试管放在盛水的烧杯中加热而不是直接加热的目的是 ;
(2)图乙是小明绘制的萘熔化的图象,其中BC段物体处于 态,整个熔化过程用时约 分钟;由图象可以推断,萘是 (选填“晶体”或“非晶体”)。
(3)图丙是某一时刻读取温度计时的情景,温度计的读数方法正确的是 (选填“A”、“B”或“C”),此时的温度为 ℃。
12.如图甲所示,是萘的熔化实验装置。
(1)将装有萘的试管放在盛水的烧杯中加热而不是直接加热的目的是: ;
(2)图乙是小明绘制的萘熔化的图像,其中BC段物体处于 (选填“固态”、“液态”、“固液共存态”),整个熔化过程用时约 分钟。
(3)由图乙可知,萘固态时的比热容 (选填“大于”、“小于”或“等于”)液态时的比热容。
13.寒冷的冬天,某兴趣小组发现,一根两端拴有重物的细金属丝,挂在一个粗大的冰块上。一段时间后,出现了如下有趣的现象:细金属丝割穿了冰块,而冰块保持完整。
他们对此现象进行了讨论,认为这是由于冰的熔化和凝固引起的。关于冰熔化的原因。他们提出了以下三种猜想:猜想1:冰块的厚度小。猜想2:金属丝的温度低。
猜想3:金属丝对冰块的压强大。
(1)根据所学知识,他们经过讨论,断定猜想2是错误的。你认为他们判断的依据是 。
(2)为了验证猜想1是否正确,只改变冰块的厚度进行实验,金属丝都能割穿冰块。这说明猜想1是 的。
(3)请设计一个简单实验,验证猜想3是否正确,简述你的实验方案。
简要做法: ;
如何判断: 。
3.熔点和凝固点的概念
【知识点的认识】
熔点与凝固点是物质在其气压下液态﹣固态达到平衡时的温度称为熔点或凝固点(凝固点指的是物体由液态转变为固态的临界温度值,熔点指的是物体由固态转变为液态的临界温度值).这是由于固体中原子或离子的有规则排列因温度上升,热运动变得杂乱而活化,形成不规则排列的液体的一种现象,相反的过程即为凝固.对于液体变为固体时的温度常称为凝固点或冰点,与熔点不同之处在于放出热量而不是吸收热量.其实物质的熔点和凝固点是一致的.
附:部分物质的熔点(单位:℃,在标准大气压下)
【命题方向】
液体的凝固点和南极最低气温之间的关系选择合适的温度计测量,利用凝固和熔化时的条件解决生活实际问题,是中考热点.
例1:在严寒的冬天,需要排尽汽车水箱里的水并注入防冻剂.与水相比,防冻剂不易冰冻也不易开锅(沸腾),这是因为( )
A.防冻剂的凝固点比水的凝固点高,沸点比水的沸点低
B.防冻剂的凝固点比水的凝固点高,沸点比水的沸点高
C.防冻剂的凝固点比水的凝固点低,沸点比水的沸点低
D.防冻剂的凝固点比水的凝固点低,沸点比水的沸点高
【解题方法点拨】
同种晶体熔点和凝固点相同,不同晶体熔点不同,晶体熔化的条件:达到熔点,继续吸收热量.凝固的条件:达到凝固点,继续放热,利用这些特点才能解题.
三.熔点和凝固点的概念(共2小题)
14.在北方的冬天,汽车驾驶员常用水和酒精的混合物作为汽车冷却系统的冷却剂,这是由于这种混合液具有( )
A.较低的沸点B.较高的熔点
C.较低的凝固点D.较好的冷却效果
15.车的危害主要表现在路况的改变。路面积雪经车辆压实后,车轮与路面的摩擦力减小,汽车易左右滑摆。同时,汽车的制动距离也难以控制,一旦车速过快、转弯太急,都可能发生交通事故。专家研究表明,气温不同,积雪的厚薄不同,对汽车的危害也不一样。当积雪厚度在5﹣15cm,气温在0℃左右时,汽车最容易发生事故。因为在这种条件下,路面上的冰雪常会呈“夜冻昼化”状态。此时,护路工人常在路面上撒大量的盐,以避免“夜冻昼化”现象,即在相同气温条件下,融化了的冰雪不再结冰,从而减少交通事故的发生。提出问题:在相同气温条件下,为什么水不再结冰了?
猜想与假设:请你用学过的物理知识,针对这一现象产生原因提出一个合理的猜想,并说出你猜想的理由。猜想: 。理由: 。
分析与交流:除了在路面上撒盐外,你还有什么常用的办法,可以避免减少交通事故,这样做的道理是什么?方法: 。道理: 。
4.晶体与非晶体熔化和凝固的温度曲线
【知识点的认识】
对AB、BC、CD、DE、EF、FG各段的状态、吸放热情况都应能从图象中分析出:
AB段:表示固态晶体随着时间的延长吸热温度升高.
BC段:表示晶体熔化过程,随着时间的延长,固态物质越来越少,液态物质越来越多,熔化过程中物质处于固液共存状态,此过程吸热,但温度不变,此时对应的温度为该晶体的熔点,B点为固态,还未熔化;C点为液态,晶体完全熔化.
CD段:表示液态(固态晶体全部转化成液态)随时间延长而吸热,温度升高.
DE段:表示液态、放热、降温.
EF段:表示凝固过程,放出热量,温度保持不变,物质处于固液共存状态.从图象上看,越接近F点固态物质越多,液态物质越少.此时的温度叫凝固点,与熔点相同.E点全为液体,还未来得及凝固;F点全为固体,液体已完全凝固.
FG段:表示凝固过程完成后,固态晶体放热、降温.
【命题方向】晶体的熔化和凝固图象分成的AB段,BC段,CD段分别是什么过程,所处的状态及每一段的特点是命题的方向.
例1:如图所示为海波的熔化图象,从图象中获得的信息说法正确的是( )
A.海波的沸点是48℃B.海波在BC段吸收了热量
C.海波在BC段是液态D.第6min时海波已全部熔化
例2:如图是海波和蜡烛的熔化实验图象,以下说法正确的是( )
A.甲在第2min时是固态 B.甲在ab段不吸热
C.甲的熔点是48℃D.乙是蜡烛
四.晶体与非晶体熔化和凝固的温度曲线(共1小题)
16.小明同学利用相同质量的海波和松香进行了固体熔化过程确实验探究,在加热条件相同的情况下小明测出了多组数据,并绘制出了海波和松香的温度﹣时间变化图象,如图所示。
(1)由图象可知,在海波和松香这两种物质中,属于晶体的是 。它的熔点约是 ℃。
(2)在第6分钟时海波处于 状态。(选填“固体”、“液体”或“固液共存”)
5.噪声及其来源
【知识点的认识】(1)从物理学角度看,杂乱、振动无规律的声音都是噪声。
(2)从环境保护角度看,凡是影响人们正常的生活、休息、和学习的声音都是噪声。
【命题方向】主要考查对噪声的判断,中考中常以填空、选择的题型出现。
【解题方法点拨】从物理学角度噪声是由物体做无规则振动产生的,从生活的角度考虑,不管声音是优美动听,还是杂乱刺耳的,只要对人们的生活和工作造成影响的,都可以称为噪声。例如:优美的舞曲悠扬动听,只要对人们的生活和工作造成影响了也是噪音。
五.噪声及其来源(共1小题)
17.关于声现象,下列说法中正确的是( )
A.我们人耳听不到的声都是不存在的
B.优美动听的交响乐一定不会是噪声
C.发生地震时,声学仪器能接收到地震产生的超声波从而确定地震的方位和强度
D.长期在地铁列车上用耳机听音乐易导致听力下降
6.声音的等级和噪声的危害
【知识点的认识】人们以分贝为单位来表示声音的等级,0db是人刚能听到的最微弱的声音;
30db~40db是较为理想的安静环境;70db会干扰谈话,影响工作效率;
长期生活在90db以上的噪声环境中,听力会受到严重影响并产生神经衰弱、头疼、高血压等疾病;
如果突然暴露在高达150db的噪声环境中,鼓膜会破裂出血,双耳完全失去听力.
【命题方向】
学生对声音的强弱的表示方法,以及噪声的危害的了解.中考中常以填空、选择的题型出现.
【解题方法点拨】
噪声的大小用分贝来表示,由此确定的声级是以人能听到的声音为标准划分的,而不是以有没有声音为标准.了解噪声的危害.0dB是人刚能听到的最微弱的声音,30﹣﹣40dB是理想的安静环境.
六.声音的等级和噪声的危害(共1小题)
18.为了保护听力,声音的响度不能超过 分贝;为了不会影响工作和学习,声音的响度不能超过 分贝;为了不会影响休息,声音的响度不能超过 分贝。
7.防治噪声的途径
【知识点的认识】减弱噪声的途径:(1)从噪声的产生处减弱噪声﹣﹣消声;(2)在传播过程中,用柔软多孔的物质来吸收声波﹣﹣吸声;(3)在传播过程中,用真空玻璃等办法来隔断声波的传播﹣﹣隔声
【命题方向】主要考查生活中减弱噪声的途径和措施,多以填空、选择题型出现.
【解题方法点拨】
明确生活中是采用那种途径减弱噪声的,例如:摩托车安装消声器,在声源处减弱﹣﹣消声;玻璃棉、泡沫塑料通过吸收声播来减弱声音﹣﹣吸声;高架道路两侧建起透明板墙,在传播过程中减弱﹣﹣隔声.
七.防治噪声的途径(共7小题)
19.关于声现象,以下说法正确的是( )
A.只要物体振动,就能听到声音
B.噪声不是物体振动产生的
C.中考期间,考场周围“禁止鸣笛”,这是为了在传播过程中减弱噪声
D.汽车安装的倒车雷达是利用超声波工作的
20.我市胜利路高架桥通车后给交通带来了极大的便利,同时也给两侧居民带来了噪声影响,有人建议相关部门考虑在道路旁安装如图所示的隔声板,这种控制噪声的方法与下列相同的是( )
A.摩托车上的消声器
B.车辆进入闹市区禁止鸣笛
C.高速公路两旁种植树木
D.工厂里操作机器的工人带上耳罩
21.实际生产、生活中,隔音材料常被用来制作( )
A.街头的自动噪声监测仪B.飞机场工作人员佩戴的耳罩
C.城市的禁鸣路段标志牌D.体育馆的顶端和四周的墙壁
22.下列关于声的现象的说法中,正确的是( )
A.声在固体中传播的速度比液体中的声速大
B.声可以在固体、液体和气体等介质中传播,声也可以在真空中传播
C.中考、高考期间要求学校周围噪声大的单位停工是从声源处减弱噪声
D.声是由于物体的振动产生的,环保角度的噪声一定是由物体无规则振动产生
23.控制噪声是城市环保主要项目之一。下列哪种措施不能减弱噪声?( )
A.市区内禁止机动车鸣笛
B.减小二氧化碳气体的排放
C.在汽车的排气管上装消声器
D.城市街道两旁和空地多种草、多植树
24.地铁施工时,工人在机器的转动部位加润滑油,这是在 处减弱噪声,搭建围挡,这是在 过程中减弱噪声。
25.图为青岛二中校园内照片
(1)图中有禁鸣标志,禁鸣是在哪个环节控制噪声?
(2)图中有限速标志,按此规定,汽车在学校沿环路行驶1km至少需要多少秒?
晶体
非晶体
熔化
凝固
时间/min
0
1
2
3
4
5
6
7
8
9
10
温度/℃
40
42
44
46
48
48
48
48
48
50
53
加热时间/min
0
1
2
3
4
5
6
7
8
9
10
蜂蜡的温度/℃
40
41
42
44
46
47
48
49
51
52
54
海波的温度/℃
40
42
44
46
48
48
48
48
48
50
53
钨
3410
铝
650
固态水银
﹣39
纯铁
1535
铅
328
固态甲苯
﹣95
钢
1515
锡
232
固态酒精
﹣117
灰铸铁
1177
萘
80.5
固态氮
﹣210
铜
1083
海波
48
固态氧
﹣218
金
1064
冰
0
固态氢
﹣259
相关试卷
这是一份初中物理自主招生精品讲义练习67,文件包含2023年初中物理自主招生讲义67习题解析docx、2023年初中物理自主招生讲义67师生版docx等2份试卷配套教学资源,其中试卷共29页, 欢迎下载使用。
这是一份初中物理自主招生精品讲义练习62,文件包含2023年初中物理自主招生讲义61习题解析docx、2023年初中物理自主招生讲义61师生版docx等2份试卷配套教学资源,其中试卷共225页, 欢迎下载使用。
这是一份初中物理自主招生精品讲义练习53,文件包含2023年初中物理自主招生讲义53习题解析docx、2023年初中物理自主招生讲义53师生版docx等2份试卷配套教学资源,其中试卷共89页, 欢迎下载使用。

