广东省茂名市2024届高三年级第一次综合测试(茂名一模)化学(含答案)
展开本试卷共8页,20小题,满分100分。考试用时75分钟。
注意事项:
1.答卷前,考生务必用黑色字迹的钢笔或签字笔将自己的姓名、考生号、考场号和座位号填写在答题卡上。将条形码横贴在答题卡右上角“条形码粘贴处”。
2.作答选择题时,选出每小题答案后,用2B铅笔在答题卡上对应题目选项的答案信息点涂黑;如需改动,用橡皮擦干净后,再选涂其他答案,答案不能答在试卷上。
3.非选择题必须用黑色字迹的钢笔或签字笔作答,答案必须写在答题卡各题目指定区域内相应位置上;如需改动,先划掉原来的答案,然后再写上新的答案;不准使用铅笔和涂改液。不按以上要求作答的答案无效。
4.考生必须保持答题卡的整洁。考试结束后,请将答题卡交回。
可能用到的相对原子质量:H—1 N—14 O—16
一、选择题:本题共16小题,共44分。第1—10小题,每小题2分;第11~16小题,每小题4分。在每小题给出的四个选项中,只有一项是符合题目要求。
1.广东省博物馆有馆藏文物18万余件。下列文物中,主要由硅酸盐材料制成的是
2.科技强国。我国科学家在诸多领域取得新突破,下列说法不正确的是
A.杭州亚运主火炬燃料为零碳甲醇,甲醇具有还原性
B.国产大型邮轮“爱达·魔都号”采用的薄形钢板属于合金
C.量子计算机“悟空”面世,其传输信号的光纤主要成分为SiO2
D.“华龙一号”中的二氧化铀陶瓷芯块是核电站的“心脏”,铀是第IA族元素
3.推动绿色发展,建设美丽中国,生活处处皆化学。下列说法不正确的是
A.煤的干馏可以提高煤的利用率,该过程属于物理变化
B.农药施用方法、用量和时机不当,会造成土壤、水污染
C.硫酸亚铁、聚合氯化铝可用来除掉污水中细小悬浮物
D.水中氮、磷元素过多,会导致藻类疯长形成水华
4.化学处处呈现美。下列说法不正确的是
A.CO2分子呈现完美对称,呈直线形结构
B.手性分子互为镜像,在三维空间里能叠合‘
C.焰火、激光、荧光都与原子核外电子跃迁释放能量有关
D.彩色玻璃呈现不同的颜色主要是因为加了一些金属氧化物或盐
5.实践是检验真理的唯一标准。某兴趣小组利用以下装置制备SO2并验证其性质,其中能达到预期目的的是
A.制备SO2 B.验证SO2还原性 C.干燥SO2 D.验证SO2漂白性
6.浓差电池是利用两极半电池中的特定物质的浓度差产生电势的一种电化学装置。天津大学科研团队用[ C( phen)3](PF6)2(phen为邻菲罗啉,结构如图1,为配体)为活性物质制作的浓差电池装置如图2所示(电极a、b均为惰性电极),下列说法不正确的是
A.电极b为正极
B.放电时,将化学能转化为电能
C.离子交换膜为阴离子交换膜
D.负极反应为[ C( phen)3]3++e-[ C( phen)3 ] 2+
7.美好生活靠劳动创造。下列劳动项目与化学知识没有关联的是
8.扑热息痛具有消炎镇痛、解热的功能,是常见的退烧药,其有效成分对乙酰氨基酚的结构简式如图。下列关于该化合物的说法正确的是
A.分子式为C8H10NO2
B.属于酯类化合物
C.能发生加成反应
D.最多能与等物质的量的NaOH反应
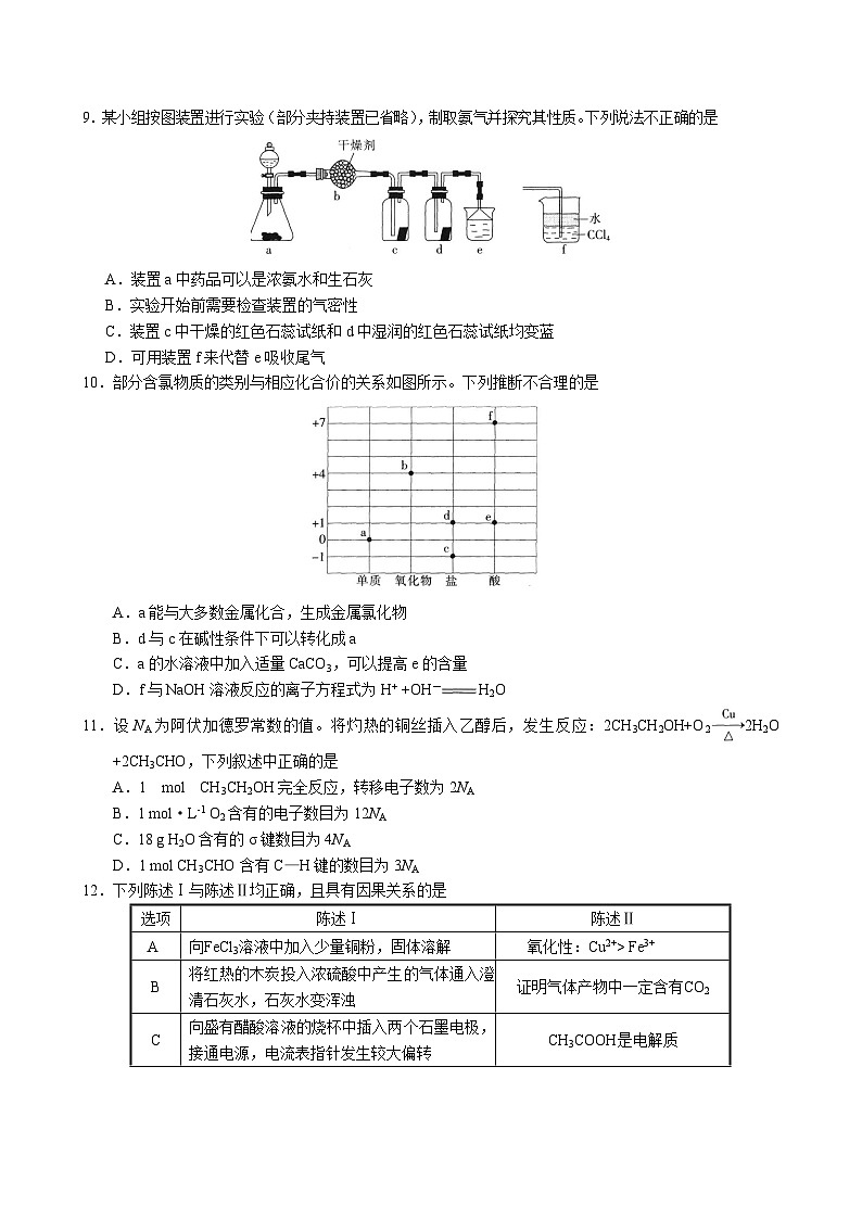
9.某小组按图装置进行实验(部分夹持装置已省略),制取氨气并探究其性质。下列说法不正确的是
A.装置a中药品可以是浓氨水和生石灰
B.实验开始前需要检查装置的气密性
C.装置c中干燥的红色石蕊试纸和d中湿润的红色石蕊试纸均变蓝
D.可用装置f来代替e吸收尾气
10.部分含氯物质的类别与相应化合价的关系如图所示。下列推断不合理的是
A.a能与大多数金属化合,生成金属氯化物
B.d与c在碱性条件下可以转化成a
C.a的水溶液中加入适量CaCO3,可以提高e的含量
D.f与NaOH溶液反应的离子方程式为H+ +OH-H2O
11.设NA为阿伏加德罗常数的值。将灼热的铜丝插入乙醇后,发生反应:2CH3CH2OH+O22H2O +2CH3CHO,下列叙述中正确的是
A.1 ml CH3CH2OH完全反应,转移电子数为2NA
B.1 ml·L-1 O2含有的电子数目为12NA
C.18 g H2O含有的σ键数目为4NA
D.1 ml CH3CHO含有C—H键的数目为3NA
12.下列陈述Ⅰ与陈述Ⅱ均正确,且具有因果关系的是
13.缓冲溶液在一定程度上维持酸碱稳定。常温下,用0.1ml·L-1 NH4C1和0.1 ml·L-1氨水配制15 mL不同缓冲比下的缓冲溶液,如下表所示,再分别往缓冲溶液中滴加0.1ml·L-1 HC1溶液,用pH传感器测得不同缓冲比下溶液的pH随滴加盐酸体积的变化曲线如图。下列说法不正确的是
A.水的电离程度:a B.由图可知,缓冲比为1:9的缓冲溶液抗酸能力最强
C.该温度下,Kb( NH3·H2O)近似等于10-3.88
D.曲线M的缓冲比为1:1,且该曲线上任意一点均存在:c( NH4+)+c( NH3·H2O)=0.1 ml·L-1
14.化合物( XYZ)3M2E是一种高效、安全的氧化性消毒剂,所含的5种元素均位于短周期,其中X、Y、Z是同一周期相邻的三种元素,X、Z的基态原子价层p轨道均有两个未成对的电子,E元素的焰色为黄色,M原子的核外电子数是X和E的原子序数之和。下列说法正确的是
A.第一电离能:X
C.YM3的空间结构为平面三角形
D.Z和E形成的两种常见的二元化合物均为碱性氧化物
15.Os - Gr(锇原子嵌入石墨烯)可以催化汽车废气中的CO还原N2O,反应历程可能因两个反应物分子与催化剂簇结合的先后顺序不同,而呈现历程a或历程b。下列说法不正确的是
A.历程a与历程b的总反应的相同
B.历程b中CO - Os - Gr是中间体
C.催化过程中的最终产物为两种无毒的气体
D.历程a中催化剂首先吸附CO,而历程b首先吸附N2O
16.NH3是农业、纺织业和制药业的重要化学品,
某研究所开发了一种钙离子介导氮的还原,从
而合成NH3的方法,电解质为Ca[B(hfip)4]2[四
(六氟异丙氧基)硼酸钙]和乙醇。下列说法不
正确的是
A.电极a为阳极
B.乙醇可作为传输质子的载体
C.当电极a消耗33.6 L(标况下)H2时,最多合成34 g NH3
D.金属Ca具有活化N2的能力,生成的CaxNyHz与质子结合释放出NH3
二、非选择题:共56分。共4道大题,考生都必须全部作答。
17.(14分)氯化铁常用于污水处理、印染工业、电子工业等领域。氯化铁易升华、易潮解。某化学兴趣小组设计实验制备氯化铁并探究其性质。回答下列问题:
Ⅰ.制备FeCl3固体。
(1)仪器a的名称是 ,仪器b中的试剂是 。
(2)装置A用浓盐酸和MnO2固体反应制备氯气,其反应的化学方程式为 。
(3)上述装置中有一处明显错误是 。
Ⅱ.探究影响FeCl3水解平衡的因素。
提出假设外界条件改变,FeCl3溶液水解平衡会发生移动设计方案并完成实验
实验1 探究稀释FeCl3溶液对水解平衡移动的影响
将0.2 ml·L-1FeCl3溶液分别稀释10倍和100倍,测定pH:
(4)实验证明稀释FeCl3溶液,水解平衡正向移动;结合表中数据,给出判断理由:
。
(5)计算实验11中FeCl3的水解度(转化率)为 (只列出计算式,忽略水自身电离的影响)。
实验2 探究温度对水解平衡移动的影响
已知:Fe3+水解程度越大,其溶液颜色越深,透光率越低。
分别将0.2 ml·L-1 FeCl3溶液和0.2 ml·L-1Fe( NO3)3溶液持续加热,当温度上升至50℃时停止加热,让溶液自然冷却,测定该过程中溶液透光率的变化,实验结果如下图:
(6)结合图像分析,小组推测FeCl3溶液颜色(透光率)随温度变化的改变并不一定是仅由水解平衡所致,理由是 。
查阅资料
FeCl3溶液中存在配位平衡:Fe3++ nCl-[ FeCln]3-n(黄色);
Fe3+不与NO3-配位,Fe3+稀溶液接近无色。
优化实验与实验结论
向0.2 ml·L-1Fe( NO3)3溶液(黄色)中,加入适量HNO3溶液酸化,溶液颜色变为无色,加热和降温过程中溶液透光率均无明显变化,对照图4,可证明酸化条件下,温度对Fe3+的水解平衡影响不大。
(7)上述实验中加入适量HNO3溶液的目的是 。请参考上述实验,设计实验证明FeCl3溶液颜色(透光率)随温度变化的改变与配位平衡的移动有关。简述实验方案并预测实验现象: 。
18.(14分)稀有重金属钽( Ta)是新兴战略金属,广泛应用于航空航天、核工业及微电子技术领域。富钽矿(主要成分为FeTa2O6含Si、Al等氧化物)可用碱熔法制备Ta2O5,其工艺流程见下图:
已知:碳酸钠的作用是降低熔融物的熔点和黏度;Na3TaO4难溶于水。
(1)为加快“钠碱熔融”速率,可采取的措施是 (任写一条)。
(2)已知“钠碱熔融”步骤中发生非氧化还原反应,产物为氧化物和Na3TaO4,写出FeTa2O6与NaOH反应的化学方程式: 。
(3)“操作I”为 ,富钽矿的杂质以 (写化学式)形式存在于“残液”中。
(4)“盐酸洗”的目的是 。
(5)已知Ta2O5的晶胞结构如下图所示,晶胞参数分别为a nm、a nm、b nm;
注:1 -5号小灰球位于晶胞体内,6号小灰球位于另一个晶胞,其余小灰球位于晶胞棱上或面上。
①电负性:Ta O(填“<"或“>”),与Ta配位的氧原子有 个。
②已知Ta2O5的式量为Mr,阿伏加德罗常数的值为NA,该晶胞的密度为 g·cm-3(列出算式)。
(6)电解Ta2O5制备稀土元素Ta,原理如下图所示:
Ta2O5极发生反应的电极反应式为 。
19.(14分)工业合成氨是人类科学技术的重大突破,其反应为N2(g)+3H2(g)2NH3(g)
kJ·ml-1。合成氨原料中的N2一般由分馏液态空气得到,H2可来源于水煤气,相关反应如下:
a.C( s) +H2O( g)CO(g)+H2(g) kJ·ml-1
b.CO( g) +H2O( g)CO2 (g) + H2 ( g) kJ·ml-1
回答下列问题:
(1)C(s)+2H2O(g)CO2(g)+2H2(g)的反应物总能量 生成物总能量(填“高于’’或‘‘低于’’)。
(2)在密闭容器中同时发生反应a、b,下列说法正确的是 。
A.增大压强,反应b平衡不移动
B.使用催化剂提高CO平衡转化率
C.升高温度,反应a的v正增大,v逆减小
D.反应a有非极性键的断裂与形成
(3)实验室模拟合成水煤气,一定温度下在2L的密闭容器中加入2.O ml C(s)与8.0 ml
H2O(g)发生反应a、b,在t min达到平衡时,H2O(g)的转化率是25%,CO的物质的量是0.4 ml,反应开始到平衡时生成CO2的平均反应速率为 ,计算反应b的平衡常数K= (写出计算过程)。
(4)合成氨总反应在起始反应物时,在不同条件下达到平衡,设体系中NH3的体积分数为x(NH3),在T=400℃下的x(NH3)~p总、p总<=30 MPa下的x(NH3)~T如图5所示,图中对应等压过程的曲线是 (填“Ⅰ”或“Ⅱ”),当x(NH3)=50%时氨气的分压p(NH3)= MPa(分压=气体的物质的量分数×总压)。
(5)用氨合成尿素的反应,在高压条件下连续进行,反应历程如图6(Q1、Q2均大于0):
①写出合成尿素决速步骤的热化学方程式: 。
②合成尿素过程中会积聚一定浓度的氨基甲酸铵( NH2COONH4),为减少氨基甲酸铵的积聚,提高尿素的产率,可控制NH3与CO2的通入比例 2:1(填“>”、“<”或“=”)。
20.(14分)不对称合成在有机合成中有重要意义,某科研小组利用该技术制备得到化合物vi,其合成路线如下:
回答下列问题:
(1)化合物i的名称为 。
(2)根据化合物ⅱ的结构特征,分析预测其可能的化学性质,完成下表。
(3)化合物ⅲ与戈发生加成反应生成ⅳ,x的结构简式为 。ⅳ中所含官能团有
(写名称)。化合物y是ⅳ的同分异构体,且满足以下条件:①与FeCl3溶液作用显色,②核磁共振氢谱有5组峰,③只有苯环一种环状结构且苯环上只有2个取代基。y的结构简式为 (写一种)。
(4)下列说法不正确的是 。
A.化合物ⅳ能与水形成氢键
B.化合物v→ⅵ的反应有C—O键的断裂
C.化合物ⅲ中,碳原子均采用sp2杂化
D.化合物ⅵ中存在手性碳原子
(5)以为起始原料,参考上述合成路线,其他无机试剂任选,合成
①写出最后一步的反应方程式: 。
②合成过程中,相关步骤涉及卤代烃制炔烃的反应,其化学方程式为 (注明反应条件)。选项
劳动项目
化学知识
A
用固体管道疏通剂(主要成分是苛性钠和铝粒)疏通厨房下水道
苛性钠有强腐蚀性、铝与苛性钠溶液反应产生氢气
B
西汉《淮南万毕术》记载“曾青得铁则化铜”
铁的金属活动性比铜的强
C
用脲醛塑料制电器插座
脲醛塑料绝缘性好
D
四大发明中的指南针是用磁石打造的
Fe3O4不溶于水
选项
陈述Ⅰ
陈述Ⅱ
A
向FeCl3溶液中加入少量铜粉,固体溶解
氧化性:Cu2+> Fe3+
B
将红热的木炭投入浓硫酸中产生的气体通入澄清石灰水,石灰水变浑浊
证明气体产物中一定含有CO2
C
向盛有醋酸溶液的烧杯中插入两个石墨电极,接通电源,电流表指针发生较大偏转
CH3COOH是电解质
D
用湿润的蓝色石蕊试纸检验甲烷与氯气在光照下反应后的混合气体,试纸变红
生成的一氯甲烷具有酸性
实验序号
c(FeCl3)/( ml·L-1)
pH
l
0.2
1. 39
11
0. 02
2.10
111
0.002
2. 74
2024届广东省茂名市高三第一次综合测试(一模)化学试题: 这是一份2024届广东省茂名市高三第一次综合测试(一模)化学试题,文件包含广东省茂名市2023-2024学年高三第一次综合测试化学试题pdf、24茂名化学答案pdf等2份试卷配套教学资源,其中试卷共13页, 欢迎下载使用。
2024届广东省茂名市高三第一次综合测试(一模)化学试题: 这是一份2024届广东省茂名市高三第一次综合测试(一模)化学试题,文件包含广东省茂名市2023-2024学年高三第一次综合测试化学试题pdf、24茂名化学答案pdf等2份试卷配套教学资源,其中试卷共13页, 欢迎下载使用。
广东省茂名市2024届高三年级第一次综合测试(茂名一模)化学: 这是一份广东省茂名市2024届高三年级第一次综合测试(茂名一模)化学,文件包含广东省茂名市2023-2024学年高三第一次综合测试化学试题pdf、24茂名化学答案pdf等2份试卷配套教学资源,其中试卷共13页, 欢迎下载使用。

