





所属成套资源:2024年高考物理电学实验专题逐个击破合计9个专题(原卷+解析)全国通用
2024年高考物理电学实验专题逐个击破专题09 螺旋测微器与游标卡尺的读数
展开
这是一份2024年高考物理电学实验专题逐个击破专题09 螺旋测微器与游标卡尺的读数,文件包含2024年高考物理电学实验专题逐个击破专题09螺旋测微器与游标卡尺的读数原卷版docx、专题09螺旋测微器与游标卡尺的读数解析版docx等2份试卷配套教学资源,其中试卷共24页, 欢迎下载使用。
(2)未调零螺旋测微器读数的两种情况
(3)螺旋测微器读数与角度的关系
(4)三种典型的游标卡尺以及“给零刻线与对齐线”求读数值
(5)游标卡尺的估读位
(6)仅仅给对齐线求读数值
(7)给读数值求对齐线
(8)新型游标卡尺
(9)将游标卡尺运用到螺旋测微器
(1)螺旋测微器读数
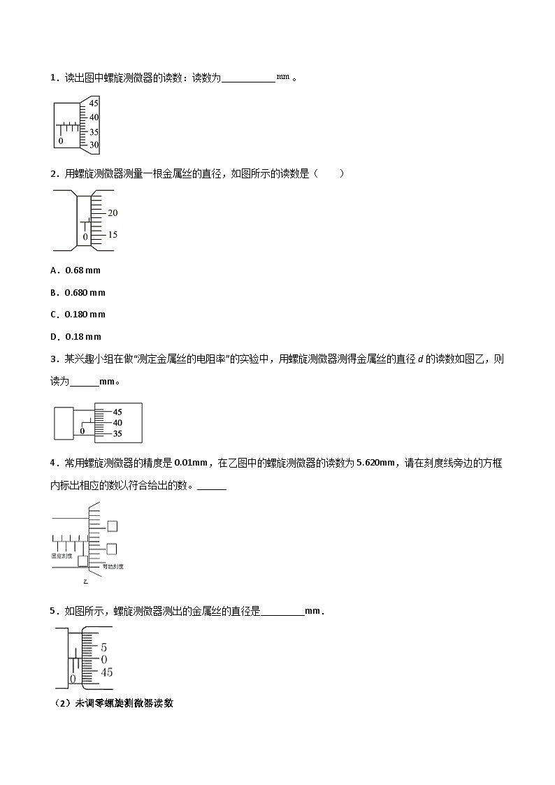
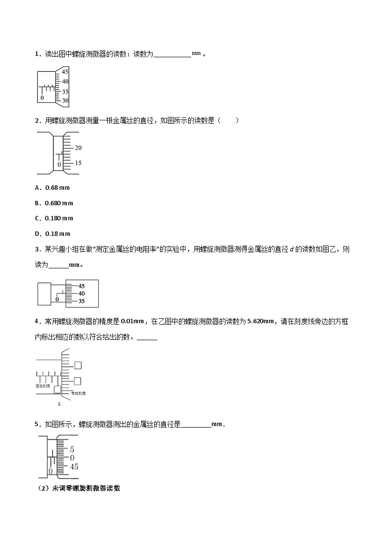
1.读出图中螺旋测微器的读数:读数为___________。
【答案】 3.372
【详解】
螺旋测微器的读数为
2.用螺旋测微器测量一根金属丝的直径,如图所示的读数是( )
A.0.68 mmB.0.680 mmC.0.180 mmD.0.18 mm
【答案】B
【详解】
螺旋测微器的读数是固定刻度的读数与可动部分读数之和,有
故ACD错误,B正确。
故选B。
3.某兴趣小组在做“测定金属丝的电阻率”的实验中,用螺旋测微器测得金属丝的直径d的读数如图乙,则读为______mm。
【答案】
【详解】
[1]由主尺上读出,螺旋尺上读数为,两者和为:。
4.常用螺旋测微器的精度是0.01mm,在乙图中的螺旋测微器的读数为5.620mm,请在刻度线旁边的方框内标出相应的数以符合给出的数。______
【答案】 5 15 10(顺序为从左向右,从上到下)
【详解】
由读数的方法就可以在方框中填入数字.读数是5.620mm,所以固定刻度是5.5,可动刻度是12,所以下面和上面的刻度分别是10和15.如果知道了螺旋测微器的基本原理即它的螺距为0.5 mm,即每转一周,螺杆就前进或后退0.5 mm,将它分成50等份的圆周,则每旋转一份即表示0.01 mm,因此,它可精确到0.01 mm.方框内数字为:5、15、10(顺序为从左向右,从上到下).
5.如图所示,螺旋测微器测出的金属丝的直径是_________mm.
【答案】 1.500
【详解】
螺旋测微器的固定刻度读数为1.5mm,可动刻度读数为0.01×0.0mm=0.000mm,所以最终读数为1.500mm.
(2)未调零螺旋测微器读数
6.用螺旋测微器测量该圆柱体直径的过程如图所示,校零时的读数为______mm,圆柱体的直径为______mm。
【答案】 0.007 3.275
【详解】
校零时的读数为0.007mm。
螺旋测微器固定刻度读数为3mm,可动刻度读数为0.275mm,圆柱体的直径为3.275mm。
7.在使用螺旋测微器的过程中,该同学发现,在将测砧与测微螺杆并拢后,无法对齐零刻度线,如图乙所示,若继续用此螺旋测微器测量金属丝的直径,读数如图丙所示,则金属丝的直径长为________。
【答案】 2.400
【详解】
根据螺旋测微器读数规则,可得出该金属丝的直径长为
(3)螺旋测微器读数与角度的关系
8.某同学利用螺旋测微器测量一圆柱体工件的直径。用螺旋测微器测量某一物体的厚度,结果如图所示,则该物体的厚度为______mm,若将可动刻度再逆时针转过72°(从右向左看),则读数为______mm。
【答案】1.600 1.700
【详解】
螺旋测微器需要估读一位,则螺旋测微器读数为
若将可动刻度再逆时针转过72°(从右向左看),则读数为
(4)三种典型的游标卡尺以及“给零刻线与对齐线”求读数值
9.如图为10分度的游标卡尺测量钢管内径时的示数,其示数为( )
A.2.90 cmB.2.9 cmC.2.27 mmD.2.27 cm
【答案】D
【详解】
游标卡尺的读数是主尺读数与游标读数的和,则有
故ABC错误,D正确。
故选D。
10.某同学利用10分度游标卡尺测量一圆柱体工件的长度,则该游标卡尺的游标尺每一小格的长度为______mm;测量结果如图所示.该工件的长度为________cm;
【答案】0.9 5.01(5.00~5.02)
游标上有10个小等分刻度的长度是9mm,则该游标卡尺的游标尺每一小格的长度为0.9mm.游标卡尺的固定刻度读数为5cm,游标尺上第1根线与主尺对齐,所以游标尺的读数为0.1mm即.0.01cm,所以最终读数为:5.01cm
11.如图甲所示的一把游标20等分度游标卡尺,其读数为:___________cm
【答案】5.235
【详解】
游标卡尺的主尺读数为52mm,游标尺上第7个刻度与主尺上某一刻度对齐,故其读数为
0.05×7mm=0.35mm
所以最终读数为
52mm+0.35mm=52.35mm=5.235cm
12.用20分度的游标卡尺测量,如图所示其读数为____________mm;
【答案】50.15
【详解】
]0分度的游标卡尺精确度为0.05mm,则读数为
13.在“长度的测量”实验中,调整游标卡尺两侧脚间距离,主尺和游标的位置如图所示,此时卡尺两脚间狭缝宽度为______;
【答案】0.65mm
【详解】
由于游标卡尺的精确度为0.05mm,恰好第13条线和主尺刻度对齐,因此读数为
14.在一次测量中:游标卡尺,其示数为________mm(放大快对齐的那一部分);
【答案】3.852
【详解】
游标卡尺的主尺读数为8mm,游标读数为
47×0.02mm=0.94mm
所以最终读数为8.94mm
15.有一种游标卡尺,它的主尺的最小分度是1mm,游标尺上有50个等分刻度,此种游标尺刻度部分的总长度是______mm,用这种游标尺测长度时可以准确到______mm.用此尺测铁球直径时,游标尺零刻度线在2.2cm到2.3cm两刻度线之间,游标尺的第19条刻度线与主尺上某条刻度线对齐,则此球的直径为______mm.
【答案】49 0.02 22.38
【详解】
游标卡尺上有50个等分刻度,此游标卡尺的总长度为49mm,用这种游标尺测长度可以准确到0.02mm,游标尺零刻线是在2.2cm到2.3cm两刻线之间,主尺读数是2.2cm=22mm,若游标尺的第19条刻线与主尺刻线对齐,则此木球的直径为0.02×19mm=0.38mm,所以最终读数为:22mm+0.38mm=22.38mm;
(5)游标卡尺的估读位
16.有一游标卡尺,用它测量一小球的直径,如图所示的读数是_______mm;
【答案】10.50
【详解】
游标卡尺的读数为
17.如图甲所示是某游标卡尺的实物图,它可以用于测量内径、外径和深度,其中________(填“a”、“b”、“c”、“d”或“e”)是用来测量深度的;测量结束、在读取数据前,需要将游标尺固定在主尺上,防止其滑动,应操作的部件是________(填“a”、“b”、“c”、“d”或“e”);如图乙所示为用该尺测量某圆筒内径时照片的一部分,则该圆筒内径大小为________cm。
【答案】c b 3.690
【详解】
[1]游标卡尺的实物图,它可以用于测量内径、外径和深度,其中c是深度尺用来测量深度的;
[2]测量结束、在读取数据前,需要将游标尺固定在主尺上,防止其滑动,应操作的部件是紧固螺钉b;
[3]游标卡尺为50分度,其长度为49mm,最小分度值为0.98mm,故游标尺零刻线所在位置对应主尺上的位置为
该圆筒内径大小为。
18.如下图所示,用20分度的游标卡尺测得的长度x=_____ mm.。
【答案】 39.30
【详解】
用20分度的游标卡尺测得的长度为
(6)仅仅给对齐线求读数值
19.用游标上刻有10个小格的游标卡尺测量一个工件的直径,得到如图所示结果,由于遮挡,只能看到游标的后半部分,则工件的直径为______cm.
【答案】1.35
【详解】
游标上有10个小等分刻度的长度是9mm;所以游标卡尺的固定刻度于游标尺对齐的刻度读数为18mm,游标尺上第5个刻度游标读数为0.9×5=4.5mm,所以最终读数为:18mm−4.5mm=13.5mm=1.35mm;
20.某同学利用游标卡尺测量一圆柱体工件的高度。
图为20分度的游标卡尺测量物体长度时的读数,由于部分遮挡,只能看见游标卡尺的后半部分,这个物体的长度为______cm;
【答案】2.060
【详解】
(1)[1]有图甲可以推测出,移动尺的0刻度在主尺2cm刻度的右侧,且移动尺的第12个刻度与直尺对齐,则这个物体的长度为
21.利用20分度的游标卡尺测量长度如图所示,但该游标卡尺的游标尺前面部分刻度值被污渍覆盖看不清,该材料长度为_______cm.
【答案】10.155 500
【解析】
由于游标尺的零刻度对的位置无法读出,可用实际的长度之差为112mm-11×0.95mm=101.55mm=10.155cm;
22.中学物理实验室中有一个标准的20分度的游标卡尺,某次测量中,其游标尺部分的第17小格刻度线与主尺4cm刻度线对齐,则游标卡尺的读数为_______cm。
【答案】2.385
【详解】
[1]游标尺上有20个等分刻度,总长为19mm,则两个刻度之间的距离为
若开始游标尺的零与主尺的零对齐,则当游标尺向前移动0.05mm时,游标尺的第一个刻度与主尺的某一刻度对齐,根据游标卡尺的构造可知,游标尺上两个刻度之间的距离为0.95mm,游标尺部分的第17小格刻度线与主尺4cm刻度线对齐,则游标卡尺的读数为
。
23.用一个20分度的游标卡尺去测量一个电阻丝的厚度,结果发现游标卡尺的最后一条刻度线恰好与主尺的第27 mm刻度线重合,则被测电阻丝的厚度为_____cm.
【答案】0.800
【详解】
试题分析:因为游标卡尺的最后一条刻度线恰好与主尺的第27 mm刻度线重合,而游标尺的长度为19mm,故可知游标尺的零刻度线与支持的27mm-19mm=8mm刻度线重合,则测电阻丝的厚度为8.00mm=0.800cm.
24.图为用50分度的游标卡尺测量物体长度时的读数,由于遮挡,只能看见游标的后半部分,这个物体的长度为________
【答案】 16.98mm
【详解】
从图中可知,游标尺上的第49个刻度与主尺上的6.5cm即65mm处对齐,根据游标尺的构造可知,50分度的游标尺,游标尺上的50刻度的总长是49mm,因此主尺的读数为:65mm-49mm=16mm,该游标卡尺的精度为0.02mm,所以最终读数为:16mm+0.02mm×49=16.98mm.
25.某同学用一把游标卡尺上有50个小等分刻度的游标卡尺测量摆球的直径,由于被遮挡,只能看见游标的后半部分,如图所示,该摆球的直径为多少___________ mm:
【答案】17.00
【详解】
从图中可知,游标尺上的第50个刻度与主尺上的6.6cm即66mm处对齐,根据游标尺的构造可知,50分度的游标尺,游标尺上的50刻度的总长是49mm,因此主尺的读数为:66mm-49mm=17mm,该游标卡尺的精度为0.02mm,所以最终读数为:17.00mm.
(7)给读数值求对齐线
26.某同学发现用塑料制成的弹簧,用剪刀剪下一小段,用游标卡尺测量其直径,调整游标卡尺两测量脚问距离,主尺和游标的位置如图所示,此时游标卡尺的读数为______mm;若要游标卡尺的读数为0.30rnm,应使游标上的第_____条刻度线与主尺上的刻度线对齐.
【答案】0.65 6
【详解】
试题分析:游标卡尺的主尺读数为,游标尺上第13个刻度和主尺上某一刻度对齐,所以游标读数为,所以最终读数为:.若狭缝宽度调整为,则由上图可知,游标上第6条刻线与主尺的刻度线对齐.
27.用20分度的游标卡尺测量钢球的直径,示数如图所示,则钢球直径为_________mm
(3)若某同学也是用这个游标卡尺测量另一物体的长度,测量结果为51.45mm,则在读数时游标尺上的第_________格与主尺上的第_________毫米格对齐。
【答案】 10.15 9 60
【详解】
(2)[3]钢球直径为10mm+0.05mm×3=10.15mm
(3)[4][5]若某同学也是用这个游标卡尺测量另一物体的长度,测量结果为51.45mm,则在读数时游标尺上的第格与主尺上的某条刻度线对其了,因为因第0条与第9条刻度线之间的距离为,而51.45mm+8.55mm=60mm,则游标尺上的第9条刻度线与主尺上的第60毫米格对齐。
28.同学用如图丙所示的20分度的游标卡尺测量小球的直径d,应该用游标卡尺的___________(填“A”“B”或“C”)部分进行测量.若测得小球的直径d=10.75mm,则游标卡尺上主尺的第___________条刻线与游标尺上的第__________条刻线恰好对齐。
【答案】B 25 15
【详解】
A用于测量内径,B用于测量外径,C用于测量深。
故选B;
根据游标尺的刻度为20格,总长度为19mm,每一格长度为0.95mm,精度为0.05mm,读数=主尺读数(单位)+游标尺和主尺对齐的格数,若读数为10.75mm,则游标卡尺上主尺的第25条刻线与游标尺上的第15条刻线恰好对齐。
(8)新型游标卡尺
29.有一种游标卡尺,与普通游标卡尺不同,它游标尺的刻线看起来就很“稀疏”,使得读数时清晰明了,方便了使用者正确读取数据。此游标尺的刻线是将“39mm等分成20份”,那么它的准确度是_______mm。用该游标卡尺测量某一物体的厚度,如图所示,正确的读数是________mm。
【答案】0.05 21.25
【详解】
[1]游标尺的刻线是将“39mm等分成20份”,每份长度为1.95mm,则精度为0.05mm;
[2]读数为:21mm+0.05mm×5=21.25mm
30.新式游标卡尺的刻度线看起来很“稀疏”,使读数显得清晰明了,便于使用者正确读取数据。通常游标卡尺的刻度有10分度、20分度和50分度三种规格;新式游标卡尺也有相应的三种,但刻度却是等分成10份,等分成20份,等分成50份。下图就是一个“等分成20份”的新式游标卡尺。
(1)它的测量精度是______;
(2)用它测量某物体的厚度,示数如图所示,正确的读数是______。
【答案】0.05 3.040
【详解】
[1]新式游标卡尺的游标尺39mm比主尺40mm少1mm,则该游标卡尺的精确度为
[2]被测物体的厚度=主尺刻度+0.05mm×对齐格数=3cm+0.05mm×8=3.040cm
31.传统20分度游标卡尺的游标尺是将主尺上19mm等分20小格,其测量值可准确到0.05mm。用它测量某一薄板的厚度时卡尺示数如图甲所示,此薄板的厚度为______mm。这种游标有一个最大的缺陷,就是游标尺的刻度线过密,容易造成使用者眼花而引起读数时产生差错。为此厂家设计制作时,作了较大的改进,如图乙所示为实验室现在使用的一种改进后的游标卡尺,它的游标尺将主尺的39mm等分为20格(图中只画出了一部分),这样一来,使用者不再因游标尺的刻度线过密而导致眼花,这种尺的测量值可准确到______mm。图乙中为用改进的这种卡尺测量某一物体长度时的示数,其值为______mm。
【答案】0.15 0.05 36.80
【详解】
[1]此薄板的厚度为
[2]这种尺的测量值可准确到
[3]物体长度为
(7)将游标卡尺运用到螺旋测微器
32.为了提高螺旋测微器的读数精度,有人对螺旋测微器进行了这样的改进,在螺旋测微器固定刻度的上半部刻了10个等分刻度,固定刻度的“横线”是10等分刻度的“0”刻度线,这10个分度的总长度与可动刻度的9个分度的总长度相等,如图所示.经过改进的螺旋测微器的精度为0.001mm,图中螺旋测微器的读数为3.445mm.
【答案】0.001 3.445
【详解】
螺旋测微器的读数方法是固定刻度读数加上可动刻度读数,在读可动刻度读数时需估读.螺旋测微器的固定刻度为3mm,可动刻度为44.5×0.01mm=0.445mm,所以最终读数为3mm+0.445mm=3.445mm.
33.为了提高螺旋测微器的读数精度,有人对螺旋测微器进行了这样的改进,在螺旋测微器固定刻度的上半部刻了 10个等分刻度,固定刻度的“横线”是10等分刻度的“0”刻度线,这10个分度的总长度与可动刻度的9个分度的总长度相等,如图所示。经过改进的螺旋测微器的精度为________mm,图中螺旋测微器的读数为_______mm。
【答案】 0.001 5.783
【详解】千分尺即精度为0.001,读数:固定尺+可动尺=5.5+0.283=5.783(最末一位为估读值在2—5之间的数字均可)
相关试卷
这是一份2024年高考物理力学实验专题逐个击破专题03 验证功能关系,文件包含2024年高考物理力学实验专题逐个击破专题03验证功能关系原卷版docx、专题03验证功能关系解析版docx等2份试卷配套教学资源,其中试卷共33页, 欢迎下载使用。
这是一份2024年高考物理电学实验专题逐个击破专题06 测电源电动势与内阻,文件包含2024年高考物理电学实验专题逐个击破专题06测电源电动势与内阻原卷版docx、专题06测电源电动势与内阻解析版docx等2份试卷配套教学资源,其中试卷共53页, 欢迎下载使用。
这是一份2024年高考物理电学实验专题逐个击破专题05 多用电表的结构与使用方法,文件包含2024年高考物理电学实验专题逐个击破专题05多用电表的结构与使用方法原卷版docx、专题05多用电表的结构与使用方法解析版docx等2份试卷配套教学资源,其中试卷共55页, 欢迎下载使用。