北京市西城区2023-2024学年高二上学期期末考试物理试卷
展开
这是一份北京市西城区2023-2024学年高二上学期期末考试物理试卷,共9页。试卷主要包含了5V直流电压挡进行检测,0 A;等内容,欢迎下载使用。
本试卷共8页,100分。考试时长90分钟。考生务必将答案答在答题卡上,在试卷上作答无效。考试结束后,将本试卷和答题卡一并交回。
第一部分(选择题 共42分)
一、单项选择题(共10个小题,每小题3分。在每小题列出的四个选项中,只有一个选项符合题意。)
1.以下物理量中属于矢量的是
A.电场强度 B.电势 C.电势差 D.电势能
a
b
c
O
2.如图所示,一带正电的点电荷固定于O点,图中虚线为该点电荷电场的等势面。一带正电的粒子以一定初速度射入点电荷的电场,依次通过a、b、c三点。则该粒子
A.在a点受到的静电力大于在b点受到的静电力
B.在c点受到的静电力大于在b点受到的静电力
C.在a点的电势能小于在b点的电势能
D.在c点的电势能小于在b点的电势能
N
S
3.在一条沿水平方向放置的导线下方,放一个可以自由转动的小磁针。实验中观察到,当导线中没有通电流时,小磁针的指向如图所示;当导线中通恒定电流时,小磁针N极向纸内转动,则
A.导线沿东西方向放置
B.导线中的电流方向向右
C.若将小磁针放置在导线的上方,也能观察到小磁针N极向纸内转动
D.若将小磁针放置在导线的延长线上,也能观察到小磁针N极向纸内转动
4.右图是有两个量程的电压表,当使用A、B两个端点时,量程为0 ~ 10 V;当使用A、C两个端点时,量程为0 ~ 100 V。表头的内阻为Rg,R1和R2是与表头串联的两个电阻。以下关系式一定正确的是
A. B.C. D.
L1
E r
S1
A2
A1
L2
L3
L4
S2
S3
S4
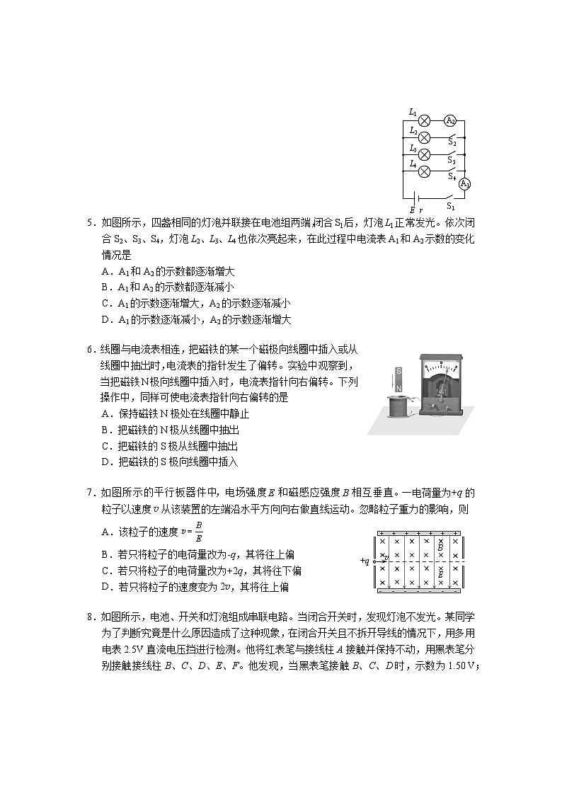
5.如图所示,四盏相同的灯泡并联接在电池组两端,闭合S1后,灯泡L1正常发光。依次闭合S2、S3、S4,灯泡L2、L3、L4也依次亮起来,在此过程中电流表A1和A2示数的变化情况是
A.A1和A2的示数都逐渐增大
B.A1和A2的示数都逐渐减小
C.A1的示数逐渐增大,A2的示数逐渐减小
D.A1的示数逐渐减小,A2的示数逐渐增大
6.线圈与电流表相连,把磁铁的某一个磁极向线圈中插入或从线圈中抽出时,电流表的指针发生了偏转。实验中观察到,当把磁铁N极向线圈中插入时,电流表指针向右偏转。下列操作中,同样可使电流表指针向右偏转的是
A.保持磁铁N极处在线圈中静止
B.把磁铁的N极从线圈中抽出
C.把磁铁的S极从线圈中抽出
D.把磁铁的S极向线圈中插入
7.如图所示的平行板器件中,电场强度E和磁感应强度B相互垂直。一电荷量为+q的粒子以速度v从该装置的左端沿水平方向向右做直线运动。忽略粒子重力的影响,则
B
+ + + + + + + +
A.该粒子的速度
v
+q
B.若只将粒子的电荷量改为-q,其将往上偏
E
C.若只将粒子的电荷量改为+2q,其将往下偏
- - - - - - - -
D.若只将粒子的速度变为2v,其将往上偏
8.如图所示,电池、开关和灯泡组成串联电路。当闭合开关时,发现灯泡不发光。某同学为了判断究竟是什么原因造成了这种现象,在闭合开关且不拆开导线的情况下,用多用电表2.5V直流电压挡进行检测。他将红表笔与接线柱A接触并保持不动,用黑表笔分别接触接线柱B、C、D、E、F。他发现,当黑表笔接触B、C、D时,示数为1.50 V;当黑表笔接触E、F时,示数为0。若该电路中只存在一个问题,则灯泡不发光的原因可能是
E
D
F
C
A.电池没电了
B.灯泡灯丝断了
C.导线DE断了
B
A
D.开关接触不良
9. 如图所示,在匀强磁场中垂直于磁场方向放置一段导线ab。磁场的磁感应强度为B,导线长度为l、横截面积为S、单位体积内自由电子的个数为n。导线中通以大小为I的电流,设导线中的自由电子定向运动的速率都相同,则每个自由电子受到的洛伦兹力
A.大小为,方向垂直于导线沿纸面向上
B.大小为,方向垂直于导线沿纸面向上
C.大小为,方向垂直于导线沿纸面向下
D.大小为,方向垂直于导线沿纸面向下
10.如图1所示,将线圈套在长玻璃管上,线圈的两端与电流传感器(可看作理想电流表)相连。将强磁铁从长玻璃管上端由静止释放,磁铁下落过程中将穿过线圈。实验观察到如图 2 所示的感应电流随时间变化的图像。下列说法正确的是
接电脑
电流传感器
线圈
强磁铁
图1
t1
t2
t3
图2
0.4
0.6
0
-0.2
-0.4
-0.6
0.2
0.4
0.6
I/A
t/s
-0.8
0.8
A.t1~ t3 时间内,磁铁受到线圈的作用力始终向下
B.t1~ t3 时间内,磁铁受到线圈的作用力方向先向上后向下
C.若将线圈到玻璃管上端的距离加倍,线圈中产生的电流峰值也将加倍
D.若将线圈的匝数加倍,线圈中产生的电流峰值可能几乎不变
二、多项选择题(本题共4小题,每小题3分,共12分。在每小题给出的四个选项中,有多个选项是符合题意的,全部选对得3分,选对但不全得2分,错选不得分。)
11.下图中标出了匀强磁场的磁感应强度B、通电直导线中的电流I和它受到的安培力F的方向,其中正确的是
B
I
F
B
C
I
F
B
A
I
B
F
D
I
F
B
12.如图所示,电源与电动机连接成闭合回路。已知,电源电动势为E、内阻为r,电动机的额定电压为U、额定电流为I、线圈电阻为R。开关闭合后,电动机恰好正常工作,则
M
E r
S
A.电动机的额定电流
B.电动机的额定电流
C.电动机输出的机械功率
D.电动机输出的机械功率
图2
1
0
t/s
B
2
3
4
5
B0
-B0
B
I
图1
13.在竖直方向的匀强磁场中,水平放置一圆形导体环。规定导体环中电流的正方向如图1所示,磁场方向向上为正方向。当磁感应强度B随时间t 按图2所示的正弦曲线规律变化时,下列说法正确的是
A.t = 1 s时,导体环中的电流为0
B.t = 2 s时,导体环中的磁通量变化率为0
C.t = 3 s和t = 5 s时,导体环中的电流大小相等、方向相反
D.2 s ~ 4 s内,导体环中的电流方向先为负方向后为正方向
14.利用霍尔效应制作的霍尔元件以及传感器,广泛应用于测量和自动控制等领域。如图所示,将一厚度为d的半导体薄片垂直置于磁场B中,在薄片的两个侧面E、F间通以电流I时,另外两侧M、N间产生电势差,这一现象称为霍尔效应。其原因是薄片中定向移动形成电流的载流子受洛伦兹力的作用向一侧偏转和积累,在M、N间产生霍尔电压UH。半导体的载流子有自由电子或空穴(相当于正电荷)两种类型。结合所学知识,判断下列说法正确的是
I
I
UH
B
d
E
F
N
M
A.若该半导体是空穴导电,则M侧电势低于N侧电势
B.若增大半导体薄片的厚度d,则霍尔电压UH也将增大
C.若增大磁场的磁感应强度B,则霍尔电压UH也将增大
D.若增大电流I,则霍尔电压UH也将增大
第二部分(实验和计算论述题 共58分)
三、实验题(本题共2小题,共18分)
15.(8分)
利用图1所示电路观察电容器的充、放电现象,其中E为电源,R为定值电阻,C为电容器,A为电流表,V为数字电压表。
(1)单刀双掷开关S接1后,电容器进行的是_______(选填“充电”或“放电”)过程。此过程中观察到的现象是______(选填选项前的字母)。
图1
A.电流表的示数增大后逐渐趋于稳定
B.电流表的示数迅速增大到某一值后逐渐减小至零
C.电压表的示数增大后逐渐趋于稳定
D.电压表的示数迅速增大到某一值后逐渐减小至零
图 2
C1
C2
(2)图2所示为两个固定电容器,C1的电容为220μF,C2的电容为4700 μF。分别将两个电容器接入图1所示的电路进行充电。已知电源电压均小于两个电容器的额定电压,则充电结束后两个电容器的情况,下列说法正确的是_____(选填选项前的字母)。
A.两个电容器所带的电荷量相等
B.电容器C1的电荷量小于电容器C2的电荷量
C.两个电容器两极间的电势差相等
D.电容器C1两极间的电势差小于电容器C2两极间的电势差
16.(10分)
某同学通过实验测量一个定值电阻的阻值。
(1)他先用多用电表对该电阻进行了初步测量。他用电阻×1挡进行测量,指针位置如图1所示,则该电阻的阻值约为________。
图1
(2)在(1)基础上,他想用电压表和电流表更精确地测量这个电阻的阻值。
他在实验室找到如下器材:
电流表:量程0~0.6 A,内阻约0.1 ;
电压表:量程0~3 V,内阻约3 k;
滑动变阻器:最大阻值15 ,额定电流1.0 A;
电源:电动势3 V,内阻约0.5 ;
开关一个,导线若干。
①为了减小实验误差,电流表和电压表的连接方法应该选用图2中的______(选填“甲”或“乙”),不考虑偶然误差,采用这种方式测量的结果与真实值相比偏______(选填“大”或“小”)。
A
Rx
V
甲
图2
A
Rx
V
乙
I/A
U/V
2.5
0.5
1.0
1.5
2.0
0
0.1
0.2
0.3
0.4
0.5
图4
②他在相关实验手册中,看到图3所示的两种滑动变阻器的连接方式,他选择了其中一种,经过实验得到多组数据,并将数据标记在了坐标纸上,如图4所示。
甲
图3
Rx
R
乙
Rx
R
a.在图4中画出该电阻的U-I图线,根据图线可计算出电阻R =_______(结果保留两位有效数字)。
b.由图4中的数据可知,他选择的滑动变阻器的连接方式是图3中的____(选填“甲”或“乙”)。你的判断依据是:__________________________________
__________________________________________________________________
四、计算论述题(本题共4小题,共 40分)
解答要求:写出必要的文字说明、方程式、演算步骤和答案。只写出最后答案的不能得分。有数值计算的题,答案中必须明确写出数值和单位。
17. (9分)
E r
S
L
充电宝作为一种便携的移动电源,在生活中得到了广泛的使用。某同学用电动势E = 5 V,内阻r = 0.1 的充电宝给小台灯L供电,小台灯的电阻R = 9.9 ,电路图如图所示。闭合开关S,求:
(1)回路中的电流I;
(2)10 s内通过小台灯的电荷量q;
(3)10 s内充电宝中产生的热量Q。
d
+
+q
O
B
+
U
18. (9分)
如图所示,两平行金属板间距为d,电势差为U,板间电场可视为匀强电场;金属板下方有一磁感应强度为B的匀强磁场。电荷量为+q、质量为m的粒子,由静止开始从正极板出发,经电场加速后射出,并进入磁场做匀速圆周运动。忽略重力的影响,求:
(1)粒子从电场射出时速度v的大小;
(2)粒子在磁场中做匀速圆周运动的半径R;
(3)粒子在磁场中运动的时间t。
19. (10分)
B
v
M
N
R
图1
如图1所示,足够长的平行光滑金属导轨水平放置,间距为L,一端连接阻值为R的电阻。导轨所在空间存在竖直向下的匀强磁场,磁感应强度大小为B。导体棒MN放在导轨上,其长度恰好等于导轨间距,与导轨接触良好。导体棒的电阻为r,导轨电阻忽略不计。在平行于导轨的拉力作用下,导体棒沿导轨向右匀速运动,速度大小为v。
v
t
O
图2
(1)求回路中的感应电流大小I和导体棒MN两端的电压U。
(2)通过公式推导证明:在一段时间Δt内,拉力做的功W等于电路获得的电能W电。
(3)若在匀速运动过程中突然将拉力大小增大为原来的2倍,请说出导体棒将如何运动,并在图2坐标系中作出此后导体棒运动的v-t图像。
20. (12分)
在许多工业生产过程中,会产生包含粉尘的废气,为了减少粉尘对空气的污染,通常让废气经过除尘室后再排放。如图1所示,除尘室中有一矩形通道,其前、后面板使用绝缘材料,上、下面板使用金属材料,并与电压恒定的高压直流电源相连。图2 是该装置的截面图。通道长L、宽b,上下板间距离d,电源电压U,其中L和b为已知,且不可调,d和U可调。质量为m、电荷量为-q、分布均匀的带电粉尘以水平速度v进入矩形通道,当带负电的尘埃碰到下板后其所带电荷被中和,同时粉尘被收集。不计粉尘重力、空气阻力及粉尘间的相互作用。
(1)若电源电压为U1、上下板间距离为d1时,部分粉尘没有被收集,求贴近上板进入通道的粉尘离开通道时,沿垂直于上下板方向偏移的距离y。
(2)若电源电压为U2、上下板间距离为d2时,进入通道的粉尘的收集率 = 64%。为使收集率达到100%,应如何调整装置?请分析说明,并给出具体的调整方案。(写出一种方案即可)
(3)若粉尘恰好能够被完全收集,在图3中定性画出某段时间t0内,下极板沿通道长度方向单位长度收集到的粉尘数量P随距通道入口距离x变化的趋势图线,并简要说明作图依据。
图2
L
d
+
-
+ + + + + +
- - - - - -
接地线
v
图1
L
d
b
v
P
O
x
图3
相关试卷
这是一份2023-2024学年北京市西城区高一(上)期末物理试卷(含解析),共18页。试卷主要包含了单选题,多选题,实验题,简答题等内容,欢迎下载使用。
这是一份北京市西城区2020-2021学年高二上学期期末考试物理试题,共11页。试卷主要包含了0×10-17kg,q=1,5m,0m,07; 0等内容,欢迎下载使用。
这是一份56,北京市西城区2023-2024学年高三上学期期末考试物理试卷,共23页。试卷主要包含了单项选择题,多项选择题等内容,欢迎下载使用。

