所属成套资源:人教版九年级全一册物理《压轴挑战》培优专题训练
人教版九年级全一册物理《压轴挑战》培优专题训练 专题17 电学计算压轴培优专题训练(原卷版+解析)
展开
这是一份人教版九年级全一册物理《压轴挑战》培优专题训练 专题17 电学计算压轴培优专题训练(原卷版+解析),共54页。
(1)小灯泡的电阻。
(2)S1、S2都断开时,小灯泡L正常发光,求电源电压。
(3)S1、S2都闭合时,电流表示数变为0.6A,求R2的阻值。
2.如图所示电路,电源电压保持不变,电阻R1=10Ω,滑动变阻器R2的最大阻值为20Ω,灯泡电阻不随温度变化。闭合开关S,当开关S1S2都断开,滑动变阻器的滑片P滑动到中点时,电流表的读数为0.4A;当开关S1S2都闭合,滑动变阻器的滑片P滑动到最右端时,电流表的示数为0.9A,求:
(1)电源电压为多少?
(2)小灯泡的电阻是多少?
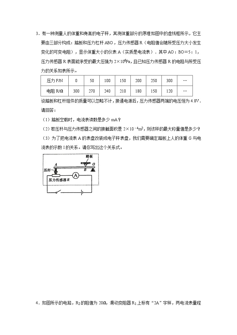
3.有一种测量人的体重和身高的电子秤,其测体重部分的原理如图中的虚线框所示,它主要由三部分构成:踏板和压力杠杆ABO,压力传感器R(电阻值会随所受压力大小发生变化的可变电阻),显示体重大小的仪表A(实质是电流表).其中AO:BO=5:1,压力传感器R表面能承受的最大压强为2×106Pa,且已知压力传感器R的电阻与所受压力的关系如表所示。
设踏板和杠杆组件的质量可以忽略不计,接通电源后,压力传感器两端的电压恒为4.8V.请回答:
(1)踏板空载时,电流表读数是多少mA?
(2)若压杆与压力传感器之间的接触面积是2×10﹣4m2,则该秤的最大称量值是多少?
(3)为了把电流表A的表盘改装成电子秤表盘,我们需要确定踏板上人的体重G与电流表的示数I的关系。请你写出这个关系式。
4.如图所示的电路,R2的阻值为20Ω,滑动变阻器R1上标有“2A”字样,两电流表量程均为0~3A。闭合开关S,电流表A1、A的示数分别为0.8A、1.2A。
(1)求R2两端电压U2。
(2)更换电源,用10Ω和30Ω的定值电阻先后替换R2,闭合开关S,在电路安全工作的情况下,移动滑片P,某个电流表示数的最大变化量分别为0.8A和1.6A,其中一次变阻器的电流达不到2A。
①试分析变阻器的电流达不到2A的原因。
②求变阻器的最大阻值R1max。
5.朝天门广场视野开阔,市民经常在此放风筝。为了测量风速,翼骏同学设计了一台简易风速仪,其工作原理如图甲所示。装有挡风板和滑片P的轻质滑块与轻质弹簧套在滑杆MN上,弹簧左端固定,右端与滑块相连。挡风板的挡风面积为0.2m2,均匀电阻丝AB长为24cm,阻值为12Ω,电源电压U0恒为6V,保护电阻R0为8Ω,电压表量程0~3V。弹簧弹力F与弹簧长度改变量x的关系如图乙所示。无风时,滑片P在A处,有风时,滑块移动,稳定后读出电压表示数,计算并查阅下表数据可知风速及风级。
(1)滑片P位于A点时,经过R0的电流;
(2)当电压表示数U为1.5V时,风速仪所测的风为几级?(写出计算过程)
(3)在探究问题时,可以通过找出物理量之间的函数关系式,进而研究函数而得到结果。翼骏想在风速仪的电压表上直接标出风速,查阅资料后获知该挡风板所受的风压与风速的平方成正比,即p=kv2(k为常数)。结合题目,请写出风速(v)与电压表示数(UAP)的关系式。(写出推导过程,用v、k等表示)。
6.如图甲所示,重3N、底面积为150cm2的圆柱形容器置于水平升降台中央,容器中原来装有16cm深的水。一圆柱体A悬挂在轻质细杆下保持静止。已知圆柱体A与容器高度相同。质量为1.6kg。轻杆与圆柱体衔接处为力传感器,电源电压为18V,原理如图甲所示,可通过电流表示数测得轻杆对物体的弹力大小,如表格所示。在向上调节升降台直至圆柱体A与容器底部刚好接触的过程中,记录下电流表示数I与升降台移动的距离h的关系,如图乙所示。求:
(1)未调节升降台时,甲图中力传感器R的阻值大小;
(2)圆柱体A的密度;
(3)当电流表示数为2A时,缓慢撤走细杆和力传感器后,待物体A静止,容器对升降台的压强为多大?
7.如图甲所示的电路中,电源电压为12V,滑动变阻器R2的铭牌上标有“100Ω 0.5A”字样,图乙为定值电阻R1的I﹣U图象。求:
(1)电阻R1的阻值;
(2)当电路中的电流为0.2A时,滑动变阻器R2接入电路中的阻值;
(3)为了不损坏滑动变阻器,R2接入电路中的最小阻值。
8.为锻炼身体,小阳利用所学物理知识设计了一个电子拉力计(通过仪表读数显示拉力的大小),甲图是原理图。硬质弹簧右端和金属滑片P固定在一起(弹簧的电阻不计,P与R1间的摩擦不计).定值电阻R0=15Ω,ab是一根长为6cm的均匀电阻丝,阻值R1=45Ω,电源电压U=9V,电流表的量程为0~0.6A.
(1)小明在电路中连入R0的目的是 。当拉环不受拉力时,滑片P处于a端,闭合开关后电流表的示数为多少?
(2)已知该弹簧伸长的长度△L与所受拉力F间的关系如图乙所示。开关S闭合后,当电流表指针指在0.3A处,作用在拉环上水平向右的拉力为多少N?
9.如图所示是一个调光台灯实验电路,现将两种规格的小灯泡L1“3.8V 1A”、L2“2.5V 0.5A”分别接入电路图中的a、b两点间,电流表量程为“0﹣0.6A”,电压表量程为“0﹣3V”。电源电压恒为4.5V,灯丝电阻不变,在保障电路安全的情况下。求:
(1)小灯泡L1的额定功率:
(2)小灯泡L2接入电路中的最小功率:
(3)为了使两灯泡均能安全发光,滑动变阻器R连入电路的阻值范围。
10.在如图甲所示的电路中,电源电压U=6V保持不变,小灯泡L标有“6V 0.5A”字样,灯泡的电流与电压的关系如图乙所示。当闭合开关S1、S2,断开S3,将R2的滑片置于距左端处。移动R1的滑片,当R1的滑片在最右端时,电压表V1的示数为2V;当闭合开关S3,断开S1、S2,在电路安全的前提下移动R2的滑片,当R2的滑片在距左端处时,电压表V2的示数为3V。电流表的量程为0~3A,电压表V1的量程为0~15V,电压表V2的量程为0~3V。
(1)求小灯泡正常工作时的电阻;
(2)只闭合S3,为保证安全求滑动变阻器的取值范围;
(3)所有开关可以任意闭合或断开,在保证电路安全且电路中有电流的情况下,求电路消耗的总功率的最大值和最小值。
11.如图所示,电源电压和小灯泡的阻值均保持不变,小灯泡L标有“4V 1.6W”字样,R1=20Ω,滑动变阻器R2允许通过的最大电流为1A,电流表的量程为0~0.6A,电压表的量程为0~3V,只闭合开关S2时,电压表的示数为2V,则:
(1)小灯泡的阻值为多大?
(2)R1消耗的电功率是多少?
(3)在不损坏各电路元件的情况下,若闭合所有开关,滑动变阻器R2消耗的最大功率和最小功率之比为3:1,若只闭合开关S3,小灯泡L消耗的电功率变化范围是多少?
12.如图甲是电阻R1和灯泡L的电流随电压变化图象,灯泡上标有“12V9.6W”的字样。将它们按图乙所示的电路连接,滑动变阻器上标有“20Ω1.5A”,电流表使用的量程是0~3A,电源电压不变。
(1)求灯泡L正常发光时的电阻RL
(2)当只闭合开关S、S2,滑片P位于a端时,灯泡L的实际功率为1W,求电源电压
(3)开关和滑片分别置于什么位置时,电路消耗的电功率最大?最大功率是多少?
13.如图甲。柱体A与B经细线绕过定滑轮(不计绳重及摩擦)相连,A置于力敏电阻Rx上,力敏电阻其电阻值Rx随压力F的变化关系如表,电源电压恒为6V.逐渐向容器中注水至满,得到了电流表的示数与注水体积之间的关系,如图乙。已知GA=30N,GB=10N,柱形容器底面积为500cm2,高10cm。求:
(1)水深5cm时,水对容器底部的压强;
(2)定值电阻R0的阻值;
(3)若电流表的量程为0~0.6A,电压表的量程为0~3V,在注水过程中,为确保电路安全,求电路消耗的功率范围。
14.如图1所示,L上标有“6V 3W”字样,电流表量程为0~0.6A,电压表量程为0~15V,变阻器R的最大电阻为100Ω.只闭合S1,滑片置于a点时,变阻器连入电路中的电阻为Ra,电流表示数为Ia.只闭合S2,移动滑片,变阻器两端电压与其连入电路的电阻关系如图2所示;当滑片置于b点时,电压表示数Ub=8V,电流表示数为Ib.已知Ra:R0=12:5,Ia:Ib=3:5.(灯丝电阻不随温度变化)
求:
(1)小灯泡的电阻;
(2)定值电阻R0和电源电压;
(3)在电表的示数不超过量程,灯泡两端的电压不超过额定值的情况下,只闭合S1时,计算电路消耗的总功率范围?
15.如图甲所示电路,小灯泡上标有“2.5V 1.25W”字样,变阻器R1上标有“10Ω 1A”字样,移动滑片调到灯正常发光,电压表示数为2V,求:
(1)此时电路的总功率。
(2)若电流表采用0~0.6A量程,电压表采用0~3V量程,为保证灯两端电压不超过额定电压以及电路各元件安全的情况下,滑动变阻器在此电路中允许的调节范围(假定灯丝电阻保持不变)。
(3)用另一个定值电阻R2替换小灯泡,并更换电源,移动滑片到某一个位置,电流表和电压表指针位置如图乙所示(可能与之前相比更换了量程但在后续操作中量程不变),当向某个方向移动变阻器的滑片到某位置时,其中一个表指针达到满偏,另一个表指针在刻度盘处。求定值电阻R2的可能值是多少。
16.如图甲是某品牌电压力锅,图乙所示是它的简化电路图。R1、R2是定值电阻,闭合开关S1,开关S2与触点b接通,电压力锅处于加热状态,此时电压力锅的功率P1=1100W,通过R1的电流为I1,当锅内的气压达到设定值时,S2自动与触点b断开并与触电a接通,S1仍闭合。电压力锅处于保压状态,此时电压力锅的功率为P2,通过R2的电流为I2.图丙是表示做好某次饭的过程中,电压力锅从加热到保压消耗的电功率与时间的关系。已知I1=5I2.求:
(1)电压力锅处于加热状态时,通过电阻R1的电流。
(2)电压力锅处于保压状态时的功率P2。
(3)做好这次饭总共消耗的电能。
(4)用电高峰期,电路的实际电压为198V,电压力锅做好同样一次饭,处于加热过程实际需要的时间。(不考虑能量损失,结果保留整数)
17.为方便学生饮水,某学校在各个教室安装了饮水机。如图是饮水机的电路图,S是一个温控开关,R1为电加热管。当饮水机处于加热状态时,水被迅速加热;达到100℃后,S自动切换到保温状态,A、B是两种不同颜色的指示灯。
(1)若红色表示加热,绿色表示保温,则灯B应为 色。
(2)若饮水机正常工作,加热时电加热管的功率为1100W,保温时电加热管的功率为44W,则电阻R2的阻值为多少?(不考虑温度对阻值的影响,且不计指示灯的阻值)
(3)饮水机的最大容量为1L,装满初温为23℃的水后,发现过了7min后绿灯亮,则这台饮水机的热效率为多少?[c水=4.2×103J/(kg:℃)]
18.如图所示,是某种电热饮水机的简化电路示意图。它有加热和保温两种工作状态(由机内温控开关S0自动控制),阅读该饮水机说明书可知:热水箱容积2L,额定电压220V,加热时的功率400W,保温时的功率40W.求:
(1)饮水机处于保温状态时温控开关S0应处于什么状态?
(2)R1和R2的电阻值各是多大?
(3)加热效率为80%,若将装满水箱的水从20℃加热至100℃,需要多长时间?(C水=4.2×103J/(kg•℃),ρ水=1.0×103kg/m3,)
19.如图是家用电热壶及铭牌,假设电热壶电阻丝电阻不变,水的比热容c水=4.2×103J/(kg•℃),水的密度ρ水=1.0×103 kg/m3.求:
(1)电热壶电阻丝的电阻。
(2)不考虑热损失,电热壶正常工作时,把1L水从20℃加热到100℃所需要的时间。
(3)当电压为198V时,电热壶的实际功率。
20.人造太阳是指像太阳一样通过核聚变,源源不断地产生巨大的能量。2017年7月4日晚中国科学院合肥物质科学研究院等离子物理研究所宣布,如图1,我国的全超导托卡马克核聚变实验装置(俗称“人造太阳”)在全球首次实现了稳定的101.2秒稳态长脉冲高约束模等离子体运行,创造了新的世界纪录,为人类开发利用核聚变清洁能源奠定了重要的技术基础。若人造太阳成为现实,某城市构想将来在高空设置一个人造太阳(近似认为是一个点,其能量以该点为中心向四周传播),在夜晚利用人造太阳为城市提供能量。在地面距人造太阳500m处一用户利用一面积为2m2的接收装置垂直获取能量,为家中某加热器供电,其内部简化电路如图2所示、其正常工作时的功率如表所示。
(1)求R2的阻值;
(2)在实际使用中,该用户接收装置获得能量并转化为电能,在使用高温挡时给某材料加热,材料温度升高4℃加热时间为40s。[设电热丝发热全部被材料吸收,材料的质量m=500g,材料的比热容c=0.66×103J/(kg•℃),已知半径为r的球其表面积为4πr2.不计传播过程中能量损耗,该接收装置能量转换为电能的效率为15%]
①该加热器的实际功率为多大?
②该人造太阳的功率至少为多少?
(3)利用相同面积的接收装置,为了能从人造太阳中获得更多的能量,在安装人造太阳时应该适当的靠近还是远离地球一些?
21.小明研究了家里的智能电热马桶盖(如图甲),设计出如图乙所示的便座加热电路,R1和R2是两个定值电阻(表示两个电热丝),单刀双掷开关S2可接a或b,该电路通过开关S1和S2的不同接法组合,实现“高温挡、中温挡、低温挡”三种加热功能(见表),求
(1)R1和R2的阻值;
(2)求出表中的“P3”;
(3)老年人在冬天坐上冰冷的马桶是很难受的,假设小洋想让马桶圈的温度升5℃,则用“中温挡”加热的方式需要多长时间?(设电热丝发热全部被马桶圈吸收,马桶圈的质量m=300g,马桶圈材料的比热容c=0.44×103J/(kg•℃)
22.如图所示是某型号电压力锅工作电路简图,下表是其部分参数。接通电路后,开关S自动与触点a、b接通,1挡加热器开始加热。当锅内混合物质温度达到102℃时,开关S自动与a、b断开,并与触点c接通,2挡加热器工作,此时锅内混合物质温度不变,保持锅内压强不变,进入保压状态。现将质量为2.0kg,初温为36℃的混合物质放入压力锅中,接通电路使其正常工作18min。假设加热器产生的热量全部被混合物质吸收,混合物质的比热容为c=4.0×103J/(kg•℃)。求:
(1)R1、R2的阻值;
(2)电压力锅加热多长时间后开始保压;
(3)电压力锅最后2min内消耗的电能。
23.浴室中的平面镜往往凝结大量的小水滴,导致成像模糊,而浴室防雾镜的背面粘贴有等大的电热膜,通电后镜面受热,水蒸气无法凝结其上,成像清晰。如图所示是某型号的浴室防雾镜,其相关数据如表:
(1)在某次洗浴中,浴室温度为30℃,正常工作2min使平面镜的平均温度升高到40℃,求电热膜对平面镜的加热效率。[玻璃的比热容为0.8×103J/(kg•℃)]
(2)如图乙所示,小夏给防雾镜电路连接了一个滑动变阻器R,能使电热膜的功率在原功率的25%~100%之间变化,以满足不同季节使用的需要。求滑动变阻器R的最大阻值。
24.小明给爷爷网购了一台电热足浴器,其铭牌的部分参数如图甲,足浴器某次正常工作时,加热功率为控制面板上发光指示灯所对应的功率,控制面板显示如图乙,求:
(1)足浴器装入最大容量初温为25℃的水,将其加热到控制面板上显示的温度时,水所吸收的热量是多少?[c水=4.2×103J/(kg•℃)]
(2)上述加热过程用时15min,该足浴器的热效率是多少?
(3)整个加热过程中,水温降至40℃时,足浴器自动加热至45℃,水温随时间变化的图像如图丙,当水温第一次加热至45℃时,小芳开始给爷爷足浴30min,求这次足浴给水加热消耗的电能是多少?
(4)小明想了解家里电路的实际电压,于是将家里其他用电器都关闭,他观察到该足浴器在高挡工作时,家里标有“2000r/(kW•h)”的电能表转盘在10min内转了216r,则他家电路的实际电压是多少?
压力F/N
0
50
100
150
200
250
300
…
电阻R/Ω
300
270
240
210
180
150
120
…
风级
一级
二级
三级
四级
五级
六级
风速v(m/s)
0.3~1.5
1.6~3.3
3.4~5.4
5.5~7.9
8.0~10.7
10.8~13.8
风压p(帕)
0.055~1.4
1.6~6.8
7.2~18
18.9~39
40~72
72.9~119
电流表示数I与力传感器所受弹力F关系
I/A
9
6
3
2
1
F/N
16
10
4
2
0
F/N
15
20
22
25
28
30
35
Rx/Ω
20
14
13
11
10
9
8
S1
断开
闭合
S2
闭合
闭合
功率
P1=22W
P2=44W
S1
断开
断开
闭合
闭合
S2
接b
接a
接a
接b
功率
Pb=0
P1=22W
P2=44W
P3
额定电压/V
220
1挡加热器额定功率/W
550
2挡加热器额定功率/W
110
保压温度/℃
102
最大容积/dm3
3
面积大小
100dm2
镜子质量
1.2kg
额定电压
220V
额定功率
1W/dm2
专题17 电学计算压轴培优专题训练(解析版)
1.如图所示,R1=25Ω,小灯泡L的规格为“”,电源电压保持不变。(小灯泡的电阻不变)求:
(1)小灯泡的电阻。
(2)S1、S2都断开时,小灯泡L正常发光,求电源电压。
(3)S1、S2都闭合时,电流表示数变为0.6A,求R2的阻值。
【解答】解:(1)由I=可得,小灯泡的电阻:
RL===Ω≈8.3Ω;
(2)S1、S2都断开时,R1与L串联,
因串联电路中各处的电流相等,且灯泡正常发光,
所以,电源的电压:
U=I(R1+RL)=IL(R1+RL)=0.3A×(25Ω+Ω)=10V;
(3)S1、S2都闭合时,R1与R2并联,电流表测干路电流,
则电路中的总电阻:
R===,
因并联电路中总电阻的倒数等于各分电阻倒数之和,
所以,=+,即=+,
解得:R2=50Ω。
答:(1)小灯泡的电阻为8.3Ω;
(2)电源的电压为10V;
(3)R2的阻值为50Ω。
2.如图所示电路,电源电压保持不变,电阻R1=10Ω,滑动变阻器R2的最大阻值为20Ω,灯泡电阻不随温度变化。闭合开关S,当开关S1S2都断开,滑动变阻器的滑片P滑动到中点时,电流表的读数为0.4A;当开关S1S2都闭合,滑动变阻器的滑片P滑动到最右端时,电流表的示数为0.9A,求:
(1)电源电压为多少?
(2)小灯泡的电阻是多少?
【解答】解:(1)闭合开关S,当开关S1S2都断开,滑动变阻器的滑片P滑动到中点时,R1与R2阻值的一半串联,电流表测电路中的电流,
因串联电路中总电阻等于各分电阻之和,
所以,由I=可得,电源的电压:
U=I(R1+)=0.4A×(10Ω+)=8V;
(2)当闭合开关S,闭合开关S1、S2时,灯泡L与R2的最大阻值并联,电表测干路电流,
因并联电路中各支路两端的电压相等,
所以,通过R2的电流:
I2===0.4A,
因并联电路中干路电流等于各支路电流之和,
所以,通过灯泡L的电流:
IL=I′﹣I2=0.9A﹣0.4A=0.5A,
则灯泡的电阻:
RL===16Ω。
答:(1)电源电压为8V;
(2)小灯泡的电阻是16Ω。
3.有一种测量人的体重和身高的电子秤,其测体重部分的原理如图中的虚线框所示,它主要由三部分构成:踏板和压力杠杆ABO,压力传感器R(电阻值会随所受压力大小发生变化的可变电阻),显示体重大小的仪表A(实质是电流表).其中AO:BO=5:1,压力传感器R表面能承受的最大压强为2×106Pa,且已知压力传感器R的电阻与所受压力的关系如表所示。
设踏板和杠杆组件的质量可以忽略不计,接通电源后,压力传感器两端的电压恒为4.8V.请回答:
(1)踏板空载时,电流表读数是多少mA?
(2)若压杆与压力传感器之间的接触面积是2×10﹣4m2,则该秤的最大称量值是多少?
(3)为了把电流表A的表盘改装成电子秤表盘,我们需要确定踏板上人的体重G与电流表的示数I的关系。请你写出这个关系式。
【解答】解:(1)由表格数据可知,踏板空载时R=300Ω,
则电流表读数:
I===0.016A=16mA;
(2)由p=可得,压力传感器R表面能承受的最大压力:
F=pS=2×106Pa×2×10﹣4m2=400N,
由F×AO=F′×BO得,该秤的最大称量值:
F′=F×=400N×=2000N;
(3)由F×AO=F′×BO得,人的体重G作用在压力传感器R表面上的压力:
F=G×=,
由表格数据可得,压力传感器R的电阻与所受压力的关系:
R=300﹣F,
故此时对应的电阻为300﹣,
所以此时电流表的示数:
I=×1000(mA)=(mA)。
答:(1)踏板空载时电流表读数为16mA;
(2)该秤的最大称量值为2000N;
(3)踏板上人的体重G与电流表的示数I的关系为(mA)。
4.如图所示的电路,R2的阻值为20Ω,滑动变阻器R1上标有“2A”字样,两电流表量程均为0~3A。闭合开关S,电流表A1、A的示数分别为0.8A、1.2A。
(1)求R2两端电压U2。
(2)更换电源,用10Ω和30Ω的定值电阻先后替换R2,闭合开关S,在电路安全工作的情况下,移动滑片P,某个电流表示数的最大变化量分别为0.8A和1.6A,其中一次变阻器的电流达不到2A。
①试分析变阻器的电流达不到2A的原因。
②求变阻器的最大阻值R1max。
【解答】解:(1)闭合开关S,两电阻并联接入电路,电流表A1测通过R1的电流,电流表A测干路电流,两表的示数分别为0.8A、1.2A,
由于并联电路干路电流等于各支路电流之和,所以通过R2的电流为:I2=I﹣I1=1.2A﹣0.8A=0.4A,
由欧姆定律可得R2两端电压:U2=I2R2=0.4A×20Ω=8V;
(2)①因I2=I﹣I1,所以当I2不变时,两个电流表示数的最大变化量应该是相同的,在电流表示数最大时,I2越小,电流表示数的最大变化量越大,
用10Ω的电阻替换R2,该支路的电流为:I2′==,
用30Ω的电阻替换R2,该支路的电流为:I2″==,>,
因通过R2的电流越大,总电流越大,所以用10Ω的电阻替换R2,会使得在R1支路电流达到2A之前,总电流已达到3A,也就是说用10Ω的电阻替换R2,变阻器的电流达不到2A;
②闭合开关S,两电阻并联接入电路,电流表A1测通过R1的电流,电流表A测干路电流,并联电路各并联支路两端电压相等,
电流表示数的最大变化量分别为0.8A和1.6A,
当R2=30Ω时,通过滑动变阻器的最大电流I1max=2A,则通过滑动变阻器的最小电流为:I1min=I1max﹣ΔI1max=2A﹣1.6A=0.4A,
当R2′=10Ω时,通过电路的最大电流为Imax′=3A,通过滑动变阻器的最小电流为I1min′=0.4A,
通过滑动变阻器的最大电流:I1max′=I1max′+ΔI1max′=0.4A+0.8A=1.2A,
所以此时通过R2的电流为:I2′=Imax′﹣I1max′=3A﹣1.2A=1.8A,
由欧姆定律可得电源电压为:U=U2′=I2′R2′=1.8A×10Ω=18V,
所以滑动变阻器的最大阻值为:R1max===45Ω。
答:(1)求R2两端电压U2为8V;
(2)①因通过R2的电流越大,总电流越大,所以用10Ω的电阻替换R2,会使得在R1支路电流达到2A之前,总电流已达到3A,也就是说用10Ω的电阻替换R2,变阻器的电流达不到2A;
②求变阻器的最大阻值R1max为45Ω。
5.朝天门广场视野开阔,市民经常在此放风筝。为了测量风速,翼骏同学设计了一台简易风速仪,其工作原理如图甲所示。装有挡风板和滑片P的轻质滑块与轻质弹簧套在滑杆MN上,弹簧左端固定,右端与滑块相连。挡风板的挡风面积为0.2m2,均匀电阻丝AB长为24cm,阻值为12Ω,电源电压U0恒为6V,保护电阻R0为8Ω,电压表量程0~3V。弹簧弹力F与弹簧长度改变量x的关系如图乙所示。无风时,滑片P在A处,有风时,滑块移动,稳定后读出电压表示数,计算并查阅下表数据可知风速及风级。
(1)滑片P位于A点时,经过R0的电流;
(2)当电压表示数U为1.5V时,风速仪所测的风为几级?(写出计算过程)
(3)在探究问题时,可以通过找出物理量之间的函数关系式,进而研究函数而得到结果。翼骏想在风速仪的电压表上直接标出风速,查阅资料后获知该挡风板所受的风压与风速的平方成正比,即p=kv2(k为常数)。结合题目,请写出风速(v)与电压表示数(UAP)的关系式。(写出推导过程,用v、k等表示)。
【解答】解:(1)滑动变阻器和R0串联接入电路,滑片P位于A点时,滑动变阻器接入电路的阻值最大,
串联电路总电阻等于各分电阻之和,所以电路总电阻为:R=RP+R0=12Ω+8Ω=20Ω,
串联电路各处电流相等,则通过R0的电流为:I===0.3A;
(2)当电压表示数U为1.5V时,与电压表并联部分的电阻为:RP1===5Ω,
均匀电阻丝AB长为24cm,阻值为12Ω,则2cm电阻丝的阻值为1Ω,
所以与电压表并联部分的电阻丝的长度为10cm,即弹簧缩短10cm,由乙图可知挡风板受到的力为5N,
挡风板受到的压强为:p===25pa,
由表格可知风速仪所测的风为四级;
(3)当电压表示数为UAP时,与电压表并联部分的电阻为:RP0==,
均匀电阻丝AB长为24cm,阻值为12Ω,则2cm电阻丝的阻值为1Ω,
所以与电压表并联部分的电阻丝的长度为,
由乙图可知挡风板受到的力与弹簧长度变化量的关系为:F=N/cm•X,所以F=N/cm×=,
挡风板受到的压强为:p===,
该挡风板所受的风压与风速的平方成正比,即P=kv2(k为常数),即=kv2,
所以v=。
答:(1)滑片P位于A点时,经过R0的电流为0.3A;
(2)当电压表示数U为1.5V时,风速仪所测的风为四级;
(3)风速(v)与电压表示数(UAP)的关系式为v=。
6.如图甲所示,重3N、底面积为150cm2的圆柱形容器置于水平升降台中央,容器中原来装有16cm深的水。一圆柱体A悬挂在轻质细杆下保持静止。已知圆柱体A与容器高度相同。质量为1.6kg。轻杆与圆柱体衔接处为力传感器,电源电压为18V,原理如图甲所示,可通过电流表示数测得轻杆对物体的弹力大小,如表格所示。在向上调节升降台直至圆柱体A与容器底部刚好接触的过程中,记录下电流表示数I与升降台移动的距离h的关系,如图乙所示。求:
(1)未调节升降台时,甲图中力传感器R的阻值大小;
(2)圆柱体A的密度;
(3)当电流表示数为2A时,缓慢撤走细杆和力传感器后,待物体A静止,容器对升降台的压强为多大?
【解答】解:(1)未调节升降台时h0=0,I1=9A,U=18 V,甲图中力传感器R的阻值:R===2Ω;
(2)由图乙可知,当h01=12cm时,通过电路电流为1A,由表格可知此时力传感器所受弹力为0N,
也就是说此时圆柱体A所受浮力等于自身重力,圆柱体A的重力:G=mg=1.6kg×10N/kg=16N,随着h的增大,物体所受浮力会变大,
当A完全浸没时,h02=16 cm,通过电路电流I2=3A,由表格可知力传感器所受弹力为4N,此时杆对物体有竖直向下的压力:F杆=4 N,
圆柱体A所受浮力:F浮=G+F杆=16N+4 N=20N,
此时排开水的体积为:V===2×10﹣3m3,
因物体完全浸没,所以物体排开水的体积即物体体积,则圆柱体A的密度:ρ===0.8×103kg/m3;
(3)由图可知,当h03=2cm,I′=6A时,水刚好溢出,此时F杆′=10N,G=16N,所以A受到的浮力F浮′=G﹣F杆′=16N﹣10N=6N,
V排′===6×10﹣4m3=600cm3,
水面升高的距离:△h水===4cm,
所以此时容器内水面的高度:h容=h1+△h水=16cm+4cm=20cm,
由表格可知当通过电路的电流I3=2A时,力传感器所受弹力为F=2N,方向可能向下也可能向上,
杆对物体的作用力方向向上时,A受到的浮力:F浮1=G﹣F杆1′=16N﹣2N=14N,
当拿走轻杆后,A向下沉,水向外溢出,水深始终为容器高度20cm,当A完全浸没时A受到的浮力为20N,而A的重力为16N,所以A不会触底。
所以容器对升降台的压强:P=+P水=+ρ水gh容=+1.0×103kg/m3×10N/kg×20×10﹣2m=2200Pa,
杆对物体的作用力方向向下时,A受到的浮力:F浮2=G+F杆1′=16N+2N=18N,
此时水面与容器口齐平,当拿走轻杆后,A上浮最终漂浮,A受到的浮力:F浮3=G=16N,
水面下降,水对容器底减少的压强:△P==≈133Pa,
此时容器对升降台的压强:P′=P﹣△P=2200Pa﹣133Pa=2067Pa。
答:(1)未调节升降台时,甲图中力传感器R的阻值为2Ω;
(2)圆柱体A的密度为0.8×103kg/m3;
(3)当电流表示数为2A时,缓慢撤走细杆和力传感器后,待物体A静止,容器对升降台的压强为2200Pa或2067Pa。
7.如图甲所示的电路中,电源电压为12V,滑动变阻器R2的铭牌上标有“100Ω 0.5A”字样,图乙为定值电阻R1的I﹣U图象。求:
(1)电阻R1的阻值;
(2)当电路中的电流为0.2A时,滑动变阻器R2接入电路中的阻值;
(3)为了不损坏滑动变阻器,R2接入电路中的最小阻值。
【解答】解:(1)由乙图象可知,当U1=6V时,I1=0.3A,
由I=可得,电阻R1的阻值:
R1===20Ω;
(2)由电路图可知,两电阻串联,由图象可知当电路中的电流I=0.2A时,U1′=4V,
因串联电路中总电压等于各分电压之和,
所以,滑动变阻器两端的电压:
U2=U﹣U1′=12V﹣4V=8V,
则滑动变阻器R2接入电路中的阻值:
R2===40Ω;
(3)由滑动变阻器的铭牌可知,电路中的最大电流I大=0.5A,
则电路中的最小总电阻:
R小===24Ω,
因串联电路中总电阻等于各分电阻之和,
所以,滑动变阻器接入电路的最小值:
R2小=R小﹣R1=24Ω﹣20Ω=4Ω。
答:(1)电阻R1的阻值为20Ω;
(2)当电路中的电流为0.2A时,滑动变阻器R2接入电路中的阻值为40Ω;
(3)为了不损坏滑动变阻器,R2接入电路中的最小阻值为4Ω。
8.为锻炼身体,小阳利用所学物理知识设计了一个电子拉力计(通过仪表读数显示拉力的大小),甲图是原理图。硬质弹簧右端和金属滑片P固定在一起(弹簧的电阻不计,P与R1间的摩擦不计).定值电阻R0=15Ω,ab是一根长为6cm的均匀电阻丝,阻值R1=45Ω,电源电压U=9V,电流表的量程为0~0.6A.
(1)小明在电路中连入R0的目的是 防止电流过大而烧坏电流表 。当拉环不受拉力时,滑片P处于a端,闭合开关后电流表的示数为多少?
(2)已知该弹簧伸长的长度△L与所受拉力F间的关系如图乙所示。开关S闭合后,当电流表指针指在0.3A处,作用在拉环上水平向右的拉力为多少N?
【解答】解:(1)由图可知,定值电阻R0与可变电阻R1组成串联电路,电流表测电路中的电流;
小明在电路中连入R0的目的是防止电流过大而烧坏电流表;
当拉环不受拉力时,滑片P处于a端,R0与R1串联,电流表测电路中的电流,
因串联电路中总电阻等于各分电阻之和,
所以,电路中电流表的示数:
I===0.15A;
(3)当电流表指针指在0.3A处时,电路中的总电阻:
R===30Ω,
则电阻丝接入电路中的电阻:
R1′=R﹣R0=30Ω﹣15Ω=15Ω,
因ab是一根长为6cm的均匀电阻丝,最大阻值R1=45Ω,
所以,电阻丝连入电路中的长度:
L′=×6cm=2cm,
则弹簧的伸长量:
△L=L﹣L′=6cm﹣2cm=4cm,
由图像可知此时的拉力:F=400N。
答:(1)防止电流过大而烧坏电流表;当拉环不受拉力时,滑片P处于a端,闭合开关后电流表的示数为0.15A;
(2)当电流表指针指在0.3A处,作用在拉环上水平向右的拉力为400N。
9.如图所示是一个调光台灯实验电路,现将两种规格的小灯泡L1“3.8V 1A”、L2“2.5V 0.5A”分别接入电路图中的a、b两点间,电流表量程为“0﹣0.6A”,电压表量程为“0﹣3V”。电源电压恒为4.5V,灯丝电阻不变,在保障电路安全的情况下。求:
(1)小灯泡L1的额定功率:
(2)小灯泡L2接入电路中的最小功率:
(3)为了使两灯泡均能安全发光,滑动变阻器R连入电路的阻值范围。
【解答】解:(1)P额1=U额1I额1=3.8V×1A=3.8W;
(2)小灯泡L2的电阻R2===5Ω;
当滑动变阻器两端电压为3V时,灯泡L2的电功率最小,灯泡L2的电压为U2=U﹣UV=4.5V﹣3V=1.5V;
P2===0.45W;
(3)当L1接入电路时,滑动变阻器两端电压为3V时,滑动变阻器阻值R最大;
小灯泡L1的电阻R1===3.8Ω;
由=,=,解得Rp=7.6Ω;
因为电流表量程为0.6A,当通过L1的电流为0.6A时,滑动变阻器R的阻值最小;
R总===7.5Ω;滑动变阻器最小阻值R′=R总﹣R1=7.5Ω﹣3.8Ω=3.7Ω;
当接入电路的灯泡为L2时,通过L2的电流为0.5A时,滑动变阻器R的阻值最小;
R总′===9Ω;滑动变阻器最小阻值R''=R总﹣R2=9Ω﹣5Ω=4Ω;
所以滑动变阻器R连入电路的阻值范围4Ω~7.6Ω;
答:(1)小灯泡L1的额定功率3.8V:
(2)小灯泡L2接入电路中的最小功率0.45W:
(3)为了使两灯泡均能安全发光,滑动变阻器R连入电路的阻值范围4Ω~7.6Ω。
10.在如图甲所示的电路中,电源电压U=6V保持不变,小灯泡L标有“6V 0.5A”字样,灯泡的电流与电压的关系如图乙所示。当闭合开关S1、S2,断开S3,将R2的滑片置于距左端处。移动R1的滑片,当R1的滑片在最右端时,电压表V1的示数为2V;当闭合开关S3,断开S1、S2,在电路安全的前提下移动R2的滑片,当R2的滑片在距左端处时,电压表V2的示数为3V。电流表的量程为0~3A,电压表V1的量程为0~15V,电压表V2的量程为0~3V。
(1)求小灯泡正常工作时的电阻;
(2)只闭合S3,为保证安全求滑动变阻器的取值范围;
(3)所有开关可以任意闭合或断开,在保证电路安全且电路中有电流的情况下,求电路消耗的总功率的最大值和最小值。
【解答】解:(1)小灯泡正常工作时的电阻RL===12Ω;
(2)只闭合S3,灯泡和变阻器R2串联,电压表V2测量R2两端的电压,电压表V2的量程为0﹣3V,当R2的滑片在距左端处时,电压表V2的示数为3V,由串联电路的分压规律可知,此时R2的阻值较大,由串联电路电压的规律可知,灯泡两端的电压Ul=U﹣U2=6V﹣3V=3V。
由图乙可知,灯泡的电压是3V时,通过它的电流是0.4A,灯泡的电阻Rl===7.5Ω。灯泡和R2两端的电压相等,由串联电路的分压规律可知,灯泡和R2的阻值相等,所以此时R2接入电路的最大阻值R2′=7.5Ω。
因为电流表的量程为0﹣3A,当R2的滑片移动到最左端,R2连入电路的电阻为零,电路中只有灯泡,电源电压是6V,灯泡两端的电压是6V,此时灯泡的电流是0.5A,没有超过量程,所以滑动变阻器的取值范围是0~7.5Ω。
(3)当闭合开关S3,断开S1、S2,在当R2的滑片在距左端处时,电压表V2的示数为3V,由(2)可知,当R2的滑片在距左端处时阻值7.5Ω,则R2的最大阻值R2大=4R2′=4×7.5Ω=30Ω;
当闭合开关S3,断开S1、S2,L和R2串联,将R2的滑片置于距左端处。移动R1的滑片,当R1的滑片在最右端时,电压表V1的示数为2V,电压表V1测量R2两端的电压,示数为2V,由串联电路的分压规律得到:
=,即:=,
解得:R1=15Ω
当开关S2,S3都闭合,R2的滑片在最左端,R1和L并联,由串并联电路电阻的规律可知电路的总电阻最小,由P= 可知,电路的总功率最大,电路消耗的总功率的最大值:P最大=+U额I额=+6V×0.5A=5.4W。
由(1)可知小灯泡正常发光时的电阻是12Ω,由图乙可知,RL=12Ω是它的最大阻值,灯泡的电阻小于R1的阻值,所以闭合S2,R1和R2串联,电压表为3V时,R2接入电路的电阻最大,此时电路的总电阻最大,由P= 可知,电路的总功率最小,由串联电路电压的规律和欧姆定律得到通过电路的电流:I′===0.2A
最小功率:P最小=UI′=6V×0.2A=1.2W
答:(1)小灯泡正常工作时的电阻是12Ω;
(2)只闭合S3,为保证安全,滑动变阻器的取值范围是0~7.5Ω;
(3)所有开关可以任意闭合或断开,在保证电路安全且电路中有电流的情况下,电路消耗的总功率的最大值是5.4W,最小值是1.2W。
11.如图所示,电源电压和小灯泡的阻值均保持不变,小灯泡L标有“4V 1.6W”字样,R1=20Ω,滑动变阻器R2允许通过的最大电流为1A,电流表的量程为0~0.6A,电压表的量程为0~3V,只闭合开关S2时,电压表的示数为2V,则:
(1)小灯泡的阻值为多大?
(2)R1消耗的电功率是多少?
(3)在不损坏各电路元件的情况下,若闭合所有开关,滑动变阻器R2消耗的最大功率和最小功率之比为3:1,若只闭合开关S3,小灯泡L消耗的电功率变化范围是多少?
【解答】解:(1)由P=可得,小灯泡的阻值:
RL===10Ω;
(2)由图知,只闭合开关S2时,R1与L串联,电压表测L两端的电压,即UL=2V,
因串联电路中各处的电流相等,所以电路中的电流:
I=I1=IL===0.2A,
R1消耗的电功率:
P1=I2R1=(0.2A)2×20Ω=0.8W;
(3)由串联电路特点和欧姆定律可得,电源的电压:
U=I(R1+RL)=0.2A×(20Ω+10Ω)=6V;
由图知,闭合所有开关时,R1与R2并联,电流表测滑动变阻器R2的电流,
因并联电路各支路两端电压相等(等于电源电压),则由P=可知,当滑动变阻器R2接入电路中的电阻最大时,其消耗的电功率最小,
则滑动变阻器R2消耗的最小功率为:P2小=,
由题知,滑动变阻器R2允许通过的最大电流为1A,电流表的量程为0~0.6A,
所以通过滑动变阻器的最大电流I2大=0.6A,
则滑动变阻器R2消耗的最大功率:P2大=UI2大,
由题知,滑动变阻器R3消耗的最大功率和最小功率之比为3:1,
所以,==,
则R2===30Ω;
由图知,只闭合开关S3时,L与R2串联,电压表测L两端电压,电流表测电路中电流,
当电压表的示数最大为UL′=3V时,电路中的电流:
IL′===0.3A,
因串联电路中各处的电流相等,且电流表的量程为0~0.6A,
所以电路中的最大电流为0.3A,
则小灯泡消耗的最大电功率:
PL大=IL′2RL=(0.3A)2×10Ω=0.9W,
当滑动变阻器接入电路中的阻值最大时,电路中电流最小,R1消耗的电功率最小,
因串联电路中总电阻等于各分电阻之和,
所以电路中的最小电流:
I′===0.15A,
小灯泡L消耗的最小电功率:
PL小=I′2RL=(0.15A)2×10Ω=0.225W,
所以小灯泡L消耗的电功率变化范围是0.225W~0.9W。
答:(1)小灯泡的阻值是10Ω;
(2)R1消耗的电功率是0.8W;
(3)若只闭合开关S3,小灯泡L消耗的电功率变化范围是0.225W~0.9W。
12.如图甲是电阻R1和灯泡L的电流随电压变化图象,灯泡上标有“12V9.6W”的字样。将它们按图乙所示的电路连接,滑动变阻器上标有“20Ω1.5A”,电流表使用的量程是0~3A,电源电压不变。
(1)求灯泡L正常发光时的电阻RL
(2)当只闭合开关S、S2,滑片P位于a端时,灯泡L的实际功率为1W,求电源电压
(3)开关和滑片分别置于什么位置时,电路消耗的电功率最大?最大功率是多少?
【解答】解:(1)根据P=可知灯泡的电阻为RL===15Ω;
(2)当只闭合开关S、S2,滑片P位于a端时,RL与滑动变阻器的最大阻值串联,
由图象可知,当UL1=2V,通过灯泡的电流IL1=0.5A时,
RL的实际功率PL1=UL1IL1=2V×0.5A=1W;
所以,灯泡L的实际功率为1W时,灯泡两端的电压UL1=2V,电路中电流IL1=0.5A,
因串联电路中各处的电流相等,所以,滑动变阻器两端的电压:
UR=IL1R=0.5A×20Ω=10V,
所以,电源的电压:
U=UR+UL1=10V+2V=12V;
(3)根据P=可知当电路中的电阻最小时电路消耗的功率最大;
由于滑片P移到b端时,同时闭合开关S、S1、S2,灯泡与R1并联时总电阻最小,所以此时电路消耗的电功率最大;
由于电源电压U=12V,则灯泡正常工作,PL=P额=9.6W,
由图象可知,当U1=2V,通过电阻R1的电流I1=0.2A,
由I=得:R1===10Ω;
R1的实际功率P1===14.4W;
所以P=P1+PL=14.4W+9.6W=24W。
答:(1)灯泡L正常发光时的电阻RL为15Ω;
(2)电源电压为12V;
(3)三个开关都闭合,滑片置于b端时,电路消耗功率最大;最大功率是24W。
13.如图甲。柱体A与B经细线绕过定滑轮(不计绳重及摩擦)相连,A置于力敏电阻Rx上,力敏电阻其电阻值Rx随压力F的变化关系如表,电源电压恒为6V.逐渐向容器中注水至满,得到了电流表的示数与注水体积之间的关系,如图乙。已知GA=30N,GB=10N,柱形容器底面积为500cm2,高10cm。求:
(1)水深5cm时,水对容器底部的压强;
(2)定值电阻R0的阻值;
(3)若电流表的量程为0~0.6A,电压表的量程为0~3V,在注水过程中,为确保电路安全,求电路消耗的功率范围。
【解答】解:
(1)水深5cm时,水对容器底部的压强:
p=ρ水gh=1.0×103kg/m3×10N/kg×0.05m=500Pa;
(2)由图乙可知,注水的体积为2500cm3前,电路中的电流I=0.3A不变,此前水没有达到B的底面,
因不计绳重及摩擦,且定滑轮只改变力的方向,不改变力的大小,
所以,力敏电阻受到的压力:
F=GA﹣GB=30N﹣10N=20N,
由表格数据可知,此时力敏电阻的阻值Rx=14Ω,
由I=可得,电路中的总电阻:
R===20Ω,
因串联电路中总电阻等于各分电阻之和,
所以,定值电阻R0的阻值:
R0=R﹣Rx=20Ω﹣14Ω=6Ω;
(3)水没有达到B的底面前,力敏电阻的受到的压力最小,其阻值最大,电路中的电流最小,电路的功率最小,
则P小=UI=6V×0.3A=1.8W;
由图乙可知,当容器注满水时注水的体积V水=4000cm3,
此时物体B排开水的体积:
V排=V容﹣V水=S容h′﹣V水=500cm2×10cm﹣4000cm3=1000cm3=1×10﹣3m3,
此时物体B受到的浮力:
F浮=ρ水gV排=1.0×103kg/m3×10N/kg×1×10﹣3m3=10N,
因F浮=GB,
所以,力敏电阻受到的最大压力F′=GA=30N,
由表格数据可知,力敏电阻的阻值Rx′=9Ω,
此时电路中的电流:
I′===0.4A<0.6A,
此时电压表的示数:
U=I′R0=0.4A×6Ω=2.4V<3V,
则电路消耗的最大功率:
P大=UI′=6V×0.4A=2.4W,
所以,电路消耗的功率范围为1.8W~2.4W。
答:(1)水深5cm时,水对容器底部的压强为500Pa;
(2)定值电阻R0的阻值为6Ω;
(3)电路消耗的功率范围为1.8W~2.4W。
14.如图1所示,L上标有“6V 3W”字样,电流表量程为0~0.6A,电压表量程为0~15V,变阻器R的最大电阻为100Ω.只闭合S1,滑片置于a点时,变阻器连入电路中的电阻为Ra,电流表示数为Ia.只闭合S2,移动滑片,变阻器两端电压与其连入电路的电阻关系如图2所示;当滑片置于b点时,电压表示数Ub=8V,电流表示数为Ib.已知Ra:R0=12:5,Ia:Ib=3:5.(灯丝电阻不随温度变化)
求:
(1)小灯泡的电阻;
(2)定值电阻R0和电源电压;
(3)在电表的示数不超过量程,灯泡两端的电压不超过额定值的情况下,只闭合S1时,计算电路消耗的总功率范围?
【解答】解:
(1)由P=可得小灯泡的电阻:
RL===12Ω;
(2)由图可知,只闭合开关S1,滑片置于a点时,L与变阻器R串联,变阻器连入电路中的电阻为Ra,
由串联电路的电阻特点和欧姆定律可得电路中的电流:
Ia==,
由图可知,只闭合开关S2,滑片P置于b点时,R0与变阻器R串联,电压表测变阻器两端电压,电压表示数Ub=8V,由图2可知此时变阻器连入电路中的电阻为R=16Ω,
由欧姆定律可得:Ib=IR===0.5A,
由串联电路的特点和欧姆定律可得电路中的电流:
Ib===0.5A﹣﹣﹣﹣﹣﹣﹣﹣﹣﹣﹣﹣﹣﹣﹣﹣①
由题可知Ia:Ib=3:5,所以Ia=0.3A,
即:=0.3A﹣﹣﹣﹣﹣﹣﹣﹣﹣﹣﹣﹣﹣﹣﹣﹣﹣﹣②
又因为Ra:R0=12:5﹣﹣﹣﹣﹣﹣﹣﹣﹣﹣﹣﹣﹣﹣﹣﹣﹣③
联立①②③解得:U=18V,R0=20Ω;
(3)只闭合开关S1时,L与变阻器R串联,电压表测R两端电压,电流表测电流中的电流,
由P=UI可得灯泡的额定电流:I额===0.5A,
电流表量程0~0.6A,根据串联电路中电流处处相等,
所以电路中最大电流为:I最大=I额=0.5A,
则电路消耗的最大功率:P最大=UI最大=18V×0.5A=9W,
电压表量程0~15V,当电压表示数最大为15V时,此时灯泡两端电压最小,由串联电路电流特点和欧姆定律可得电路中的最小电流:
I最小====0.25A,
则电路消耗的最小功率:P最小=UI最小=18V×0.25A=4.5W,
所以电路消耗的功率范围为:4.5W~9W。
答:(1)小灯泡的电阻为12Ω;
(2)定值电阻R0和电源电压U分别为20Ω和18V;
(3)在电表的示数不超过量程,灯泡两端的电压不超过额定电压的情况下,只闭合开关S1时,电路消耗的功率范围为4.5W~9W。
15.如图甲所示电路,小灯泡上标有“2.5V 1.25W”字样,变阻器R1上标有“10Ω 1A”字样,移动滑片调到灯正常发光,电压表示数为2V,求:
(1)此时电路的总功率。
(2)若电流表采用0~0.6A量程,电压表采用0~3V量程,为保证灯两端电压不超过额定电压以及电路各元件安全的情况下,滑动变阻器在此电路中允许的调节范围(假定灯丝电阻保持不变)。
(3)用另一个定值电阻R2替换小灯泡,并更换电源,移动滑片到某一个位置,电流表和电压表指针位置如图乙所示(可能与之前相比更换了量程但在后续操作中量程不变),当向某个方向移动变阻器的滑片到某位置时,其中一个表指针达到满偏,另一个表指针在刻度盘处。求定值电阻R2的可能值是多少。
【解答】解:(1)由电路图可知,灯泡与滑动变阻器R1串联,电压表测R1两端的电压,电流表测电路中的电流,
因串联电路中总电压等于各分电压之和,且灯正常发光,
所以,电源的电压:
U=UL+U1=2.5V+2V=4.5V,
因串联电路中各处的电流相等,
所以,由P=UI可得,电路中的电流:
I===0.5A,
则此时电路的总功率:
P=UI=4.5V×0.5A=2.25W;
(2)灯泡的电阻:
RL===5Ω,
由题意可知,灯泡正常发光时的电流为0.5A,电流表的量程为0~0.6A,变阻器允许通过的最大电流为1A,
因串联电路中各处的电流相等,
所以,电路中的最大电流I大=0.5A,
此时滑动变阻器接入电路中的电阻最小,
此时电路中的总电阻:
R总===9Ω,
因串联电路中总电阻等于各分电阻之和,
所以,变阻器接入电路中的最小阻值:
R1小=R总﹣RL=9Ω﹣5Ω=4Ω,
当电压表的示数U1大=3V时,电路中的电流最小,滑动变阻器接入电路中的电阻最大,
此时灯泡两端的电压:
UL小=U﹣U1大=4.5V﹣3V=1.5V,
此时电路中的电流:
I小==,即=,
解得:R1大=10Ω,
所以,滑动变阻器在此电路中允许的调节范围为4Ω~10Ω;
(3)因滑动变阻器允许通过的最大电流为1A,
所以,由图乙可知,电流表的量程为0~0.6A,此时电路中的电流I1=0.5A,
若电压表的量程为0~15V其示数为12V,电压表的量程为0~3V其示数为2.4V,
则滑动变阻器接入电路中的电阻:
R1′===24Ω>10Ω,R1′===4.8Ω<10Ω,
所以,电压表的量程为0~3V,示数为2.4V;
①设电流表达到满量程,则电流表示数增大了△I=0.6A﹣0.5A=0.1A,
电压表示数减小了△U=2.4V﹣×3V=0.4V,
因串联电路中总电压等于各分电压之和,
所以,R2两端电压表示数的变化量和电压表示数的变化量相等,
则定值电阻的阻值R2===4Ω;
②设电压表达到满量程,则电压表示数增大了△U=3V﹣2.4V=0.6V,
电流表示数减小了△I=0.5A﹣×0.6A=0.1A,
则定值电阻的阻值R2===6Ω。
答:(1)此时电路的总功率为2.25W;
(2)滑动变阻器在此电路中允许的调节范围为4Ω~10Ω;
(3)定值电阻R2的可能值是4Ω或6Ω。
16.如图甲是某品牌电压力锅,图乙所示是它的简化电路图。R1、R2是定值电阻,闭合开关S1,开关S2与触点b接通,电压力锅处于加热状态,此时电压力锅的功率P1=1100W,通过R1的电流为I1,当锅内的气压达到设定值时,S2自动与触点b断开并与触电a接通,S1仍闭合。电压力锅处于保压状态,此时电压力锅的功率为P2,通过R2的电流为I2.图丙是表示做好某次饭的过程中,电压力锅从加热到保压消耗的电功率与时间的关系。已知I1=5I2.求:
(1)电压力锅处于加热状态时,通过电阻R1的电流。
(2)电压力锅处于保压状态时的功率P2。
(3)做好这次饭总共消耗的电能。
(4)用电高峰期,电路的实际电压为198V,电压力锅做好同样一次饭,处于加热过程实际需要的时间。(不考虑能量损失,结果保留整数)
【解答】解:
(1)闭合开关S1,开关S2与触点b接通时,电路为R1的简单电路,电压力锅处于加热状态,
由P=UI可得,通过电阻R1的电流:
I1===5A;
(2)当锅内的气压达到设定值时,S2自动与触点b断开并与触电a接通,此时电路为R2的简单电路,电压力锅处于保压状态,
由I1=5I2可得,此时电路中的电流:
I2=I1=×5A=1A,
则保压状态时的功率:
P2=UI2=220V×1A=220W;
(3)由图丙可知,加热时间t1=10min=600s,保压时间t2=20min﹣10min=10min=600s,
由P=可得,做好这次饭总共消耗的电能:
W=W1+W2=P1t1+P2t2=1100W×600s+220W×600s=7.92×105J;
(4)不考虑能量损失,做好同样一次饭在加热状态下消耗的电能相等,即W1=W1实,
所以,根据W=t可得:t1=t1实,
解得:t1实=t1=×600s≈741s。
答:(1)电压力锅处于加热状态时,通过电阻R1的电流为5A;
(2)电压力锅处于保压状态时的功率为220W;
(3)做好这次饭总共消耗的电能为7.92×105J;
(4)用电高峰期,电路的实际电压为198V,电压力锅做好同样一次饭,处于加热过程实际需要的时间为741s。
17.为方便学生饮水,某学校在各个教室安装了饮水机。如图是饮水机的电路图,S是一个温控开关,R1为电加热管。当饮水机处于加热状态时,水被迅速加热;达到100℃后,S自动切换到保温状态,A、B是两种不同颜色的指示灯。
(1)若红色表示加热,绿色表示保温,则灯B应为 绿 色。
(2)若饮水机正常工作,加热时电加热管的功率为1100W,保温时电加热管的功率为44W,则电阻R2的阻值为多少?(不考虑温度对阻值的影响,且不计指示灯的阻值)
(3)饮水机的最大容量为1L,装满初温为23℃的水后,发现过了7min后绿灯亮,则这台饮水机的热效率为多少?[c水=4.2×103J/(kg:℃)]
【解答】解:
(1)当开关S接左面时,电路中电阻R1和A灯串联,且指示灯的阻值不计,此时总电阻最小,电流路中电流最大,发热管的功率最大,处于加热状态,因此A灯为红色灯;
当开关S接右面时,电路中电阻R1、R2和B灯串联,指示灯的阻值不计,此时总电阻大,电流路中电流小,发热管的功率最小,处于保温状态,因此B灯为绿色灯。
(2)当开关S与左侧接触时,电路为只有R1的简单电路(指示灯的阻值不计),饮水机处于加热状态,
已知加热时电加热管的功率为P加热=1100W;
由P=可得,R1的阻值:R1===44Ω;
当开关S与右侧接触时,电路中R1与R2串联(指示灯的阻值不计),饮水机处于保温状态,
由题知,保温时电加热管的功率为44W,
由P=可得,此时电加热管两端的电压:U1===44V,
由欧姆定律可得,保温状态下电加热管中的电流:I===1A,
保温状态下,R2两端的电压:U2=U﹣U1=220V﹣44V=176V,
由I=可得,R2的电阻值:R2===176Ω;
(3)水的质量为:m=ρV=1.0×103kg/m3×1×10﹣3m3=1kg;
水吸收热量:Q吸=cm△t=4.2×103J/(kg•℃)×1kg×(100℃﹣23℃)=3.234×105J;
这台饮水机加热时消耗的电能:W=P加热t=1100W×7×60s=4.62×105J;
这台饮水机的热效率:η=×100%=×100%=70%。
故答案为:(1)绿;
(2)则电阻R2的阻值为176Ω;
(3)饮水机的最大容量为1L,装满初温为23℃的水后,发现过了7min后绿灯亮,则这台饮水机的热效率为70%。
18.如图所示,是某种电热饮水机的简化电路示意图。它有加热和保温两种工作状态(由机内温控开关S0自动控制),阅读该饮水机说明书可知:热水箱容积2L,额定电压220V,加热时的功率400W,保温时的功率40W.求:
(1)饮水机处于保温状态时温控开关S0应处于什么状态?
(2)R1和R2的电阻值各是多大?
(3)加热效率为80%,若将装满水箱的水从20℃加热至100℃,需要多长时间?(C水=4.2×103J/(kg•℃),ρ水=1.0×103kg/m3,)
【解答】解:(1)由电路图可知,开关S0断开时两电阻串联,开关S0闭合时电路为R1的简单电路,
因串联电路中总电阻等于各分电阻之和,
所以,开关S0断开时,电路中的总电阻最大,
电源电压U一定,由P=可知,此时电路的总功率最小,饮水机处于保温状态;
同理可知,开关S0闭合时,电路中的总电阻最小,电路的总功率最大,饮水机处于加热状态;
(2)饮水机处于加热状态时,电路为R1的简单电路,
由P=可得,R1的电阻值:
R1===121Ω,
饮水机处于保温状态时,两电阻串联,则电路中的总电阻:
R总===1210Ω,
因串联电路中总电阻等于各分电阻之和,
所以,R2的电阻值:
R2=R总﹣R1=1210Ω﹣121Ω=1089Ω;
(3)装满水箱时水的体积:
V=2L=2dm3=2×10﹣3m3,
由ρ=可得,水箱中水的质量:
m=ρV=1.0×103kg/m3×2×10﹣3m3=2kg,
则水吸收的热量:
Q吸=cm(t﹣t0)=4.2×103J/(kg•℃)×2kg×(100℃﹣20℃)=6.72×105J,
由η=可得,消耗的电能:
W===8.4×105J,
由P=可得,需要的加热时间:
t′===2100s。
答:(1)饮水机处于保温状态时温控开关S0应处于断开状态;
(2)R1和R2的电阻值依次为121Ω、1089Ω;
(3)将装满水箱的水从20℃加热至100℃,需要2100s。
19.如图是家用电热壶及铭牌,假设电热壶电阻丝电阻不变,水的比热容c水=4.2×103J/(kg•℃),水的密度ρ水=1.0×103 kg/m3.求:
(1)电热壶电阻丝的电阻。
(2)不考虑热损失,电热壶正常工作时,把1L水从20℃加热到100℃所需要的时间。
(3)当电压为198V时,电热壶的实际功率。
【解答】解:(1)由电热壶的铭牌可知,额定功率P额=1000W,额定电压U额=220V,
由P=可得,电热壶电阻丝的电阻:
R===48.4Ω;
(2)水的体积V=1L=1×10﹣3m3,
由ρ=可得,水的质量:
m=ρV=1.0×103kg/m3×1×10﹣3m3=1kg;
水吸收的热量:
Q吸=cm(t﹣t0)=4.2×103J/(kg•℃)×1kg×(100℃﹣20℃)=3.36×105J,
因不考虑热损失,所以,电热壶消耗的电能:W=Q吸=3.36×105J,
电热壶正常工作时的功率为1000W,由P=可得,加热时间:
t===336s;
(3)当电压为198V时,电热壶的实际功率:
P实===810W。
答:(1)电热壶电阻丝的电阻为48.4Ω;
(2)不考虑热损失,电热壶正常工作时,把1L水从20℃加热到100℃需要336s;
(3)当电压为198V时,电热壶的实际功率为810W。
20.人造太阳是指像太阳一样通过核聚变,源源不断地产生巨大的能量。2017年7月4日晚中国科学院合肥物质科学研究院等离子物理研究所宣布,如图1,我国的全超导托卡马克核聚变实验装置(俗称“人造太阳”)在全球首次实现了稳定的101.2秒稳态长脉冲高约束模等离子体运行,创造了新的世界纪录,为人类开发利用核聚变清洁能源奠定了重要的技术基础。若人造太阳成为现实,某城市构想将来在高空设置一个人造太阳(近似认为是一个点,其能量以该点为中心向四周传播),在夜晚利用人造太阳为城市提供能量。在地面距人造太阳500m处一用户利用一面积为2m2的接收装置垂直获取能量,为家中某加热器供电,其内部简化电路如图2所示、其正常工作时的功率如表所示。
(1)求R2的阻值;
(2)在实际使用中,该用户接收装置获得能量并转化为电能,在使用高温挡时给某材料加热,材料温度升高4℃加热时间为40s。[设电热丝发热全部被材料吸收,材料的质量m=500g,材料的比热容c=0.66×103J/(kg•℃),已知半径为r的球其表面积为4πr2.不计传播过程中能量损耗,该接收装置能量转换为电能的效率为15%]
①该加热器的实际功率为多大?
②该人造太阳的功率至少为多少?
(3)利用相同面积的接收装置,为了能从人造太阳中获得更多的能量,在安装人造太阳时应该适当的靠近还是远离地球一些?
【解答】解:(1)由图可知,S2、S1都闭合时,电路中只有电阻R1;
只有S2闭合,S1断开时,R1、R2串联,根据串联电阻大于其中任一电阻,
由P=可知,S2、S1都闭合时,功率较大,由表中数据可知,此时功率P2=44W,
则R1===1100Ω;
只有S2闭合,S1断开时,R1、R2串联,由P=可得:R总===2200Ω,
R2=R总﹣R1=2200Ω﹣1100Ω=1100Ω;
(2)①该用户接收装置获得能量并转化为电能,即W=Pt=Q,
即P实t=cm△t,
P实====33W,
②该人造太阳的功率至少为P,工作时间为t,则人造太阳的能量至少为Pt,其能量以该点为中心向四周传播,半径为r的球其表面积为4πr2,故每平方米获能的能量:
,面积为S获得的能量为:
W总=×S﹣﹣﹣①,
故2m2获得的能量:
W总=×2m2。
不计传播过程中能量损耗,该接收装置能量转换为电能的效率为15%,
η==×100%﹣﹣﹣﹣﹣②
将①代入②有:
η=,
该人造太阳的功率至少为:
P===1.1×108πW=3.454×108W;
(3)由①式知,W总=×S,
利用相同面积的接收装置,为了能从人造太阳中获得更多的能量,r要小一些,即在安装人造太阳时应该适当的靠近地球一些靠近。
答:(1)R2的阻值为1100Ω;
(2)①该加热器的实际功率为33W;
②该人造太阳的功率至少为3.454×108W;
(3)利用相同面积的接收装置,为了能从人造太阳中获得更多的能量,在安装人造太阳时应该适当的靠近地球一些。
21.小明研究了家里的智能电热马桶盖(如图甲),设计出如图乙所示的便座加热电路,R1和R2是两个定值电阻(表示两个电热丝),单刀双掷开关S2可接a或b,该电路通过开关S1和S2的不同接法组合,实现“高温挡、中温挡、低温挡”三种加热功能(见表),求
(1)R1和R2的阻值;
(2)求出表中的“P3”;
(3)老年人在冬天坐上冰冷的马桶是很难受的,假设小洋想让马桶圈的温度升5℃,则用“中温挡”加热的方式需要多长时间?(设电热丝发热全部被马桶圈吸收,马桶圈的质量m=300g,马桶圈材料的比热容c=0.44×103J/(kg•℃)
【解答】解:
(1)由表格可知,当开关S1闭合、S2接a时,电路为R1的简单电路,
由P=UI=可得,R1的阻值:
R1===1100Ω,
当开关S1断开、S2接a时,R1和R2串联,此时电路中的总电阻:
R===2200Ω,
因串联电路中总电阻等于各分电阻之和,
所以,R2的阻值:
R2=R﹣R1=2200Ω﹣1100Ω=1100Ω;
(2)由表格数据可知,当开关S1闭合、S2接b时,R1与R2并联,
因并联电路中总电阻的倒数等于各分电阻倒数之和,
所以,此时电路中的总电阻:
R′===550Ω,
则P3的大小:
P3===88W;
(3)马桶圈吸收的热量:
Q吸=cm△t=0.44×103J/(kg•℃)×0.3kg×5℃=660J,
中温挡加热功率P中温=P2=44W,
电热丝发热全部被马桶圈吸收,由P=可得用“中温挡”加热的方式需要的时间:
t====15s。
答:(1)R1和R2的阻值都为1100Ω;
(2)表中的P3=88W;
(3)想让马桶圈的温度升高5℃,用“中温挡”加热的方式需要15s。
22.如图所示是某型号电压力锅工作电路简图,下表是其部分参数。接通电路后,开关S自动与触点a、b接通,1挡加热器开始加热。当锅内混合物质温度达到102℃时,开关S自动与a、b断开,并与触点c接通,2挡加热器工作,此时锅内混合物质温度不变,保持锅内压强不变,进入保压状态。现将质量为2.0kg,初温为36℃的混合物质放入压力锅中,接通电路使其正常工作18min。假设加热器产生的热量全部被混合物质吸收,混合物质的比热容为c=4.0×103J/(kg•℃)。求:
(1)R1、R2的阻值;
(2)电压力锅加热多长时间后开始保压;
(3)电压力锅最后2min内消耗的电能。
【解答】解:(1)由题意可知,开关S自动与a、b断开,并与触点c接通时,电路为R2的简单电路,2挡加热器工作,
开关S与触点a、b接通时,R1与R2并联,1挡加热器开始加热,
因电路中各用电器功率之和等于各用电器功率之和,
所以,R1的电功率P1=P加热2﹣P加热1=550W﹣110W=440W,
因并联电路中各支路两端的电压相等,
所以,由P=UI=可知,两电阻的阻值分别为:
R2===440Ω,R1===110Ω;
(2)当锅内混合物质温度达到102℃时,开始保压,
则混合物质温度升高到102℃时所吸收的热量:
Q吸=cm(t﹣t0)=4.0×103J/(kg•℃)×2kg×(102℃﹣36℃)=5.28×105J,
因加热器产生的热量全部被混合物质吸收,
所以,由W=Q吸=Pt可得,从加热到保压的时间:
t′===960s=16min;
(3)由于电压力锅正常工作时间为18min,所以电压力锅最后2min处于保压状态,
则消耗的电能:W=P加热2t″=110W×2×60s=1.32×104J。
答:(1)R1、R2的阻值依次为110Ω、440Ω;
(2)电压力锅加热16min后开始保压;
(3)电压力锅最后2min内消耗的电能为1.32×104J。
23.浴室中的平面镜往往凝结大量的小水滴,导致成像模糊,而浴室防雾镜的背面粘贴有等大的电热膜,通电后镜面受热,水蒸气无法凝结其上,成像清晰。如图所示是某型号的浴室防雾镜,其相关数据如表:
(1)在某次洗浴中,浴室温度为30℃,正常工作2min使平面镜的平均温度升高到40℃,求电热膜对平面镜的加热效率。[玻璃的比热容为0.8×103J/(kg•℃)]
(2)如图乙所示,小夏给防雾镜电路连接了一个滑动变阻器R,能使电热膜的功率在原功率的25%~100%之间变化,以满足不同季节使用的需要。求滑动变阻器R的最大阻值。
【解答】解:(1)正常工作2min,平面镜吸收的热量:
Q吸=cm△t升=0.8×103J/(kg•℃)×1.2kg×(40℃﹣30℃)=9.6×103J,
求电热膜的加热功率P=P额=1W/dm2×100dm2=100W,
则正常工作2min,电流产生的热量:
Q=W=Pt=100W×2×60s=1.2×104J,
加热效率:
η=×100%=×100%=80%。
(3)当滑动变阻器阻值最大时,P实=25%P额=25%×100W=25W,
根据P=可得电热膜的电阻R0===484Ω,
由P=I2R可得,I===A,
由欧姆定律可得:R总===968Ω,
根据串联电路的总电阻等于各电阻之和可知:R=R总﹣R0=968Ω﹣484Ω=484Ω。
答:(1)求电热膜对平面镜的加热效率为80%。
(3)滑动变阻器R的最大阻值为484Ω。
24.小明给爷爷网购了一台电热足浴器,其铭牌的部分参数如图甲,足浴器某次正常工作时,加热功率为控制面板上发光指示灯所对应的功率,控制面板显示如图乙,求:
(1)足浴器装入最大容量初温为25℃的水,将其加热到控制面板上显示的温度时,水所吸收的热量是多少?[c水=4.2×103J/(kg•℃)]
(2)上述加热过程用时15min,该足浴器的热效率是多少?
(3)整个加热过程中,水温降至40℃时,足浴器自动加热至45℃,水温随时间变化的图像如图丙,当水温第一次加热至45℃时,小芳开始给爷爷足浴30min,求这次足浴给水加热消耗的电能是多少?
(4)小明想了解家里电路的实际电压,于是将家里其他用电器都关闭,他观察到该足浴器在高挡工作时,家里标有“2000r/(kW•h)”的电能表转盘在10min内转了216r,则他家电路的实际电压是多少?
【解答】解:(1)足浴器装入最大容量时水的体积:
V=5L=5dm3=5×10﹣3m3,
由ρ=得,水的质量:
m=ρV=1.0×103kg/m3×5×10﹣3m3=5kg,
由图乙可知,控制面板上显示的温度45℃,
则水所吸收的热量:
Q吸=cm(t﹣t0)=4.2×103J/(kg•℃)×5kg×(45℃﹣25℃)=4.2×105J;
(2)由图乙可知,加热功率为800W,加热时间t′=15min=900s,
由P=得,电热足浴器消耗的电能:
W=Pt′=800W×900s=7.2×105J,
则该足浴器的热效率:
η=×100%=×100%≈58.3%;
(3)由(2)的计算可知,水温从25℃加热到45℃时,温度的变化量△t=20℃,需要加热时间为15min,
则水温从40℃加热到45℃时,温度的变化量△t′=5℃,需要加热时间为t1=×15min=3.75min,
由图丙可知,足浴时一个加热循环的时间为10min+3.75min=13.75min,
足浴30min内加热循环的个数n=≈2.2个,
即30min内2个循环后剩余2.5min,剩余的2.5min不需要加热,需要的加热时间t2=2×3.75min=7.5min,
所以,这次足浴给水加热的总时间t总=t′+t2=15min+7.5min=22.5min=1350s,
这次足浴给水加热消耗的电能:
W′=Pt总=800W×1350s=1.08×106J;
(4)由P=可得,足浴器的电阻:R===60.5Ω,
足浴器在高挡工作时,电能表转盘在10min内转了216r,则足浴器消耗的电能:
W实==0.108kW•h=0.108×3.6×106J=3.888×105J,
实际功率:P实===648W,
由P=可得,电路的实际电压:
U实===198V。
答:(1)水所吸收的热量是4.2×105J;
(2)上述加热过程用时15min,该足浴器的热效率是58.3%;
(3)这次足浴给水加热消耗的电能是1.08×106J;
(4)他家电路的实际电压是198V。压力F/N
0
50
100
150
200
250
300
…
电阻R/Ω
300
270
240
210
180
150
120
…
风级
一级
二级
三级
四级
五级
六级
风速v(m/s)
0.3~1.5
1.6~3.3
3.4~5.4
5.5~7.9
8.0~10.7
10.8~13.8
风压p(帕)
0.055~1.4
1.6~6.8
7.2~18
18.9~39
40~72
72.9~119
电流表示数I与力传感器所受弹力F关系
I/A
9
6
3
2
1
F/N
16
10
4
2
0
F/N
15
20
22
25
28
30
35
Rx/Ω
20
14
13
11
10
9
8
S1
断开
闭合
S2
闭合
闭合
功率
P1=22W
P2=44W
S1
断开
断开
闭合
闭合
S2
接b
接a
接a
接b
功率
Pb=0
P1=22W
P2=44W
P3
额定电压/V
220
1挡加热器额定功率/W
550
2挡加热器额定功率/W
110
保压温度/℃
102
最大容积/dm3
3
面积大小
100dm2
镜子质量
1.2kg
额定电压
220V
额定功率
1W/dm2
相关试卷
这是一份人教版九年级全一册物理《压轴挑战》培优专题训练 专题18 电学作图题压轴培优专题训练(原卷版+解析),共23页。试卷主要包含了设计电路,综合作图,在图所示,要求等内容,欢迎下载使用。
这是一份人教版九年级全一册物理《压轴挑战》培优专题训练 专题16 能内计算压轴培优专题训练(原卷版+解析),共30页。
这是一份人教版九年级全一册物理《压轴挑战》培优专题训练 专题15 电学实验压轴培优专题训练02(原卷版+解析),共60页。试卷主要包含了在测量定值电阻的实验中等内容,欢迎下载使用。

