高中物理人教版 (2019)选择性必修 第一册6 受迫振动 共振学案设计
展开一、振动中的能量损失
如图所示的实验装置为一挂在曲轴上的弹簧振子,用手将振子向下拉动一下释放,观察较长一段时间,你发现振子在振动过程中振幅有什么变化?为什么会出现这种现象?
_______________________________________________________________________________
_______________________________________________________________________________
_______________________________________________________________________________
1.固有振动和固有频率
(1)固有振动:振动系统在________________________的情况下的振动。
(2)固有频率:________振动的频率。
2.阻尼振动
(1)阻尼振动:振动系统受到________作用时,________随时间逐渐减小的振动,其振动图像如图所示。
(2)振动系统能量衰减的两种方式
①振动系统受到________阻力作用,机械能逐渐转化为________。
②振动系统引起邻近介质中各质点的振动,能量向四周辐射出去,从而自身的机械能________。
1.阻尼振动的振幅、周期和频率特点
物体在做阻尼振动的过程中,振幅逐渐减小,但其周期是由振动系统本身决定,与振幅大小无关,振动过程中周期和频率保持不变。
2.阻尼振动的能量特点
物体在做阻尼振动的过程中,总机械能逐渐减小,物体位移大小相等时,势能大小相等,但动能与上一次相比将减小。
例1 (2022·福安市第一中学高二月考)如图是一单摆做阻尼振动的位移—时间图像,比较摆球在M与N对应时刻的物理量,(EpM代表M点重力势能,EpN代表N对应点重力势能)以下说法正确的是( )
A.速率vM=vN
B.受到的拉力FM>FN
C.重力势能EpM>EpN
D.机械能EM
在一中,匀速转动手柄从而给弹簧上端一个周期性的上、下外力,几次改变手柄的转速,观察不同转速下振子的振动情况有什么特点?
_______________________________________________________________________________
_______________________________________________________________________________
_______________________________________________________________________________
1.驱动力
作用于振动系统的____________的外力。
2.受迫振动
(1)定义:系统在__________作用下的振动。
(2)受迫振动的频率(周期)
物体做受迫振动达到稳定后,其振动频率总等于______的频率,与物体的固有频率______。
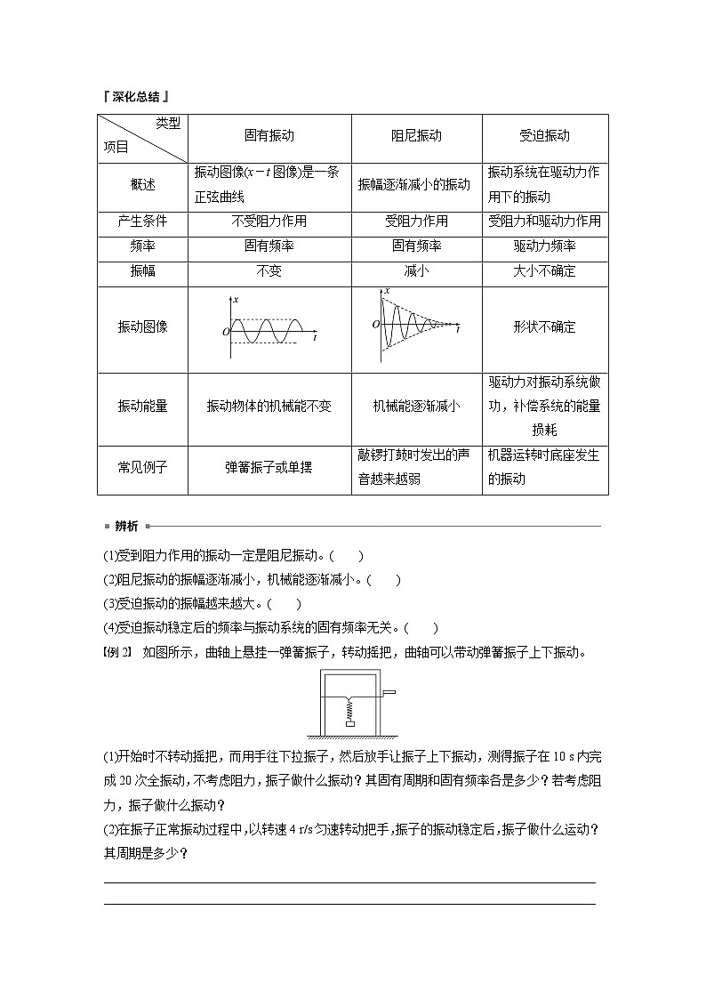
(1)受到阻力作用的振动一定是阻尼振动。( )
(2)阻尼振动的振幅逐渐减小,机械能逐渐减小。( )
(3)受迫振动的振幅越来越大。( )
(4)受迫振动稳定后的频率与振动系统的固有频率无关。( )
例2 如图所示,曲轴上悬挂一弹簧振子,转动摇把,曲轴可以带动弹簧振子上下振动。
(1)开始时不转动摇把,而用手往下拉振子,然后放手让振子上下振动,测得振子在10 s内完成20次全振动,不考虑阻力,振子做什么振动?其固有周期和固有频率各是多少?若考虑阻力,振子做什么振动?
(2)在振子正常振动过程中,以转速4 r/s匀速转动把手,振子的振动稳定后,振子做什么运动?其周期是多少?
_______________________________________________________________________________
_______________________________________________________________________________
三、共振现象及其应用
1.定义
驱动力的频率f________物体的固有频率f0时,物体做受迫振动的振幅达到____________,这种现象称为共振。
2.共振曲线(如图所示)
洗衣机在衣服脱水完毕关闭电源后,脱水桶还要转动一会才能停下来。在关闭电源后,发现洗衣机先振动得比较弱,有一阵子振动得很剧烈,然后振动慢慢减弱直至停下来。
(1)开始时,洗衣机为什么振动比较弱?
(2)期间剧烈振动的原因是什么?
_______________________________________________________________________________
_______________________________________________________________________________
_______________________________________________________________________________
_______________________________________________________________________________
1.共振的条件:驱动力的频率与系统的固有频率相等,即f驱=f固。
2.共振曲线
如图所示,共振曲线的横坐标为驱动力的频率,纵坐标为受迫振动的振幅。
f=f0时发生共振;f>f0或f
(1)利用:要利用共振,就应尽量使驱动力的频率与物体的固有频率一致。如共振筛、共振转速计等。
(2)防止:在需要防止共振危害时,要尽量使驱动力的频率和固有频率不相等,而且相差越多越好。如:部队行军过桥时应便步走。
特别说明:共振是物体做受迫振动时的一种特殊现象。
(1)驱动力频率越大,受迫振动的振幅越大。( )
(2)做受迫振动的物体一定会发生共振。( )
例3 (多选)(2022·长沙市高二期末)如图所示,A、B、C、D四个单摆的摆长分别为L、2L、L、eq \f(L,2),摆球的质量分别为2m、2m、m、eq \f(m,2),四个单摆静止地悬挂在一根水平细线上。现让A球振动起来,通过水平细线迫使B、C、D也振动起来,则下列说法正确的( )
A.B、C、D中B的摆长最长,振幅最大
B.B、C、D中C的振幅最大
C.B、C、D中因D的质量最小,故其振幅是最大的
D.A、B、C、D四个单摆的周期均相同
例4 (多选)一个弹簧振子做受迫振动,它的振幅A与驱动力频率f之间的关系如图所示。由图可知( )
A.驱动力频率为f2时,振子处于共振状态
B.驱动力频率为f3时,受迫振动的振幅比共振小,但振子振动的频率仍为f2
C.如果振子做自由振动,它的频率为f2
D.振子可以做频率为f1的等幅振动
例5 (多选)(2023·长春二中月考)铺设铁轨时,每两根钢轨接缝处都必须留有一定的间隙,匀速运行的列车经过轨端接缝处时,车轮就会受到一次冲击。由于每一根钢轨长度相等,所以这个冲击力是周期性的,列车受到周期性的冲击做受迫振动。普通钢轨长为12.6 m,列车的固有周期为0.315 s。下列说法正确的是( )
A.列车的危险速率为40 m/s
B.列车过桥需要减速,是为了防止列车发生共振现象
C.列车运行的振动频率和列车的固有频率总是相等的
D.增加钢轨的长度有利于列车高速运行 类型
项目
固有振动
阻尼振动
受迫振动
概述
振动图像(x-t图像)是一条正弦曲线
振幅逐渐减小的振动
振动系统在驱动力作用下的振动
产生条件
不受阻力作用
受阻力作用
受阻力和驱动力作用
频率
固有频率
固有频率
驱动力频率
振幅
不变
减小
大小不确定
振动图像
形状不确定
振动能量
振动物体的机械能不变
机械能逐渐减小
驱动力对振动系统做功,补偿系统的能量损耗
常见例子
弹簧振子或单摆
敲锣打鼓时发出的声音越来越弱
机器运转时底座发生的振动
高中物理人教版 (2019)选择性必修 第一册6 受迫振动 共振学案设计: 这是一份高中物理人教版 (2019)选择性必修 第一册6 受迫振动 共振学案设计,共12页。
高中物理人教版 (2019)选择性必修 第一册6 受迫振动 共振导学案及答案: 这是一份高中物理人教版 (2019)选择性必修 第一册6 受迫振动 共振导学案及答案,共14页。
高中物理人教版 (2019)选择性必修 第一册6 受迫振动 共振导学案: 这是一份高中物理人教版 (2019)选择性必修 第一册6 受迫振动 共振导学案,共8页。学案主要包含了课前自主学习等内容,欢迎下载使用。

