所属成套资源:统考版2024高考化学二轮专题复习资料多份(附解析)
统考版2024高考化学二轮专题复习题型分组训练7电化学原理应用__化学电源与电解技术(附解析)
展开这是一份统考版2024高考化学二轮专题复习题型分组训练7电化学原理应用__化学电源与电解技术(附解析),共8页。试卷主要包含了用石墨电极完成下列电解实验等内容,欢迎下载使用。
1.用石墨电极完成下列电解实验。
下列对实验现象的解释或推测不合理的是( )
A.a、d处:2H2O+2e-===H2↑+2OH-
B.b处:2Cl--2e-===Cl2↑
C.c处发生了反应:Fe-2e-===Fe2+
D.根据实验一的原理,实验二中m处能析出铜
2.根据光合作用原理,设计如图原电池装置。下列说法正确的是( )
A.a电极为原电池的正极
B.外电路电流方向是a→b
C.b电极的电极反应式为:O2+2e-+2H+===H2O2
D.a电极上每生成1mlO2,通过质子交换膜的H+为2ml
3.甲醇燃料电池是目前应用比较广泛的一种燃料电池,其工作原理如图所示:
下列说法正确的是( )
A.N为正极,发生氧化反应
B.a气体为氧气,b气体为甲醇
C.甲池溶液pH增大,乙池溶液pH减小
D.若有1mlCO2生成,则有6mlH+从甲池透过交换膜进入乙池
4.利用微生物可将废水中苯酚的化学能直接转化为电能,装置如图所示。电池工作时,下列说法正确的是( )
A.a极为正极,发生氧化反应
B.b极的电极反应式为:2NO eq \\al(\s\up1(-),\s\d1(3)) +12H+-10e-===N2↑+6H2O
C.中间室的Cl-向左室移动
D.左室消耗苯酚(C6H5OH)9.4g时,用电器流过2.4ml电子
5.工业上联合生产硫酸和烧碱溶液的装置如图所示,其中阴极和阳极均为惰性电极。测得同温同压下,气体甲与气体乙的体积比约为1∶2,下列有关说法正确的是( )
A.a电极的电极反应式为:2H++2e-===H2↑
B.产物丙为硫酸
C.离子交换膜d为阴离子交换膜
D.每转移0.1ml电子,产生1.12L的气体乙
6.为了强化安全管理,某油库引进一台空气中汽油含量的测量仪,其工作原理如图所示(用强酸性溶液作电解质溶液)。下列说法不正确的是( )
A.石墨电极作正极,发生还原反应
B.铂电极的电极反应式:C8H18+16H2O-50e-===8CO2↑+50H+
C.H+由质子交换膜左侧向右侧迁移
D.每消耗5.6LO2,电路中通过1ml电子
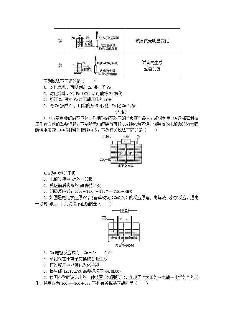
7.验证牺牲阳极的阴极保护法,实验如下(烧杯内均为经过酸化的3%NaCl溶液)。
下列说法不正确的是( )
A.对比②③,可以判定Zn保护了Fe
B.对比①②,K3[Fe(CN)6]可能将Fe氧化
C.验证Zn保护Fe时不能用①的方法
D.将Zn换成Cu,用①的方法可判断Fe比Cu活泼
(B组)
1.CO2是重要的温室气体,对地球温室效应的“贡献”最大,如何利用CO2是摆在科技工作者面前的重要课题。下图所示电解装置可将CO2转化为乙烯,该装置的电解质溶液为强酸性水溶液,电极材料为惰性电极。下列有关说法正确的是( )
A.a为电池的正极
B.电解过程中H+移向阳极
C.反应前后溶液的pH保持不变
D.阴极反应式:2CO2+12H++12e-===C2H4+4H2O
2.如图是电化学还原CO2制备草酸铜(CuC2O4)的反应原理,电解液不参加反应,通电一段时间后,下列说法不正确的是( )
A.Cu电极反应式为:Cu-2e-===Cu2+
B.草酸铜在阳离子交换膜右侧生成
C.该过程是电能转化为化学能
D.每生成1mlCuC2O4需要标况下44.8LCO2
3.我国科学家设计出的一种装置(如图所示),实现了“太阳能→电能→化学能”的转化,总反应为2CO2===2CO+O2。下列有关说法正确的是( )
A.该装置属于原电池
B.人体呼出的水蒸气参与Y极反应:CO2+H2O+2e-===CO+2OH-
C.反应完毕,该太阳能装置中的电解质溶液碱性增强
D.X极电极反应式为O2+2H2O+4e-===4OH-
4.熔融钠—硫电池性能优良,是具有应用前景的储能电池。如图中的电池反应为2Na+xSeq \(,\s\up7(放电),\s\d5(充电))Na2Sx(x=5~3,难溶于熔融硫)。下列说法错误的是( )
A.Na2S4的电子式为Na+[:eq \(S,\s\up4(··),\s\d4(··)):eq \(S,\s\up4(··),\s\d4(··)):eq \(S,\s\up4(··),\s\d4(··)):eq \(S,\s\up4(··),\s\d4(··)):]2-Na+
B.放电时正极反应为xS+2Na++2e-===Na2Sx
C.Na和Na2Sx分别为电池的负极和正极
D.该电池是以NaβAl2O3为隔膜的二次电池
5.我国对“可呼吸”的钠—二氧化碳电池的研究取得突破性进展。该电池的总反应式为:
4Na+3CO2eq \(,\s\up7(放电),\s\d5(充电))2Na2CO3+C,其工作原理如图所示(放电时产生的Na2CO3固体储存于碳纳米管中)。下列说法不正确的是( )
A.放电时,钠金属片作负极,碳纳米管作正极
B.充电时,阳极反应为:2Na2CO3+C-4e-===3CO2↑+4Na+
C.放电时,Na+从负极区向正极区移动
D.该电池的电解质溶液也可使用NaClO4的水溶液
6.电解合成1,2二氯乙烷的实验装置如图所示。下列说法中正确的是( )
A.该装置工作时,化学能转变为电能
B.CuCl2能将C2H4还原为1,2二氯乙烷
C.X、Y依次为阳离子交换膜、阴离子交换膜
D.该装置总反应为CH2===CH2+2H2O+2NaCleq \(=====,\s\up7(电解))H2+2NaOH+ClCH2CH2Cl
7.一种钌(Ru)配合物光敏太阳能电池的工作原理及电池中发生的反应如下图所示:
下列说法正确的是( )
A.电极X为电池的正极
B.电池工作时,电能转变为光能
C.电池工作时,电极Y上发生还原反应
D.电池的电解质溶液中I-和I eq \\al(\s\up1(-),\s\d1(3)) 的浓度不断减小
8.2019年2月27日至3月1日,第十届日本国际二次电池展在日本东京举行,各种新型二次电池在东京有明展览中心展出,其中以Fe[Fe(CN)6]为代表的新型可充电钠离子电池,格外引人注意,其放电工作原理如图所示。下列说法错误的是( )
A.放电时,正极反应式为Fe[Fe(CN)6]+2Na++2e-===Na2Fe[Fe(CN)6]
B.充电时,M箔接电源的负极
C.充电时,Na+通过离子交换膜从左室移向右室
D.外电路中通过0.2ml电子时,负极质量变化为2.4g
题型分组训练7 电化学原理应用——化学电源与电解技术
(A组)
1.解析:根据a、d处试纸变蓝,可判断a、d两点都为电解池的阴极,发生的电极反应为2H2O+2e-===H2↑+2OH-,A选项正确;b处变红说明有H+生成,即水中的OH-放电生成O2和H2O,局部褪色,说明Cl-放电生成Cl2,氯气溶于水生成盐酸和次氯酸:Cl2+H2O⇌HCl+HClO,HCl溶液显酸性,HClO具有漂白性,B选项不正确;c处为阳极,铁失去电子生成亚铁离子,发生的电极反应为Fe-2e-===Fe2+,C选项正确;实验一中ac形成电解池,db形成电解池,所以实验二中也形成电解池,铜珠的左端为电解池的阳极,铜失电子生成铜离子,m、n是铜珠的右端,为电解池的阴极,开始时产生气体,后来铜离子得到电子生成单质铜,故D选项正确。
答案:B
2.解析:根据图示可知,a电极上H2O转化为H+和O2,发生氧化反应,则a电极为原电池的负极,A项错误;a电极为负极,b电极为正极,外电路电流方向应从正极到负极,即b→a,B项错误;根据图示可知,b电极上O2得电子转化为H2O2,电极反应式为:O2+2e-+2H+===H2O2,C项正确;a电极上每生成1mlO2,转移4ml电子,则通过质子交换膜的H+为4ml,D项错误。
答案:C
3.解析:燃料电池工作时,燃料发生氧化反应,失去电子,故M电极为负极,a气体为甲醇,电极反应式为:CH3OH+H2O-6e-===CO2↑+6H+,甲醇在负极被氧化生成CO2。有1mlCO2生成,则有6mlH+生成,甲池溶液pH减小。N电极为正极,在其表面发生还原反应;电池中,阳离子从负极移向正极,H+从甲池通过交换膜进入乙池。故D选项正确,A、B、C选项错误。
答案:D
4.解析:由题图可知,在b极上NO eq \\al(\s\up1(-),\s\d1(3)) 转化为N2,发生得电子的还原反应,故b极为正极,a极为负极,A项错误;b极的电极反应式为2NO eq \\al(\s\up1(-),\s\d1(3)) +12H++10e-===N2↑+6H2O,B项错误;原电池中阴离子向负极移动,故C项正确;左室消耗苯酚的电极反应式为C6H5OH-28e-+11H2O===6CO2↑+28H+,9.4g苯酚的物质的量为0.1ml,故用电器应流过2.8ml电子,D项错误。
答案:C
5.解析:根据题图并结合题意,同温同压下,气体甲与气体乙的体积比约为1∶2,知甲为O2,乙为H2,则a电极上OH-放电,产生氧气,电极反应式为:2H2O-4e-===4H++O2↑,A项错误;a电极为阳极,阳极上OH-放电,SO eq \\al(\s\up1(2-),\s\d1(4)) 向阳极移动,因此产物丙为硫酸,B项正确;b电极为阴极,阴极上H+放电,Na+向阴极移动,则d为阳离子交换膜,C项错误;根据b电极的电极反应:2H2O+2e-===H2↑+2OH-,知每转移0.1ml电子,产生标准状况下1.12L气体乙(H2),未注明状态,D项错误。
答案:B
6.解析:由图像知,石墨电极通入O2,发生还原反应O2+4e-+4H+===2H2O,A项不符合题意。铂电极上发生氧化反应,电极反应式为C8H18+16H2O-50e-===8CO2↑+50H+,B项不符合题意。在原电池中,阳离子向正极迁移,阴离子向负极迁移,C项不符合题意。由于没有指明反应温度和压强,不能通过体积计算O2的物质的量,也就无法确定转移电子的物质的量,D项符合题意。
答案:D
7.解析:②中Zn作负极,发生氧化反应生成Zn2+,Fe作正极被保护,所以取出的少量Fe附近的溶液中滴入铁氰化钾溶液,试管内无明显变化。但③中没有Zn保护Fe,Fe在酸性环境中发生析氢腐蚀,Fe作负极被氧化生成Fe2+,所以取出的少量Fe附近的溶液中滴入铁氰化钾溶液,生成蓝色沉淀,对比②③可知Zn保护了Fe,A项正确;①与②的区别在于:前者是将铁氰化钾溶液直接滴入烧杯中,而后者是在取出的少量Fe附近的溶液中滴加铁氰化钾溶液,①中出现了蓝色沉淀,说明有Fe2+生成。对比分析可知,可能是铁氰化钾氧化Fe生成了Fe2+,B项正确;通过上述分析可知,验证Zn保护Fe时不能用①的方法,C项正确;若将Zn换成Cu,铁氰化钾仍会将Fe氧化为Fe2+,在铁的表面同样会生成蓝色沉淀,所以无法判断Fe2+是不是负极产物,即无法判断Fe与Cu的活泼性,D项错误。
答案:D
(B组)
1.解析:二氧化碳得电子生成乙烯,为阴极反应,所以a为电池的负极,A错误;电解过程中H+移向阴极,B错误;阴极二氧化碳得电子生成乙烯,阳极氢氧根失电子放出氧气,总反应为2CO2+2H2O===C2H4+3O2,消耗水,H+浓度增大,pH减小,C错误;D正确。
答案:D
2.解析:Cu2+在阳极生成,通过阳离子交换膜移向阴极(左侧),草酸铜在阳离子交换膜左侧生成,B错误。
答案:B
3.解析:该装置实现了太阳能→电能→化学能的转化,而将电能转化为化学能属于电解池,A项错误;由图可知Y极发生的是得电子的反应,人体呼出的气体中含有CO2和H2O,B项正确;由得失电子守恒原理知,X极消耗的OH-总量等于Y极生成的OH-总量,即电解质溶液的碱性没有改变,C项错误;从电子的流向看,X电极失去电子,故X电极是负极,电极反应式为4OH--4e-===2H2O+O2↑,D项错误。
答案:B
4.解析:本题考查电化学知识,考查的化学学科核心素养是证据推理与模型认知。Na2S4中S eq \\al(\s\up1(2-),\s\d1(4)) 中硫原子间以非极性键结合,每个硫原子最外层均达到8电子稳定结构,A项正确;放电时正极上S发生还原反应,正极反应为xS+2Na++2e-===Na2Sx,B项正确;熔融钠为负极,熔融硫(含碳粉)为正极,C项错误;由图可知,D项正确。
答案:C
5.解析:放电时为原电池反应,钠金属片失去电子作负极,碳纳米管上得电子作正极,故A正确;充电时,阳极失去电子发生氧化反应,反应为C+2Na2CO3-4e-===3CO2↑+4Na+,故B正确;放电时,阳离子向正极移动,则Na+从负极区向正极区移动,故C正确;钠与水反应,不能用水溶液代替TEGDME作溶剂,故D错误。
答案:D
6.解析:该装置为电解池,则工作时,电能转变为化学能,故A项错误;C2H4中C元素化合价为-2价,ClCH2CH2Cl中C元素化合价为-1价,则CuCl2能将C2H4氧化为1,2二氯乙烷,故B项错误;该电解池中,阳极发生的电极反应式为:CuCl-e-+Cl-===CuCl2,阳极区需要氯离子参与,则X为阴离子交换膜,而阴极区发生的电极反应式为:2H2O+2e-===H2↑+2OH-,有阴离子生成,为保持电中性,需要电解质溶液中的钠离子,则Y为阳离子交换膜,故C项错误;该装置中阳极首先发生反应:CuCl-e-+Cl-===CuCl2,生成的CuCl2再继续与C2H4反应生成1,2二氯乙烷和CuCl,在阳极区循环利用,而阴极水中的氢离子放电生成氢气,其总反应方程式为:CH2===CH2+2H2O+2NaCleq \(=====,\s\up7(电解))H2+2NaOH+ClCH2CH2Cl,故D项正确。
答案:D
7.解析:电子由负极流向正极,故X为电池的负极,A项错误;电池工作时,光能转变为电能,B项错误;电极Y为正极,发生还原反应,C项正确;通过信息③、④可知,电池的电解质溶液中I-和I eq \\al(\s\up1(-),\s\d1(3)) 的浓度不变,D项错误。
答案:C
8.解析:根据原电池工作原理,Mg箔作负极,M箔作正极,正极反应式为Fe[Fe(CN)6]+2Na++2e-===Na2Fe[Fe(CN)6],故A说法正确;充电时,电解池的阴极(原电池的负极)接电源的负极,电解池的阳极(原电池的正极)接电源的正极,即M箔接电源的正极,故B说法错误;充电时,阳离子移向阴极,Na+应从左室移向右室,故C说法正确;负极上的电极反应式是2Mg-4e-+2Cl-===[Mg2Cl2]2+,外电路中通过0.2ml电子时,消耗0.1mlMg,质量减少2.4g,故D说法正确。
答案:B
实验一
实验二
装置
现象
a、d处试纸变蓝;b处变红,局部褪色;c处无明显变化
两个石墨电极附近有气泡产生;n处有气泡产生……
①
在Fe表面生
成蓝色沉淀
②
试管内无明显变化
③
试管内生成
蓝色沉淀
相关试卷
这是一份统考版2024高考化学二轮专题复习第一部分高考选择题专项突破题型7电化学原理应用__化学电源与电解技术教师用书,共19页。试卷主要包含了充电电池等内容,欢迎下载使用。
这是一份统考版2024高考化学二轮专题复习题型分组训练8平衡原理在电解质溶液中的应用(附解析),共8页。试卷主要包含了下列叙述正确的是,NaOH溶液滴定邻苯二甲酸氢钾,两种不同温度,亚砷酸等内容,欢迎下载使用。
这是一份统考版2024高考化学二轮专题复习题型分组训练10化学反应原理综合应用题(附解析),共14页。

