


16.4气体(解析版)--2024高考一轮复习100考点100讲—高中物理
展开第16.4讲 气体
【知识点精讲】
1.气体的分子动理论
(1)气体分子间的作用力:气体分子之间的距离远大于分子直径,气体分子之间的作用力十分微弱,可以忽略不计,通常认为,气体分子除了相互碰撞或者跟器壁碰撞外,不受力而做匀速直线运动,气体充满它能达到的整个空间。
(2)气体分子的速率分布:表现出“中间多,两头少”的统计分布规律。
(3)气体分子的运动方向:气体分子的运动是杂乱无章的,但向各个方向运动的机会均等。
(4)气体分子的运动与温度的关系:温度一定时,某种气体分子的速率分布是确定的,速率的平均值也是确定的,温度升高,气体分子的平均速率增大,但不是每个分子的速率都增大。
2. 估算气体分子间的距离
气体分子间的间隙不能忽略,设想气体分子均匀分布,且每个气体分子平均占有的空间为一个小立方体,气体分子间的距离就等于小立方体的边长,如图所示。每个气体分子平均占有的空间体积V0'=VmlNA=MρNA ,分子间的距离d=3V0'。
3. 气体压强
(1)气体压强的微观解释更多课件 教案 视频 等优质滋源请 家 威杏 MXSJ663 对于单个分子来说,这种撞击是间断的、不均匀的,但是对于大量分子总的作用来说,就表现为连续和均匀的了。器壁单位面积上受到的压力,就是气体的压强③。
(2).气体压强的产生原因:大量气体分子对器壁的碰撞。
(3)决定气体压强的因素:
微观上决定于分子的平均速率和分子的数密度;宏观上决定于气体的温度T和体积V。
4.理想气体
(1)宏观上讲,理想气体是指在任何温度、任何压强下都遵从气体实验定律的气体,实际气体在压强不太大、温度不太低的条件下,可视为理想气体。
(2)微观上讲,理想气体的分子间除碰撞外无其他作用力,所以理想气体无分子势能。 eq \a\vs4\al([注4]) [注4] 理想气体是理想化的物理模型,一定质量的理想气体,其内能只与气体温度有关,与气体体积无关。
5.气体实验定律
6.理想气体的状态方程
一定质量的理想气体的状态方程: eq \f(p1V1,T1) = eq \f(p2V2,T2) 或 eq \f(pV,T) =C。
【方法归纳】
.气体压强的求解方法
(1)平衡状态下气体压强的求法
(2)加速运动系统中封闭气体压强的求法
恰当地选取与气体接触的液柱(或活塞)为研究对象,进行受力分析,然后依据牛顿第二定律列式求封闭气体的压强,把压强问题转化为力学问题求解。
2.典例分析
【最新高考题精练】
1. (2023高考全国乙卷) 对于一定量的理想气体,经过下列过程,其初始状态的内能与末状态的内能可能相等的是( )
A. 等温增压后再等温膨胀
B 等压膨胀后再等温压缩
C. 等容减压后再等压膨胀
D. 等容增压后再等压压缩
E. 等容增压后再等温膨胀
【参考答案】ACD
【命题意图】本题考查气体内能及其相关知识点。
【解题思路】根据理想气体内能只与温度有关可知,初末状态的内能相等,即初末温度相等。选项A等温增压后再等温膨胀,温度不变,初末状态的内能相等,A正确;选项B等压膨胀温度必升高,B错误;选项C等容减压过程温度降低,再等压膨胀,温度升高,有可能初末温度相等,C正确;等容增压过程温度升高,再等压压缩温度降低,有可能初末温度相等,D正确;等容增压过程温度升高,再等温膨胀,末状态温度一定高于初状态,初末状态的内能不相等,E错误。
2 (2023学业水平等级考试上海卷)一个绝热密闭容器,装有一定质量的气体。容器以一定速度平移时,突然施加外力使其停止,容器中的气体温度 ,气体分子碰撞容器壁的剧烈程度 (选填:“变大”、“变小”或“不变”)
【参考答案】不变 不变
【名师解析】由于气体温度只与分子平均动能有关,与机械运动无关,所以容器以一定速度平移时,突然施加外力使其停止,容器中的气体温度不变。由于气体的压强不变,根据压强的微观含义可知。气体分子碰撞容器壁的剧烈程度不变。
2. (2022高考上海)将一个乒乓球浸没在水中,当水温升高时,球内气体( )
A、分子热运动平均动能变小,压强变小
B、分子热运动平均动能变小,压强变大
C、分子热运动平均动能增大,压强变小
D、分子热运动平均动能增大,压强变大
【参考答案】D
【命题意图】本题考查温度的微观含义+气体压强的微观含义+查理定律+模型思想
【名师解析】当水温升高时,乒乓球内的气体温度升高,气体分子平均动能增大,分子对器壁的撞击作用变大,气体压强变大,选项D正确。
【一题多解】当水温升高时,乒乓球内的气体温度升高,气体分子平均动能增大;对乒乓球内气体,体积不变,由查理定律可知温度升高,压强变大。
3. (2022高考上海)在描述气体状态的参量中, 是气体分子空间所能够达到的范围。压强从微观角度来说,是 的宏观体现。
【参考答案】体积 单位面积上气体分子平均撞击力
【命题意图】本题考查压强的微观含义+模型思维
【名师解析】在描述气体状态的参量中,气体的体积是指气体分子所能够达到的空间范围。根据气体压强的微观含义,气体压强是指单位面积上气体分子平均撞击力的宏观体现。
4. (2022山东物理)如图所示,内壁光滑的绝热气缸内用绝热活塞封闭一定质量的理想气体,初始时气缸开口向上放置,活塞处于静止状态,将气缸缓慢转动过程中,缸内气体( )
A. 内能增加,外界对气体做正功
B. 内能减小,所有分子热运动速率都减小
C. 温度降低,速率大的分子数占总分子数比例减少
D. 温度升高,速率大的分子数占总分子数比例增加
【参考答案】C
【命题意图】本题考查热学相关知识点。
【名师解析】初始时气缸开口向上,活塞处于平衡状态,气缸内外气体对活塞的压力差与活塞的重力平衡,则有
气缸在缓慢转动的过程中,气缸内外气体对活塞的压力差大于重力沿气缸壁的分力,故气缸内气体缓慢的将活塞往外推,最后气缸水平,缸内气压等于大气压。
气缸、活塞都是绝热的,故缸内气体与外界没有发生热传递,气缸内气体压强作用将活塞往外推,气体对外做功,根据热力学第一定律得:气体内能减小,故缸内理想气体的温度降低,分子热运动的平均速率减小,并不是所有分子热运动的速率都减小,AB错误;气体内能减小,缸内理想气体的温度降低,分子热运动的平均速率减小,故速率大的分子数占总分子数的比例减小,C正确,D错误。
5. (2022新高考江苏卷)自主学习活动中,同学们对密闭容器中的氢气性质进行讨论,下列说法中正确的是( )
A. 体积增大时,氢气分子的密集程度保持不变
B. 压强增大是因为氢气分子之间斥力增大
C. 因为氢气分子很小,所以氢气在任何情况下均可看成理想气体
D. 温度变化时,氢气分子速率分布中各速率区间的分子数占总分子数的百分比会变化
【参考答案】D
【命题意图】本题考查气体及其相关知识点。
【解题思路】密闭容器中的氢气质量不变,分子个数N不变,根据,可知当体积V增大时,单位体积的个数n变小,分子的密集程度变小,选项A错误;气体压强产生的原因是大量气体分子对容器壁的持续的、无规则撞击产生的;压强增大并不是因为分子间斥力增大,选项B错误;普通气体在温度不太低,压强不太大的情况下才能看作理想气体,对于氢气,虽然氢气分子很小,但是在压强很大、温度很低的情况下,也不能看成理想气体,选项C错误;温度是气体分子平均动能的标志,大量气体分子的速率呈现“中间多,两边少”的规律,温度变化时,大量分子的平均速率会变化,即分子速率分布中各速率区间的分子数占总分子数的百分比会变化,选项D正确。
【最新模拟题精练】
1. (2023重庆沙家坝重点中学质检)使用胶头滴管时,插入水中,捏尾部的橡胶头,使其体积减小,排出一定空气后稳定状态如图所示。然后松手,橡胶头体积增大V1,有体积V2的水进入了滴管。忽略温度的变化,根据图中h1和h2的高度关系,有( )
A. V1>V2B. V1
【名师解析】
捏尾部的橡胶头,使其体积减小,排出一定空气后,管内气体的压强为
水进入了滴管后的压强为
根据玻意尔定律
可得后来气体体积大于初始体积即
所以
V1>V2
故A正确,BCD错误。
2.(9分)(2023湖南长沙质检)某学校举行校庆,准备放飞气球渲染气氛。当天上午10点,学校地表附近的气温为,大气压强为,此时气球体积为。气球内充的氦气可视为理想气体,气球内外气压差很小,可以忽略。
(1)正午时地表附近气温达到,大气压仍为,此时气球的体积多大?
(2)已知在距地面高处的大气压强为,若气球升到高处时体积变为,则此时高处的气温为多少?
【参考答案】(1);(2)(或)
【名师解析】(1)由题意可知此过程为等压变化过程,由盖-吕萨克定律知
且解得
(2)由理想气体状态方程
解得:
3.(9分)(2023浙江宁波一模)肺活量是指在标准大气压下,人一次尽力吸气后,再尽力呼出的气体体积。某同学用“吹气球法”粗测自己的肺活量。如图所示,该同学尽力吸气后,通过一个粗细均匀的管子,将全部气体吹入气球内并封住出气口(吹气前气球内部的空气可忽略不计)。若吹气后气球可看作半径r=10cm的球形,球内气体的压强p=1.1atm,环境温度。(取,,)
(1)求该同学的肺活量;
(2)估算该同学吹气球过程中吹气所做的功;
(3)已知在标准状态下(,),1ml空气的体积,求该同学一口气吹出的空气分子数。(计算结果保留两位有效数字)
【名师解析】.(9分)
(1)由题可知,对吹出的一定的气体根据玻意耳定律得
由题意知,p=1.1atm代入得该同学的肺活量为
(2)人吹气时,把体内的气体压到气球中,根据功的定义可得
其中,吹气结束时气球内的压强大小为1.1atm,作为估算,压强p取均可。则代入数据可得:范围内均可
(3),
摩尔体积
空气分子数
4. (2022湖北武汉武昌5月质检)如图甲,气压式升降椅内的气缸填充了气体,气缸上下运动来支配椅子升降。图乙为其简易结构示意图,圆柱形气缸与椅面固定连接,这部分的总质量为m=3kg。横截面积为S=30cm2的柱状气动杆与底座固定连接。可自由移动的气缸与气动杆之间封闭一定质量的理想气体,稳定后测得封闭气体柱长度为L=30cm。设气缸气密性、导热性能良好,忽略摩擦力。已知大气压强p0=1.0×105Pa、室内温度T0=300K、重力加速度g=10m/s2求:
(1)在室内气温缓慢降至T1=270K的过程中,外界对缸内气体所做的功;
(2)若室内温度保持T0=300K不变,质量M=27kg的小朋友盘坐在椅面上,稳定后缸内气体柱长度。
【参考答案】(1)9.9J;(2)16.5cm
【名师解析】
(1)初始状态时,以圆柱形气缸与椅面整体为研究对象,设气缸内气压为,根据平衡条件得
设室内气温缓慢降至T1=270K时,气柱长度为,根据盖吕萨克定律
解得
外界对缸内气体所做的功为
解得
(2)质量M=27kg的小朋友盘坐在椅面上,稳定后,根据平衡条件得
稳定后缸内气体长度为,由玻意耳定律得
解得
5. (2022陕西宝鸡陈仓区二模) 负压救护车在转运传染病人过程中发挥了巨大作用,所谓负压,就是利用技术手段,使负压舱内气压低于外界大气压,所以空气只能由舱外流向舱内,而且负压还能将舱内的空气进行无害化处理后排出。某负压救护车负压舱没有启动时,设舱内的大气压强为p0、温度为T0、体积为V0,启动负压舱后,要求负压舱外和舱内的压强差为。
①若不启动负压舱,舱内气体与外界没有循环交换,负压舱内温度升高到T0时,求舱内气体压强是多少。
②若启动负压舱,舱内温度保持T0不变,达到要求的负压值,求需要抽出压强为p0状态下多少体积的气体。
【参考答案】①;②
【名师解析】
①由于舱内气体与外界没有循环交换,负压舱内温度升高后压强为,由查理定律可得
解得
②启动负压舱,设舱内气体体积变为,压强为,由负压舱特点可得
由玻意耳定律可得
设抽出气体在压强状态下的体积为,由玻意耳定律可得
解得
6. (2022山西临汾模拟)轮胎气压是行车安全的重要参数,某型号汽车轮胎容积V0为25L,安全气压范围为2.4~3.0atm。汽车行驶一段时间后,发现胎压下降到p1=2.0atm,用车载气泵给其充气,气泵每秒钟注入0.5L压强为p0=1.0atm的空气。忽略轮胎容积与气体温度的变化。为使气压回到安全范围求气泵工作的时间范围。
【参考答案】
【名师解析】
外部向内部充气的过程,根据玻意耳定律有
设气泵工作的时间为,因为一定,则有
联立两式得
代入数据得
由于
得
7. (2022山东四县区质检)如图所示为某兴趣小组设计的一种气压型“体积测量仪”的工作原理示意图,该测量仪可以测量不规则物体的体积。A(压气筒)和B(测量罐)均为高L、横截面积S的导热气缸,中间用体积可忽略不计的细管连接,C为质量m、润滑良好且厚度不计的密闭活塞,将缸内的理想气体(氮气)封闭。当外界大气压为,环境温度为27℃时,活塞正好在压气筒A的顶部。现在C活塞上放置一质量5m的重物,活塞缓慢下移,待缸内温度再次和环境温度相等时,测量活塞与缸底的间距为0.6L,求:
(1)放置重物之前,缸内气体的压强P1;
(2)不规则物体的体积v。
【参考答案】(1);(2)
【名师解析】
(1)放置重物之前,缸内气体的压强
得
(2)根据气态方程
且
即
解得
8. (2022山西太原二模)潜水员在水中呼出的CO2气泡,从水下几米深处快速上升到水面,这一过程中气体与外界未实现热交换。将气泡内的CO2气体视为理想气体,则在这一过程中,下列说法正确的是( )
A. CO2分子的平均动能保持不变
B. 单位时间内与气泡壁碰撞的CO2分子数减少
C. 气泡内CO2分子的密度减少
D. CO2气体对外做功,压强减少
E. CO2气体减少的内能小于它对外做的功
【参考答案】BCD
【名师解析】
.设CO2气泡在水下深度为h,则气泡压强为
可见从水下几米深处快速上升到水面的过程中,压强变小,假设气体温度不变,则由玻意耳定律知
则随着气泡压强变小,气泡体积会增大,则气体对外做功
又因为这一过程中气体与外界未实现热交换,由热力学第一定律知
其中
则
即气体内能减少,又因为将气泡内的CO2气体视为理想气体,则内能减小温度会降低,与假设矛盾,即气体温度会降低,则CO2分子的平均动能变小,故AE错误,D正确;
BC.因为气体平均动能减小且气体体积增大,则气泡内CO2分子的密度减少,单位时间内与气泡壁碰撞的CO2分子数减少,故BC正确。
9.(2022广州培正中学三模) 密封食品直接利用微波炉加热时容易出现炸开现象,原因是包装袋内部温度急剧升高时,内部气体压强增大。所以在加热食物时,必须留一些透气孔,缓慢加热时,内部气体压强______(填“大于”、“小于”或“等于”)外界气体压强,此过程内部气体单位体积内分子个数______(填“增大”、“减小”或“不变”)。
【参考答案】 ①. 等于 ②. 减小
【名师解析】
]根据理想气体状态方程可知,密封食品包装袋内部气体温度急剧升高时,体积不变压强增大,所以留一些透气孔和外界大气接触,内部压强等于大气压强,温度升高时内部气体压强不变,体积增大,一部分气体从袋内漏出,袋内气体质量减小,由于剩余袋内气体体积不变,所以内部气体单位体积内分子个数减小。
.10 (2022山东四县区质检)某探究小组同学尝试用如图所示装置测定大气压强。实验过程中温度保持不变。最初U形管两臂中的水银面齐平,烧瓶内密封体积为800mL的理想气体,烧瓶中无水。当用注射器缓慢往烧瓶中注入200mL的水,稳定后U形管两臂中的水银面出现25cm的高度差。不计玻璃管中气体的体积,环境温度不变。则所测得的大气压强为( )
A. 74cmHgB. 75cmHg
C. 75.5cmHgD. 76cmHg
【参考答案】B
【名师解析】
烧瓶中的气体,初状态为
,V1=800mL
注入水后
,V2=600mL
由玻意耳定律可得
代入数值解得,B正确。
11. (2022山东枣庄一模)某同学将一定质量的理想气体封闭在导热性能良好的注射器内,注射器通过非常细的导气管与压强传感器相连,将整套装置置于恒温水池中。开始时,活塞位置对应刻度数为“8”,测得压强为P0。活塞缓慢压缩气体的过程中,当发现导气管连接处有气泡产生时,立即进行气密性加固。继续缓慢压缩气体,当活塞位置对应刻度数为“2”时停止压缩,此时压强为。则该过程中( )
A. 泄露气体的质量为最初气体质量的
B. 气泡在上升过程中会放出热量
C. 在压缩气体的过程中,气体分子的平均动能变大
D. 泄露出的气体的内能与注射器内存留气体的内能相等
【参考答案】A
【名师解析】
对被封闭气体,如没有泄露气体,等温变化时,由玻意耳定律,解得x=6
则泄露气体的质量与最初气体质量之比为4:6=2:3;A正确;
B.气泡在上升过程,随着压强的减小,体积将增大,气体对外做功,由热力学第一定律,温度不变内能不变,则此过程会吸收热量,B错误;注射器导热性能良好,在压缩气体的过程中,气体温度不变,气体分子的平均动能不变,C错误;由A项分析知泄露出的气体的质量与注射器内存留气体的质量之比为2:1,同种气体,在同样的状态下,显然泄露出的气体内能大于残留气体的内能,D错误。
12. (2022福建厦门四模)如图所示,飞机在飞行时外界空气经由压缩机进入机舱,同时由排气通道排出部分舱内气体,从而保持机舱内空气的新鲜。已知舱外气体温度低于舱内气体温度,由此可判断舱外气体分子平均动能________(选填“大于”“等于”或“小于”)舱内气体分子平均动能。若机舱内气体质量保持不变,空气压缩机单位时间内压入舱内气体的压强为2p、体积为V、温度为T,则单位时间内机舱排出压强为p,温度为的气体体积为________。
【参考答案】 ①. 小于 ②.
【名师解析】
[1] 舱外气体温度低于舱内气体温度,舱外气体分子平均动能小于舱内气体分子平均动能
[2] 舱内气体质量保持不变,则压入和排出的气体质量相等,根据理想气体的状态方程,则
则
解得排出气体体积
13. (2022广东潮州二模)地球大气上下温差过大时,会造成冷空气下降热空气上升,从而形成气流漩涡,并有可能逐渐发展成龙卷风。热气团在上升过程中,若来不及与外界发生热交换,因外界大气压强减小,热气团气体体积________(选填“变大”或“变小”),热气团对外做________(选填“正”或“负”)功。
【参考答案】 ①. 变大 ②. 正
【名师解析】
[1]外界大气压强减小, 热气团气体的压强在上升过程中变小,气体体积变大,
[2]热气团气体体积变大, 热气团气体对外做正功。
15. (2022山东济南5月模拟)如图所示,经过高温消毒的空茶杯放置在水平桌面上,茶杯内密封气体的温度为87℃,压强等于外界大气压强。已知杯盖的质量为m,茶杯(不含杯盖)的质量为M,杯口面积为S,重力加速度为g。当茶杯内气体温度降为27℃时,下列说法正确的是 ( )
A. 茶杯对杯盖的支持力为B. 茶杯对杯盖的支持力为
C. 茶杯对桌面的压力为D. 茶杯对桌面的压力为
【参考答案】AD
【名师解析】
由题意,
对于茶杯内的气体,由查理定律可得
解得
对杯盖受力分析,由平衡条件可得
解得,A正确,B错误;
对茶杯、杯盖整体受力分析可知桌面对茶杯的支持力为
由牛顿第三定律可知茶杯对桌面的压力为,C错误,D正确。
16. (2022湖北新高考协作体高二质检)如图所示是氧气分子在0℃和100℃两种不同温度下的速率分布情景图像,下列说法正确的是( )
A. 图像①是氧气分子在100℃下的速率分布情景图像
B. 两种温度下,氧气分子的速率分布都呈现“中间多,两头少”的分布规律
C. 随着温度的升高,并不是每一个氧气分子的速率都增大
D. 随着温度的升高,氧气分子中速率大的分子所占的比例减小
【参考答案】BC
【名师解析】
由图可知,②中速率大分子占据的比例较大,则说明②对应的平均动能较大,故②对应的温度较高,所以①是氧气分子在0℃下的速率分布情景图像,故A错误;
两种温度下,都是中等速率大的氧气分子数所占的比例大,呈现“中间多,两头少”的分布规律,故B正确;
温度升高使得氧气分子的平均速率增大,不是每一个氧气分子的速率都增大,故C正确;
随着温度的升高,氧气分子中速率大的分子所占的比例增大,从而使分子平均动能增大,故D错误;玻意耳定律
查理定律
盖—吕萨克定律
内
容
一定质量的某种气体,在温度不变的情况下,压强与体积成反比
一定质量的某种气体,在体积不变的情况下,压强与热力学温度成正比
一定质量的某种气体,在压强不变的情况下,其体积与热力学温度成正比
表
达
式
p1V1=p2V2
eq \f(p1,T1) = eq \f(p2,T2) 或
eq \f(p1,p2) = eq \f(T1,T2)
eq \f(V1,T1) = eq \f(V2,T2) 或
eq \f(V1,V2) = eq \f(T1,T2)
图
象
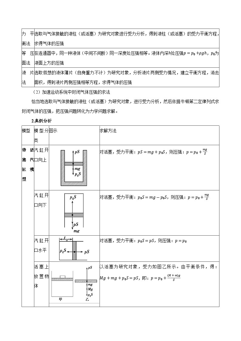
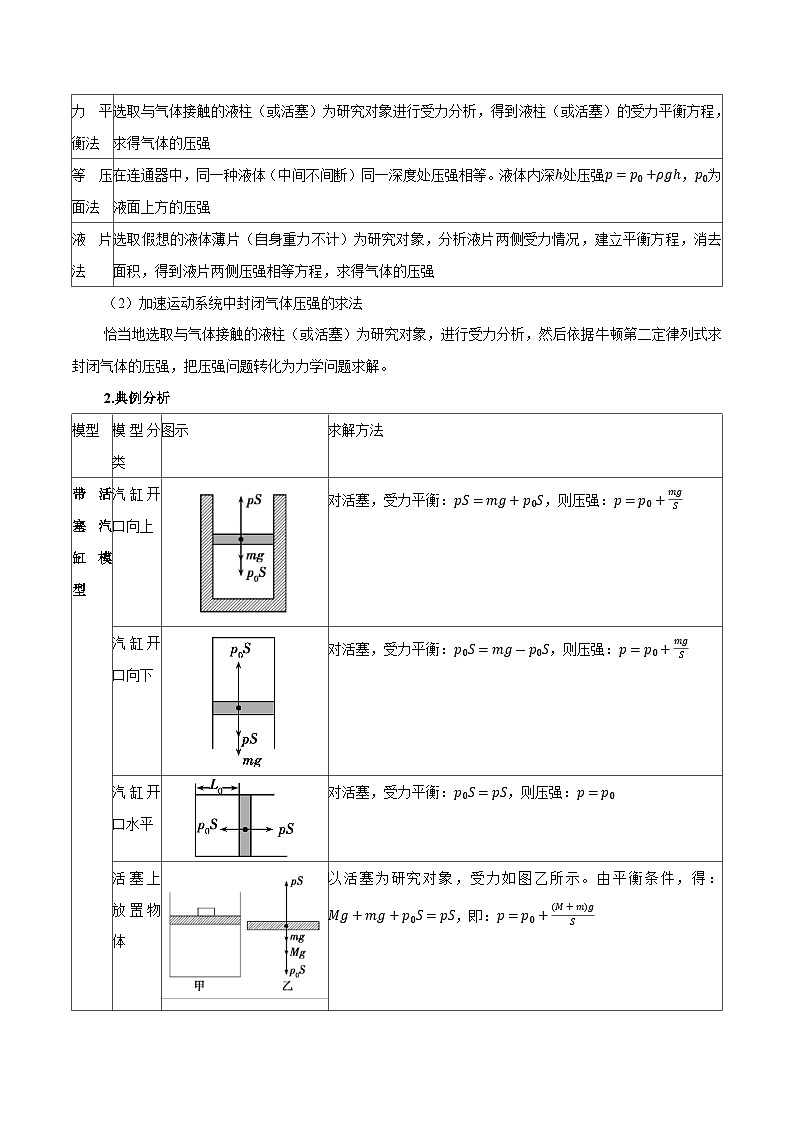
力平衡法
选取与气体接触的液柱(或活塞)为研究对象进行受力分析,得到液柱(或活塞)的受力平衡方程,求得气体的压强
等压面法
在连通器中,同一种液体(中间不间断)同一深度处压强相等。液体内深h处压强p=p0+ρgh,p0为液面上方的压强
液片法
选取假想的液体薄片(自身重力不计)为研究对象,分析液片两侧受力情况,建立平衡方程,消去面积,得到液片两侧压强相等方程,求得气体的压强
模型
模型分类
图示
求解方法
带活塞汽缸模型
汽缸开口向上
对活塞,受力平衡:pS=mg+p0S,则压强:p=p0+mgS
汽缸开口向下
对活塞,受力平衡:p0S=mg-p0S,则压强:p=p0+mgS
汽缸开口水平
对活塞,受力平衡:p0S=pS,则压强:p=p0
活塞上放置物体
以活塞为研究对象,受力如图乙所示。由平衡条件,得:Mg+mg+p0S=pS,即:p=p0+(M+m)gS
水银柱模型
开口向上
对水银柱,受力平衡,类似开口向上的汽缸:pS=mg+p0S。又由:m=ρV=ρhS,则压强:p=mgS+p0=p0+ρgh
类似开口向上的弯管
压强:p=mgS+p0=p0+ρgh
开口向下
对水银柱,受力平衡,类似开口向下的汽缸:p0S=mg+pS。又由:m=ρV=ρhS,则压强:p=p0mgS=p0-ρgh
类似开口向下的弯管
压强:p=p0-mgS=p0-ρgh
水平放置
对水银柱,受力平衡,类似开口水平的汽缸:p0S=pS
双液柱封闭气体
同种液体在同一深度的压强相等,在连通器中,灵活选取等压面,利用两侧压强相等求解气体压强。如图所示,M、N两处压强相等。故有pA+ph2=pB从右侧管看,有pB=p0+ph1
玻璃管倾斜
沿斜面方向:pS=p0S+mg sin θ,则压强:p=mgsinθS+p0=p0+ρghsinθ
16.9变质量气体问题(解析版)--2024高考一轮复习100考点100讲—高中物理: 这是一份16.9变质量气体问题(解析版)--2024高考一轮复习100考点100讲—高中物理,共17页。试卷主要包含了9讲 变质量气体问题,充气问题,抽气问题,分装问题,漏气问题,7p0等内容,欢迎下载使用。
16.6气体状态变化图像(解析版)--2024高考一轮复习100考点100讲—高中物理: 这是一份16.6气体状态变化图像(解析版)--2024高考一轮复习100考点100讲—高中物理,共11页。试卷主要包含了6讲 气体状态变化图像等内容,欢迎下载使用。
16.5探究气体等温变化规律(解析版)--2024高考一轮复习100考点100讲—高中物理: 这是一份16.5探究气体等温变化规律(解析版)--2024高考一轮复习100考点100讲—高中物理,共17页。试卷主要包含了5讲 探究气体等温变化规律,会用图像法处理实验数据., 实验数据的获取,实验数据的处理,714等内容,欢迎下载使用。