


河北省承德市平泉市回民中学2022-2023学年九年级上学期期末考试物理试题(无答案)
展开1. 下面的现象与微观解释正确的是( )
A.一个带正电的物体吸引轻小物体,则轻小物体一定带负电
B. 腌制鸭蛋,盐分子能进入蛋中,说明盐分子都在不停地做无规则运动
C. 固体很难压缩,说明固体分子没有间隙
D. 摩擦起电创造出正、负电荷
2. 关于内能,以下说法正确的是( )
A. 一块0℃的冰与同等质量0℃的水的内能相等
B. 温度高的物体内能一定大,温度低的物体内能一定小
C. 冰在熔化的过程中,吸收热量,内能增大,温度升高
D. 热量也有可能从内能小的物体向内能大的物体传递
3. 下列图1实例中,属于内能转化为机械能的是( )
4.关于四冲程内燃机,下列说法不正确的是( )
A. 燃料燃烧时,化学能转化为内能
B. 吸气冲程、压缩冲程、排气冲程是靠飞轮的惯性来完成的
C. 压缩冲程是把内能转化为机械能
D. 做功冲程是利用燃料的内能做功,把内能转化为机械能
5.下列材料中,通常情况下都属于绝缘体的是( )
A. 食盐水 石墨 水银B.人体 铅笔芯 橡胶
C.蒸馏水 塑料 陶瓷D.玻璃 铜丝 大地
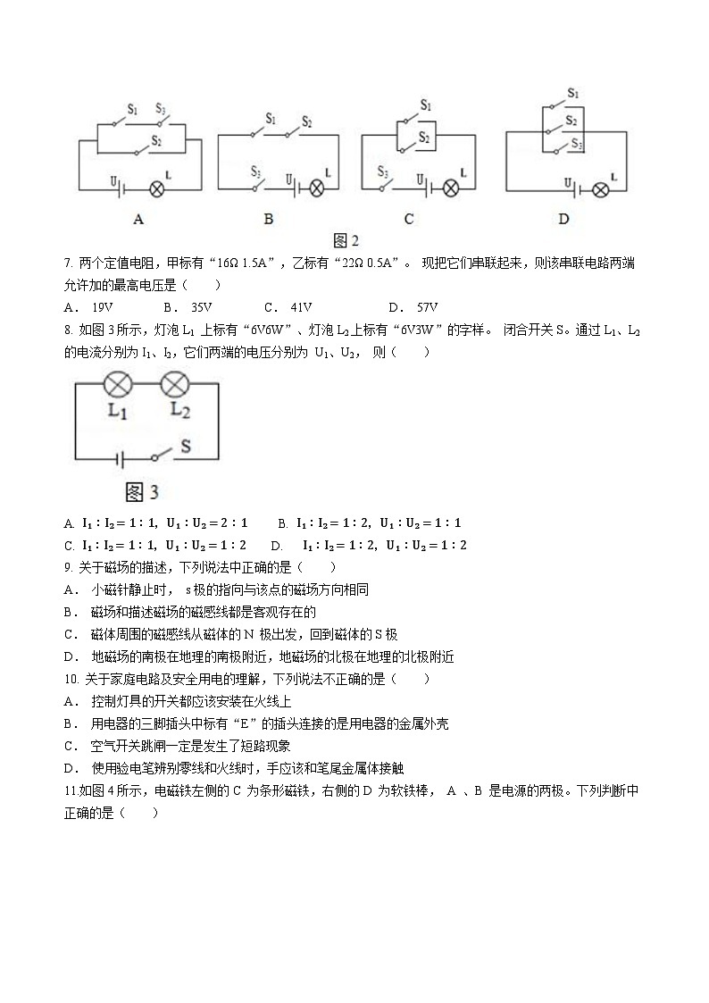
6. 常用智能手机是通过图2指纹开关S1 或密码开关 S2 来解锁的,若其中任一方式解锁失败后,锁定开关S3均会断开而暂停手机解锁功能,S3 将在一段时间后自动闭合而恢复解锁功能。若用灯泡L发光模拟手机解锁成功,则符合要求的模拟电路是( )
7. 两个定值电阻,甲标有“16Ω 1.5A”,乙标有“22Ω 0.5A”。 现把它们串联起来,则该串联电路两端允许加的最高电压是( )
A. 19VB. 35VC. 41VD. 57V
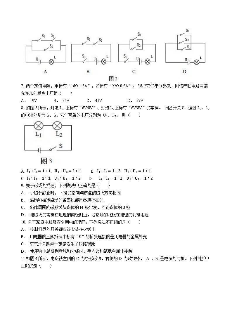
8. 如图3所示,灯泡L1 上标有“6V6W”、灯泡L2上标有“6V3W”的字样。 闭合开关S。通过L1、L2的电流分别为I1、I2,它们两端的电压分别为 U1、U2, 则( )
A. I₁:I₂=1:1,U₁:U₂=2:1 B. I₁:I₂=1:2,U₁:U₂=1:1
C. I₁:I₂=1:1,U₁:U₂=1:2 D. I₁:I₂=1:2,U₁:U₂=1:2
9. 关于磁场的描述,下列说法中正确的是( )
A. 小磁针静止时, s极的指向与该点的磁场方向相同
B. 磁场和描述磁场的磁感线都是客观存在的
C. 磁体周围的磁感线从磁体的N 极出发,回到磁体的S极
D. 地磁场的南极在地理的南极附近,地磁场的北极在地理的北极附近
10. 关于家庭电路及安全用电的理解,下列说法不正确的是( )
A. 控制灯具的开关都应该安装在火线上
B. 用电器的三脚插头中标有“E”的插头连接的是用电器的金属外壳
C. 空气开关跳闸一定是发生了短路现象
D. 使用验电笔辨别零线和火线时,手应该和笔尾金属体接触
11.如图4所示,电磁铁左侧的C 为条形磁铁,右侧的D 为软铁棒, A 、B 是电源的两极。下列判断中正确的是( )
A、 若A 为电源正极,则C 、D 都被吸引
B、 若 B 为电源正极,则C 被吸引, D 被排斥
C、 若 B 为电源正极,则C 、D 都被排斥
D、 若 A 为电源正极,则C 被排斥, D 被吸引
12.如图5是温度自动报警器的原理图,它运用了许多物理知识。以下说法中不正确的( )
A. 温度计中的水银是导体
B. 温度计是根据液体热胀冷缩的性质工作的
C. 报警器中的电磁铁运用了电流的热效应
D. 电磁继电器是一种电路开关
13.如图6所示四个装置中工作原理与电动机相同的是( )
14.关于声和电磁波,下列说法正确的是( )
A.它们的传播都需要介质
B.它们在真空的传播速度都是 3.0×108m/s
C.它们都可以传递信息和能量
D.倒车雷达是利用电磁波的反射来判断车和障碍物的距离的
15.发电机和电动机的相继问世,使电能的大规模生产和利用成为现实,人类社会进入了电气化的时代。图7所示的四幅图,其中属于电磁感应现象实验图及其应用图的是( )
A. ①③B. ①④C. ②③D. ②④
16.我们的生产与生活总离不开能量及其转化,下列说法正确的是( )
A.全自动洗衣机工作时,电能全部转化为机械能
B.用燃气灶烧水,只要调大火力,燃气灶的加热效率就提高
C.提高能量利用中的转化效率是节能问题的核心
D.能量的转化和转移都没有一定的方向性
17.下列有关核能的说法不正确的是( )
A.核能是一种不可再生能源
B.核电站内的核反应堆是通过可控核裂变反应释放核能的设备
C.核电站中的汽轮机属于发电机
D.核裂变和核聚变都能释放核能
18.一个电热水壶,其铭牌上标注了额定电压为220 V, 额定功率为1600W。该电热水壶正常工作时,将2kg 的40℃的水烧开(标准大气压下),所用时间为7min,则该电热水壶的加热效率是( )
A.65%B.84%C.75%D.80%
19. 如图8所示电路图,改变各开关连接情况时,下列分析正确的是( )
A. 当S2闭合,S1、S3断开时,电压表V与V1示数相等
B. 当S2闭合,S1、S3 断开时,电流表A 的示数大于A1的示数
C. 当S2断开,S1、S3闭合时,电流表A 的示数与A1的示数相等
D. 当S2断开,S1、S3闭合时,电压表V与V1示数相等
20. 关于温度、内能、热量三者的关系,下列说法不正确的是( )
A. 物体吸收热量,温度一定升高
B. 物体温度升高,一定是吸收了热量
C. 物体温度不变,就没有吸热或放热
D. 物体温度升高,内能增加
21. 如图9所示电路,电源电压保持不变,闭合开关S,将滑动变阻器的滑片P 由图示位置逐渐向b端移动的过程中( )
A. 电压表V 示数变小,电流表A1示数变大
B. 电压表V示数不变,电流表A2 示数不变
C. 电压表 V 的示数与电流表A1示数的比值变大
D. 电压表 V 的示数与电流表A2 示数的比值变大
22. 如图10 所示,测量小灯泡电功率的电路图,电源电压恒为6V,电流表量程0~0.6A,电压表量程0~3V,滑动变阻器规格“50Ω1A”,小灯泡规格“2.5V 0.625W”,若不考虑小灯泡阻值随温度的变化,小灯泡两端电压不允许超过额定值,闭合开关,下列说法正确的是( )
A. 滑片向右滑动,电流表示数变小,电压表示数变大
B. 电流表的示数允许变化范围是0.1~0.25A
C. 滑动变阻器的阻值允许调节的范围是24~50Ω
D. 电路的最大电功率是1.5W
二、 填空题(共7 小题,17空,每空1分,共 17 分)
23.家庭电路中,插座、电灯、电视、电风扇的连接方式是 (填“串联”或“并联”)的;控制灯的开关和灯是 (填“串联”或“并联”)的。
24. 汽车在高速行驶的过程中轮胎会发烫,这是通过 的方式增加了物体内能。人在给汽车加油时会闻到汽油味儿,这是因为汽油分子在不停地做 。汽车行驶时的动力来源于汽油机的 冲程。用水循环带走汽油机产生的热量,这是利用了水的 较大的特性。
25. 利用先进工艺和科学方法,可以使垃圾变废为宝。若从1吨垃圾中能提炼出 140kg燃料油,燃料油的热值为4.5×10⁷/kg,,则这些燃料油完全燃烧时释放出的热量为 ×109J。
26.不懂垃圾分类就不懂什么是新时尚,把垃圾分类回收后,可用于发电,从能源的角度看,电能属于 (填“一次能源”或“二次能源”);电动自行车在使用过程中,是将电能主要转化为 能;煤、石油、天然气在地壳中的储量是有限的,所以煤、石油、天然气都属于 (填“可再生能源”或“不可再生能源”)。
27.两个电路元件甲和乙的电流与电压的关系如图11所示。若将元件甲、乙并联后接在电压为2V的电源两端,元件甲和乙消耗的总功率为 W;若将它们串联后接在电压为3V 的电源两端,元件甲和乙消耗的总功率为 W。
28.如图12 所示,GMR 是一个巨磁电阻,其阻值随磁场的增强而急剧减小,当闭合开关S1和S2时,小磁针 N 极指向右端,则电磁铁的左端为 极,电源右端为 极。要使指示灯变亮,滑动变阻器的滑片应向 滑动。(填“左”或“右”)
29.将标有“6V 9W”阻值不变的小灯泡L与阻值为6Ω的定值 R0 接入如图13 所示的电路。闭合开关S,电压表的示数为6V,则电流表的示数为 A,电源电压为 V。
三、实验探究题(共3小题,每空1分,共21分)
30.(6分) 在“比较不同液体的吸热能力”实验中:
(1)除了图14中所示器材,还需要的测量仪器有天平和 。
(2)在图14甲装置中,分别给初温相同且 相等的水和食用油加热。
(3)在图14 甲装置中,用相同酒精灯给两种液体加热相同时间,其目的是为了保证两种液体 相同。(填“吸收热量”或“放出热量”)
(4)在图14甲装置中,两种液体升高相同的温度,给 加热时间更长。
(5)图14乙装置中两个相同烧杯装有相同质量的水,灯中煤油和酒精的质量相等,进行“比较煤油和酒精的热值大小关系”实验,实验数据如表:
分析数据可知:热值较大的是 (填“煤油”或“酒精”)。
(6)通过实验数据直接计算出燃料的热值将 (选填“偏大”或“偏小”)。
31.(8分)在探究“电阻的大小与哪些因素有关”的实验中,采用如图15甲所示的实验装置,a、b、c是镍铬合金制成的三根导线,a、b长度相同但粗细(横截面积)不同,a、c粗细相同而长短不同,导线d 由锰铜合金制成,长短、粗细与导线 b 相同。
(1)实验中电流表的示数越大,对应的导线电阻越 (选填“大”“小”);
(2)将导线a接在M、N之间,闭合开关,电流表示数如图15 乙所示,此时电流为 A;
(3)依次将导线b、c、d替换导线a接入电路,电流表对应的示数如下表所示:
①选导线a、b比较是为了探究导线电阻的大小与 的关系;探究导线电阻的大小与材料的关系,应选用的两根导线是 (填写导线代号);
②由此可知:导线电阻的大小与材料有关,用相同材料制成的导线长度越 (选填“长”“短”),横截面积越 (选填“大”“小”),电阻越大:
(4)若想进一步用“伏安法”测量导线a的电阻,除了如图15甲所示的器材外,至少还需要在此电路接入一个 表和一个变阻器,连好电路后,经多次测量,绘得导线a的U-I图象如图15 丙所示,则其电阻为 Ω。
32.(7分)小韩用如图16甲所示的电路测量小灯泡的电功率,电源电压恒为3V,小灯泡的额定电压为2.5V,正常发光时电阻约为10Ω。
(1)选好电流表量程,将图甲电路电流表的 A 正接线柱和小灯泡的 侧接线柱相连。
(2)闭合开关前,为了保护电路,滑动变阻器的滑片 P应置于 (选填“C”或“D”)端。
(3)闭合开关后,小灯泡不发光,电流表无示数,电压表示数为3V,产生该现象的原因可能是小灯泡 (选填“短路”或“断路”)。
(4)排除故障后闭合开关,移动滑动变阻器的滑片 P到某一点,电压表示数如图16乙所示,此时小灯泡两端的电压为 V,若要测量小灯泡的额定功率,此时应将滑动变阻器的滑片P向 (选填“C”或“D”)端移动,根据该同学实验得到的如图16丙所示的1-u 图象,小灯泡的额定功率为 W。
四、 计算题(共2小题,共15 分)
33.(7分)某工厂采用热效率高的卧式燃煤锅炉烧水,将 4000kg水从25℃加热到 75℃,该锅炉烧水的效率为70%,所用烟煤的热值约为3×10⁷J/kg,水的比热容为 4.2×10³J/(kg·℃),试求:
(1) 这些水吸收的热量是多少?
(2)烧这些水锅炉需要消耗烟煤的质量是多少?(假设烟煤完全燃烧)
34.(8分)如图17 甲所示电路中,定值电阻R的阻值为20Ω,电源电压保持不变。闭合开关S后,整个电路正常工作,两电流表的表盘均如图17 乙所示。求:
(1) 通过灯泡L的电流是多少安?
(2) 电源两端的电压是多少伏?
(3) 灯泡L消耗的电功率是多少瓦?
(4) 整个电路工作 10s消耗了多少焦的电能?
加热时间/min
0
1
2
3
4
5
6
甲杯水温/℃
25
27
29
32
34
36
38
乙杯水温/℃
25
26
27
28
29
30
31
导线代号
a
b
c
d
电流表的示数
-
1.3A
2.2A
2.7A
河北省承德市承德县2023-2024学年八年级上学期1月期末物理试题: 这是一份河北省承德市承德县2023-2024学年八年级上学期1月期末物理试题,共10页。试卷主要包含了 答案须用黑色字迹的签字笔书写等内容,欢迎下载使用。
河北省承德市兴隆县2023-2024学年九年级上学期期中试卷物理试题: 这是一份河北省承德市兴隆县2023-2024学年九年级上学期期中试卷物理试题,共10页。试卷主要包含了选择题,填空及简答题,实验探究题,计算题等内容,欢迎下载使用。
河北省承德市平泉市2022-2023学年八年级下学期期末物理试卷(含答案): 这是一份河北省承德市平泉市2022-2023学年八年级下学期期末物理试卷(含答案),共29页。试卷主要包含了单选题,多选题,填空题,作图题,实验探究题,计算题等内容,欢迎下载使用。