


还剩9页未读,
继续阅读
成套系列资料,整套一键下载
- 2024版新教材高中化学第1章原子结构元素周期律第3节元素周期表的应用第2课时研究同主族元素的性质课时作业鲁科版必修第二册 试卷 0 次下载
- 2024版新教材高中化学第1章原子结构元素周期律第3节元素周期表的应用第3课时预测元素及其化合物的性质课时作业鲁科版必修第二册 试卷 0 次下载
- 2024版新教材高中化学第2章化学键化学反应规律第1节化学键与物质构成课时作业鲁科版必修第二册 试卷 0 次下载
- 2024版新教材高中化学第2章化学键化学反应规律第2节化学反应与能量转化第1课时化学反应中能量变化的本质及转化形式课时作业鲁科版必修第二册 试卷 0 次下载
- 2024版新教材高中化学第2章化学键化学反应规律第2节化学反应与能量转化第2课时化学反应能量转化的重要应用__化学电池课时作业鲁科版必修第二册 试卷 0 次下载
2024版新教材高中化学第2章化学键化学反应规律章末质量检测卷鲁科版必修第二册
展开
这是一份2024版新教材高中化学第2章化学键化学反应规律章末质量检测卷鲁科版必修第二册,共12页。
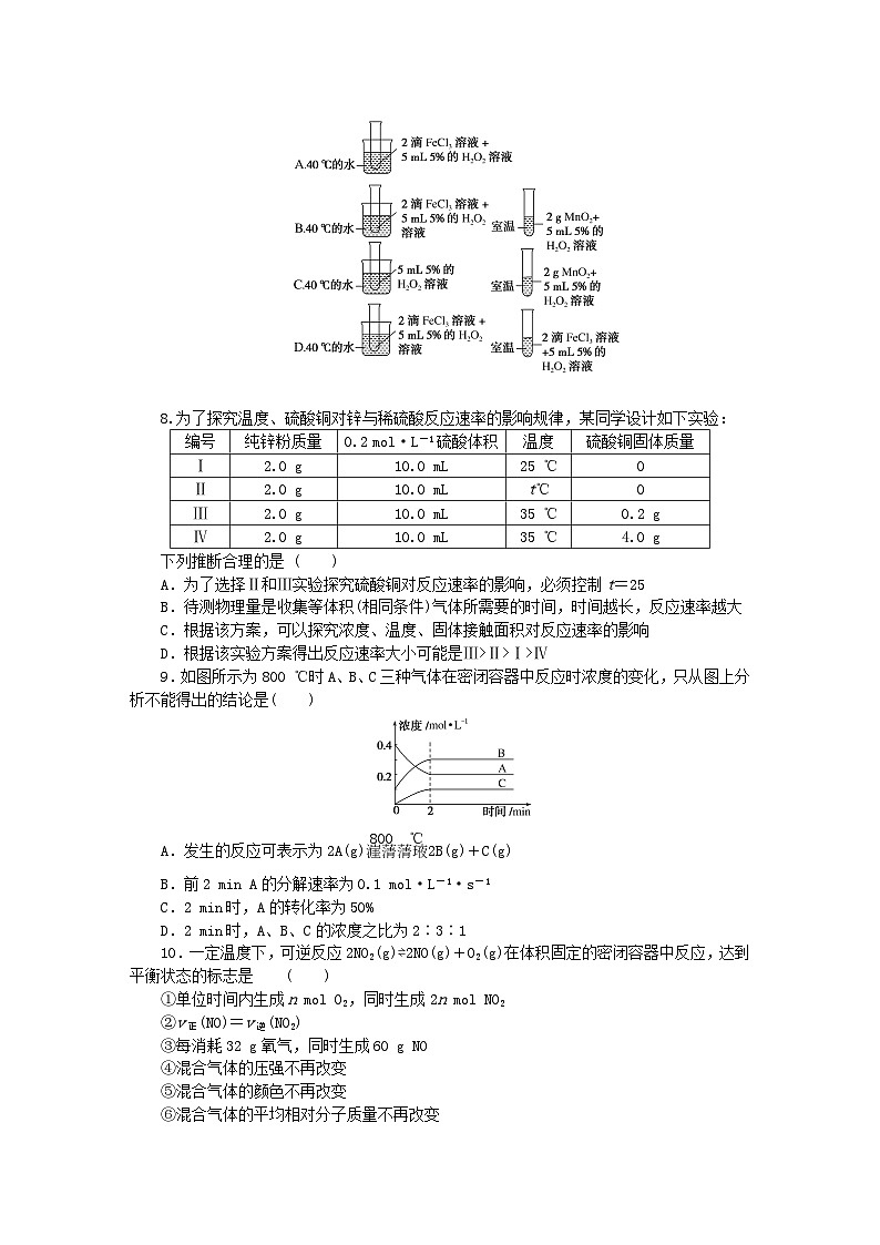
第2章章末质量检测卷(时间:75分钟 分值:100分)第Ⅰ卷(选择题)一、选择题:本题共10小题,每小题2分,共20分。每小题只有一个正确选择符合题意。1.如图图像与对应的叙述不符合的是( )A.图甲可表示石灰石分解反应的能量变化B.图乙可表示酶催化反应的反应速率随反应温度的变化C.图丙可表示在一定条件下的可逆反应,正反应速率和逆反应速率随时间的变化D.图丁可表示向H2SO4溶液中滴加Ba(OH)2溶液,溶液中的离子浓度随碱溶液体积的变化2.如图是1 mol CO(g)和2 mol H2(g)发生反应CO(g)+2H2(g)===CH3OH(g)过程中的能量变化曲线。曲线a表示不使用催化剂时反应的能量变化,曲线b表示使用催化剂时反应的能量变化。下列相关说法正确的是 ( )A.使用催化剂后该反应从放热反应变成了吸热反应B.使用和不使用催化剂相比反应的能量变化不同C.1 mol CO(g)和2 mol H2(g)中的化学键完全被破坏需要吸收510 kJ能量D.1 mol CO(g)和2 mol H2(g)完全反应生成1 mol CH3OH(g)会释放出91 kJ能量3.判断下列说法,其中正确的组合是 ( )①煤、石油、天然气是当今世界重要的化石能源②电力、风力、生物质能均是一次能源③化学变化中的能量变化主要是由化学键的变化引起的④吸热反应发生时一定要加热,放热反应发生时不需要加热⑤等质量的糖类在体内发生氧化还原反应和在体外燃烧均生成CO2和水时,放出的能量不可能相等⑥充电电池可以无限制地反复放电、充电⑦充电时的电池反应和放电时的电池反应为可逆反应A.①③⑤⑦ B.①②③⑤⑥ C.①③ D.①③④⑤4.右图是铁棒和碳棒在稀硫酸中所组成的原电池装置,c、d为两个电极。下列有关判断正确的是( )A.电池工作的过程中,c电极上产生气泡B.电池工作时,溶液中H+和Fe2+向d移动C.d为负极,发生氧化反应D.电池工作的过程中,溶液中SO eq \o\al(\s\up1(2-),\s\do1(4)) 浓度发生显著变化5.下列说法正确的是( )A.用铁片和稀硫酸反应制取氢气时,改用98%的浓硫酸可以增大生成氢气的速率B.100 mL 2 mol·L-1盐酸与锌片反应,加入适量的氯化钠溶液,反应速率不变C.二氧化硫的催化氧化是一个放热反应,升高温度,反应速率降低D.汽车尾气中的NO和CO可以缓慢反应生成N2和CO2,使用催化剂可以增大反应速率6.燃料电池是目前电池研究的热点之一。某课外小组自制的氢氧燃料电池如图所示,a、b均为惰性电极,下列叙述错误的是( )A.a极是负极,该电极上发生氧化反应B.b极发生的电极反应是O2+4OH--4e-===2H2OC.电池总反应为2H2+O2===2H2OD.溶液中OH-向负极移动,K+、H+向正极移动7.已知FeCl3和MnO2都可做H2O2分解制O2反应的催化剂,为了探究温度对该反应速率的影响,下列实验方案可行的是( )8.为了探究温度、硫酸铜对锌与稀硫酸反应速率的影响规律,某同学设计如下实验:下列推断合理的是 ( )A.为了选择Ⅱ和Ⅲ实验探究硫酸铜对反应速率的影响,必须控制t=25B.待测物理量是收集等体积(相同条件)气体所需要的时间,时间越长,反应速率越大C.根据该方案,可以探究浓度、温度、固体接触面积对反应速率的影响D.根据该实验方案得出反应速率大小可能是Ⅲ>Ⅱ>Ⅰ>Ⅳ9.如图所示为800 ℃时A、B、C三种气体在密闭容器中反应时浓度的变化,只从图上分析不能得出的结论是( )A.发生的反应可表示为2A(g) eq \o(,\s\up7(800 ℃)) 2B(g)+C(g)B.前2 min A的分解速率为0.1 mol·L-1·s-1C.2 min时,A的转化率为50%D.2 min时,A、B、C的浓度之比为2∶3∶110.一定温度下,可逆反应2NO2(g)⇌2NO(g)+O2(g)在体积固定的密闭容器中反应,达到平衡状态的标志是 ( )①单位时间内生成n mol O2,同时生成2n mol NO2②v正(NO)=v逆(NO2)③每消耗32 g氧气,同时生成60 g NO ④混合气体的压强不再改变⑤混合气体的颜色不再改变 ⑥混合气体的平均相对分子质量不再改变⑦混合气体的密度不再改变A.①④⑤⑥ B.①②③⑤C.①②③④⑤ D.①②③④⑤⑥二、选择题:本题共5小题,每小题4分,共20分。每小题有一个或两个选项符合题意,全部选对得4分,选对但不全的得2分,有选错的得0分。11.我国研究人员研制出一种新型复合光催化剂,利用太阳光在催化剂表面实现高效分解水,其主要过程如图所示。已知:几种物质中化学键的键能如下表所示。若反应过程中分解了2 mol H2O,则下列说法不正确的是( )A.总反应为2H2O eq \o(=====,\s\up7(光照),\s\do5(催化剂)) 2H2↑+O2↑ B.过程Ⅰ吸收了926 kJ能量C.过程Ⅱ放出了574 kJ能量 D.过程Ⅲ属于放热反应12.某学生用如图装置研究原电池原理,下列有关说法错误的是( )A.图(3)中Zn片增加质量与Cu片减轻质量的比为65∶64B.图(2)中,电子经溶液由铜片流向锌片C.图(1)中铜片上没有气体产生D.图(2)与图(3)中正极生成物的质量比为1∶32时,Zn片减轻的质量相等13.已知一定质量的锌粒与稀盐酸反应,生成H2的浓度与反应时间的关系如图所示,下列结论不正确的是( )A.若将锌粒改为锌粉,可加快产生H2的反应速率B.反应前4 min内温度对反应速率的影响比浓度大C.反应开始2 min内平均反应速率最大D.反应前4 min内生成H2的平均速率v(H2)=0.09 mol·L-1·min-114.180 ℃时将0.5 mol H2和1 mol CO2通入1 L的恒容密闭容器中,反应生成甲醇蒸气(CH3OH)和某无机副产物,测得各物质的物质的量随时间的部分变化如图所示,下列说法中正确的是 ( )A.该反应的化学方程式:2CO2+4H2⇌2CH3OH+O2B.在0~3 min内用H2表示的平均化学反应速率为0.1 mol·L-1·min-1C.当容器内混合气体密度不再变化时,表明反应已经达到平衡状态D.在3~10 min内,反应达到平衡状态15.资料显示:自催化作用是指反应产物之一使该反应的反应速率加快。用稀硫酸酸化的KMnO4溶液进行下列三组实验,一段时间后溶液均褪色(0.01 mol·L-1可以记作0.01 M)。下列说法不正确的是 ( )A.实验①中发生氧化还原反应,H2C2O4是还原剂,产物MnSO4能起自催化作用B.实验②褪色比实验①快,是因为MnSO4的催化作用加快了反应速率C.实验③褪色比实验①快,是因为Cl-的催化作用加快了反应速率D.若改用1 mL 0.2 M的H2C2O4溶液做实验①,推测比原实验①褪色快第Ⅱ卷(非选择题)三、非选择题:本题包括5小题,共60分。16.(10分)反应Fe+H2SO4===FeSO4+H2↑的能量变化趋势如图所示:(1)该反应为________(填“吸热”或“放热”)反应。(2)若要使该反应的反应速率加快,下列措施可行的是________(填字母)。A.改铁片为铁粉 B.改稀硫酸为98%的浓硫酸C.升高温度 D.减小压强E.加入少量的硝酸铜溶液 F.加入醋酸钠固体G.加入氯化钠溶液(3)若将上述反应设计成原电池,铜为原电池某一极材料,则铜为________(填“正”或“负”)极。铜片上产生的现象为____________________,该极上发生的电极反应为__________________________,外电路中电子由________(填“正”或“负”,下同)极经导线向________极移动。(4)若将电解质溶液改为FeCl3,则形成原电池的总反应式:________________________________________________________________________。17.(10分)氢氧燃料电池是符合绿色化学理念的新型发电装置。下图电池电极表面镀有一层细小的铂粉,铂吸附气体能力强,性质稳定。已知该电池的外电路电流方向为a→b。回答下列问题:(1)该装置能量转化形式是____________________。(2)通________(填“X”或“Y”)气体的铂电极是负极,电极反应式为________________________________________________________________________。(3)H2SO4溶液作为离子导体,H+向通________(填“X”或“Y”)气体的铂电极移动。(4)若导线中通过0.04 mol电子,理论上需要通入标准状况下________L X气体。(5)与氢气类似,甲烷、CO、醇类等均可作为燃料电池的燃料,与直接燃烧相比,燃料电池有许多优点,其中主要有两点:首先是燃料电池的能量转化率高,其次是________________________________________________________________________。18.(12分)化学反应速率和限度与生产、生活密切相关。(1)某学生为了探究锌与盐酸反应过程中的速率变化,在400 mL稀盐酸中加入足量的锌粉,用排水集气法收集反应放出的氢气(标准状况),实验记录如下表(氢气体积为累计值):①哪一时间段反应速率最大________(填“0~1”“1~2”“2~3”“3~4”“4~5”)min。反应开始后反应速率先增大的原因是____________________________________。②求3~4 min时间段以盐酸的浓度变化来表示的该反应速率:________(设溶液体积不变)。(2)另一学生为控制反应速率防止反应过快难以测量氢气体积,他事先在盐酸中加入少量的下列溶液以减慢反应速率,你认为不可行的是________。A.蒸馏水 B.KCl溶液 C.KNO3溶液 D.CuSO4溶液 (3)某温度下在4 L密闭容器中,X、Y、Z三种气态物质的物质的量随时间变化曲线如图。①该反应的化学方程式是__________________________________________________。②该反应达到平衡状态的标志是________。A.X、Y、Z的反应速率相等B.X、Y的反应速率比为3∶1C.容器内气体压强保持不变D.生成2 mol Z的同时生成3 mol X19.(14分)Ⅰ.我国航天航空事业蒸蒸日上,航天航空的关键技术是火箭,火箭燃料有液氢、乙炔(C2H2)、甲烷、煤油、肼(N2H4)等。请回答下列问题:(1)已知肼的结构简式可表示为H2N—NH2。①肼分子中的化学键类型为________。②肼在氧气中燃烧生成无毒的物质,则反应中肼断裂的化学键有N—H键、________,新形成的化学键有________。③根据肼燃烧过程中的能量变化,说明反应物能量之和________(填“大于”“等于”或“小于”)生成物能量之和。(2)氢燃料汽车中氢的燃烧与火箭中氢的燃烧最大的不同在于前者使用的是空气作氧化剂,而后者使用的是液氧。火箭中不能使用液化空气,原因是________________________________________________________________________。(3)火箭发射前,当液氢、液氧加到一定量后,技术人员还要不停地补加,请你说出这种做法的原因:_________________________________________________________________。Ⅱ.已知X元素原子的L层比Y元素原子的L层少3个电子,Y元素原子核外电子数比X元素原子核外电子数多5,请回答下列问题:(1)写出两种元素的名称:X________,Y________。(2)X、Y可形成________(填标号)。A.离子化合物Y(XO3)2 B.离子化合物Y2X3C.共价化合物Y3X2 D.共价化合物XY2(3)已知Y元素的单质能在空气中燃烧,写出其中属于置换反应的化学方程式:____________________________________________,分析所得化合物中所含化学键的类型:________。(4)X元素的氢化物能与它的最高价氧化物的水化物反应,其产物属于________(填“离子”或“共价”)化合物。20.(14分)某实验小组对H2O2的分解做了如下探究:下表是该实验小组研究影响H2O2分解速率的因素时记录的一组数据:用10 mL H2O2制取150 mL(标准状况下)O2所需的时间(s)(1)①该实验小组在设计方案时,考虑了浓度、________、________等因素对H2O2分解速率的影响。上述因素对H2O2分解速率的影响分别是__________________________________;__________________________________;__________________________________。②推测t(s)的范围为________。(2)将质量相同但聚集状态不同的MnO2分别加入15 mL 5%的H2O2溶液中,并用带火星的木条测试,结果如下:①写出上述实验中发生反应的化学方程式________________________________________________________________________。②实验结果表明,催化剂的催化效果与________有关。第2章章末质量检测卷1.答案:D解析:A项,反应物总能量小于生成物总能量,该反应为吸热反应,石灰石分解为吸热反应,符合图像;B项,在一定温度范围内酶作催化剂能加快化学反应速率,较高温度下酶变性,加入酶作催化剂时,反应速率随着温度升高先增大后减小,符合图像;C项,在一定条件下的可逆反应,随着反应的进行,正反应速率减小、逆反应速率增大,当正、逆反应速率相等时该反应达到平衡状态,符合图像;D项,H2SO4和Ba(OH)2反应生成硫酸钡和水,导致溶液中离子浓度减小,当二者恰好完全反应时溶液中离子浓度几乎为0,所以不符合图像。2.答案:D解析:使用催化剂不会使反应从放热反应变成吸热反应,A错误;加入催化剂只能改变反应速率,不能改变反应的能量变化,故使用和不使用催化剂相比反应的能量变化相同,B错误;由题图可知,1molCO(g)和2molH2(g)中的化学键完全被破坏需要吸收419kJ能量,C错误;破坏1molCO(g)和2molH2(g)中化学键需要吸收419kJ能量,形成1molCH3OH(g)中化学键释放510kJ能量,故1molCO(g)和2molH2(g)完全反应生成1molCH3OH(g)会释放出91kJ能量,D正确。3.答案:C解析:①煤、石油、天然气是最重要的化石燃料,正确。②电力是二次能源,错误。③化学反应的本质是旧化学键的断裂和新化学键的形成过程,断裂旧化学键吸收能量,形成新化学键释放能量,化学变化中能量变化的主要原因是旧键的断裂和新键的形成,正确。④氯化铵与氢氧化钡晶体反应,不需要加热,反应吸热,C的燃烧是放热反应,反应需要点燃,错误。⑤等质量的糖类在体内发生氧化还原反应和在体外燃烧都生成CO2和H2O,释放的能量相等,错误。⑥充电电池也不可能无限制反复充、放电,错误;⑦电池充、放电不为可逆反应,错误。4.答案:B解析:由电流方向可知,c为负极,d为正极。c为负极,发生氧化反应,电极反应式为Fe-2e-===Fe2+,无气泡产生,A错误;原电池工作时阳离子向正极移动,即向d极移动,则溶液中的H+和Fe2+向d移动,B正确;d为正极,发生还原反应,C错误;电池工作的过程中,SO eq \o\al(\s\up1(2-),\s\do1(4)) 不参加电极反应,则溶液中SO eq \o\al(\s\up1(2-),\s\do1(4)) 浓度基本不变,D错误。5.答案:D解析:浓硫酸和铁在常温下会发生钝化,即使二者反应也不会生成氢气,而是生成二氧化硫气体,A项错误;加入氯化钠溶液,溶液体积增大,氢离子浓度减小,则反应速率减小,B项错误;不论反应是吸热还是放热,升高温度,正、逆反应速率都增大,C项错误;对于化学反应,加入适当的催化剂,会加快反应速率,D项正确。6.答案:B解析:氢氧燃料电池工作时,通入氢气的一极(a极)为电池的负极,发生氧化反应,故A正确;通入氧气的一极(b极)为电池的正极,发生还原反应:O2+4e-+2H2O===4OH-,故B错误;氢氧燃料电池的总反应为2H2+O2===2H2O,故C正确;溶液中OH-向负极移动,K+、H+向正极移动,故D正确。7.答案:D解析:A项,没有对比实验,无法探究温度对H2O2分解制O2反应速率的影响;B项,有温度和催化剂两个变量,不能探究温度对H2O2分解制O2反应速率的影响;C项,虽然温度不同,但一个不加催化剂,另一个加催化剂,故不能探究温度对H2O2分解制O2反应速率的影响;D项,温度不同,其他条件都相同,可以探究温度对H2O2分解制O2反应速率的影响;故选D。8.答案:D解析:要选择Ⅱ和Ⅲ实验探究硫酸铜对反应速率的影响,则只需要硫酸铜固体的质量不同,其余条件都相同,所以必须控制t=35,A不合理;待测物理量是收集等体积(相同条件)气体所需要的时间,时间越长,反应速率越小,故B不合理;题述各实验中硫酸浓度相同,所以不可以探究硫酸浓度对反应速率的影响,C不合理;由A分析知,实验Ⅱ的温度为35℃,则反应速率Ⅱ>Ⅰ,实验Ⅲ中锌与置换出的铜及稀硫酸构成原电池,使Ⅲ的反应速率比Ⅱ大,实验Ⅳ中CuSO4固体用量过多,置换出的铜可能覆盖在锌表面而阻碍反应的进行,从而使反应速率大大减小,故四个实验的反应速率的大小关系可能为Ⅲ>Ⅱ>Ⅰ>Ⅳ,D合理。9.答案:B解析:A项,根据题中图像可知,反应过程中A的浓度减小,B、C的浓度增大,因此A为反应物,B、C为生成物,根据浓度的变化量可以确定反应为2A(g)2B(g)+C(g);B项,前2minA的分解速率v(A)=eq \f(0.4mol·L-1-0.2mol·L-1,2min)=0.1mol·L-1·min-1;C项,2min时,A的转化率α(A)=eq \f(0.4mol·L-1-0.2mol·L-1,0.4mol·L-1)×100%=50%;D项,2min时,c(A)=0.2mol·L-1,c(B)=0.3mol·L-1,c(C)=0.1mol·L-1,A、B、C的浓度之比为2∶3∶1;故选B。10.答案:D解析:①单位时间内生成nmolO2,同时生成2nmolNO2,说明反应v正=v逆,正确。②v正(NO)=v逆(NO2)=v逆(NO),说明反应v正=v逆,正确。③每消耗32g氧气,即1mol氧气,同时生成60gNO,即2molNO,说明反应v正=v逆,正确。④反应前后气体的化学计量数之和不相等,当达到平衡时,气体的压强不变,正确。⑤混合气体的颜色不再改变,说明NO2气体的浓度不变,达到平衡状态,正确。⑥反应前后气体的化学计量数之和不相等,当达到平衡时,气体的物质的量不变,则混合气体的平均摩尔质量不再改变,正确。⑦反应在体积固定的密闭容器中进行,气体的总质量及容器的体积始终不变,混合气体的密度始终不改变,密度不变不能作为判断平衡状态的标志,错误。11.答案:D解析:由图可知,总反应为水分解生成氢气和氧气,实现了光能向化学能的转化,反应的化学方程式为2H2Oeq \o(=====,\s\up7(光照),\s\do5(催化剂))2H2↑+O2↑,A正确;过程Ⅰ为2molH2O分子变成2mol氢原子和2mol羟基的过程,吸收的能量=463kJ×2=926kJ,B正确;过程Ⅱ为2mol氢原子和2mol羟基生成1mol氢气和1mol过氧化氢,放出的能量=436kJ+138kJ=574kJ,C正确;过程Ⅲ为1mol过氧化氢变成1mol氧气和1mol氢气,断开1molH2O2中的2molH—O键和1molO—O键,形成1molO2中O===O键和1molH2中H—H键,吸收的能量=463kJ×2+138kJ=1064kJ,放出的能量=496kJ+436kJ=932kJ,吸收的能量大于放出的能量,该反应为吸热反应,D错误。12.答案:AB解析:图(3)是原电池装置,锌作负极失电子生成锌离子,铜作正极,溶液中铜离子得到电子生成铜,锌电极减轻,铜电极增重,A错误;图(2)是原电池装置,锌作负极,铜作正极,电子只能在金属导体中传递移动,不能在溶液中移动,B错误;图(1)是化学腐蚀,锌和稀硫酸发生反应生成氢气,铜和稀硫酸不反应,图(1)中铜棒上没有气体产生,C正确;图(2)与图(3)中电极反应为负极Zn-2e-===Zn2+,图(2)中正极上电极反应2H++2e-===H2↑,图(3)中正极电极反应为Cu2++2e-===Cu,正极生成物质的质量比为1∶32时,正极生成物的物质的量之比为1∶1,依据电子守恒计算两个原电池中电子转移量相同,所以反应的锌的质量相同,D正确。13.答案:C解析:将锌粒改为锌粉,增大了反应物之间的接触面积,生成H2的反应速率增大,A正确;浓度减小,反应速率减小,温度升高,反应速率增大,反应前4min内,产生氢气的速率增大,说明温度对反应速率的影响比浓度大,B正确;由题图可知,2~4min内平均反应速率最大,C错误;反应前4min内生成H2的平均速率v(H2)=eq \f(0.36mol·L-1,4min)=0.09mol·L-1·min-1,D正确。14.答案:BD解析:由图知,消耗n(CO2)=(1-0.9)mol=0.1mol、n(H2)=(0.5-0.2)mol=0.3mol,同一反应中参加反应的各物质的物质的量之比等于化学计量数之比,则n(CO2)∶n(H2)=0.1mol∶0.3mol=1∶3,根据原子守恒知,还生成H2O,所以反应的化学方程式为CO2+3H2⇌CH3OH+H2O,故A错误;v(H2)=eq \f(\f(0.3mol,1L),3min)=0.1mol·L-1·min-1,故B正确;反应前后气体总质量不变、容器容积不变,则反应前后气体密度始终不变,所以气体密度不变不能作为平衡状态判断标准,故C错误;根据反应的化学方程式可计算得3min时n(CH3OH)=0.1mol,由图像可以看出,10min时n(CH3OH)=0.1mol,则3min时反应达到平衡状态,即在3~10min内,反应处于平衡状态,故D正确。15.答案:C解析:由题中信息可知,实验①中发生氧化还原反应,H2C2O4作还原剂,生成的MnSO4能起自催化作用,故A正确;实验②加入了MnSO4固体后,褪色比实验①快,说明MnSO4的催化作用加快了反应速率,故B正确;实验③加入了稀盐酸之后,Cl-与KMnO4发生氧化还原反应,所以褪色比实验①快,Cl-是还原剂而不是催化剂,故C错误;若改用1mL0.2M的H2C2O4溶液做实验①,还原剂H2C2O4的浓度增大、反应速率加快,推测比原实验①褪色快,故D正确。16.答案:(1)放热 (2)ACE (3)正 有气泡产生 2H++2e-===H2↑ 负 正 (4)2Fe3++Fe===3Fe2+解析:(1)据图可知该反应中反应物能量高于生成物能量,所以为放热反应。(2)改铁片为铁粉可以增大接触面积加快反应速率,A选。常温下铁在浓硫酸中发生钝化,无法继续反应,B不选。升高温度可以加快反应速率,C选。该反应的反应物为固体和液体,所以压强的改变对反应速率几乎没有影响,D不选。加入少量硝酸铜溶液,硝酸根在酸性环境下表现强氧化性,会氧化铁单质生成Fe3+,硝酸根消耗完后Fe3+与Fe反应生成Fe2+,之后铁置换出铜附着在铁片上形成原电池,加入的硝酸铜少量,所以最终会加快反应速率,E选。加入醋酸钠,醋酸根会结合溶液中的氢离子形成弱电解质,导致溶液中氢离子浓度减小,反应速率减慢,F不选。加入氯化钠溶液相当于把硫酸稀释,会减慢反应速率,G不选。(3)电池总反应为Fe+H2SO4===FeSO4+H2↑,可知Fe应作负极,则铜为正极;铜片上发生反应2H++2e-===H2↑,所以会看到铜片上有气泡产生;外电路中电子由负极经导线流向正极。(4)若将电解质溶液改为FeCl3,由于Fe的还原性强于铜,所以形成原电池的总反应式为2Fe3++Fe===3Fe2+。17.答案:(1)化学能转化为电能 (2)Y H2-2e-===2H+ (3)X (4)0.224 (5)产物对环境无污染解析:(1)该装置为原电池,其能量转化形式为化学能转化为电能。(2)外电路电流方向为a→b,所以通Y气体的铂电极为负极,即H2失电子发生氧化反应,电极反应为H2-2e-===2H+。(3)原电池中阳离子移向正极,则H+向正极即通X气体的铂电极移动。(4)X为氧气,电极反应为O2+4H++4e-===2H2O,所以导线中通过0.04mol电子,理论上需要通入标准状况下X气体的体积为0.01mol×22.4L·mol-1=0.224L。(5)燃料电池的能量转化率高,其反应产物对环境无污染。18.答案:(1)①2~3 该反应是放热反应,此时温度升高,反应速率增大 ②0.025mol·L-1·min-1 (2)CD (3)①3X+Y⇌2Z ②CD解析:(1)①哪一时间段反应速率最大,就需要找哪个时间段放出的氢气体积最多,这几个时间段放出的氢气体积依次为100mL、140mL、224mL、112mL、44mL,因此2~3min反应速率最大;反应开始后反应速率先增大的原因是该反应是放热反应,此时温度升高,反应速率增大。②3~4min时间段生成氢气体积为112mL即物质的量为0.005mol,根据2HCl~H2关系,则消耗盐酸物质的量为0.01mol,盐酸的反应速率v(HCl)=eq \f(Δn,V·Δt)=eq \f(0.01mol,0.4L×1min)=0.025mol·L-1·min-1。(2)加蒸馏水,盐酸浓度降低,反应速率减慢,A可行;加KCl溶液,KCl不与盐酸反应,实际是加水,盐酸浓度降低,反应速率减慢,B可行;加KNO3溶液,氢离子、硝酸根、锌反应不再产生氢气,而生成一氧化氮,C不可行;加CuSO4溶液,锌和铜离子反应生成铜单质和锌离子,形成锌铜盐酸原电池,反应速率加快,D不可行。(3)①根据图像分析,在5min时,X减少0.6mol,Y减少0.2mol,Z增加0.4mol,根据物质的量变化之比等于化学计量数之比,得出该反应的化学方程式是3X+Y⇌2Z。②X、Y、Z的反应速率要谈两个反应方向,且速率比等于化学计量数比才能作为判断平衡的标志,A不符合题意;X、Y的反应速率比为3∶1,虽然速率比等于化学计量数比,但缺少两个相反的反应方向,B不符合题意;该反应是体积减小的反应,正向,压强不断减小,当容器内气体压强保持不变,则达到平衡,C符合题意;生成2molZ,正向,同时生成3molX,逆向,两个不同方向,且生成量等于化学计量数比,达到平衡,D符合题意。19.答案:Ⅰ.(1)①共价键 ②N—N键 N≡N键、H—O键 ③大于(2)液态空气中的液氮不能参与反应,液氢燃烧时,液氮挥发带走大量的热量,导致能量损失(3)液氢、液氧的沸点低,容易挥发Ⅱ.(1)氮 镁 (2)A (3)2Mg+CO22MgO+C 离子键 (4)离子解析:Ⅰ.(1)肼分子中含有N—H共价键和N—N共价键。因为燃烧反应为放热反应,故反应物的能量之和比生成物的能量之和大。(2)氢气在空气中和在纯氧中燃烧相同,释放的能量也相同,不同之处在于液态空气中的液氮不能参加反应,且在液氢燃烧时还会挥发带走氢气燃烧所放出的部分热量。(3)液氢、液氧的沸点低,在常温下易挥发,若要保持一定的量,需要不停地补加。Ⅱ.由X元素原子的L层比Y元素原子的L层少3个电子,而X元素原子的电子总数比Y元素原子的少5个,可推知Y元素原子的M层有2个电子,Y为Mg,则X为N。N、Mg与O可形成离子化合物Mg(NO3)2;N、Mg可形成离子化合物Mg3N2;Mg在空气中燃烧,能与CO2发生置换反应生成MgO和C。NH3与HNO3反应,生成的NH4NO3属于离子化合物。20.答案:(1)①温度 催化剂其他条件不变时,浓度越大反应速率越大其他条件不变时,温度越高反应速率越大其他条件不变时,催化剂能改变反应速率(或正催化剂能加快反应速率)②480
第2章章末质量检测卷(时间:75分钟 分值:100分)第Ⅰ卷(选择题)一、选择题:本题共10小题,每小题2分,共20分。每小题只有一个正确选择符合题意。1.如图图像与对应的叙述不符合的是( )A.图甲可表示石灰石分解反应的能量变化B.图乙可表示酶催化反应的反应速率随反应温度的变化C.图丙可表示在一定条件下的可逆反应,正反应速率和逆反应速率随时间的变化D.图丁可表示向H2SO4溶液中滴加Ba(OH)2溶液,溶液中的离子浓度随碱溶液体积的变化2.如图是1 mol CO(g)和2 mol H2(g)发生反应CO(g)+2H2(g)===CH3OH(g)过程中的能量变化曲线。曲线a表示不使用催化剂时反应的能量变化,曲线b表示使用催化剂时反应的能量变化。下列相关说法正确的是 ( )A.使用催化剂后该反应从放热反应变成了吸热反应B.使用和不使用催化剂相比反应的能量变化不同C.1 mol CO(g)和2 mol H2(g)中的化学键完全被破坏需要吸收510 kJ能量D.1 mol CO(g)和2 mol H2(g)完全反应生成1 mol CH3OH(g)会释放出91 kJ能量3.判断下列说法,其中正确的组合是 ( )①煤、石油、天然气是当今世界重要的化石能源②电力、风力、生物质能均是一次能源③化学变化中的能量变化主要是由化学键的变化引起的④吸热反应发生时一定要加热,放热反应发生时不需要加热⑤等质量的糖类在体内发生氧化还原反应和在体外燃烧均生成CO2和水时,放出的能量不可能相等⑥充电电池可以无限制地反复放电、充电⑦充电时的电池反应和放电时的电池反应为可逆反应A.①③⑤⑦ B.①②③⑤⑥ C.①③ D.①③④⑤4.右图是铁棒和碳棒在稀硫酸中所组成的原电池装置,c、d为两个电极。下列有关判断正确的是( )A.电池工作的过程中,c电极上产生气泡B.电池工作时,溶液中H+和Fe2+向d移动C.d为负极,发生氧化反应D.电池工作的过程中,溶液中SO eq \o\al(\s\up1(2-),\s\do1(4)) 浓度发生显著变化5.下列说法正确的是( )A.用铁片和稀硫酸反应制取氢气时,改用98%的浓硫酸可以增大生成氢气的速率B.100 mL 2 mol·L-1盐酸与锌片反应,加入适量的氯化钠溶液,反应速率不变C.二氧化硫的催化氧化是一个放热反应,升高温度,反应速率降低D.汽车尾气中的NO和CO可以缓慢反应生成N2和CO2,使用催化剂可以增大反应速率6.燃料电池是目前电池研究的热点之一。某课外小组自制的氢氧燃料电池如图所示,a、b均为惰性电极,下列叙述错误的是( )A.a极是负极,该电极上发生氧化反应B.b极发生的电极反应是O2+4OH--4e-===2H2OC.电池总反应为2H2+O2===2H2OD.溶液中OH-向负极移动,K+、H+向正极移动7.已知FeCl3和MnO2都可做H2O2分解制O2反应的催化剂,为了探究温度对该反应速率的影响,下列实验方案可行的是( )8.为了探究温度、硫酸铜对锌与稀硫酸反应速率的影响规律,某同学设计如下实验:下列推断合理的是 ( )A.为了选择Ⅱ和Ⅲ实验探究硫酸铜对反应速率的影响,必须控制t=25B.待测物理量是收集等体积(相同条件)气体所需要的时间,时间越长,反应速率越大C.根据该方案,可以探究浓度、温度、固体接触面积对反应速率的影响D.根据该实验方案得出反应速率大小可能是Ⅲ>Ⅱ>Ⅰ>Ⅳ9.如图所示为800 ℃时A、B、C三种气体在密闭容器中反应时浓度的变化,只从图上分析不能得出的结论是( )A.发生的反应可表示为2A(g) eq \o(,\s\up7(800 ℃)) 2B(g)+C(g)B.前2 min A的分解速率为0.1 mol·L-1·s-1C.2 min时,A的转化率为50%D.2 min时,A、B、C的浓度之比为2∶3∶110.一定温度下,可逆反应2NO2(g)⇌2NO(g)+O2(g)在体积固定的密闭容器中反应,达到平衡状态的标志是 ( )①单位时间内生成n mol O2,同时生成2n mol NO2②v正(NO)=v逆(NO2)③每消耗32 g氧气,同时生成60 g NO ④混合气体的压强不再改变⑤混合气体的颜色不再改变 ⑥混合气体的平均相对分子质量不再改变⑦混合气体的密度不再改变A.①④⑤⑥ B.①②③⑤C.①②③④⑤ D.①②③④⑤⑥二、选择题:本题共5小题,每小题4分,共20分。每小题有一个或两个选项符合题意,全部选对得4分,选对但不全的得2分,有选错的得0分。11.我国研究人员研制出一种新型复合光催化剂,利用太阳光在催化剂表面实现高效分解水,其主要过程如图所示。已知:几种物质中化学键的键能如下表所示。若反应过程中分解了2 mol H2O,则下列说法不正确的是( )A.总反应为2H2O eq \o(=====,\s\up7(光照),\s\do5(催化剂)) 2H2↑+O2↑ B.过程Ⅰ吸收了926 kJ能量C.过程Ⅱ放出了574 kJ能量 D.过程Ⅲ属于放热反应12.某学生用如图装置研究原电池原理,下列有关说法错误的是( )A.图(3)中Zn片增加质量与Cu片减轻质量的比为65∶64B.图(2)中,电子经溶液由铜片流向锌片C.图(1)中铜片上没有气体产生D.图(2)与图(3)中正极生成物的质量比为1∶32时,Zn片减轻的质量相等13.已知一定质量的锌粒与稀盐酸反应,生成H2的浓度与反应时间的关系如图所示,下列结论不正确的是( )A.若将锌粒改为锌粉,可加快产生H2的反应速率B.反应前4 min内温度对反应速率的影响比浓度大C.反应开始2 min内平均反应速率最大D.反应前4 min内生成H2的平均速率v(H2)=0.09 mol·L-1·min-114.180 ℃时将0.5 mol H2和1 mol CO2通入1 L的恒容密闭容器中,反应生成甲醇蒸气(CH3OH)和某无机副产物,测得各物质的物质的量随时间的部分变化如图所示,下列说法中正确的是 ( )A.该反应的化学方程式:2CO2+4H2⇌2CH3OH+O2B.在0~3 min内用H2表示的平均化学反应速率为0.1 mol·L-1·min-1C.当容器内混合气体密度不再变化时,表明反应已经达到平衡状态D.在3~10 min内,反应达到平衡状态15.资料显示:自催化作用是指反应产物之一使该反应的反应速率加快。用稀硫酸酸化的KMnO4溶液进行下列三组实验,一段时间后溶液均褪色(0.01 mol·L-1可以记作0.01 M)。下列说法不正确的是 ( )A.实验①中发生氧化还原反应,H2C2O4是还原剂,产物MnSO4能起自催化作用B.实验②褪色比实验①快,是因为MnSO4的催化作用加快了反应速率C.实验③褪色比实验①快,是因为Cl-的催化作用加快了反应速率D.若改用1 mL 0.2 M的H2C2O4溶液做实验①,推测比原实验①褪色快第Ⅱ卷(非选择题)三、非选择题:本题包括5小题,共60分。16.(10分)反应Fe+H2SO4===FeSO4+H2↑的能量变化趋势如图所示:(1)该反应为________(填“吸热”或“放热”)反应。(2)若要使该反应的反应速率加快,下列措施可行的是________(填字母)。A.改铁片为铁粉 B.改稀硫酸为98%的浓硫酸C.升高温度 D.减小压强E.加入少量的硝酸铜溶液 F.加入醋酸钠固体G.加入氯化钠溶液(3)若将上述反应设计成原电池,铜为原电池某一极材料,则铜为________(填“正”或“负”)极。铜片上产生的现象为____________________,该极上发生的电极反应为__________________________,外电路中电子由________(填“正”或“负”,下同)极经导线向________极移动。(4)若将电解质溶液改为FeCl3,则形成原电池的总反应式:________________________________________________________________________。17.(10分)氢氧燃料电池是符合绿色化学理念的新型发电装置。下图电池电极表面镀有一层细小的铂粉,铂吸附气体能力强,性质稳定。已知该电池的外电路电流方向为a→b。回答下列问题:(1)该装置能量转化形式是____________________。(2)通________(填“X”或“Y”)气体的铂电极是负极,电极反应式为________________________________________________________________________。(3)H2SO4溶液作为离子导体,H+向通________(填“X”或“Y”)气体的铂电极移动。(4)若导线中通过0.04 mol电子,理论上需要通入标准状况下________L X气体。(5)与氢气类似,甲烷、CO、醇类等均可作为燃料电池的燃料,与直接燃烧相比,燃料电池有许多优点,其中主要有两点:首先是燃料电池的能量转化率高,其次是________________________________________________________________________。18.(12分)化学反应速率和限度与生产、生活密切相关。(1)某学生为了探究锌与盐酸反应过程中的速率变化,在400 mL稀盐酸中加入足量的锌粉,用排水集气法收集反应放出的氢气(标准状况),实验记录如下表(氢气体积为累计值):①哪一时间段反应速率最大________(填“0~1”“1~2”“2~3”“3~4”“4~5”)min。反应开始后反应速率先增大的原因是____________________________________。②求3~4 min时间段以盐酸的浓度变化来表示的该反应速率:________(设溶液体积不变)。(2)另一学生为控制反应速率防止反应过快难以测量氢气体积,他事先在盐酸中加入少量的下列溶液以减慢反应速率,你认为不可行的是________。A.蒸馏水 B.KCl溶液 C.KNO3溶液 D.CuSO4溶液 (3)某温度下在4 L密闭容器中,X、Y、Z三种气态物质的物质的量随时间变化曲线如图。①该反应的化学方程式是__________________________________________________。②该反应达到平衡状态的标志是________。A.X、Y、Z的反应速率相等B.X、Y的反应速率比为3∶1C.容器内气体压强保持不变D.生成2 mol Z的同时生成3 mol X19.(14分)Ⅰ.我国航天航空事业蒸蒸日上,航天航空的关键技术是火箭,火箭燃料有液氢、乙炔(C2H2)、甲烷、煤油、肼(N2H4)等。请回答下列问题:(1)已知肼的结构简式可表示为H2N—NH2。①肼分子中的化学键类型为________。②肼在氧气中燃烧生成无毒的物质,则反应中肼断裂的化学键有N—H键、________,新形成的化学键有________。③根据肼燃烧过程中的能量变化,说明反应物能量之和________(填“大于”“等于”或“小于”)生成物能量之和。(2)氢燃料汽车中氢的燃烧与火箭中氢的燃烧最大的不同在于前者使用的是空气作氧化剂,而后者使用的是液氧。火箭中不能使用液化空气,原因是________________________________________________________________________。(3)火箭发射前,当液氢、液氧加到一定量后,技术人员还要不停地补加,请你说出这种做法的原因:_________________________________________________________________。Ⅱ.已知X元素原子的L层比Y元素原子的L层少3个电子,Y元素原子核外电子数比X元素原子核外电子数多5,请回答下列问题:(1)写出两种元素的名称:X________,Y________。(2)X、Y可形成________(填标号)。A.离子化合物Y(XO3)2 B.离子化合物Y2X3C.共价化合物Y3X2 D.共价化合物XY2(3)已知Y元素的单质能在空气中燃烧,写出其中属于置换反应的化学方程式:____________________________________________,分析所得化合物中所含化学键的类型:________。(4)X元素的氢化物能与它的最高价氧化物的水化物反应,其产物属于________(填“离子”或“共价”)化合物。20.(14分)某实验小组对H2O2的分解做了如下探究:下表是该实验小组研究影响H2O2分解速率的因素时记录的一组数据:用10 mL H2O2制取150 mL(标准状况下)O2所需的时间(s)(1)①该实验小组在设计方案时,考虑了浓度、________、________等因素对H2O2分解速率的影响。上述因素对H2O2分解速率的影响分别是__________________________________;__________________________________;__________________________________。②推测t(s)的范围为________。(2)将质量相同但聚集状态不同的MnO2分别加入15 mL 5%的H2O2溶液中,并用带火星的木条测试,结果如下:①写出上述实验中发生反应的化学方程式________________________________________________________________________。②实验结果表明,催化剂的催化效果与________有关。第2章章末质量检测卷1.答案:D解析:A项,反应物总能量小于生成物总能量,该反应为吸热反应,石灰石分解为吸热反应,符合图像;B项,在一定温度范围内酶作催化剂能加快化学反应速率,较高温度下酶变性,加入酶作催化剂时,反应速率随着温度升高先增大后减小,符合图像;C项,在一定条件下的可逆反应,随着反应的进行,正反应速率减小、逆反应速率增大,当正、逆反应速率相等时该反应达到平衡状态,符合图像;D项,H2SO4和Ba(OH)2反应生成硫酸钡和水,导致溶液中离子浓度减小,当二者恰好完全反应时溶液中离子浓度几乎为0,所以不符合图像。2.答案:D解析:使用催化剂不会使反应从放热反应变成吸热反应,A错误;加入催化剂只能改变反应速率,不能改变反应的能量变化,故使用和不使用催化剂相比反应的能量变化相同,B错误;由题图可知,1molCO(g)和2molH2(g)中的化学键完全被破坏需要吸收419kJ能量,C错误;破坏1molCO(g)和2molH2(g)中化学键需要吸收419kJ能量,形成1molCH3OH(g)中化学键释放510kJ能量,故1molCO(g)和2molH2(g)完全反应生成1molCH3OH(g)会释放出91kJ能量,D正确。3.答案:C解析:①煤、石油、天然气是最重要的化石燃料,正确。②电力是二次能源,错误。③化学反应的本质是旧化学键的断裂和新化学键的形成过程,断裂旧化学键吸收能量,形成新化学键释放能量,化学变化中能量变化的主要原因是旧键的断裂和新键的形成,正确。④氯化铵与氢氧化钡晶体反应,不需要加热,反应吸热,C的燃烧是放热反应,反应需要点燃,错误。⑤等质量的糖类在体内发生氧化还原反应和在体外燃烧都生成CO2和H2O,释放的能量相等,错误。⑥充电电池也不可能无限制反复充、放电,错误;⑦电池充、放电不为可逆反应,错误。4.答案:B解析:由电流方向可知,c为负极,d为正极。c为负极,发生氧化反应,电极反应式为Fe-2e-===Fe2+,无气泡产生,A错误;原电池工作时阳离子向正极移动,即向d极移动,则溶液中的H+和Fe2+向d移动,B正确;d为正极,发生还原反应,C错误;电池工作的过程中,SO eq \o\al(\s\up1(2-),\s\do1(4)) 不参加电极反应,则溶液中SO eq \o\al(\s\up1(2-),\s\do1(4)) 浓度基本不变,D错误。5.答案:D解析:浓硫酸和铁在常温下会发生钝化,即使二者反应也不会生成氢气,而是生成二氧化硫气体,A项错误;加入氯化钠溶液,溶液体积增大,氢离子浓度减小,则反应速率减小,B项错误;不论反应是吸热还是放热,升高温度,正、逆反应速率都增大,C项错误;对于化学反应,加入适当的催化剂,会加快反应速率,D项正确。6.答案:B解析:氢氧燃料电池工作时,通入氢气的一极(a极)为电池的负极,发生氧化反应,故A正确;通入氧气的一极(b极)为电池的正极,发生还原反应:O2+4e-+2H2O===4OH-,故B错误;氢氧燃料电池的总反应为2H2+O2===2H2O,故C正确;溶液中OH-向负极移动,K+、H+向正极移动,故D正确。7.答案:D解析:A项,没有对比实验,无法探究温度对H2O2分解制O2反应速率的影响;B项,有温度和催化剂两个变量,不能探究温度对H2O2分解制O2反应速率的影响;C项,虽然温度不同,但一个不加催化剂,另一个加催化剂,故不能探究温度对H2O2分解制O2反应速率的影响;D项,温度不同,其他条件都相同,可以探究温度对H2O2分解制O2反应速率的影响;故选D。8.答案:D解析:要选择Ⅱ和Ⅲ实验探究硫酸铜对反应速率的影响,则只需要硫酸铜固体的质量不同,其余条件都相同,所以必须控制t=35,A不合理;待测物理量是收集等体积(相同条件)气体所需要的时间,时间越长,反应速率越小,故B不合理;题述各实验中硫酸浓度相同,所以不可以探究硫酸浓度对反应速率的影响,C不合理;由A分析知,实验Ⅱ的温度为35℃,则反应速率Ⅱ>Ⅰ,实验Ⅲ中锌与置换出的铜及稀硫酸构成原电池,使Ⅲ的反应速率比Ⅱ大,实验Ⅳ中CuSO4固体用量过多,置换出的铜可能覆盖在锌表面而阻碍反应的进行,从而使反应速率大大减小,故四个实验的反应速率的大小关系可能为Ⅲ>Ⅱ>Ⅰ>Ⅳ,D合理。9.答案:B解析:A项,根据题中图像可知,反应过程中A的浓度减小,B、C的浓度增大,因此A为反应物,B、C为生成物,根据浓度的变化量可以确定反应为2A(g)2B(g)+C(g);B项,前2minA的分解速率v(A)=eq \f(0.4mol·L-1-0.2mol·L-1,2min)=0.1mol·L-1·min-1;C项,2min时,A的转化率α(A)=eq \f(0.4mol·L-1-0.2mol·L-1,0.4mol·L-1)×100%=50%;D项,2min时,c(A)=0.2mol·L-1,c(B)=0.3mol·L-1,c(C)=0.1mol·L-1,A、B、C的浓度之比为2∶3∶1;故选B。10.答案:D解析:①单位时间内生成nmolO2,同时生成2nmolNO2,说明反应v正=v逆,正确。②v正(NO)=v逆(NO2)=v逆(NO),说明反应v正=v逆,正确。③每消耗32g氧气,即1mol氧气,同时生成60gNO,即2molNO,说明反应v正=v逆,正确。④反应前后气体的化学计量数之和不相等,当达到平衡时,气体的压强不变,正确。⑤混合气体的颜色不再改变,说明NO2气体的浓度不变,达到平衡状态,正确。⑥反应前后气体的化学计量数之和不相等,当达到平衡时,气体的物质的量不变,则混合气体的平均摩尔质量不再改变,正确。⑦反应在体积固定的密闭容器中进行,气体的总质量及容器的体积始终不变,混合气体的密度始终不改变,密度不变不能作为判断平衡状态的标志,错误。11.答案:D解析:由图可知,总反应为水分解生成氢气和氧气,实现了光能向化学能的转化,反应的化学方程式为2H2Oeq \o(=====,\s\up7(光照),\s\do5(催化剂))2H2↑+O2↑,A正确;过程Ⅰ为2molH2O分子变成2mol氢原子和2mol羟基的过程,吸收的能量=463kJ×2=926kJ,B正确;过程Ⅱ为2mol氢原子和2mol羟基生成1mol氢气和1mol过氧化氢,放出的能量=436kJ+138kJ=574kJ,C正确;过程Ⅲ为1mol过氧化氢变成1mol氧气和1mol氢气,断开1molH2O2中的2molH—O键和1molO—O键,形成1molO2中O===O键和1molH2中H—H键,吸收的能量=463kJ×2+138kJ=1064kJ,放出的能量=496kJ+436kJ=932kJ,吸收的能量大于放出的能量,该反应为吸热反应,D错误。12.答案:AB解析:图(3)是原电池装置,锌作负极失电子生成锌离子,铜作正极,溶液中铜离子得到电子生成铜,锌电极减轻,铜电极增重,A错误;图(2)是原电池装置,锌作负极,铜作正极,电子只能在金属导体中传递移动,不能在溶液中移动,B错误;图(1)是化学腐蚀,锌和稀硫酸发生反应生成氢气,铜和稀硫酸不反应,图(1)中铜棒上没有气体产生,C正确;图(2)与图(3)中电极反应为负极Zn-2e-===Zn2+,图(2)中正极上电极反应2H++2e-===H2↑,图(3)中正极电极反应为Cu2++2e-===Cu,正极生成物质的质量比为1∶32时,正极生成物的物质的量之比为1∶1,依据电子守恒计算两个原电池中电子转移量相同,所以反应的锌的质量相同,D正确。13.答案:C解析:将锌粒改为锌粉,增大了反应物之间的接触面积,生成H2的反应速率增大,A正确;浓度减小,反应速率减小,温度升高,反应速率增大,反应前4min内,产生氢气的速率增大,说明温度对反应速率的影响比浓度大,B正确;由题图可知,2~4min内平均反应速率最大,C错误;反应前4min内生成H2的平均速率v(H2)=eq \f(0.36mol·L-1,4min)=0.09mol·L-1·min-1,D正确。14.答案:BD解析:由图知,消耗n(CO2)=(1-0.9)mol=0.1mol、n(H2)=(0.5-0.2)mol=0.3mol,同一反应中参加反应的各物质的物质的量之比等于化学计量数之比,则n(CO2)∶n(H2)=0.1mol∶0.3mol=1∶3,根据原子守恒知,还生成H2O,所以反应的化学方程式为CO2+3H2⇌CH3OH+H2O,故A错误;v(H2)=eq \f(\f(0.3mol,1L),3min)=0.1mol·L-1·min-1,故B正确;反应前后气体总质量不变、容器容积不变,则反应前后气体密度始终不变,所以气体密度不变不能作为平衡状态判断标准,故C错误;根据反应的化学方程式可计算得3min时n(CH3OH)=0.1mol,由图像可以看出,10min时n(CH3OH)=0.1mol,则3min时反应达到平衡状态,即在3~10min内,反应处于平衡状态,故D正确。15.答案:C解析:由题中信息可知,实验①中发生氧化还原反应,H2C2O4作还原剂,生成的MnSO4能起自催化作用,故A正确;实验②加入了MnSO4固体后,褪色比实验①快,说明MnSO4的催化作用加快了反应速率,故B正确;实验③加入了稀盐酸之后,Cl-与KMnO4发生氧化还原反应,所以褪色比实验①快,Cl-是还原剂而不是催化剂,故C错误;若改用1mL0.2M的H2C2O4溶液做实验①,还原剂H2C2O4的浓度增大、反应速率加快,推测比原实验①褪色快,故D正确。16.答案:(1)放热 (2)ACE (3)正 有气泡产生 2H++2e-===H2↑ 负 正 (4)2Fe3++Fe===3Fe2+解析:(1)据图可知该反应中反应物能量高于生成物能量,所以为放热反应。(2)改铁片为铁粉可以增大接触面积加快反应速率,A选。常温下铁在浓硫酸中发生钝化,无法继续反应,B不选。升高温度可以加快反应速率,C选。该反应的反应物为固体和液体,所以压强的改变对反应速率几乎没有影响,D不选。加入少量硝酸铜溶液,硝酸根在酸性环境下表现强氧化性,会氧化铁单质生成Fe3+,硝酸根消耗完后Fe3+与Fe反应生成Fe2+,之后铁置换出铜附着在铁片上形成原电池,加入的硝酸铜少量,所以最终会加快反应速率,E选。加入醋酸钠,醋酸根会结合溶液中的氢离子形成弱电解质,导致溶液中氢离子浓度减小,反应速率减慢,F不选。加入氯化钠溶液相当于把硫酸稀释,会减慢反应速率,G不选。(3)电池总反应为Fe+H2SO4===FeSO4+H2↑,可知Fe应作负极,则铜为正极;铜片上发生反应2H++2e-===H2↑,所以会看到铜片上有气泡产生;外电路中电子由负极经导线流向正极。(4)若将电解质溶液改为FeCl3,由于Fe的还原性强于铜,所以形成原电池的总反应式为2Fe3++Fe===3Fe2+。17.答案:(1)化学能转化为电能 (2)Y H2-2e-===2H+ (3)X (4)0.224 (5)产物对环境无污染解析:(1)该装置为原电池,其能量转化形式为化学能转化为电能。(2)外电路电流方向为a→b,所以通Y气体的铂电极为负极,即H2失电子发生氧化反应,电极反应为H2-2e-===2H+。(3)原电池中阳离子移向正极,则H+向正极即通X气体的铂电极移动。(4)X为氧气,电极反应为O2+4H++4e-===2H2O,所以导线中通过0.04mol电子,理论上需要通入标准状况下X气体的体积为0.01mol×22.4L·mol-1=0.224L。(5)燃料电池的能量转化率高,其反应产物对环境无污染。18.答案:(1)①2~3 该反应是放热反应,此时温度升高,反应速率增大 ②0.025mol·L-1·min-1 (2)CD (3)①3X+Y⇌2Z ②CD解析:(1)①哪一时间段反应速率最大,就需要找哪个时间段放出的氢气体积最多,这几个时间段放出的氢气体积依次为100mL、140mL、224mL、112mL、44mL,因此2~3min反应速率最大;反应开始后反应速率先增大的原因是该反应是放热反应,此时温度升高,反应速率增大。②3~4min时间段生成氢气体积为112mL即物质的量为0.005mol,根据2HCl~H2关系,则消耗盐酸物质的量为0.01mol,盐酸的反应速率v(HCl)=eq \f(Δn,V·Δt)=eq \f(0.01mol,0.4L×1min)=0.025mol·L-1·min-1。(2)加蒸馏水,盐酸浓度降低,反应速率减慢,A可行;加KCl溶液,KCl不与盐酸反应,实际是加水,盐酸浓度降低,反应速率减慢,B可行;加KNO3溶液,氢离子、硝酸根、锌反应不再产生氢气,而生成一氧化氮,C不可行;加CuSO4溶液,锌和铜离子反应生成铜单质和锌离子,形成锌铜盐酸原电池,反应速率加快,D不可行。(3)①根据图像分析,在5min时,X减少0.6mol,Y减少0.2mol,Z增加0.4mol,根据物质的量变化之比等于化学计量数之比,得出该反应的化学方程式是3X+Y⇌2Z。②X、Y、Z的反应速率要谈两个反应方向,且速率比等于化学计量数比才能作为判断平衡的标志,A不符合题意;X、Y的反应速率比为3∶1,虽然速率比等于化学计量数比,但缺少两个相反的反应方向,B不符合题意;该反应是体积减小的反应,正向,压强不断减小,当容器内气体压强保持不变,则达到平衡,C符合题意;生成2molZ,正向,同时生成3molX,逆向,两个不同方向,且生成量等于化学计量数比,达到平衡,D符合题意。19.答案:Ⅰ.(1)①共价键 ②N—N键 N≡N键、H—O键 ③大于(2)液态空气中的液氮不能参与反应,液氢燃烧时,液氮挥发带走大量的热量,导致能量损失(3)液氢、液氧的沸点低,容易挥发Ⅱ.(1)氮 镁 (2)A (3)2Mg+CO22MgO+C 离子键 (4)离子解析:Ⅰ.(1)肼分子中含有N—H共价键和N—N共价键。因为燃烧反应为放热反应,故反应物的能量之和比生成物的能量之和大。(2)氢气在空气中和在纯氧中燃烧相同,释放的能量也相同,不同之处在于液态空气中的液氮不能参加反应,且在液氢燃烧时还会挥发带走氢气燃烧所放出的部分热量。(3)液氢、液氧的沸点低,在常温下易挥发,若要保持一定的量,需要不停地补加。Ⅱ.由X元素原子的L层比Y元素原子的L层少3个电子,而X元素原子的电子总数比Y元素原子的少5个,可推知Y元素原子的M层有2个电子,Y为Mg,则X为N。N、Mg与O可形成离子化合物Mg(NO3)2;N、Mg可形成离子化合物Mg3N2;Mg在空气中燃烧,能与CO2发生置换反应生成MgO和C。NH3与HNO3反应,生成的NH4NO3属于离子化合物。20.答案:(1)①温度 催化剂其他条件不变时,浓度越大反应速率越大其他条件不变时,温度越高反应速率越大其他条件不变时,催化剂能改变反应速率(或正催化剂能加快反应速率)②480
相关资料
更多