所属成套资源:2023年高中通用技术(浙江)苏教版必修一 选考一轮复习考点专练
新教材选考专项复习考点21 金工工艺流程 练习
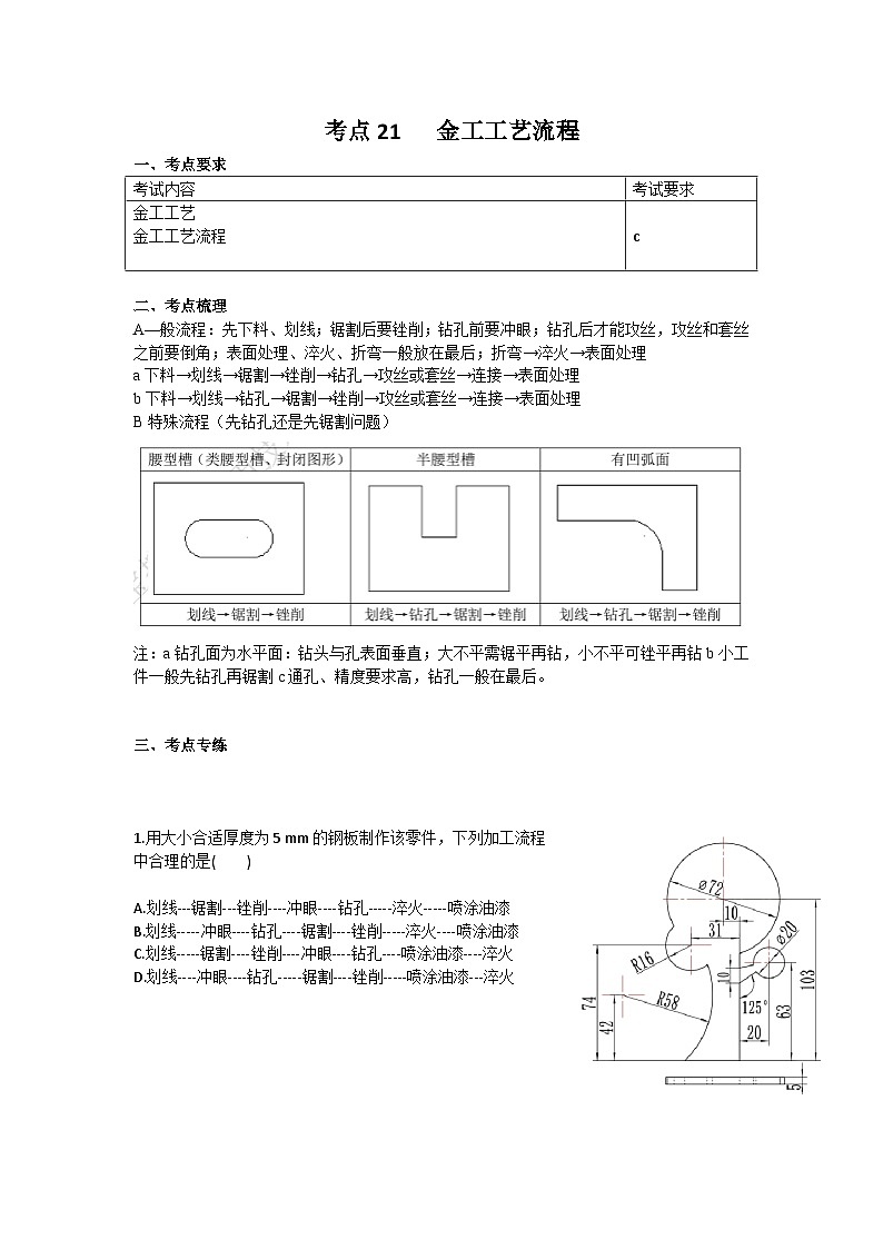
展开考点21 金工工艺流程一、考点要求二、考点梳理A—般流程:先下料、划线;锯割后要锉削;钻孔前要冲眼;钻孔后才能攻丝,攻丝和套丝之前要倒角;表面处理、淬火、折弯一般放在最后;折弯→淬火→表面处理a下料→划线→锯割→锉削→钻孔→攻丝或套丝→连接→表面处理b下料→划线→钻孔→锯割→锉削→攻丝或套丝→连接→表面处理B特殊流程(先钻孔还是先锯割问题)注:a钻孔面为水平面:钻头与孔表面垂直;大不平需锯平再钻,小不平可锉平再钻b小工件一般先钻孔再锯割c通孔、精度要求高,钻孔一般在最后。三、考点专练1.用大小合适厚度为5 mm的钢板制作该零件,下列加工流程中合理的是( )A.划线---锯割---锉削----冲眼----钻孔-----淬火-----喷涂油漆B.划线-----冲眼----钻孔----锯割----锉削-----淬火----喷涂油漆C.划线-----锯割----锉削----冲眼----钻孔----喷涂油漆----淬火D.划线----冲眼----钻孔-----锯割----锉削-----喷涂油漆---淬火2.(2022.05温州三模)小明用足够大的钢板(厚度为5 mm)加工该零件时,下列工具选择和操作不合理的是( )A.合理的力口工流程为:画线——钻孔——锯割——锉削B.加工外轮廓仅需要:钢锯、圆锉C. R25圆弧划线需要:钢直尺、划针、划规D.钻孔时不能直接用手扶持工件,可用平口钳夹持3.(2022.05强基联盟)用大小合适的长方形钢板制作该工件,下列说法中不合理的有( )A.锯割两侧斜线时,必须保证锯割面与地面垂直B.划线需要用到划针、钢直尺、样冲、划规等工具C.合理的加工流程可以为:划线---锯割-----锉削-----钻孔表面处理D.加工过程中必须用到圆锉或者半圆锉 4.(2022.05柯桥二模)小明用180mmX 110mmX l 0mm的钢板在通用技术活动室制作该零件,下列操作中不恰当的是( )A.加工中需要用到划针、钢直尺、划规、样冲、圆锉B.锉刀缝隙嵌有锉屑时会影响锉削效果,可以用毛刷去除C.钻孔的步骤为:划线定位(冲眼)---装夹工件---装夹钻头----钻孔D.锯割该零件时,应选用细齿锯条,且安装锯条时要松紧适宜5.(2022.05金丽衢12校)下列加工流程合理的是( )A.划线一冲眼一钻孔一锯割一锉削B.划线一锯割一锉削一冲眼一钻孔C.划线一冲眼一锉削一钻孔一锯割D.划线一锯割一锉削一钻孔一冲眼6.(2022.02浙江十校)用厚度为5 mm的钢板制作该零件,下列加工流程中合理的是( )A.划线一冲眼一钻孔一锯割一锉削一淬火C.划线一冲眼一钻孔一淬火一锯割一锉削B.划线一锯割一锉削一冲眼一钻孔一淬火D.划线一锯割一淬火一冲眼一钻孔一锉削7.如图所示,为小车轮的结构示意图,小明想在通用技术实践课上,用一块大小合适的钢板制作出来,为保证车轮性能,要求作为连接轴孔的两个通孔要保持水平对齐。请根据图示及描述完成下列小问。(1)以下是用划针在金属工件表面划线操作的示意图,其中正确的是( )(2)加工该工件需要涉及的加工工艺有:①划线②钻孔③锯割④锉削⑤弯折,请补充完整下列加工流程:划线——钻孔——锯割——锉削———_______———_______————_____(3)为了美观和防锈,小明可采取的工艺操作为_______(在A.淬火;B.喷涂油漆;C.回火;中选择合适的一选,将序号填入"_______"处);8.通用技术实践课上,小明用3 mm厚大小合适的钢板制作如图所示连接件,请根据图片和描述完成下列问题。(1)合理的加工流程是:划线----_____-----______-------_____------______(在A.锉削;B.弯折;C.钻孔;D.锯割中选择合适的选项,将选项填入"_____"处)(2)下列关于该连接件在制作加工过程中的注意事项,正确的是_____A.锯割前,应充分考虑加工损耗,在材料上留足加工余量;B.钻孔时,要用平口钳夹紧工件,佩戴好护目镜,但不可戴手套;C.为了保证连接的强度,可以将材料先淬火后再弯折成形。(3)连接件制作完成后,为防止连接件因受潮而生锈,小明能够采取的表面处理工艺______(在A.表面抛光;B.喷涂油漆;C.电镀中选择合适的选项,将选项填入“_____”处)9.如图所示为一款人脸识别考勤机,安装在实验室门旁墙上,对做实验学生进行考勤使用。小明准备用2mm钢板制作一个支架将考勤机安装在墙上,不用时方便取下。请完成以下任务:(1)以下最适合用于支架安装的标准件是______(选择合适的一项,将序号填写在"______"处);(2)实验管理员使用时发现支架取放不方便,则下列支架与墙连接处安装孔改进最合适的是_____(选择合适的一项,将序号填写在“____”处),这主要体现了设计的____原则(在“A.经济;B.实用;C.美观”中选择合适的选项,将序号填写在“______"处);(3)加工上题中最佳安装孔,合理的加工顺序是:划线一_____-----_____(在“A钻孔;B.锯割;C.锉削”中选择合适的选项,将序号填写在“_____”处);(4)支架加工过程中用不到的工具是_______(在“A台虎钳;B.钢锯;C.平锉;D.手摇钻”中选择合适的一项,将序号填写在"_____"处);四、参考答案1-6:BBCBAA7.C⑤ ① ② B8.(1)C.D. A、B (2) A (3) B9.(1)D(2) A, B(顺序不能颠倒)(3) A, C(顺序不能颠倒)(4)D考试内容考试要求金工工艺金工工艺流程c

