苏教版 (2019)必修 第一册第一单元 含硫化合物的性质学案
展开
这是一份苏教版 (2019)必修 第一册第一单元 含硫化合物的性质学案,共15页。
课程目标
1.了解硫的存在、性质和用途。
2.掌握SO2的性质与用途。
图说考点
学业基础——自学·思记·尝试
[新知预习]
一、硫的存在、性质与用途
1.存在:自然界中硫元素有__________态和__________态两种存在形式。
(1)游离态的硫存在于火山喷口的岩层中。
(2)化合态的硫主要存在于__________和__________中,火山喷出物中含有硫的氢化物和氧化物等。
(3)化石燃料石油、煤中也存在硫元素,化石燃料燃烧能产生__________气体。
2.物理性质
硫俗称________,单质硫通常是________或________的固体。单质硫质________,易研成粉末,密度比水________,难溶于水,易溶于CS2。
3.与氧气反应
硫在空气中燃烧发出________,在纯氧中燃烧发出明亮的________,反应的化学方程式为________________________。
4.用途
(1)制硫酸、化肥、杀虫剂等。
(2)制黑火药、烟花爆竹。
特别提醒
S与O2的反应中,不管O2是否过量,只能生成SO2,不能生成SO3。
二、二氧化硫的性质及用途
1.物理性质
2.化学性质
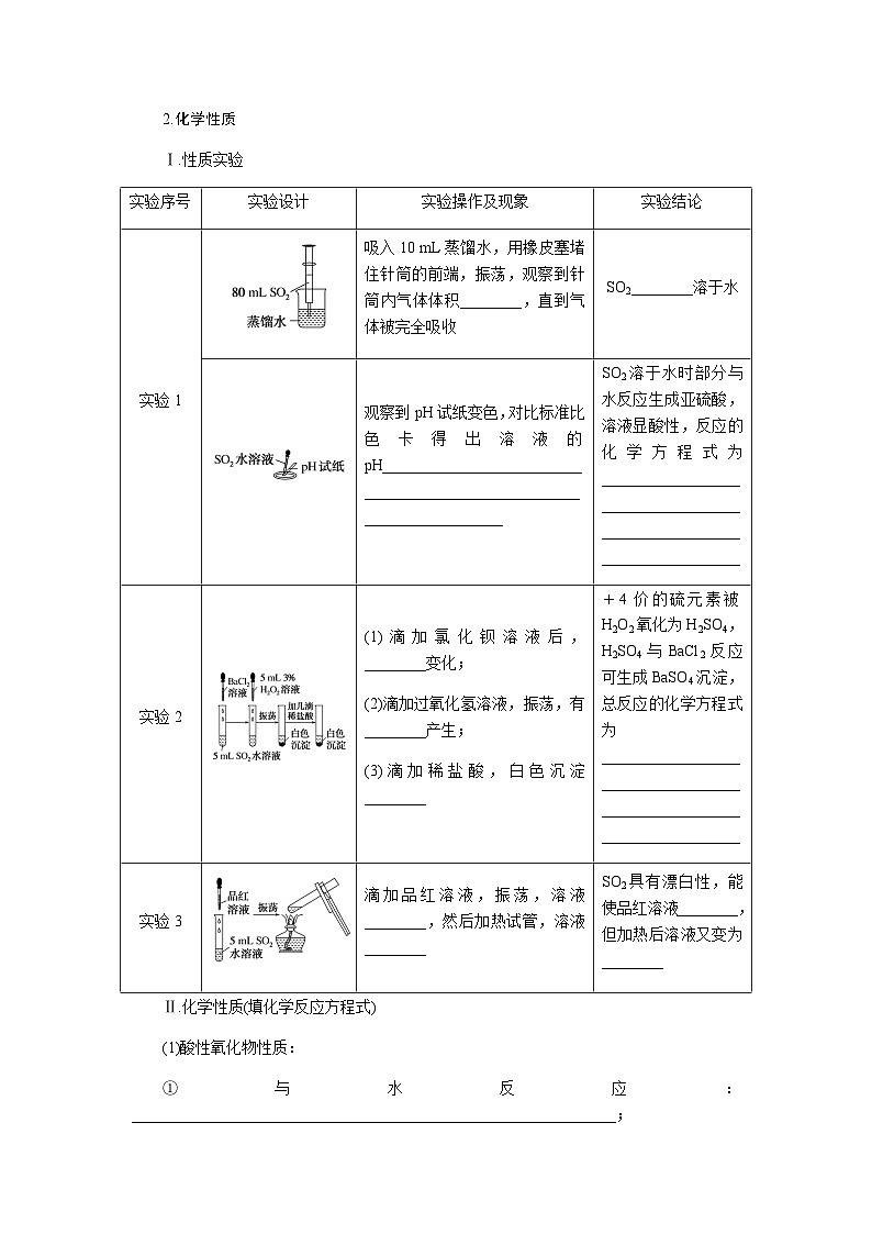
Ⅰ.性质实验
Ⅱ.化学性质(填化学反应方程式)
(1)酸性氧化物性质:
①与水反应: _______________________________________________________________;
②与碱反应[如NaOH(足量)]:
________________________________________________________________________;
③与碱性氧化物反应(如CaO):
________________________________________________________________________。
(2)强还原性:可被多种氧化剂(如O2、Cl2、Br2、I2、HNO3、KMnO4、H2O2等)氧化。
①SO2与O2反应: ___________________________________________________________;
②SO2与H2O2反应: ________________________________________________________;
③SO2使溴水褪色: _________________________________________________________。
(3)弱氧化性,如SO2与H2S的反应:
________________________________________________________________________。
(4)漂白性:
①原理:能与某些有色物质化合,生成________。
②特点:不稳定,加热时无色物质会________,恢复原来的颜色。
3.用途
(1)用于________纸浆、毛、 丝、草编织物等。
(2)在严格控制用量的情况下,可添加到食品中作漂白剂、防腐剂和抗氧化剂。
(3)制硫酸。
[即时自测]
1.判断正误,正确的打“√”,错误的打“×”
(1)硫元素在自然界中只有化合态形式存在。( )
(2)黑火药中使用的硫单质转化为K2S,故作还原剂。( )
(3)二氧化硫有漂白性,可使石蕊试液褪色。( )
(4)二氧化硫能使酸性KMnO4溶液褪色,因为SO2具有漂白性。( )
(5)二氧化硫漂白的草帽不会发黄。( )
(6)二氧化硫可作食品添加剂。( )
2.下列各组物质都能使品红溶液褪色,且褪色原理相同的是( )
A.SO2、CO2 B.HClO、Na2O2
C.SO2、活性炭 D.Na2O2、活性炭
3.用下图所示实验装置进行SO2性质的探究实验。
(1)装置A中发生反应的离子方程式为________________,G装置的作用________________。
(2)简述检查该装置气密性的方法__________________________________________________。
(3)能够证明SO2具有还原性、氧化性的实验装置依次为________和________(用字母表示),观察到的现象依次是__________、__________。
(4)若要证明酸性:H2CO3>H2SiO3,则应观察到的实验现象有________________________。
核心素养——合作·探究·分享
提升点1 SO2和CO2的比较
检验CO2中的SO2,应利用SO2的漂白性和还原性;也可利用其物理性质中的SO2的刺激性气味。
例1 某化学兴趣小组为了探究常温下某非金属氧化物形成的未知气体的成分,该小组成员将气体通入澄清石灰水,发现澄清石灰水变浑浊,持续通入发现浑浊又变澄清,由此该小组成员对气体的成分提出猜想。
【提出猜想】
猜想1:该气体为CO2;
猜想2:该气体为SO2;
猜想3:__________________________________。
为了验证猜想,该小组设计实验加以探究:
【实验探究】
该小组同学按如图所示装置,将气体从a端通入,则:
(1)B中应该盛装下列________试剂(填编号)。
A.NaCl溶液
B.酸性KMnO4溶液
C.盐酸
D.澄清石灰水
(2)A中品红溶液的作用是:__________________________________________________。
(3)D中澄清石灰水的作用是:_________________________________________________。
通过该实验,该小组同学观察到以下三个实验现象:
①A中品红溶液褪色
②C中品红溶液不褪色
③D中澄清石灰水变浑浊
【得出结论】
(4)由上述现象该小组同学确认该气体的成分为:______________________________________。
[提升1] 下列物质中:①澄清石灰水 ②氯化钡溶液 ③酸性KMnO4溶液 ④溴水 ⑤酸化的BaNO32溶液 ⑥品红溶液 ⑦湿润的蓝色石蕊试纸 ⑧三氯化铁溶液 ⑨浓硫酸,不能用来区别SO2和CO2气体的是( )
A.①②⑦⑨ B.①③⑧
C.①④⑤ D.③④⑤⑥
关键能力
SO2和CO2的鉴别方法
SO2和CO2都能使澄清石灰水变浑浊,若通入的气体过量,则沉淀都会消失,故不能用澄清石灰水[或Ba(OH)2]鉴别SO2和CO2。通常用以下方法鉴别。
提升点2 二氧化硫与氯水漂白性的比较
例2 下列说法中正确的是( )
A.SO2具有漂白性,能使滴有酚酞的NaOH溶液褪色
B.漂白粉、活性炭、Na2O2都能使红墨水褪色,且褪色原理相同
C.能使品红褪色,且加热后又恢复红色的气体一定为SO2
D.SO2和Cl2都能漂白某些有色溶液,若将两种气体同时通入有色溶液中,漂白效果会更好
状元随笔 漂白性对象为有机色素;漂白后加热又能恢复原色的只有SO2。
[提升2] 下列关于Cl2和SO2的说法中正确的是( )
A.等体积的Cl2和SO2分别通入紫色石蕊试液中,溶液的紫色均立即褪去
B.等体积的Cl2和SO2同时通入紫色石蕊试液中,溶液的紫色保持不变
C.加热可以判断品红溶液褪色是通入Cl2还是通入SO2引起的
D.Cl2和SO2使品红褪色的过程均发生了氧化还原反应
关键能力
1.SO2和Cl2漂白性比较
2.漂白原理分类
学考评价——夯实·测控·演练
1.关于SO2的叙述中,正确的是( )
A.SO2是一种无色有刺激性气味的气体
B.SO2在空气中很容易被氧气氧化
C.可以用排水法收集SO2气体
D.相同条件下,SO2密度比空气小
2.检验SO2中是否含有CO2气体,可采用的方法是( )
A.通过品红溶液
B.先通过NaOH溶液,再通入澄清石灰水
C.通过澄清石灰水
D.先通过酸性高锰酸钾溶液,再通过澄清石灰水
3.下列实验中能证明某种气体为SO2的是( )
①使澄清石灰水变浑浊 ②使湿润的蓝色石蕊试纸变红 ③使品红溶液褪色 ④通入足量的NaOH溶液中,再滴加BaCl2溶液,有白色沉淀生成,该沉淀溶于稀盐酸 ⑤通入溴水中使溴水褪色,再滴加Ba(NO3)2溶液有白色沉淀产生
A.都能证明
B.都不能证明
C.③④⑤能证明
D.只有⑤能证明
4.下列事实各表现了SO2的哪种性质,请将其代号填入每小题后的横线上。
a.易溶于水 b.水溶液呈酸性 c.氧化性 d.还原性 e.漂白性
(1)SO2使品红溶液褪色________。
(2)SO2使显红色的酚酞溶液褪色________。
(3)SO2使酸性KMnO4溶液褪色________。
5.某化学兴趣小组为探究SO2的性质,按如图Ⅰ所示装置进行实验。请回答下列问题:
(1)写出装置A中发生反应的化学方程式:____________________________________________。
(2)实验过程中,装置B、C的作用分别是验证____________、____________。
(3)反应开始一段时间后,观察到D装置试管中的品红溶液褪色后,停止通气,对该试管进行水浴加热,其现象为________________。若将Cl2通入品红溶液待褪色后再加热,其现象与上述现象________(填“相同”或“不相同”)。
(4)下列物质中,可用于吸收烟气中含有的少量SO2的是________(填序号)。
a.Na2CO3溶液 b.H2SO4溶液
c.NaHSO3溶液 d.氨水
(5)该实验小组利用图Ⅱ所示装置继续进行实验:通气一段时间后,实验过程中品红溶液几乎不褪色。试分析实验过程中,品红溶液几乎不褪色的原因(用离子方程式表示):__________________________________________________。
练后感悟
常用来鉴别和分离SO2与CO2的装置
上述装置中各部分的作用:
(1)检验SO2的存在;
(2)除去SO2气体;
(3)检验SO2气体是否除去,并进一步吸收SO2;
(4)检验CO2气体并吸收。
专题4 硫与环境保护
第一单元 含硫化合物的性质
第1课时 二氧化硫的性质和应用
学业基础
新知预习
化合 游离 硫化物 硫酸盐 二氧化硫
硫黄 黄色 淡黄色 脆 大 淡蓝色火焰
蓝紫色火焰 S+O2点燃====SO2 无 刺激性 有毒 大 易 减小 易 H2SiO3,所以若要证明酸性:H2CO3>H2SiO3,则应观察到的实验现象有E中品红不褪色,F中出现浑浊。
答案:1HSO3-+H+===SO2↑+H2O 吸收尾气,防止空气中的CO2进入F
(2)G中加水至没过导管口,微热A中圆底烧瓶,若G中有气泡产生,停止加热,冷却后导管末端形成一段水柱,说明气密性良好
(3)C B C中溴水褪色 B中出现淡黄色沉淀
(4)E中品红不褪色,F中出现浑浊
核心素养
例1 【解析】 能使澄清石灰水先变浑浊,又变澄清的气体,只有CO2和SO2,所以提出的猜想是:①气体为CO2;②气体为SO2;③气体为CO2和SO2的混合气体。要验证气体的成分,必须先验证SO2是否存在,并除尽,再验证CO2气体的存在,因为SO2的存在对CO2的验证有干扰。
【答案】 该气体为CO2和SO2的混合气体 (1)B (2)验证混合气体中是否含有SO2 (3)验证混合气体中是否含有CO2 (4)CO2和SO2的混合气体
提升1 解析:SO2和CO2气体都会使澄清石灰水变浑浊。SO2和CO2气体都不与氯化钡反应。SO2气体可以使酸性高锰酸钾溶液褪色,而CO2不可以。SO2气体可以使溴水褪色,而CO2不可以。SO2气体可与酸化的Ba(NO3)2溶液反应生成硫酸钡白色沉淀,而CO2不可以。SO2可以使品红溶液褪色,而CO2不可以。SO2和CO2气体都会使湿润的蓝色石蕊试纸变红。SO2气体可以将氯化铁溶液中的Fe3+还原为Fe2+,溶液颜色由黄色变为浅绿色,而CO2不可以。SO2和CO2气体都不与浓硫酸反应。故选A。
答案:A
例2 【解析】 二氧化硫为酸性氧化物,能与氢氧化钠反应消耗氢氧根离子,所以能使滴有酚酞的NaOH溶液褪色,故A项错误;活性炭使红墨水褪色体现了活性炭的吸附性,漂白粉和过氧化钠使红墨水褪色体现了其强氧化性,所以褪色原理不全相同,故B项错误;能使品红溶液褪色的物质且加热后恢复红色的一定是SO2,故C项正确;在溶液中,二氧化硫与氯气反应生成氯化氢和硫酸,二者均失去漂白能力,故D项错误。
【答案】 C
提升2 解析:氯气通入紫色石蕊试液后使溶液显酸性,次氯酸具有漂白性,所以溶液先变红后褪色;二氧化硫和水反应生成亚硫酸,使紫色石蕊试液变红,二氧化硫对石蕊不表现漂白性,A项错误。等体积的Cl2和SO2同时通入紫色石蕊试液中,发生反应:SO2+Cl2+2H2O===H2SO4+2HCl,紫色石蕊试液变红,B项错误。二氧化硫和氯气分别通入品红溶液中,均会使品红褪色,加热时通入二氧化硫的溶液红色恢复,通入Cl2的溶液红色不恢复,C项正确。SO2使品红褪色的过程未发生氧化还原反应,D项错误。
答案:C
学考评价
1.解析:SO2与O2不易反应,需要在一定条件下才可发生反应,B项错误;SO2易溶于水,不能用排水法收集,C项错误;相同条件SO2密度比空气大,D项错误。
答案:A
2.解析:A项,用品红溶液无法确定是否含有CO2;B项,二者都与NaOH溶液反应;C项,二者都能与澄清石灰水反应产生沉淀;D项,SO2能被酸性KMnO4溶液氧化为SO42-,若澄清石灰水变浑浊,则证明含有CO2气体。
答案:D
3.解析:①和④的实验CO2也能产生相应现象。②的实验只要是酸性气体都可以使湿润的蓝色石蕊试纸变红。③Cl2也能使品红褪色。⑤SO2被Br2氧化成H2SO4,H2SO4与BaNO32在酸性条件下反应生成BaSO4沉淀,两项实验现象的结合可确定该气体为SO2。
答案:D
4.解析:(2)“显红色的酚酞溶液”说明溶液显碱性。SO2使显红色的酚酞溶液褪色的原因是SO2与碱性物质发生了反应。(3)SO2使酸性KMnO4溶液褪色是由于SO2与KMnO4发生了氧化还原反应,利用的是其还原性,而不是漂白性。
答案:(1)e (2)b (3)d
5.解析:(1)硫酸的酸性大于亚硫酸,根据强酸制取弱酸知,浓硫酸和亚硫酸钠反应生成硫酸钠、二氧化硫和水,反应方程式为Na2SO3+H2SO4(浓)===Na2SO4+SO2↑+H2O。(2)酸性高锰酸钾溶液具有强氧化性,通入二氧化硫后溶液紫红色褪去,证明SO2具有还原性;硫化钠溶液和二氧化硫反应生成硫单质,通入二氧化硫后装置C中出现黄色浑浊,证明SO2具有氧化性。(4)Na2CO3溶液与SO2反应生成亚硫酸钠和二氧化碳,可用于吸收烟气中含有的少量SO2,选a;H2SO4溶液与SO2不反应,不可用于吸收烟气中含有的少量SO2,选项b不选;NaHSO3溶液与SO2不反应,不可用于吸收烟气中含有的少量SO2,选项c不选;氨水与SO2反应生成亚硫酸铵,可用于吸收烟气中含有的少量SO2,选d。
答案:(1)Na2SO3+H2SO4(浓)===Na2SO4+SO2↑+H2O
(2)SO2具有还原性 SO2具有氧化性
(3)溶液又恢复为原来的红色 不相同
(4)ad (5) SO2+Cl2+2H2O===4H++SO42-+2Cl-
颜色
气味
毒性
密度
水溶性
____色
______气味
____
比空气____
____溶于水(1∶40)
实验序号
实验设计
实验操作及现象
实验结论
实验1
吸入10 mL蒸馏水,用橡皮塞堵住针筒的前端,振荡,观察到针筒内气体体积________,直到气体被完全吸收
SO2________溶于水
观察到pH试纸变色,对比标准比色卡得出溶液的pH________________________________________________________________________
SO2溶于水时部分与水反应生成亚硫酸,溶液显酸性,反应的化学方程式为________________________________________________________________________
实验2
(1)滴加氯化钡溶液后, ________变化;
(2)滴加过氧化氢溶液,振荡,有________产生;
(3)滴加稀盐酸,白色沉淀________
+4价的硫元素被H2O2氧化为H2SO4,H2SO4与BaCl2反应可生成BaSO4沉淀,总反应的化学方程式为________________________________________________________________________
实验3
滴加品红溶液,振荡,溶液________,然后加热试管,溶液________
SO2具有漂白性,能使品红溶液________,但加热后溶液又变为________
试剂
操作
现象与结论
品红溶液
将气体分别通入品红溶液中
品红溶液褪色的是SO2,不褪色的是CO2
酸性KMnO4溶液
将气体分别通入酸性KMnO4溶液中
KMnO4紫红色溶液褪色的是SO2,无变化的是CO2
溴水(或氯水)
将气体分别通入溴水(或氯水)中
溴水(或氯水)褪色的是SO2,无变化的是CO2
氢硫酸
将气体分别通入氢硫酸中
产生黄色浑浊的是SO2,无变化的是CO2
漂白类型
漂白原理
特点
举例
氧化型
漂白剂本身是强氧化剂,利用其氧化性氧化有色物质而使之失去原有的颜色
不可逆,褪色后不能恢复原来的颜色
HClO、Ca(ClO)2、Na2O2、H2O2等
化合型
漂白剂与有色物质结合生成无色物质,使有色物质失去原有的颜色
可逆,在一定的条件下又能恢复原来的颜色
SO2使品红溶液褪色
吸附型
有些固体物质疏松多孔、具有较大的表面积,可以吸附有色物质而使之失去原有的颜色
部分吸附剂可重复使用
活性炭、胶体
相关学案
这是一份人教版 (2019)必修 第一册第一节 原子结构与元素周期表学案,共9页。
这是一份苏教版 (2019)必修 第一册第三单元 防治二氧化硫对环境的污染学案,共10页。
这是一份苏教版 (2019)第一单元 含硫化合物的性质第1课时学案及答案,共11页。学案主要包含了硫的存在与性质,二氧化硫的性质和应用等内容,欢迎下载使用。

