2023-2024学年天津市滨海新区大港二中八年级(上)第一次月考物理试卷
展开
这是一份2023-2024学年天津市滨海新区大港二中八年级(上)第一次月考物理试卷,共22页。试卷主要包含了单选题,多选题,填空题,实验题,计算题等内容,欢迎下载使用。
1.噪声已成为影响人们生活、工作的一大公害。下列属于在传播过程中减弱噪声的是( )
A.射击戴耳罩
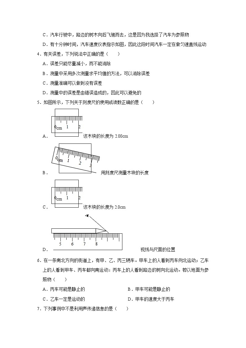
B.禁止鸣笛
C.摩托车装消音器
D.轻轨装隔音板
2.以下与声现象有关的描述中,正确的是( )
A.太空中宇航员间能直接对话,是因为真空能传声
B.超声波能除去人体结石,说明声波可以传递能量
C.高速公路两旁装有隔离带,是为了在声源处减弱噪音
D.引吭高歌、低声细语中的“高”“低”,是指声音的音调
3.今年“十•一”假期,晓华同学随爸妈由合肥到武汉外出旅游,两地相距360km,途中在服务区休息了30min,13:30到达武汉,并写下一些相应的旅行日记,你认为她的日记中描述不妥当的是( )
A.全程的平均速度为90km/h
B.妈妈坐在我的身边不动,说明妈妈相对于我是静止的
C.汽车行驶中,路边的树木向后飞驰而去,这是因为我选择了汽车为参照物
D.有十分钟时间,汽车速度仪表指示如图,因此这段时间汽车一定在做匀速直线运动
4.有关误差,下列说法中正确的是( )
A.误差只能尽量减小,而不能消除
B.测量中采用多次测量求平均值的方法,可以消除误差
C.测量准确可以做到没有误差
D.测量中的误差是由错误造成的,因此可以避免的
5.如图所示,下列关于刻度尺的使用或读数正确的是( )
A.该木块的长度为2.00cm
B.用刻度尺测量木块的长度
C.该木块的长度为2.0cm
D. 视线与尺面的位置
6.在一条南北方向的街道上,有甲、乙、丙三辆车。甲车上的人看到丙车向北运动;乙车上的人看到甲车、丙车都向南运动:丙车上的人看到路边的树向北运动。若以地面为参照物( )
A.丙车可能是静止的B.甲车可能是静止的
C.乙车一定是运动的D.甲车的速度大于丙车
7.下列事例中不是利用声传递信息的是( )
A.利用超声波给金属工件探伤
B.听到上课铃响同学们都走进教室
C.通过声学仪器接收到的次声波判断地震的方位
D.用超声波能粉碎人体内的“小石头”
8.昆虫飞行时翅膀要振动,甲昆虫飞行时翅膀每秒振动200次,乙昆虫飞行时翅膀每秒振动40次( )
A.甲B.乙
C.都能听到D.都不能听到
9.由匀速直线运动公式v=可以判断( )
A.速度与路程成正比B.速度与时间成反比
C.速度与路程时间无关D.以上说法都不对
10.下列四个选项是物体运动的s﹣t和v﹣t图像,表示物体做匀速直线运动的( )
A.B.
C.D.
二、多选题
(多选)11.2011年3月11日发生在日本的强烈地震造成了大量人员伤亡及财产损失,下列说法中,正确的是( )
A.地震时伴有次声波产生
B.地震时会产生地震波,这种地震波不能在真空中传播
C.地震时产生的地震波不是由物体振动产生的
D.受灾人员通过呼喊和敲击方式求救主要是利用声音可以传递信息
(多选)12.在沪宁高速公路入口处有如图甲的标志牌,当小明乘坐旅游大巴经过如图乙的标志牌时,下列说法正确的是( )
A.标志牌上的数字“100”表示的意思是大巴匀速行驶速度是100km/h
B.在遵守交通规则的前提下,这辆旅游大巴到达南京至少需要2.4h
C.汽车行驶中,路边的树木 向后飞驰而去,这是因为他选择了地面为参照物
D.如果小明乘坐的是小汽车,在遵守交通规则的前提下,最多可提前24min到达
(多选)13.甲、乙两同学从同一地点同时同向做直线运动,他们通过的路程随时间变化的图象如图所示,由图象可知( )
A.两同学在距离出发点100m处相遇
B.0~10s内,甲同学比乙同学运动得快
C.10~20s内,甲同学做匀速直线运动
D.0~10s内,乙同学的速度为10m/s
三、填空题
14.在生活、生产和科学研究中,我们经常要进行测量。
(1)如图1所示,铅笔的长度为 cm;
(2)如图2所示,停表的读数为 。
15.学了声现象后,同学们做了如图所示的探究实验:
甲图探究的是 ,乙图探究的是 ,丙图探究的是 ,丁图探究的是 (选填实验对应的序号)。
A.音调与振动频率有关
B.发声体在振动
C.声能传递能量
D.声音的传播需要介质
16.地球同步通信卫星好像在空中静止不动,这是因为以 为参照物,如果以太阳为参照物,它是 (选填“运动”或“静止”)的。从这一事例说明物体的运动和静止是相对的。
17.做匀速直线运动的甲、乙两物体的运动时间之比为1:3,乙、甲通过的路程之比为4:1,则两汽车的运动速度之比是 ,若甲车从A地开往B地。前半程平均速度为60km/h,后半程平均速度为40km/h,则全程的平均速度为 km/h。
18.某同学用刻度尺测量一个物体的长度,五次测量记录分别是2.72cm、2.73cm、2.42cm、2.73cm、2.72cm,其中有一个数据记录有误 cm;则这个物体的测量结果应记作 cm。
19.在中、高考期间,考点附近禁止鸣笛,为考生提供安静的环境如图所示,这是从 处减弱噪声。人们以 为单位来表示声音强弱的等级。
四、实验题
20.在“测量运动平均速度”的实验中,鲁能巴蜀中学物理小组采用了一带有刻度尺的长木板,搭建实验装置如图1所示。
(1)该实验的原理是 ;
(2)为了计时更准确,应该调节斜面的坡度较 (选填“大”“小”);
(3)图中AC段的路程sAC= cm:若测得时间tAB=2.5s,tAC=4.5s,则BC段的平均速度vBC= m/s;
(4)小组成员小淋计算小车从A至C这个过程的平均速度,采用了下列两种方法计算:
方法1:
方法2:
以上两种方法正确的是 [选填“方法1或“方法2”);
(5)在测量小车运动时间时,如果小车过了A点才开始计时,则会使得AC段的平均速度偏 (选填“大”“小”);
(6)如图2所示,小组的成员分别画出小车从A到C的s﹣t图象的大致情况,其中与事实相符的是 。
21.在学习吉他演奏的过程中,小华发现琴弦发出声音的音调高低是受各种因素影响的,他决定对此进行研究,提出以下猜想:
猜想一:琴弦发出声音的音调高低,可能与琴弦的横截面积有关
猜想二:琴弦发出声音的音调高低,可能与琴弦的长短有关
猜想三:琴弦发出声音的音调高低,可能与琴弦的材料有关
为了验证上述猜想是否正确,他们找到了下表所列9种规格的琴弦,因为音调高低取决于声源振动的频率
(1)为了验证猜想一,应选用编号为 、 、 的琴弦进行实验;
(2)为了验证猜想二,应选用编号为 、 、 的琴弦进行实验;
(3)表中有的材料规格还没填全,为了验证猜想三,则表中所缺数据应为 、 ;
(4)小强打算选用琴弦F和I同时验证猜想一和猜想三,他的做法是 的,理由是 。
22.利用图所示装置研究声现象时,进行了如下实验:
①不敲击音叉,将音叉轻触系在细绳上的乒乓球,观察现象;
②轻敲音叉,将音叉轻触系在细绳上的乒乓球,观察现象;
③用力敲击音叉,将音叉轻触系在细绳上的乒乓球,观察现象。
(1)由①②对比可以说明:物体的 产生声音。
(2)由②③对比可以说明:声音的 与物体的振幅有关。
五、计算题
23.利用声呐系统向海底垂直发射声波,经3s后收到回波,已知声音在海水中的传播速度为1500m/s。
(1)此处海水的深度为多少米?
(2)利用声呐系统能不能测量地球和月球之间的距离?请简述理由。
24.从广州到厦门的D4327次列车组列车运行时刻表如下所示。
(1)列车由广州驶往厦门全程的时间为多少?平均速度为多少?
(2)若该列车从惠州到潮阳的平均速度为135km/h,则惠州到潮阳的里程为多少?
(3)广州到潮阳的里程为多少?
2023-2024学年天津市滨海新区大港二中八年级(上)第一次月考物理试卷
参考答案与试题解析
一、单选题
1.噪声已成为影响人们生活、工作的一大公害。下列属于在传播过程中减弱噪声的是( )
A.射击戴耳罩
B.禁止鸣笛
C.摩托车装消音器
D.轻轨装隔音板
【答案】D
【分析】减弱噪声的途径有:在声源处减弱;在传播过程中减弱;在人耳处减弱。对照选项可逐一做出判断。
【解答】解:A、射击戴耳罩,故A不合题意;
B、禁止鸣笛,故B不合题意;
C、摩托车装消音器,故C不合题意;
D、轻轨装隔音板,故D符合题意。
故选:D。
2.以下与声现象有关的描述中,正确的是( )
A.太空中宇航员间能直接对话,是因为真空能传声
B.超声波能除去人体结石,说明声波可以传递能量
C.高速公路两旁装有隔离带,是为了在声源处减弱噪音
D.引吭高歌、低声细语中的“高”“低”,是指声音的音调
【答案】B
【分析】(1)声音的传播需要介质,真空不能传声;
(2)声音不仅可以传递信息,还可以传递能量;
(3)防治噪声的途径有三条:在声源处减弱噪声,在传播过程中减弱噪声,在接收处减弱噪声;
(4)声音的三个特征分别是:音调、响度、音色,是从不同角度描述声音的,音调指声音的高低,由振动频率决定;响度指声音的强弱或大小,与振幅和距离有关;音色是由发声体本身决定的一个特性。
【解答】解:
A、太空是真空,所以太空中的宇航员之间不能直接对话。故A错误;
B、超声波具有较高能量,故B正确;
C、城市道路旁安装隔离带可以在传播过程中减弱噪声,故C错误;
B、“引吭高歌”和“低声细语”中的“高,故D错误。
故选:B。
3.今年“十•一”假期,晓华同学随爸妈由合肥到武汉外出旅游,两地相距360km,途中在服务区休息了30min,13:30到达武汉,并写下一些相应的旅行日记,你认为她的日记中描述不妥当的是( )
A.全程的平均速度为90km/h
B.妈妈坐在我的身边不动,说明妈妈相对于我是静止的
C.汽车行驶中,路边的树木向后飞驰而去,这是因为我选择了汽车为参照物
D.有十分钟时间,汽车速度仪表指示如图,因此这段时间汽车一定在做匀速直线运动
【答案】D
【分析】(1)利用平均速度v=计算全程的平均速度;
(2)(3)物体的运动和静止时相对的,相对于参照物而言,物体的位置发生改变,则说物体是运动的,否则是静止的;
(4)匀速直线运动是指速度不变,运动路线是直线的运动。
【解答】解:
A、由题意知,所以全程的平均速度v==,故A正确;
B、妈妈坐在我的身边不动,说明妈妈相对于我是静止的;
C、汽车驶中,路边的树木与我之间发生了位置变化,故B正确;
D、有十分钟时间,虽然速度的大小不变,所以不一定是匀速直线运动。
故选:D。
4.有关误差,下列说法中正确的是( )
A.误差只能尽量减小,而不能消除
B.测量中采用多次测量求平均值的方法,可以消除误差
C.测量准确可以做到没有误差
D.测量中的误差是由错误造成的,因此可以避免的
【答案】A
【分析】误差是在测量过程中产生的测量值与真实值这间的差异,这种差异不同于错误,它是在测量方法正确的情况下产生的,只可以减小,却不能避免。
【解答】解:
A、选用更精密的测量仪器,多次测量取平均值,但不能消除误差;
B、求多次测量的平均值是减小误差有效的方法之一,故B错误;
C、误差与测量的人、测量环境有关,任何测量中的误差是不可避免的,不可能消除误差;
D、误差不同于错误,错误是可以避免的,故D错误。
故选:A。
5.如图所示,下列关于刻度尺的使用或读数正确的是( )
A.该木块的长度为2.00cm
B.用刻度尺测量木块的长度
C.该木块的长度为2.0cm
D. 视线与尺面的位置
【答案】A
【分析】在使用刻度尺测量物体的长度时,要正确放置:刻度尺边缘对齐被测对象,必须放正重合,不能歪斜;尺的刻面必须紧贴被测对象,不能“悬空”;读数时视线要与尺面垂直,估读到分度值的下一位。
【解答】解:A、图中刻度尺的分度值是1mm,估读到分度值的下一位。
B、图中刻度尺倾斜了,故B错误;
C、图中刻度尺在使用时,并放正重合,读数为2.6cm,故C错误;
D、图中视线未与刻度尺的尺面垂直。
故选:A。
6.在一条南北方向的街道上,有甲、乙、丙三辆车。甲车上的人看到丙车向北运动;乙车上的人看到甲车、丙车都向南运动:丙车上的人看到路边的树向北运动。若以地面为参照物( )
A.丙车可能是静止的B.甲车可能是静止的
C.乙车一定是运动的D.甲车的速度大于丙车
【答案】D
【分析】判断一个物体的运动情况,一定是相对参照物而言,选择不同的参照物,物体的运动情况会不一样。
【解答】解:(1)丙车上的人则看到路边上的树木向北运动,说明丙车向南运动;
(2)甲车上的人看到丙车相对于甲车向北运动,说明甲车也向南运动;
(3)乙车上的人看到甲、丙两辆车都相对乙车向南运动,但比甲车和丙车的速度都小;三是乙车静止,甲。
综上,甲车,且甲车的速度比丙车的速度大,可能向北运动,故D正确。
故选:D。
7.下列事例中不是利用声传递信息的是( )
A.利用超声波给金属工件探伤
B.听到上课铃响同学们都走进教室
C.通过声学仪器接收到的次声波判断地震的方位
D.用超声波能粉碎人体内的“小石头”
【答案】D
【分析】声音的应用有两个方面:利用声音来传递信息,如隆隆的雷声预示着一场大雨的到来等;利用声音来传递能量,如用超声波粉碎人体内的结石等。
【解答】解:
A.利用超声波给金属工件探伤,故A不符合题意;
B.听到上课铃响同学们都走进教室,故B不符合题意;
C.通过声学仪器接收到的次声波判断地震的方位,故C不符合题意;
D.用超声波能粉碎人体内的“小石头”,故D符合题意。
故选:D。
8.昆虫飞行时翅膀要振动,甲昆虫飞行时翅膀每秒振动200次,乙昆虫飞行时翅膀每秒振动40次( )
A.甲B.乙
C.都能听到D.都不能听到
【答案】C
【分析】人耳可以听到声音的频率在20Hz到20000Hz之间。超出这个范围的声音,人是听不到的。
音调和物体振动频率有关。
【解答】解:物体1s内振动1次,叫做4Hz。
甲昆虫飞行时翅膀每秒振动200次,为200Hz。
乙昆虫飞行时翅膀每秒振动40次,为40Hz。
故选:C。
9.由匀速直线运动公式v=可以判断( )
A.速度与路程成正比B.速度与时间成反比
C.速度与路程时间无关D.以上说法都不对
【答案】C
【分析】(1)速度是运动物体在单位时间内通过的路程;
(2)匀速直线运动的物体,速度保持不变,速度大小跟物体运动的距离和时间都没有关系。
【解答】解:
A、匀速直线运动的物体速度保持不变。故A错误;
B、速度等于路程和时间的比值,与时间也无关;
C、匀速直线运动的物体速度保持不变。故C正确;
D、C选项正确。
故选:C。
10.下列四个选项是物体运动的s﹣t和v﹣t图像,表示物体做匀速直线运动的( )
A.B.
C.D.
【答案】B
【分析】看清楚图像中的横坐标和纵坐标所代表的物理量,再根据图像的形状判断物理量间的关系或变化规律。
【解答】解:A、图像表示路程不随时间的变化而变化,故A不符合题意;
B、图像表示通过的路程与时间成正比,是匀速直线运动;
C、图像表示速度随时间的变化而变化,是匀加速直线运动;
D、由图可知,说明物体做变速运动。
故选:B。
二、多选题
(多选)11.2011年3月11日发生在日本的强烈地震造成了大量人员伤亡及财产损失,下列说法中,正确的是( )
A.地震时伴有次声波产生
B.地震时会产生地震波,这种地震波不能在真空中传播
C.地震时产生的地震波不是由物体振动产生的
D.受灾人员通过呼喊和敲击方式求救主要是利用声音可以传递信息
【答案】ABD
【分析】(1)大自然的许多活动,如地震、火山喷发、台风、海啸等,都伴有次声波发生;
(2)声音的传播需要介质,真空不能传声;
(3)声音是由物体的振动而产生的;
(4)声音能传递能量,也能传递信息。
【解答】解:A、地震是地壳的变动引起的。此选项正确。
B、地震波是一种声波,所以地震时产生的地震波不能在真空中传播,符合题意。
C、物体振动才能发出声音。此选项错误。
D、受灾人员通过呼喊和敲击方式可以将声音传到地面上搜救人员的耳朵里。此选项正确。
故选:ABD。
(多选)12.在沪宁高速公路入口处有如图甲的标志牌,当小明乘坐旅游大巴经过如图乙的标志牌时,下列说法正确的是( )
A.标志牌上的数字“100”表示的意思是大巴匀速行驶速度是100km/h
B.在遵守交通规则的前提下,这辆旅游大巴到达南京至少需要2.4h
C.汽车行驶中,路边的树木 向后飞驰而去,这是因为他选择了地面为参照物
D.如果小明乘坐的是小汽车,在遵守交通规则的前提下,最多可提前24min到达
【答案】BD
【分析】(1)根据交通标志牌的含义解答;
(2)从交通标志牌上读出到南京的路程,又知速度,利用v=计算在遵守交通规则的前提下,这辆旅游大巴到达南京至少需要的时间;
(3)物体的运动和静止时相对的,相对于参照物而言,物体的位置发生改变,则说物体是运动的,否则是静止的;
(4)从交通标志牌上读出允许小汽车在这段路程的行驶的最大速度,利用v=计算在遵守交通规则的前提下,小汽车到达南京的时间与大巴到南京的时间之差即为提前到达的时间。
【解答】解:A、标志牌上的100的意思表示为:大巴在这段路程的行驶速度不超过100km/h,故A错误;
B、由图可知,根据v=,这辆旅游大巴到达南京至少需要的时间:t==;故B正确;
C、以汽车为参照物,故路边的树木 ,选择的参照物不是地面;
D、由图可知,根据v=,小汽车到达南京的时间:t′=,则提前到达的时间为2.4h﹣2h=0.4h=24min。
故选:BD。
(多选)13.甲、乙两同学从同一地点同时同向做直线运动,他们通过的路程随时间变化的图象如图所示,由图象可知( )
A.两同学在距离出发点100m处相遇
B.0~10s内,甲同学比乙同学运动得快
C.10~20s内,甲同学做匀速直线运动
D.0~10s内,乙同学的速度为10m/s
【答案】AB
【分析】(1)在s﹣t图像中,与时间轴平行的线段表示物体处于静止状态,一条斜线表示物体做的是匀速直线运动;
(2)根据图像读出甲、乙同学在相同时间内通过的路程,利用速度公式求出乙的速度。
【解答】解:A.由图可知,甲同学停在距离出发点100m处,此时甲,故A正确;
B.由图可知,甲同学通过了100m,所以甲同学比乙同学运动得快;
C.10~20s内,此时甲同学处于静止状态;
D.当t=15s时,则乙同学的速度:v==,
乙同学做匀速直线运动,所以在0~10s内,故D错误。
故选:AB。
三、填空题
14.在生活、生产和科学研究中,我们经常要进行测量。
(1)如图1所示,铅笔的长度为 5.10 cm;
(2)如图2所示,停表的读数为 217.5s 。
【答案】(1)5.10;(2)217.5s。
【分析】(1)刻度尺的分度值为相邻的刻度线表示的长度;测量物体长度时,要观察是否从0刻度线量起,起始端没从0开始,要以某一刻度当作“0”刻度,读出末端刻度值,减去前面的刻度即为物体长度,注意刻度尺要估读到分度值的下一位;
(2)停表的中间的表盘代表分钟,周围的大表盘代表秒,停表读数是两个表盘的示数之和。
【解答】解:(1)由图1可知,刻度尺上1cm之间有10个小格,即此刻度尺的分度值为2mm,右侧与19.10cm刻度线对齐;
(2)由图2可知,停表小表盘的分度值是0.4min,大盘的分度值为0.1s,故秒表读数为3min37.5s=217.5s。
故答案为:(1)4.10;(2)217.5s。
15.学了声现象后,同学们做了如图所示的探究实验:
甲图探究的是 D ,乙图探究的是 A ,丙图探究的是 B ,丁图探究的是 C (选填实验对应的序号)。
A.音调与振动频率有关
B.发声体在振动
C.声能传递能量
D.声音的传播需要介质
【答案】D;A;B;C。
【分析】根据图示内容作答。
【解答】解:甲图:抽取玻璃罩内的空气,听到罩内的闹铃声减小,真空不能传播声音;
乙图:钢尺伸出桌边越短,振动越快,音调越高,故探究的是A;
丙图:敲击音叉,小球被弹起,即声音是由物体的振动产生的;
丁图:敲击薄膜,薄膜振动发出声音,这说明声音能传递能量。
故答案为:D;A;B;C。
16.地球同步通信卫星好像在空中静止不动,这是因为以 地球 为参照物,如果以太阳为参照物,它是 运动 (选填“运动”或“静止”)的。从这一事例说明物体的运动和静止是相对的。
【答案】地球;运动。
【分析】在研究物体的运动和静止时,要看物体的位置相对于参照物是否发生改变,若改变,则是运动的,若不改变,则是静止的。
【解答】解:地球同步通信卫星好像在空中静止不动,这是因为卫星的运行周期与地球的自转周期相同,卫星与地球之间位置保持不变;
如果以太阳为参照物,卫星与太阳之间位置发生了改变。从这一事例说明物体的运动和静止是相对的。
故答案为:地球;运动。
17.做匀速直线运动的甲、乙两物体的运动时间之比为1:3,乙、甲通过的路程之比为4:1,则两汽车的运动速度之比是 3:4 ,若甲车从A地开往B地。前半程平均速度为60km/h,后半程平均速度为40km/h,则全程的平均速度为 48 km/h。
【答案】3:4;48。
【分析】(1)已知路程s之比,时间t之比,由速度公式v=可求出速度之比;
(2)先算出以60km/h的速度行驶前半段路程所用的时间,再算出以40km/h的速度行驶后半段路程所用的时间,汽车行驶完全程的平均速度等于总路程除以总时间。
【解答】解:(1)两汽车的运动速度之比是:
==×=×=;
(2)设从甲地到乙地的路程为2s,
汽车行驶前一半路程所用的时间:
t1==;
行驶后一半路程所用的时间:
t2==;
汽车通过全程所用的时间:
t=t5+t2=+,
全程的平均速度:
v==48km/h;
故答案为:6:4;48。
18.某同学用刻度尺测量一个物体的长度,五次测量记录分别是2.72cm、2.73cm、2.42cm、2.73cm、2.72cm,其中有一个数据记录有误 2.42 cm;则这个物体的测量结果应记作 2.73 cm。
【答案】2.42;2.73。
【分析】在实验中,减小误差的有效途径是多次测量求平均值;在求平均值时,要先对所有数据进行判断,把错误数据删除,然后进行平均,并且平均值的有效数字与原始数据保持一致。
【解答】解:分析五次测量数据可以发现,2.42cm这个数据与其他4个相差太大;
所以其它四次测量的平均值为:L==2.725cm≈8.73cm。
所以物体的长度为2.73cm。
故答案为:2.42;2.73。
19.在中、高考期间,考点附近禁止鸣笛,为考生提供安静的环境如图所示,这是从 声源 处减弱噪声。人们以 分贝 为单位来表示声音强弱的等级。
【答案】声源;分贝。
【分析】减弱噪声有三种途径:①在声源处减弱;②在传播过程中减弱;③在人耳处减弱。噪声强弱的等级用分贝(dB)做单位。
【解答】解:禁止汽车鸣笛属于在声源处减弱噪声,噪声强弱的等级用分贝(dB)做单位。
故答案为:声源;分贝。
四、实验题
20.在“测量运动平均速度”的实验中,鲁能巴蜀中学物理小组采用了一带有刻度尺的长木板,搭建实验装置如图1所示。
(1)该实验的原理是 v= ;
(2)为了计时更准确,应该调节斜面的坡度较 小 (选填“大”“小”);
(3)图中AC段的路程sAC= 80.0 cm:若测得时间tAB=2.5s,tAC=4.5s,则BC段的平均速度vBC= 0.2 m/s;
(4)小组成员小淋计算小车从A至C这个过程的平均速度,采用了下列两种方法计算:
方法1:
方法2:
以上两种方法正确的是 方法1 [选填“方法1或“方法2”);
(5)在测量小车运动时间时,如果小车过了A点才开始计时,则会使得AC段的平均速度偏 大 (选填“大”“小”);
(6)如图2所示,小组的成员分别画出小车从A到C的s﹣t图象的大致情况,其中与事实相符的是 C 。
【答案】见试题解答内容
【分析】(1)测量平均速度的原理:v=;
(2)实验中,应使斜面的坡度较小,这样小车滑下的速度较小,时间较长,便于测量;
(3)根据图象读出AC段和BC段的距离,并求出BC段所用的时间,再运用公式v=求出BC段的平均速度;
(4)平均速度等于总路程除以总时间,据此进行分析;
(5)让小车过了A点才停止计时,会导致时间的测量结果偏小,平均速度会偏大;
(6)根据小车做加速直线运动分析小车从A到C的s﹣t图象的大致情况。
【解答】解:(1)测量小车运动的平均速度的基本原理:v=;
(2)若要计时方便,应使斜面的坡度小一些,便于测量时间;
(3)由图知,刻度尺分度值为cm,BC段的路程:sBC=40.0cm,tBC=4.2s﹣2.5s=8s;
则BC段的平均速度:vBC===20cm/s=5.2m/s;
(4)因为平均速度等于总路程除以总时间,方法1是根据总路程除以总时间进行计算的,因此方法6正确;
(5)如果让小车过了A点才停止计时,会导致时间的测量结果偏小可知;
(6)根据小车做加速直线运动分析小车从A到C的s﹣t图象的大致情况应是速度越来越大,故C符合题意。
故答案为:(1)v=;(2)小;0.2;(5)大。
21.在学习吉他演奏的过程中,小华发现琴弦发出声音的音调高低是受各种因素影响的,他决定对此进行研究,提出以下猜想:
猜想一:琴弦发出声音的音调高低,可能与琴弦的横截面积有关
猜想二:琴弦发出声音的音调高低,可能与琴弦的长短有关
猜想三:琴弦发出声音的音调高低,可能与琴弦的材料有关
为了验证上述猜想是否正确,他们找到了下表所列9种规格的琴弦,因为音调高低取决于声源振动的频率
(1)为了验证猜想一,应选用编号为 A 、 B 、 C 的琴弦进行实验;
(2)为了验证猜想二,应选用编号为 A 、 D 、 F 的琴弦进行实验;
(3)表中有的材料规格还没填全,为了验证猜想三,则表中所缺数据应为 80 、 1.02 ;
(4)小强打算选用琴弦F和I同时验证猜想一和猜想三,他的做法是 错误 的,理由是 未控制唯一变量 。
【答案】(1)A;B;C;(2)A;D;F;(3)80;1.02;(4)错误;未控制唯一变量。
【分析】(1)(2)(3)利用控制变量法分析判断,如探究琴弦发出声音的音调高低与琴弦的横截面积的关系时,控制琴弦的长度和材料不变;探究琴弦发出声音的音调高低与琴弦的长短的关系时,控制横截面积和材料不变;
(4)在实验探究过程中需要控制唯一变量,而选用琴弦F和I同时验证猜想一和猜想三未控制唯一变量。
【解答】解:(1)要探究音调高低与琴弦的横截面积之间的关系,需要控制琴弦的材料,只改变横截面积的大小。
(2)要探究音调高低与琴弦长短的关系,需要控制琴弦的材料,只改变琴弦的长度。
(3)实验要探究音调高低与琴弦材料之间的关系,需要控制琴弦的长度和横截面积相同,因为GH两琴弦的长度和横街面积相同、尼龙,所以E琴弦的长度和横截面积分别为80cm2。
(4)在实验探究过程中需要控制唯一变量,而选用琴弦F和I同时验证猜想一和猜想三未控制唯一变量。
故答案为:(1)A;B;C;(2)A;D;F;1.02;未控制唯一变量。
22.利用图所示装置研究声现象时,进行了如下实验:
①不敲击音叉,将音叉轻触系在细绳上的乒乓球,观察现象;
②轻敲音叉,将音叉轻触系在细绳上的乒乓球,观察现象;
③用力敲击音叉,将音叉轻触系在细绳上的乒乓球,观察现象。
(1)由①②对比可以说明:物体的 振动 产生声音。
(2)由②③对比可以说明:声音的 响度 与物体的振幅有关。
【答案】见试题解答内容
【分析】(1)声音是由物体的振动产生的;
(2)声音的响度与声源振动的幅度有关,振动幅度越大,响度越大;还与距离发声体的远近有关;在此实验过程中把声音的响度转化为小球弹开的角度。
【解答】解:
(1)①不敲击音叉,音叉不发声,乒乓球不会被弹开,音叉发声,乒乓球被弹开;
(2)②轻敲音叉,音叉发声响度小,乒乓球被弹起一个较小的角度,音叉振动剧烈,同时可看到乒乓球弹起一个较大的幅度。
故答案为:(1)振动;(2)响度。
五、计算题
23.利用声呐系统向海底垂直发射声波,经3s后收到回波,已知声音在海水中的传播速度为1500m/s。
(1)此处海水的深度为多少米?
(2)利用声呐系统能不能测量地球和月球之间的距离?请简述理由。
【答案】(1)此处海水的深度为2250m;
(2)超声波的传播需要介质,地球到月亮之间是真空,超声波不能传播。
【分析】(1)知道超声波从海面到海底再返回海面的时间,可以求出超声波从海面到海底用的时间,又知道声速,利用速度公式求海水的深度;
(2)声音的传播需要介质,真空不能传声。
【解答】解:(1)超声波从海面到海底用的时间:
t=×7s=1.5s,
由v=可得该处海水的深度:
s=vt=1500m/s×5.5s=2250m;
(2)超声波的传播需要介质,因为地球到月亮之间是真空。不能用超声波测量地月距离。
答:(1)此处海水的深度为2250m;
(2)超声波的传播需要介质,地球到月亮之间是真空。
24.从广州到厦门的D4327次列车组列车运行时刻表如下所示。
(1)列车由广州驶往厦门全程的时间为多少?平均速度为多少?
(2)若该列车从惠州到潮阳的平均速度为135km/h,则惠州到潮阳的里程为多少?
(3)广州到潮阳的里程为多少?
【答案】见试题解答内容
【分析】(1)根据表中提供数据:发车时间和到站时间可知由广州驶往厦门全程的时间以及路程,利用v=求出平均速度。
(2)根据列车以135km/h的速度,根据表格数据求出行驶时间,利用速度公式变形可求得惠州到潮阳的里程。
(3)广州到潮阳的里程为广州到惠州的里程加上惠州到潮阳的里程。
【解答】解:(1)列车由广州驶往厦门全程的时间为:
t1=11:15﹣08:15=3h,
平均速度为:
v3===150km/h;
(2)由图表可知,惠州到潮阳的时间:
t2=09:45﹣08:57=48min=0.8h,
由v=可得
s2=v2t5=135km/h×0.8h=108km;
(3)广州到潮阳的里程为广州到惠州的里程加上惠州到潮阳的里程:
s3=84km+108km=192km。
答:(1)列车由广州驶往厦门全程的时间为3h,平均速度为150km/h;
(2)若该列车从惠州到潮阳的平均速度为135km/h,则惠州到潮阳的里程为108km;
(3)广州到潮阳的里程为192km。编号
材料
长度(cm)
横截面积(mm2)
A
铜
60
0.76
B
铜
60
0.89
C
铜
60
1.02
D
铜
80
0.76
E
铜
F
铜
100
0.76
G
钢
80
1.02
H
尼龙
80
1.02
I
尼龙
100
1.02
时间
广州
惠州
潮阳
厦门
到站时间
08:54
09:45
11:15
发车时间
08:15
08:57
09:48
里程/km
0
84
450
编号
材料
长度(cm)
横截面积(mm2)
A
铜
60
0.76
B
铜
60
0.89
C
铜
60
1.02
D
铜
80
0.76
E
铜
F
铜
100
0.76
G
钢
80
1.02
H
尼龙
80
1.02
I
尼龙
100
1.02
时间
广州
惠州
潮阳
厦门
到站时间
08:54
09:45
11:15
发车时间
08:15
08:57
09:48
里程/km
0
84
450
相关试卷
这是一份天津市滨海新区大港第十中学2023-2024学年九年级物理第一学期期末达标测试试题含答案,共8页。试卷主要包含了考生必须保证答题卡的整洁,下列带负电荷的粒子是,关于家庭电路,下列说法正确的是等内容,欢迎下载使用。
这是一份天津市滨海新区2023-2024学年九上物理期末监测模拟试题含答案,共8页。试卷主要包含了考生必须保证答题卡的整洁等内容,欢迎下载使用。
这是一份天津市滨海新区2023-2024学年八年级上学期期末物理试卷,共10页。

