


所属成套资源:【微专题】2024新高考物理一轮复习考点攻破训练
2024高考物理一轮复习考点攻破训练——关于电路的分析技巧练习含解析教科版
展开
这是一份2024高考物理一轮复习考点攻破训练——关于电路的分析技巧练习含解析教科版,共8页。试卷主要包含了并联电路电阻特点等内容,欢迎下载使用。
2.欧姆定律是分析串并联电路的基础,熟悉串并联电阻的特点是分析动态电路的基础.
3.并联电路电阻特点:
(1)其中一个支路电阻增大,R总增大;相反,其中任一支路电阻减小,R总减小.
(2)多并一个支路,R总减小(并的越多越小);
(3)n个R并联,R并=eq \f(R,n);
(4)R总小于任一支路电阻,即R总小于其中最小电阻(若相差较大的两个电阻并联,R总与小电阻接近).
1.如图1所示的电路中,闭合开关S,灯L1、L2正常发光.由于电路出现故障,突然发现L1变亮,L2变暗,电流表的读数变小,根据分析,发生的故障可能是( )
图1
A.R1断路
B.R2断路
C.R3短路
D.R4短路
2.(2023·河南豫南豫北名校联考)如图2所示电路,当滑动变阻器R1的滑片向上滑动时,下列说法正确的是( )
图2
A.电流表的示数变大
B.R3两端的电压减小
C.R2的功率增大
D.R1的电流增大
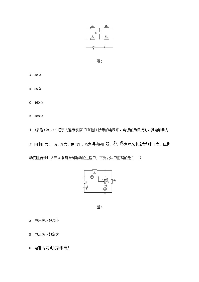
3.(多选)在图3所示电路中,R1=100Ω,R2=200Ω,R3=80Ω,C=20μF,电源电动势为12V,电源内阻不计,闭合开关S后,若要使电容器所带电荷量为4×10-5C,则R4的阻值应为( )
图3
A.40Ω
B.80Ω
C.160Ω
D.400Ω
4.(多选)(2023·辽宁大连市模拟)在如图4所示的电路中,电源的负极接地,其电动势为E、内电阻为r,R1、R2为定值电阻,R3为滑动变阻器,、为理想电流表和电压表.在滑动变阻器滑片P自a端向b端滑动的过程中,下列说法中正确的是( )
图4
A.电压表示数减小
B.电流表示数增大
C.电阻R2消耗的功率增大
D.a点的电势降低
5.(多选)(2023·黑龙江大庆市模拟)如图5所示的电路中,电源有不可忽略的内阻,R1、R2、R3为三个可变电阻,电容器C1、C2所带电荷量分别为Q1和Q2,下列判断正确的是( )
图5
A.仅将R1增大,Q1和Q2都将增大
B.仅将R2增大,Q1和Q2都将增大
C.仅将R3增大,Q1和Q2都将不变
D.突然断开开关S,Q1和Q2都将不变
6.如图6所示,电源电动势为E,内阻为r,闭合开关S,不考虑灯丝电阻随温度的变化,电流表、电压表均为理想电表,当滑动变阻器的滑片由左端向右端滑动时,下列说法正确的是( )
图6
A.电流表读数减小,小灯泡L1变暗
B.电压表读数变大
C.电流表读数增大,小灯泡L2变暗
D.电容器所带电荷量增大
7.(2023·四川省综合能力提升卷(三))在如图7所示的电路中,电源内阻不可忽略,电表均视为理想电表.闭合开关S,当滑动变阻器的滑动触头P向下滑动过程中,下列说法正确的是( )
图7
A.电流表A的示数增大
B.电容器的电荷量增大
C.电压表V1示数的变化量与电流表示数的变化量的比值增大
D.电压表V2示数变化量的绝对值比电压表V1的变化量的绝对值小
答案精析
1.A [等效电路如图所示,
若R1断路,总电阻变大,总电流减小,路端电压变大,L1两端电压变大,L1变亮;ab部分电路结构没变,电流仍按原比例分配,总电流减小,通过L2、电流表的电流都减小,故A正确;若R2断路,总电阻变大,总电流减小,ac部分电路结构没变,R1、L1中电流都减小,与题意相矛盾,故B错误;若R3短路或R4短路,总电阻减小,总电流增大,电流表中电流变大,与题意相矛盾,故C、D错误.]
2.A [当滑动变阻器R1的滑片向上滑动时,其接入电路的电阻增大,外电路总电阻增大,则干路电流I减小,路端电压U增大,R3两端的电压等于路端电压,可知R3两端的电压增大,则通过R3电流I3增大,通过R2电流I2=I-I3,I减小,I3增大,则I2减小,故R2的功率减小,R2两端电压U2也减小;R1、R4并联电压U并=U-U2,U增大,U2减小,则U并增大,故通过电流表和R4的电流IA增大,电流表的示数变大;通过R1的电流I1=I2-IA,I2减小,IA增大,则R1的电流减小,故A正确,B、C、D错误.]
3.BD [若满足题意需使电容器电压U=eq \f(Q,C)=2V;R1两端电压U1=4V,则R3两端电压U3=2V或6V,所以R4两端电压U4=10V或6V,当U3=2V时,R4=400Ω,当U3=6V时,R4=80Ω,故B、D正确.]
4.BD [基础解法:P由a端向b端滑动,滑动变阻器接入电路的阻值减小,则总电阻减小,总电流增大,电阻R1两端电压增大,电压表示数增大,A错误;电阻R2两端的电压U2=E-I总(R1+r),I总增大,则U2减小,I2=eq \f(U2,R2),I2减小,电流表的示数IA=I总-I2增大,B正确;由P2=I22R2可知P2减小,C错误;Uab=φa-φb=φa=U2,故φa降低,D正确;
程序法:由于R3减小,R2与R3并联,则U2、I2均减小,而P2=I22R2,知P2减小,C错误;Uab=U2=φa-φb=φa,故φa降低,D正确;因为R1间接与R3串联,故I1、U1均增大,故电压表示数增大,A错误;根据IA=I1-I2知IA增大,B正确.]
5.BC [仅增大R1,整个电路电阻变大,由闭合电路欧姆定律可知,电路总电流减小,路端电压变大,电容器C1两端电压增大,C2两端电压减小,则电容器所带电荷量Q1增大,Q2减小,故A错误;仅增大R2,整个电路电阻变大,由闭合电路欧姆定律可知,电路总电流减小,路端电压都变大,电阻R1两端电压变小,电阻R2两端电压变大,电容器C1、C2两端电压变大,则两电容器所带电荷量Q1和Q2都增加,故B正确;仅增大R3,整个电路电阻不变,Q1和Q2都将不变,故C正确;突然断开开关S,两个电容器都放电,则Q1和Q2都将减小,故D错误.]
6.B [当滑动变阻器的滑片由左端向右端滑动时,变阻器接入电路的电阻增大,其与小灯泡L1并联的电阻增大,外电路总电阻增大,总电流减小,则电流表读数减小,小灯泡L2变暗,路端电压U=E-Ir增大,电压表的读数变大,选项B正确,C错误;小灯泡L1两端的电压U1=E-I(r+R2)增大,通过小灯泡L1的电流变大,小灯泡L1变亮,选项A错误;通过小灯泡L2的电流减小,小灯泡L2两端电压变小,与小灯泡L2并联的电容器两端电压减小,由Q=CU可得电容器所带电荷量减少,选项D错误.]
7.B [当R2的滑动触头P向下滑动的过程中滑动变阻器接入电路的电阻增大,所以电路总电阻增大,电路总电流减小,即电流表A的示数减小,A错误;当滑动变阻器的滑动触头P向下滑动过程中,滑动变阻器阻值增大,电路中总电流减小,故路端电压增大,而电容器的两端间的电压就是路端电压,由Q=CU可得,电容器的电荷量增大,B正确;电压表V1示数与电流表A示数的比值表示的是定值电阻R1,电压表V1示数的变化量与电流表示数的变化量的比值是定值电阻R1,所以比值不变,C错误;路端电压变大,即电压表V3示数增大;因为R1为定值电阻并且通过的电流减小,所以它两端的电压减小即电压表V1的示数减小,又因为路端电压变大,电压表V1的示数减小,所以电压表V2的示数变大;因U3=U1+U2,可知电压表V2示数变化量的绝对值比电压表V1的变化量的绝对值大,D错误.]
相关试卷
这是一份2024高考物理一轮复习考点攻破训练——准确受力分析与“三重检验”练习含解析教科版,共6页。试卷主要包含了受力分析的两种顺序,三重检验等内容,欢迎下载使用。
这是一份2024高考物理一轮复习考点攻破训练——运动学图像问题的分析方法练习含解析教科版,共8页。
这是一份2024高考物理一轮复习考点攻破训练——平抛运动的解题技巧练习含解析教科版,共7页。试卷主要包含了两个基本关系等内容,欢迎下载使用。
