人教版初中物理复习试题-中考考前复习
展开
这是一份人教版初中物理复习试题-中考考前复习,共8页。
A.扶梯 B.地面
C.墙壁 D.天花板
2.如图所示,可以表示同一种运动规律的图像是( )
①② B. ②③
C. ①④ D.②④
3.如图是几种声音输入到示波器时显示的波形,音调和响度都相同的是( )
甲和乙 B.甲和丙
C.甲和丁 D.乙和丙
4.小明身高为1.5m,站立在平面镜前2m处,他以0.1m/s的速度靠近平面镜,2秒后,他的像大小变化以及他与像的距离正确的是( )
A.像变大,1.5m B.像变小,2m
C.像不变,3.6m D.像不变,4.4m
5.如图所示是从平面镜中看一台表面无数字钟的指针位置,此时钟所指的实际时刻是( )
A.6:50
B.4:50
C.7:10
D.5:10
6.如图,常温下A、B两个烧杯中,分别上方均盖有一块玻璃分别为a、b,过一会儿可明显看到( )
A.a、b两块玻璃外侧均有小水珠
B.a、b两块玻璃内侧均有小水珠
C.a块玻璃内侧,b块玻璃外侧有小水珠
D.a块玻璃外侧,b块玻璃内侧有小水珠
7.蜡烛在光屏上成一实像,如果这时用黑纸将透镜遮住一半,则光屏上的像将( )
A.成的像依然是完整的,但亮度减弱
B.成像是原来的一半
C.成的像变小了一点
D.毫无变化
8.如图,小夏同学在“探究凸透镜成像规律”实验时,烛焰在光屏上成了一个清晰的像说法正确的是( )
A.利用这一成像规律可制成幻灯机
B.要使光屏上烛焰的像变小,只须将蜡烛靠近凸透镜
C.实验中蜡烛越烧越短。光屏上烛焰的像向下移动
D.保持凸透镜位置不变,把蜡烛和光屏位置互换,光屏上可以得到一个倒立放大的实像
9.2018年8月30日,教育部、国家生健康委员会等八部门联合印发《综合防控儿童青少年近视实施方案》,图中属于近视眼及其矫正原理图的是( )
甲 乙 B.甲 丁
C.丙 乙 D.丙 丁
10.一台单缸4冲程柴油机飞轮的转速是1800r/min,则柴油机每秒( )
A.完成30个冲程,做功30次
B.完成60个冲程,做功60次
C.完成60个冲程,做功15次
D.完成120个冲程,做功30次
11.用绝缘丝吊着两个轻质小球,静止后如图所示。已知A球带正电,则关于B球的带电情况,下列说法正确的是( )
A.一定带正电B.可能带正电或不带电
C.一定带负电D.可能带负电或不带电
12.关于电功率,下列说法中正确的是( )
A.电功率是表示电流做功多少的物理量
B.电功率是表示电流做功的效率高低的物理量
C.电功率是表示消耗电能的快慢的物理量
D.电功率是表示电能转化为其它形式能的多少的物理量
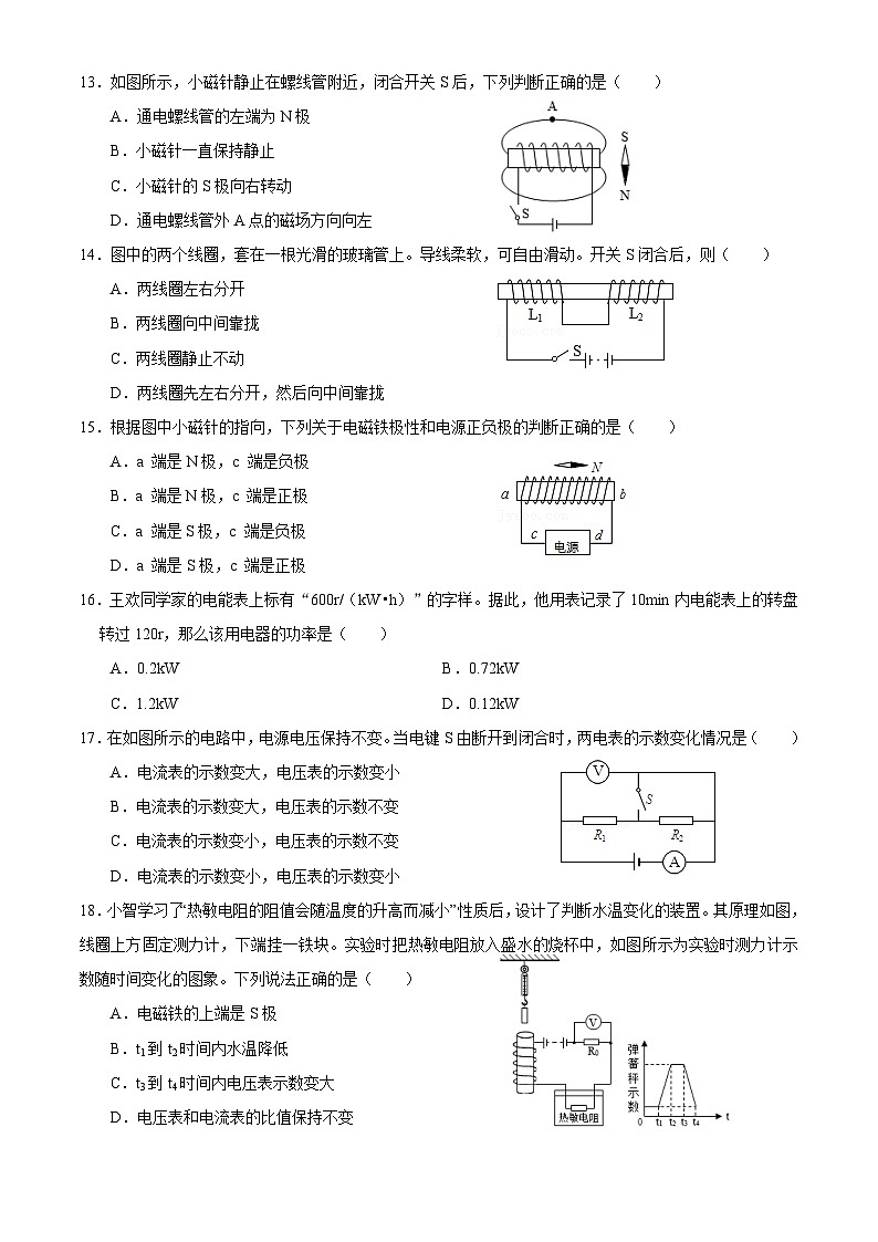
13.如图所示,小磁针静止在螺线管附近,闭合开关S后,下列判断正确的是( )
A.通电螺线管的左端为N极
B.小磁针一直保持静止
C.小磁针的S极向右转动
D.通电螺线管外A点的磁场方向向左
14.图中的两个线圈,套在一根光滑的玻璃管上。导线柔软,可自由滑动。开关S闭合后,则( )
A.两线圈左右分开
B.两线圈向中间靠拢
C.两线圈静止不动
D.两线圈先左右分开,然后向中间靠拢
15.根据图中小磁针的指向,下列关于电磁铁极性和电源正负极的判断正确的是( )
A.a 端是N极,c 端是负极
B.a 端是N极,c 端是正极
C.a 端是S极,c 端是负极
D.a 端是S极,c 端是正极
16.王欢同学家的电能表上标有“600r/(kW•h)”的字样。据此,他用表记录了10min内电能表上的转盘转过120r,那么该用电器的功率是( )
A.0.2kW B.0.72kW
C.1.2kW D.0.12kW
17.在如图所示的电路中,电源电压保持不变。当电键S由断开到闭合时,两电表的示数变化情况是( )
A.电流表的示数变大,电压表的示数变小
B.电流表的示数变大,电压表的示数不变
C.电流表的示数变小,电压表的示数不变
D.电流表的示数变小,电压表的示数变小
18.小智学习了“热敏电阻的阻值会随温度的升高而减小”性质后,设计了判断水温变化的装置。其原理如图,线圈上方固定测力计,下端挂一铁块。实验时把热敏电阻放入盛水的烧杯中,如图所示为实验时测力计示数随时间变化的图象。下列说法正确的是( )
A.电磁铁的上端是S极
B.t1到t2时间内水温降低
C.t3到t4时间内电压表示数变大
D.电压表和电流表的比值保持不变
19.把标有“6V 3W”和“12V 3W”字样的两个灯泡L1、L2串联在15V的电源上,下列说法正确的是( )
A.灯L2正常发光 B.灯L1正常发光
C.两灯都能正常发光 D.两灯都不能正常发光
20.灯泡L1标有“24V 12W”的字样,灯泡L2标有“12V 12W”的字样,将两个灯泡串联后接在电源电压为U的电路中,若要保证两个灯泡不损坏,则( )
A.电源电压U的最大值为30V
B.两灯泡的实际功率之比为1:4
C.灯泡L2两端电压与电源电压U之比为1:3
D.电源电压U为36 V时,灯泡L1、L2均能正常发光
【作图题】
21.如图所示的AB、CD是同一发光点S发出的光经平面镜反射后的两条反射光线,请你根据光的反射规律,用作图方法确定发光点S的位置
22.如图,有以三角形物体ABC,请作出其在平面镜中的像。
23.如图所示,两透镜的主光轴在同一直线上,且两透镜的焦点正好重合,根据光路图,在方框内填上适当透镜的符号。
24.如图所示,F是凸透镜焦点,请画出光线a、b对应的折射光线和入射光线。
25.在图中画出与入射光线对应的折射光线。
26.如图所示,请作出凸透镜的入射光线和进入水中的折射光线。
第4题图 第5题图 第6题图
27.如图所示,在〇里填上适当的电表符号,当电键S闭合时,各用电器都能正常工作。
28.请按如图所示的电路连接情况,在右侧画出对应的电路图。
第27题图 第28题图
29.如所示电能表,读数是 ;允许通过的最大电流是 A;若某用电器接在电能表所在电路工作,1min铝盘转了40转,则用电器的功率是 W。
30.如图所示,A灯标有“4 V 4 W”字样,B灯标有“4 V 2 W”字样.闭合开关,从右向左缓慢滑动变阻器滑片,直到其中一盏灯恰好正常发光,此时电压表的示数是 V,A灯和B灯的总功率是 W。
31.如图所示的是用来描绘某一磁体周围磁场的部分磁感线,由磁感线的分布特点可知,a点的磁场比b点的磁场 (强/弱);若在b点放置一个可自由转动的小磁针,则小磁针静止时,其N极指向 (P/Q)处。小磁针指南北,是因为地球是一个巨大的磁体。地磁的北极在地理的 极附近,地磁的南极在地理的 极附近。
第29题图 第30题图 第31题图
32.在探究“水沸腾时温度变化的特点”实验中:
(1)安装好实验器材后,为缩短实验时间,小强在烧杯中倒入热水,热水中温度计的示数如图甲所示,此时温度计的示数为 ℃
(2)当水温接近90℃时,每隔1min记录一次温度,并绘制了图乙所示水温随时间变化的图象,由图象可知:水沸腾时的特点是 。
(3)小强观察到:沸腾时水中气泡的情形为图丙中 图。(选填“A”或“B”)
(4)小强同学想提高水的沸点,换用了火力更大的酒精灯加热,这种做法 (选填“可行”或“不可行”)。
33.小明在做“探究凸透镜成像规律”的实验时,实验操作规范。
(1)该实验应该在 (“较暗”或者“较暗”)的环境下进行。
(2)如图所示,将蜡烛、凸透镜、光屏依次放在光具座上,点燃蜡烛后,调整凸透镜和光屏的高度,使它们的中心与烛焰中心大致在同一高度,其目的是使像成在 。
(3)将蜡烛、凸透镜、光屏安装在光具座上。为了使烛焰的像完整的成在光屏中央应调整烛焰、透镜、光屏三者中心在 。
(4)在如图甲所示位置时,烛焰恰好在光屏上成清晰的像。这个像的成像原理与 (选填“放大镜”、“投影仪”或“照相机”)相同。若将蜡烛向右移动少许,则应将光屏向 (选填“左”或“右”)移动才能再次在光屏上成清晰像,此时像的大小比刚才的像要 (选填“大”或“小”)些。如果此时透镜上落了一只小虫,则光屏上的像的大小 (选填“变大”“变小”或“不变”)。
(5)此时小明在光屏和凸透镜间放上自己所配戴的近视眼镜,若仍要在光屏上成清晰的像,则需要将光屏向 (选填“靠近”或“远离”)凸透镜的方向移动,此时所成的清晰像为 像(选填“实”或“虚”)。近视眼镜对光起作用 (选填“发散”或者“会聚”)。
(6)如图乙为了测量凸透镜的焦距,小刚同学将凸透镜正对太阳光,在透镜的另一侧调整白纸位置,在距离凸透镜10cm处,白纸上呈现出最小最亮的光斑,则凸透镜焦距约为 cm。
(7)实验中,若用不透明的硬纸板挡住凸透镜的上半部分,则光屏上的像 (填选项序号)。
①出现烛焰像的上半部分; ②只出现烛焰像的下半部分;
③出现烛焰完整的像但像更小; ④像仍然是完整的,且大小不变,只是变暗。
34.在“测量小灯泡额定功率”实验中,小灯泡的额定电压U额=2.5V。
(1)图甲是小明测量小灯泡额定功率的实物电路图。图中有一根线连接错误,请在这根线上打“×”,并在图中改正;
(2)闭合开关,移动滑片P直到电压表示数为2.5V,此时电流表示数如图乙所示为 ___________A,则小灯泡的额定功率为 ___________W;
(3)小华设计了如图丙所示的电路也完成了该实验。电源电压不变,R1和R2为滑动变阻器,R2的最大阻值为R0,请完成下列填空:
①闭合开关S、S1,调节R2,使电压表的示数为2.5V;
②断开开关 ___________,闭合开关 ___________调节___________使电压表的示数仍为2.5V;
③接着将R2的滑片P调至最左端,记下电压表的示数为U1,再将R2的滑片P调至最右端,记下电压表的示数为U2。则小灯泡额定功率的表达式P额=___________(用U额、R0、U1、U2表示)。
35.如图所示的电路中,电源电压U不变,r、R1和R2均为定值电阻,其中r=1Ω,R1=14Ω,S1为单刀单掷开关,S2为单刀双掷开关。闭合S1,将S2掷于1端,电压表V的示数U1=2.8V;将S2切换到2端,电压表V的示数U2=2.7V。求:
(1)电源电压U的大小;
(2)电阻R2的阻值。
36.如图所示,电源电压可调,小灯泡上标有“6V 0.5A”的字样(不考虑温度对小灯泡电阻的影响),电流表量程0~0.6A,电压表量程0~3V,滑动变阻器规格为“20Ω 1A”。
(1)电源电压调至6V,闭合开关S1和S2,移动滑动变阻器滑片P,使小灯泡正常发光,电流表示数为0.6A,则电压表的示数是多少?R0的阻值是多少?
(2)电源电压调至8V,断开开关S1,闭合开关S2,为了保证电路安全,求滑动变阻器的阻值变化范围。
37.图甲为某自助式洗车机储水箱防冻系统的加热电路。S为温控开关,两个完全相同的发热电阻R1和R2的阻值不随温度变化,工作时,S可在“0”“1”“2”三个挡位之间自动转换,当储水箱水温低于5℃时,S将自动跳到“1”挡加热;若R1烧断,S将自动跳到“2”挡,使用备用电阻R2加热;当水温达到10℃时,S自动跳到“0”挡停止加热。已知储水箱容积为220L,防冻系统正常工作时电压为220V,加热功率为2.2kW。
(1)求防冻系统正常加热时通过电阻R1的电流。
(2)某时段防冻系统工作时,储水箱装满了水,加热功率P与工作时间t的关系如图乙所示,求该系统在0~340min内消耗的电能。
(3)请根据图乙中的信息,计算防冻系统的热损耗功率。已知c水=4.2×103J/(kg•℃)。
相关试卷
这是一份人教版初中物理复习试题-中考物理二检考前复习,文件包含中考物理二检考前复习docx、答案docx等2份试卷配套教学资源,其中试卷共18页, 欢迎下载使用。
这是一份人教版初中物理复习试题-中考前复习,共10页。
这是一份人教版初中物理复习试题-中考考前训练卷,共12页。

