所属成套资源:新高考物理二轮复习题型归纳与变式练习专题 (含解析)
新高考物理二轮复习题型归纳与变式练习专题17力学实验(含解析)
展开
这是一份新高考物理二轮复习题型归纳与变式练习专题17力学实验(含解析),共31页。
专题17:力学实验
考点01 基本仪器的读数和使用 1
考点02 “纸带类”实验 5
考点03 “橡皮条、弹簧、碰撞”类实验 8
考点04 力学创新实验 10
考点05 其它实验 12
考点01 基本仪器的读数和使用
【考点诠释】
1.两种常见长度测量仪器的使用及读数方法
游标卡尺(不估读)
(1)读数:测量值=主尺读数(mm)+精度×游标尺上对齐刻线数值(mm)。
(2)常用精确度:10分度游标,精度0.1 mm;
20分度游标,精度0.05 mm;
50分度游标,精度0.02 mm
螺旋测微器(需估读)
测量值=固定刻度+可动刻度(带估读值)×0.01 mm
2.时间类测量仪器的读数
(1)打点计时器:每打两个点的时间间隔为0.02 s,一般每五个点取一个计数点,则时间间隔为Δt=0.02×5 s=0.1 s。
(2)频闪照相机:用等时间间隔获取图象信息的方法将物体在不同时刻的位置记录下来,时间间隔Δt=。(f为频闪照相机的频率)
(3)光电计时器:记录遮光条通过光电门的遮光时间。
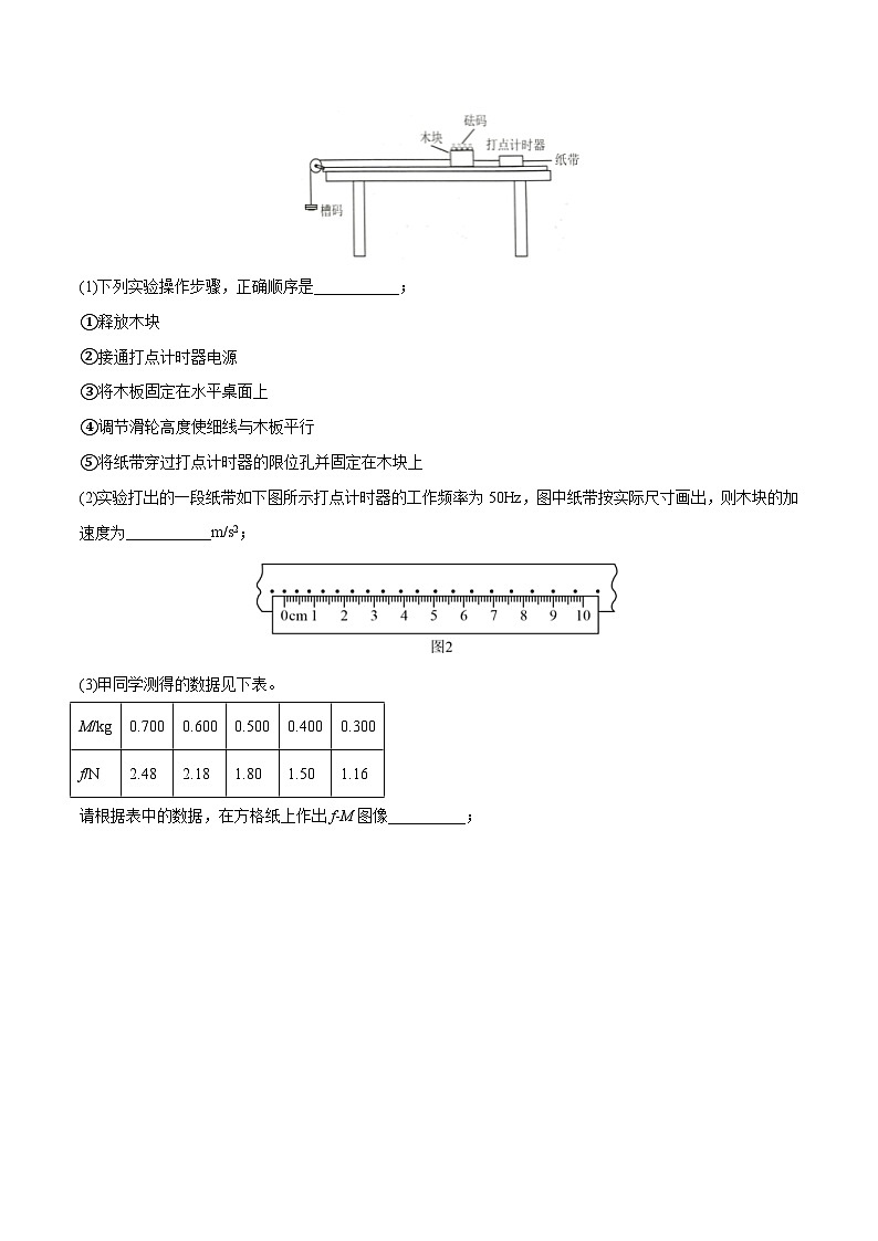
【典例1】 用如下图所示的实验装置测量木块与长木板间的动摩擦因数。把左端带有滑轮的长木板平放在实验桌上,载有砝码的木块右端连接穿过打点计时器的纸带,左端连接细线,细线绕过定滑轮挂有槽码,木块在槽码的牵引下运动通过纸带测量木块的加速度,并测出木块与砝码的总质量M,槽码的总质量m,计算木块与木板之间的摩擦力f。改变M和m进行多次实验。
(1)下列实验操作步骤,正确顺序是___________;
①释放木块
②接通打点计时器电源
③将木板固定在水平桌面上
④调节滑轮高度使细线与木板平行
⑤将纸带穿过打点计时器的限位孔并固定在木块上
(2)实验打出的一段纸带如下图所示打点计时器的工作频率为50Hz,图中纸带按实际尺寸画出,则木块的加速度为___________m/s2;
(3)甲同学测得的数据见下表。
M/kg
0.700
0.600
0.500
0.400
0.300
f/N
2.48
2.18
1.80
1.50
1.16
请根据表中的数据,在方格纸上作出f-M图像__________;
(4)已知重力加速度g=9.80m/s2,可求得该木块与木板的动摩擦因数=___________;
(5)乙同学用(3)问表中的数据逐一计算出每次测量的值,取其平均值作为测量结果。他发现该值比甲同学在(4)问中得出的值大。你认为哪位同学的结果更准确,请简要说明理由______________。
【答案】(1). ③⑤④②① (2). 0.47 (3). 见解析 (4). 0.33(0.32~0.34) (5). 见解析
【解析】(1)[1]实验时,将木板固定在水平桌面上,接着将纸带穿过打点计时器的限位孔并固定在木块上,然后把细线拴在小车上,使细线跨过定滑轮并挂上槽码,调节滑轮高度使细线与木板平行。再接通打点计时器电源,接着释放木块。最后关闭电源,取下纸带。故正确顺序是③⑤④②①。
(2)[2]如图所示
每四个点选用一个计数点,标上字母。则计数点之间的时间间隔为
用刻度尺测得C、E两点到O点的距离分别为,,由逐差法得
(3)[3]根据表中数据描点,用平滑的曲线连接如下
(4)[4]由滑动摩擦力公式得:
可知,图线的斜率为,则:
解得:
(5)[5]用图象法求,需要连线,连线时尽量让更多的点在线上,但不会去将就每一个点。这样偏离直线较远的点,说明有问题,可以自动排除。但乙同学通过求平均值就做不到这一点,因此甲同学的结果更准确。
【变式1-1】某同学用螺旋测微器测圆柱体的直径时,示数如图甲所示,此示数为________mm;用游标卡尺测量某物体的厚度时,示数如图乙所示,此示数为_______mm.
【答案】:8.470(8.470~8.472均正确) 2.065
【解析】:螺旋测微器的固定刻度读数8 mm,可动刻度读数为0.01×47.0=0.470 mm,所以最终读数为8 mm+0.470 mm=8.470 mm,由于需要估读,因此在范围8.470~8.472 mm内均正确;游标卡尺的主尺读数为2 cm,游标尺上第13个刻度与主尺上某一刻度对齐,因此游标读数为0.05×13 mm=0.65 mm=0.065 cm,所以最终读数为2 cm+0.065 cm=2.065 cm。
【变式1-2】在“探究弹力和弹簧伸长的关系”时,某同学把两根弹簧按如下图甲方式连接起来研究.
(1)某次毫米刻度尺读数如图乙所示,指针示数为________ cm.
(2)在弹性限度内,将50 g的钩码逐个挂在弹簧下端,得到指针A、B的示数LA、LB见下表.用表中数据计算弹簧Ⅰ的劲度系数为________ N/m(结果保留三位有效数字,取g=10 m·s-2).由表中数据________(选填“能”或“不能”)计算出弹簧Ⅱ的劲度系数.
钩码数
1
2
3
4
LA/cm
15.76
19.77
23.67
27.76
LB/cm
29.96
35.76
41.51
47.36
【答案】 (1)25.85 (2)12.5(12.3~12.7) 能
【解析】 (1)指针示数为25.85 cm.
(2)由表格中的数据可知,当弹力的变化量ΔF=0.5 N时,
弹簧Ⅰ形变量的变化量为Δx=4.00 cm,根据胡克定律知:k== N/m=12.5 N/m.
结合两弹簧的示数的变化,可以得出弹簧Ⅱ形变量的变化量,结合弹力变化量,根据胡克定律能求出弹簧Ⅱ的劲度系数.
考点02 “纸带类”实验
【考点诠释】
1.利用纸带判定物体的运动性质(如图所示)
(1)若x1、x2、x3、…、x6基本相等,在误差允许的范围内可认为物体做匀速直线运动。
(2)利用x1、x2、x3、…、x6计算出相邻相等时间内的位移差x2-x1、x3-x2、…、x6-x5,若大致相等,则在误差允许的范围内认为Δx=aT2可判定物体做匀变速直线运动。
2.平均速度法求速度:如图所示,做匀变速直线运动的物体在某段时间的中间时刻的瞬时速度等于这段时间内的平均速度,即vn=。
3.利用纸带求加速度的三种方法
(1)利用第m个T时间内的位移和第n个T时间内的位移求a,即a=。
(2)逐差法:如从纸带上得到6个连续相等时间间隔内的位移,则a=。
(3)vt图象法:求出各点的瞬时速度,画出vt图线,图线的斜率表示加速度a。
【典例2】在“验证机械能守恒定律”实验中,小王用如图1所示的装置,让重物从静止开始下落,打出一条清晰的纸带,其中的一部分如图2所示。O点是打下的第一个点,A、B、C和D为另外4个连续打下的点。
①为了减小实验误差,对体积和形状相同的重物,实验时选择密度大的理由是___________。
②已知交流电频率为,重物质量为,当地重力加速度,则从O点到C点,重物的重力势能变化量的绝对值___________J、C点的动能___________J(计算结果均保留3位有效数字)。比较与的大小,出现这一结果的原因可能是___________。
A.工作电压偏高 B.存在空气阻力和摩擦力 C.接通电源前释放了纸带
【答案】阻力与重力之比更小(或其它合理解释) 0.547 0.588 C
【解析】
①[1]在验证机械能守恒实验时阻力越小越好,因此密度大的阻力与重力之比更小
②[2]由图中可知OC之间的距离为,因此机械能的减少量为
[3]匀变速运动时间中点的速度等于这段时间的平均速度,因此
因此动能的增加量为
[4]工作电压偏高不会影响实验的误差,存在摩擦力会使重力势能的减少量大于动能的增加量,只有提前释放了纸带,纸带的初速度不为零,下落到同一位置的速度偏大才会导致动能的增加量大于重力势能的减少量。
【变式2-1】(1)用如图所示装置进行“探究功与速度变化的关系”实验。装有砝码的盘用绕过滑轮的细线牵引小车,盘和砝码的重力可当作牵引力。小车运动的位移和速度可以由打点纸带测出,以小车为研究对象,改变砝码质量,便可探究牵引力所做的功与小车速度变化的关系。
①关于这个实验,下列说法正确的是______;
A.需要补偿小车受到阻力的影响
B.该实验装置可以“验证机械能守恒定律”
C.需要通过调节定滑轮使细线与长木板平行
D.需要满足盘和砝码的总质量远小于小车的质量
②如图2所示是两条纸带,实验时打出的应是第______条(填写“I”或“II”)纸带;
③根据实验数据,在坐标纸上画出的W-v2图象是一条过原点的直线,据此图象______(填“能”或“不能”)求出小车的质量。
【答案】ACD Ⅱ 能
【解析】(1)[1]A.题中需要将盘和砝码的重力可当作牵引力,所以首先需要补偿小车受到阻力的影响,即抬高长木板右端,小车在不接盘和砝码的情况下,轻推小车,使小车做匀速直线运动,说明小车重力沿斜面的分力与小车所受阻力等大反向,A正确;
D.然后挂上盘与砝码,根据牛顿第二定律
对小车,根据牛顿第二定律
两式相比解得绳子拉力
当满足盘和砝码的总质量远小于小车的质量,即,盘和砝码的重力可当作牵引力,D正确;
B.实验过程中摩擦阻力无法消除,本实验装置无法验证“机械能守恒定律”故B错误。
C.细线与长木板平行需要平行,保证绳子的拉力与小车运动方向一致,这样盘和砝码的重力可完全当作牵引力,C正确。
故选ACD。
[2]小车做匀加速直线运动,位移逐渐增大,所以实验打出的纸带是第II条。
[3]根据动能定理可知,图像的斜率为,据能求出小车的质量。
考点03 “橡皮条、弹簧、碰撞”类实验
【考点诠释】
1.探究弹力和弹簧伸长量的关系的操作关键
(1)实验中不能挂过多的钩码,防止弹簧超过其弹性限度。
(2)画图象时,不要连成“折线”,而应尽量让坐标点落在直线上或均匀分布在直线两侧。
2.验证力的平行四边形定则的操作关键
(1)每次拉伸结点位置O必须保持不变。
(2)记下每次各力的大小和方向。
(3)画力的图示时应选择适当的标度。
3.验证动量守恒定律的关键
无论采用哪种方案验证动量守恒定律,均须测量系统内各物体作用前后的动量(即质量和速度的乘积)。
4.常见的数据处理方法
(1)列表法:直接从表格数据中得到弹力F与伸长量x的比值是一个常数。
(2)图象法:以弹力F为纵坐标,弹簧的伸长量x为横坐标,根据所测数据,在坐标系中描点连线,可得到一条过原点的直线。
①Fx图线为一条过原点的直线,而Fl图线为一条倾斜直线但不过原点。
②Fx图线和Fl图线的斜率均表示弹簧(或橡皮筋)的劲度系数。
③Fl图线在l轴的截距表示弹簧(或橡皮筋)的原长。
④Fx图线和Fl图线发生弯曲的原因是弹簧(或橡皮筋)超出了弹性限度。
(3)函数法:在误差允许范围内,可写出弹力与弹簧伸长量的函数关系式F=kx。实际解题中常与图象法配合使用,以得到函数式或对比实际关系式用以计算物理量等。
【典例3】某兴趣小组测量一缓冲装置中弹簧的劲度系数,缓冲装置如图所示,固定在斜面上的透明有机玻璃管与水平面夹角为30°,弹簧固定在有机玻璃管底端。实验过程如下:先沿管轴线方向固定一毫米刻度尺,再将单个质量为200g的钢球(直径略小于玻璃管内径)逐个从管口滑进,每滑进一个钢球,待弹簧静止,记录管内钢球的个数n和弹簧上端对应的刻度尺示数,数据如表所示。实验过程中弹簧始终处于弹性限度内。采用逐差法计算弹簧压缩量,进而计算其劲度系数。
n
1
2
3
4
5
6
8.04
10.03
12.05
14.07
16.11
18.09
(1)利用计算弹簧的压缩量:,,______cm,压缩量的平均值______cm;
(2)上述是管中增加______个钢球时产生的弹簧平均压缩量;
(3)忽略摩擦,重力加速度g取,该弹簧的劲度系数为______N/m。(结果保留3位有效数字)
【答案】6.04 6.05 3 48.6
【解析】
(1)[1]根据压缩量的变化量为
[2]压缩量的平均值为
(2)[3]因三个是相差3个钢球的压缩量之差,则所求平均值为管中增加3个钢球时产生的弹簧平均压缩量;
(3)[4]根据钢球的平衡条件有
解得
【变式3-1】为测量小铜块与瓷砖表面间的动摩擦因数,一同学将贴有标尺的瓷砖的一端放在水平桌面上,形成一倾角为的斜面(已知sin=0.34,cos=0.94),小铜块可在斜面上加速下滑,如图所示。该同学用手机拍摄小铜块的下滑过程,然后解析视频记录的图像,获得5个连续相等时间间隔(每个时间间隔∆T=0.20s)内小铜块沿斜面下滑的距离si(i=1,2,3,4,5),如下表所示。
s1
s2
s3
s4
s5
5.87cm
7.58cm
9.31cm
11.02cm
12.74cm
由表中数据可得,小铜块沿斜面下滑的加速度大小为___________m/s2,小铜块与瓷砖表面间的动摩擦因数为___________。(结果均保留2位有效数字,重力加速度大小取9.80m/s2)
【答案】0.43 0.32
【解析】
[1]根据逐差法有
[2]对小铜块受力分析根据牛顿第二定律有:
代入数据解得:
考点04 力学创新实验
【考点诠释】
1.创新型实验的特点
(1)以基本的力学模型为载体,依托运动学规律和力学定律设计实验。
(2)将实验的基本方法(控制变量法)和处理数据的基本方法(图象法、逐差法),融入到实验的综合分析之中。
2.创新型实验的解法
(1)根据题目情景,抽象出相应的力学模型、运动过程,根据相应规律列出关系式从而明确实验的理论依据。
(2)应用原理公式或图象法处理实验数据,结合物体实际受力情况和理论受力情况对结果进行分析。
【典例4】一同学用电子秤、水壶、细线、墙钉和贴在墙上的白纸等物品,在家中验证力的平行四边形定则。
(1)如图(a),在电子秤的下端悬挂一装满水的水壶,记下水壶______时电子秤的示数F。
(2)如图(b),将三根细线L1、L2、L3的一端打结,另一端分别拴在电子秤的挂钩、墙钉A和水壶杯带上。水平拉开细线L1,在白纸上记下结点O的位置、____________和电子秤的示数F1。
(3)如图(c),将另一颗墙钉B钉在与O同一水平位置上,并将L1拴在其上。手握电子秤沿着(2)中L2的方向拉开细线L2,使____________和三根细线的方向与(2)中重合,记录电子秤的示数F2。
(4)在白纸上按一定标度作出电子秤拉力F、F1、F2的图示,根据平行四边形定则作出F1、F2的合力F′的图示,若____________________________,则平行四边形定则得到验证。
【答案】:(1)静止 (2)三根细线的方向 (3)结点O的位置
(4)F和F′在误差允许的范围内重合
【解析】:(1)要测量装满水的水壶的重力,则应记下水壶静止时电子秤的示数F。
(2)要画出平行四边形,则需要记录分力的大小和方向,所以在白纸上记下结点O的位置的同时,也要记录三根细线的方向以及电子秤的示数F1。
(3)已经记录了一个分力的大小,还要记录另一个分力的大小,则结点O的位置不能变化,力的方向也都不能变化,所以应使结点O的位置和三根细线的方向与(2)中重合,记录电子秤的示数F2。
(4)根据平行四边形定则作出F1、F2的合力F′的图示,若F和F′在误差允许的范围内重合,则平行四边形定则得到验证。
【变式4-1】一细绳跨过悬挂的定滑轮,两端分别系有小球A和B,如图所示。一实验小组用此装置测量小球B运动的加速度。
令两小球静止,细绳拉紧,然后释放小球,测得小球B释放时的高度h0=0.590 m,下降一段距离后的高度h=0.100 m;由h0下降至h所用的时间T=0.730 s。由此求得小球B加速度的大小为a=_______m/s2(保留3位有效数字)。
从实验室提供的数据得知,小球A、B的质量分别为100.0 g和150.0 g,当地重力加速度大小为g=9.80 m/s2。根据牛顿第二定律计算可得小球B加速度的大小为a′=_______m/s2(保留3位有效数字)。
可以看出,a′与a有明显差异,除实验中的偶然误差外,写出一条可能产生这一结果的原因:__________。
【答案】1.84 1.96 滑轮的轴不光滑,绳和滑轮之间有摩擦(或滑轮有质量)
【解析】
①有题意可知小球下降过程中做匀加速直线运动,故根据运动学公式有
代入数据解得a=1.84m/s2;
②根据牛顿第二定律可知对小球A有
对小球B有
带入已知数据解得;
③在实验中绳和滑轮之间有摩擦会造成实际计算值偏小。
考点5 其它实验
【考点诠释】
1.“探究平抛运动的特点”实验中需要注意的问题
(1)实验中必须保证通过斜槽末端点的切线水平,木板必须处在竖直平面内,且与小球运动轨迹所在竖直平面平行,并使小球的运动靠近木板但不接触;
(2)小球必须每次从斜槽上同一位置由静止开始滚下,因此,可在斜槽上某一位置固定一个挡板;
(3)坐标原点(小球做平抛运动的起点)不是槽口的端点,而应是小球在槽口时球的球心在木板上的水平投影点,位于槽口末端上方r处(r为小球半径);
(4)应在斜槽上适当的位置释放小球,使它以适当的水平速度抛出,其轨迹由木板的左上角到达右下角,这样可以使实验误差较小;
(5)须在斜槽末端用重锤线检查白纸上所画y轴是否竖直。
2.“探究向心力大小与半径、角速度、质量的关系”实验数据处理
从表记录的数据观察,通过公式T2=,计算得出的周期值跟用秒表直接测量的周期值对比,看在误差允许范围内是否近似相等,从而证明公式g=r是否成立,即F=m=mω2r=mr是否成立(实验时可以多次测量,以减小实验误差)。
【典例5】(2021·天津学业水平等级性考试·T9)某实验小组利用图1所示装置测定平抛运动的初速度。把白纸和复写纸叠放一起固定在竖直木板上,在桌面上固定一个斜面,斜面的底边ab与桌子边缘及木板均平行。每次改变木板和桌边之间的距离,让钢球从斜面顶端同一位置滚下,通过碰撞复写纸,在白纸上记录钢球的落点。
图1
(1)为了正确完成实验,以下做法必要的是________。
图2
A.实验时应保持桌面水平
B.每次应使钢球从静止开始释放
C.使斜面的底边ab与桌边重合
D.选择对钢球摩擦力尽可能小的斜面
(2)实验小组每次将木板向远离桌子的方向移动0.2 m,在白纸上记录了钢球的4个落点,相邻两点之间的距离依次为15.0 cm、25.0 cm、35.0 cm,示意如图2。重力加速度g=10 m/s2,钢球平抛的初速度为________ m/s。
(3)图1装置中,木板上悬挂一条铅垂线,其作用是________________。
【答案】 (1)AB (2)2 (3)方便将木板调整到竖直平面
【解析】(1)为了使钢球离开桌面做平抛运动,实验时应保持桌面水平,A项正确;为了使钢球做平抛运动的初速度相同,每次应使钢球从同一位置由静止释放,B项正确;实验与斜面是否光滑无关,D项错误;若ab边与桌边重合,则钢球在空中做的不是平抛运动,C项错误。(2)钢球在水平方向做匀速直线运动,每次向右移动0.2 m,钢球做平抛运动的时间均匀增大;竖直方向上,钢球做自由落体运动,有Δy=gT2,得T=0.1 s,所以钢球平抛的初速度v==2 m/s。(3)木板上悬挂铅垂线是为了调整木板使其处于竖直状态。
【变式5-1】(2021·江南十校联考)如图甲所示是某同学探究做圆周运动的物体质量、向心力、轨道半径及线速度关系的实验装置,圆柱体放置在水平光滑圆盘上且做匀速圆周运动。力传感器测量向心力F,速度传感器测量圆柱体的线速度v,该同学通过保持圆柱体的质量和运动的轨道半径不变,来探究向心力F与线速度v的关系。
甲
(1)该同学采用的实验方法为________。
A.等效替代法 B.控制变量法 C.理想化模型法
(2)改变线速度v,多次测量,该同学得到了五组F、v数据,如下表所示:
v/(m·s-1)
1.0
1.5
2.0
2.5
3.0
F/N
0.88
2.00
3.50
5.50
7.90
该同学对数据分析后,在图乙坐标纸上描出了五个点。
①在图乙的坐标纸上作出Fv2图线。
乙
②若圆柱体运动的轨道半径r=0.2 m,由作出的Fv2图线可得圆柱体的质量m=________kg。(结果保留两位有效数字)
【答案】(1)B (2)①见解析 ②0.18
【解析】(1)实验中研究向心力和线速度的关系,保持圆柱体的质量和运动的轨道半径不变,采用的实验方法是控制变量法,故选B。
(2)①作出Fv2图线,如图所示。
②根据F=m知,图线的斜率k=,
则= N·s2/m2,代入数据解得m=0.18 kg。
1、(2022·湖南卷·T11)小圆同学用橡皮筋、同种一元硬币、刻度尺、塑料袋、支架等,设计了如图(a)所示的实验装置,测量冰墩墩玩具的质量。主要实验步骤如下:
(1)查找资料,得知每枚硬币的质量为;
(2)将硬币以5枚为一组逐次加入塑料袋,测量每次稳定后橡皮筋的长度,记录数据如下表:
序号
1
2
3
4
5
硬币数量/枚
5
10
15
20
25
长度
10.51
12.02
13.54
15.05
16.56
(3)根据表中数据在图(b)上描点,绘制图线;______
(4)取出全部硬币,把冰墩墩玩具放入塑料袋中,稳定后橡皮筋长度的示数如图(c)所示,此时橡皮筋的长度为______;
(5)由上述数据计算得冰墩墩玩具的质量为______(计算结果保留3位有效数字)。
【答案】 ①. 见解析 ②. 15.35 ③. 127
【解析】
(3)[1]根据表格标点连线如图
(4)[2]由图可知刻度尺的分度值为1mm,故读数;
(5)[3]设橡皮筋的劲度系数为k,原长为x0,则
设冰墩墩的质量为m1,则有
联立各式代入数据可得。
2、(2022·广东卷·T11)某实验小组为测量小球从某一高度释放,与某种橡胶材料碰撞导致的机械能损失,设计了如图(a)所示的装置,实验过程如下:
(1)让小球从某一高度由静止释放,与水平放置的橡胶材料碰撞后竖直反弹。调节光电门位置,使小球从光电门正上方释放后,在下落和反弹过程中均可通过光电门。
(2)用螺旋测微器测量小球的直径,示数如图(b)所示,小球直径__________。
(3)测量时,应__________(选填“A”或“B”,其中A为“先释放小球,后接通数字计时器”,B为“先接通数字计时器,后释放小球”)。记录小球第一次和第二次通过光电门遮光时间和。
(4)计算小球通过光电门的速度,已知小球的质量为m,可得小球与橡胶材料碰撞导致的机械能损失__________(用字母m、d、和表示)。
(5)若适当调高光电门的高度,将会__________(选填“增大”或“减小”)因空气阻力引起的测量误差。
【答案】 ①. 7.883##7.884 ②. B ③. ④. 增大
【解析】
(2)[1]依题意,小球的直径为
考虑到偶然误差,7.883mm也可以。
(3)[2]在测量时,因小球下落时间很短,如果先释放小球,有可能会出现时间记录不完整,所以应先接通数字计时器,再释放小球,故选B。
(4)[3]依题意,小球向下、向上先后通过光电门时的速度分别为v1、v2,则有
则小球与硅胶材料碰撞过程中机械能的损失量为
(5)[4]若调高光电门的高度,较调整之前小球会经历较大的空中距离,所以将会增大因空气阻力引起的测量误差。
3、(2022·山东卷·T13)在天宫课堂中、我国航天员演示了利用牛顿第二定律测量物体质量的实验。受此启发。某同学利用气垫导轨、力传感器、无线加速度传感器、轻弹簧和待测物体等器材设计了测量物体质量的实验,如图甲所示。主要步骤如下:
①将力传感器固定在气垫导轨左端支架上,加速度传感器固定在滑块上;
②接通气源。放上滑块。调平气垫导轨;
③将弹簧左端连接力传感器,右端连接滑块。弹簧处于原长时滑块左端位于O点。A点到O点的距离为5.00cm,拉动滑块使其左端处于A点,由静止释放并开始计时;
④计算机采集获取数据,得到滑块所受弹力F、加速度a随时间t变化的图像,部分图像如图乙所示。
回答以下问题(结果均保留两位有效数字):
(1)弹簧的劲度系数为_____N/m。
(2)该同学从图乙中提取某些时刻F与a的数据,画出a—F图像如图丙中I所示,由此可得滑块与加速度传感器的总质量为________kg。
(3)该同学在滑块上增加待测物体,重复上述实验步骤,在图丙中画出新的a—F图像Ⅱ,则待测物体的质量为________kg。
【答案】 ①. 12 ②. 0.20 ③. 0.13
【解析】
(1)[1]由题知,弹簧处于原长时滑块左端位于O点,A点到O点的距离为5.00cm。拉动滑块使其左端处于A点,由静止释放并开始计时。结合图乙的F—t图有
Dx = 5.00cm,F = 0.610N
根据胡克定律
计算出
k ≈ 12N/m
(2)[2]根据牛顿第二定律有
F = ma
则a—F图像的斜率为滑块与加速度传感器的总质量的倒数,根据图丙中I,则有
则滑块与加速度传感器的总质量为
m = 0.20kg
(3)[3]滑块上增加待测物体,同理,根据图丙中II,则有
则滑块、待测物体与加速度传感器的总质量为
m′ = 0.33kg
则待测物体的质量为
Dm = m′ - m = 0.13kg
4、(2022·全国甲卷·T23)利用图示的实验装置对碰撞过程进行研究。让质量为的滑块A与质量为的静止滑块B在水平气垫导轨上发生碰撞,碰撞时间极短,比较碰撞后A和B的速度大小和,进而分析碰撞过程是否为弹性碰撞。完成下列填空:
(1)调节导轨水平;
(2)测得两滑块的质量分别为和。要使碰撞后两滑块运动方向相反,应选取质量为______kg的滑块作为A;
(3)调节B的位置,使得A与B接触时,A的左端到左边挡板的距离与B的右端到右边挡板的距离相等;
(4)使A以一定的初速度沿气垫导轨运动,并与B碰撞,分别用传感器记录A和B从碰撞时刻开始到各自撞到挡板所用的时间和;
(5)将B放回到碰撞前的位置,改变A的初速度大小,重复步骤(4)。多次测量的结果如下表所示;
1
2
3
4
5
0.49
0.67
1.01
1.22
1.39
0.15
0.21
0.33
0.40
0.46
0.31
0.33
0.33
0.33
(6)表中的______(保留2位有效数字);
(7)的平均值为______;(保留2位有效数字)
(8)理论研究表明,对本实验的碰撞过程,是否为弹性碰撞可由判断。若两滑块的碰撞为弹性碰撞,则的理论表达式为______(用和表示),本实验中其值为______(保留2位有效数字),若该值与(7)中结果间的差别在允许范围内,则可认为滑块A与滑块B在导轨上的碰撞为弹性碰撞。
【答案】 ①. 0.304 ②. 0.31 ③. 0.32 ④. ⑤. 0.33
【解析】
(2)[1]应该用质量较小的滑块碰撞质量较大的滑块,碰后运动方向相反,故选0.304kg的滑块作为A。
(6)[2]由于两段位移大小相等,根据表中的数据可得
(7)[3]平均值为
(8)[4][5]弹性碰撞时满足动量守恒和机械能守恒,可得
联立解得
代入数据可得
5、(2022·全国乙卷·T22)用雷达探测一高速飞行器的位置。从某时刻()开始的一段时间内,该飞行器可视为沿直线运动,每隔测量一次其位置,坐标为x,结果如下表所示:
0
1
2
3
4
5
6
0
507
1094
1759
2505
3329
4233
回答下列问题:
(1)根据表中数据可判断该飞行器在这段时间内近似做匀加速运动,判断的理由是:______;
(2)当时,该飞行器速度的大小______;
(3)这段时间内该飞行器加速度的大小______(保留2位有效数字)。
【答案】 ①. 相邻1s内的位移之差接近∆x=80m ②. 547 ③. 79
【解析】
(1)[1]第1s内的位移507m,第2s内的位移587m,第3s内的位移665m,第4s内的位移746m,第5s内的位移824m,第6s内的位移904m,则相邻1s内的位移之差接近∆x=80m,可知判断飞行器在这段时间内做匀加速运动;
(2)[2]当x=507m时飞行器的速度等于0-2s内的平均速度,则
(3)[3]根据
1.请正确填写下列基本仪器的读数:
图5-11-21
(1)用游标尺为20分度的卡尺测量某物体的长度如图5-11-21甲所示,由图可知其长度为________cm;
(2)用螺旋测微器测量某导线直径如图乙所示,由图可知其直径为________mm;
(3)用多用电表的电阻“×10”挡,按正确的操作步骤测某电阻,表盘的示数如图丙所示,则该电阻的阻值约为________Ω;
(4)图丁中电阻箱的读数为________Ω.
【答案】 (1)5.015(2)4.698(4.696~4.700均正确)(3)220 (4)84 580.2
【解析】 (1)游标尺零刻度线对应的主尺上整数部分为50 mm,游标尺第3条刻度线与主尺53 mm刻度线对齐,3×0.05 mm=0.15 mm,故读数为50.15 mm,即5.015 cm.
(2)螺旋测微器读数为4.5 mm+19.8×0.01 mm=4.698 mm(4.696~4.700 mm均正确).
(3)多用电表测电阻不需要估读.用多用电表测电阻的方法:电阻的测量值=表的示数×倍率.故答案为22×10 Ω=220 Ω.
(4)电阻箱的读数方法:将每个旋钮上指针所指的数值(都为整数)乘以各自的倍率,从最高位依次往下读,即可得到电阻箱的实际阻值.故读数为84 580.2 Ω.
2、(2021·福建省龙岩市三模)在“用单摆测重力加速度”实验中:
(1)用毫米刻度尺测出摆线长L,用游标卡尺测出摆球的直径D。在下面进行的操作中,正确的是:______ (选填选项前的字母);
A.把单摆从平衡位置拉开一个较大的角度释放
B.摆球经过平衡位置时开始计时
C.用秒表测量单摆完成1次全振动所用时间作为单摆的周期
(2)当单摆摆动稳定后,用秒表测量单摆n次全振动的时间t,秒表的示数如图所示,则t=______s;
(3)用上述实验过程中测出的物理量(摆线长为L,摆球直径为D,全振动n次所用时间t)写出重力加速度计算式g=______。
【答案】 (1). B (2). 75.2 (3).
【解析】
(1)[1] A.单摆在摆角小于5°的情况下做简谐振动,故A错误;
B.为减小实验误差应在单摆经过平衡位置时计时,故B正确;
C.测出多个周期的总时间然后求出平均值作为单摆的周期;故C错误;
(2)[2] 秒表的示数
(3)[3] 周期
根据
解得:
3、(2021·北京市房山区二模)如图,打点计时器固定在铁架台上,使重物带动纸带从静止开始自由下落,利用此装置验证机械能守恒定律。
(1)某同学列举实验中用到的实验器材为:铁架台、打点计时器、纸带、秒表、交流电源、导线、重锤、天平。其中不必要的是______;
(2)在一次实验中,质量1kg的重物自由下落,在纸带上打出一系列的点,如下图所示。若纸带相邻两个点之间时间间隔为0.02s,从起点O到打下记数点B的过程中,重力势能减少量ΔEp=______J,此过程中物体动能的增加量ΔEk=_____J(g取9.8m/s2,结果均保留两位有效数字);通过计算,数值上ΔEp______ΔEk(填“>”“=”或“ΔEk,这是因为重物下落过程中存在摩擦阻力做负功。
(3)[6]根据
可知
则图线是过原点的直线,故选B。
4、(2021·安徽省八校模拟)某同学做“验证力的平行四边形定则”的实验。
(1)请将以下实验步骤补充完整:
A.在桌面上放一块方木板,在方木板上铺一张白纸,用图钉把白纸钉在方木板上;
B.用图钉把橡皮条的一端固定在板上的A点,在橡皮条的另一端拴上两条细绳,细绳的另一端系着绳套;
C.用两个弹簧测力计分别钩住绳套,互成角度地拉橡皮条,使橡皮条伸长,结点到达某一位置O。记下O点的位置,读出两个弹簧测力计的示数F1和F2,并__________;
D.按选好的标度,用铅笔和刻度尺作出两个弹簧测力计的拉力F1和F2的图示,并用平行四边形定则求出__________;
E.只用一个弹簧测力计,通过绳套拉橡皮条,使_________________,读出弹簧测力计的示数,记下细绳的方向,按同一标度作出这个力F′的图示;
F.比较_______________,看它们是否相同,得出结论。
(2)为了减小实验误差,以下措施必须的是___________。
A.两绳套长度必须相等
B.用两个弹簧测力计互成角度地拉橡皮条时,两弹簧测力计示数必须相等
C.两绳套长度应适当长些,但不必相等
D.用弹簧测力计通过绳套拉橡皮条时应使绳套、橡皮条平行于木板平面
【答案】 (1). 描下两力的方向 (2). 合力F (3). 结点拉至O点 (4). 力F′和F的大小和方向 (5). CD
【解析】
(1)[1]研究分力时,不仅要有大小,还要有方向,故还要记录两力的方向;
[2]本实验为了验证力的平行四边形定则,所以需要作出理论值进行比较,即用平行四边形定则求出理论值合力F;
[3]本实验采用的是等效替代法,即两次实验效果要相同,所以通过绳套拉橡皮条,使结点拉至O点;
[4]本实验为了验证力的平行四边形定则,所以需要比较理论值和实际值,故比较力F′和F;
(2)[5]AC.通过两细绳用两个弹簧秤互成角度地拉橡皮条时,并非要求两细绳等长,且绳套的长度适当长些,有利于确定绳子的方向,A错误,C正确;
B.两个分力不需要一定相等,B错误;
D.在用弹簧测力计拉橡皮条时,应使弹簧测力计的弹簧与木板平面平行,避免摩擦阻力的存在,D正确。
故选CD。
5、(2021·河北省实验中学高三下学期调研)“探究平抛运动的特点”实验装置图如图所示,通过描点法画出平抛小球的运动轨迹。
(1)在做“探究平抛运动的特点”实验时,除了木板、小球、斜槽、重垂线、铅笔、三角板、图钉、坐标纸之外,下列实验器材中还需要的有_________。(填入正确选项前的字母)
A.刻度尺 B.秒表 C.天平
(2)引起实验结果出现误差的原因可能是_________。
A.实验中使用密度较小的小球
B.斜槽不光滑,有摩擦
C.小球自由滚下时起始位置不完全相同
D.以斜槽末端紧贴着槽口处作为小球做平抛运动的起点和所建坐标系的原点O
(3)实验中,某同学安装实验装置时斜槽末端的切线不水平,导致斜槽的末端Q斜向上与水平方向所成的夹角为θ。该同学在某次实验时,小球离开斜槽的速度大小为v0,建立xQy平面直角坐标系。请根据平抛运动规律写出小球水平方向的位移x与时间t关系式__________和竖直方向的位移y与时间t关系式_______。
【答案】 (1). A (2). ACD (3). (4).
【解析】(1)[1]实验通过描出小球平抛运动轨迹上的点,然后作出平抛运动轨迹,根据运动轨迹测出小球的水平与竖直分位移,应用运动学公式求出小球的初速度,实验不需要测时间、质量,实验需要用刻度尺测距离,故A正确,BC错误。
故选A。
(2)[2]A.使用密度大、体积小的钢球可以减小做平抛运动时的空气阻力,可以减少实验误差,实验中使用密度较小的小球,增大实验误差,故A正确;
B.该实验要求小球每次抛出的初速度要相同而且水平,因此要求小球从同一位置静止释放,每次钢球与斜槽间的摩擦对小球做的功相同,因此斜槽不光滑,有摩擦,对实验没有影响,故B错误;
C.为确保有相同的水平初速度,所以要求从同一位置无初速度释放,故C正确;
D.建立坐标系时,因为实际的坐标原点为小球在末端时球心在白纸上的投影,以斜槽末端端口位置为坐标原点,使得测量误差增大,故D正确。
故选ACD。
(3)[3]小球离开斜槽的速度大小为v0,与水平方向所成的夹角为θ,所以小球做斜抛运动,水平方向是匀速直线运动,水平方向的速度
小球水平方向的位移x与时间t关系式
[4]竖直方向上是匀变速直线运动,竖直方向上的初速度为
竖直方向的位移y与时间t关系式
6.在做“研究匀变速直线运动”的实验时,某同学得到一条用打点计时器打下的纸带,如图所示,并在其上取了A、B、C、D、E、F、G共7个计数点,图中每相邻两个计数点间还有4个点没有画出,打点计时器接频率f=50 Hz的交流电源.
(1)打下E点时纸带的速度vE=________(用给定字母表示);
(2)若测得d6=65.00 cm,d3=19.00 cm,物体的加速度a=________ m/s2;
(3)如果当时交变电流的频率f>50 Hz,但当时做实验的同学并不知道,那么测得的加速度值和真实值相比________(选填“偏大”或“偏小”).
【答案】:(1) (2)3.00 (3)偏小
【解析】:(1)由于图中每相邻两个计数点间还有4个点没有画出,所以相邻的计数点之间的时间间隔为5T,利用匀变速直线运动的推论得vE==.
(2)根据匀变速直线运动的推论Δx=aT2 可得a===3.00 m/s2.
(3)如果在某次实验中,交流电的频率f>50 Hz,则实际打点周期变小,根据运动学公式Δx=aT2 得,测量的加速度值和真实的加速度值相比偏小.
7.在用如图所示的装置“验证牛顿第二定律”的实验中,保持小车质量一定时,验证小车加速度a与合力F的关系.
(1)除了电火花计时器、小车、砝码、砝码盘、细线、附有定滑轮的长木板、垫木、导线及开关外,在下列器材中必须使用的有________(选填选项前的字母).
A.220 V、50 Hz的交流电源
B.电压可调的直流电源
C.刻度尺
D.秒表
E.天平(附砝码)
(2)为了使细线对小车的拉力等于小车所受的合外力,以下操作正确的是________.
A.调整长木板上滑轮的高度使细线与长木板平行
B.在调整长木板的倾斜度平衡摩擦力时,应当将砝码和砝码盘通过细线挂在小车上
C.在调整长木板的倾斜度平衡摩擦力时,应当将穿过打点计时器的纸带连在小车上
(3)某同学得到了如图所示的一条纸带,由此得到小车加速度的大小a=________ m/s2.
(4)在本实验中认为细线的拉力F等于砝码和砝码盘的总重力mg,由此造成的误差是________(选填“系统误差”或“偶然误差”).设拉力的真实值为F真,小车的质量为M,为了使
相关试卷
这是一份专题18 力学实验---2024年高考物理二轮热点题型归纳与变式演练(新高考通用).zip,文件包含专题18力学试验原卷版docx、专题18力学试验解析版docx等2份试卷配套教学资源,其中试卷共90页, 欢迎下载使用。
这是一份新高考物理二轮复习题型归纳与变式练习专题18力学实验(含解析),共29页。试卷主要包含了电流表和电压表,电表的替代与改装,等效替代法,独特的测量方法——电桥法测电阻等内容,欢迎下载使用。
这是一份新高考物理二轮复习题型归纳与变式练习专题17力学实验(含解析),共31页。

