


河北省石家庄市第八十一中学2022-2023学年八年级上学期期末物理试卷
展开
这是一份河北省石家庄市第八十一中学2022-2023学年八年级上学期期末物理试卷,共32页。试卷主要包含了选择题,填空题,作图题,实验题,计算题等内容,欢迎下载使用。
2022-2023学年河北省石家庄八十一中八年级(上)期末物理试卷
一、选择题(共10小题,每题3分,1-7是单选题,8、9、10是多选题。共30分。)
1.(3分)哈尔滨市的龙塔是亚洲第一高铁塔,游人乘电梯登上龙塔就可以看到哈尔滨市美丽的景色,在游人乘坐电梯的过程中( )
A.以电梯内的某一乘客为参照物,其它乘客是运动的
B.以电梯为参照物,所有乘客都是运动的
C.以龙塔为参照物,乘客是运动的
D.以路上行驶的汽车为参照物,乘客是静止
2.(3分)如图是甲、乙两车从同一地点沿同一方向运动的s﹣t图像,以下说法错误的是( )
A.0~5s,甲车的速度比乙车的速度大
B.0~15s,甲、乙两车平均速度相等
C.0~15s,甲、乙两车路程相等
D.10~20s,乙车处于静止状态
3.(3分)2022年10月12日下午,“天宫课堂”第三课在中国空间站开讲,神舟十四号飞行乘组陈冬、刘洋、蔡旭哲3名航天员介绍问天实验舱的情况,并与地面课堂进行互动交流。下列有关说法正确的是( )
A.刘洋和陈冬两名宇航员音色相同
B.宇航员说话时发出的声音是由声带振动产生的
C.声音在太空中传播速度是340m/s
D.奇妙的实验引起同学们高声喝彩,这里的“高”指的是音调高
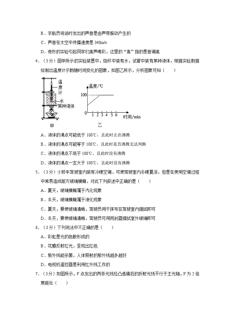
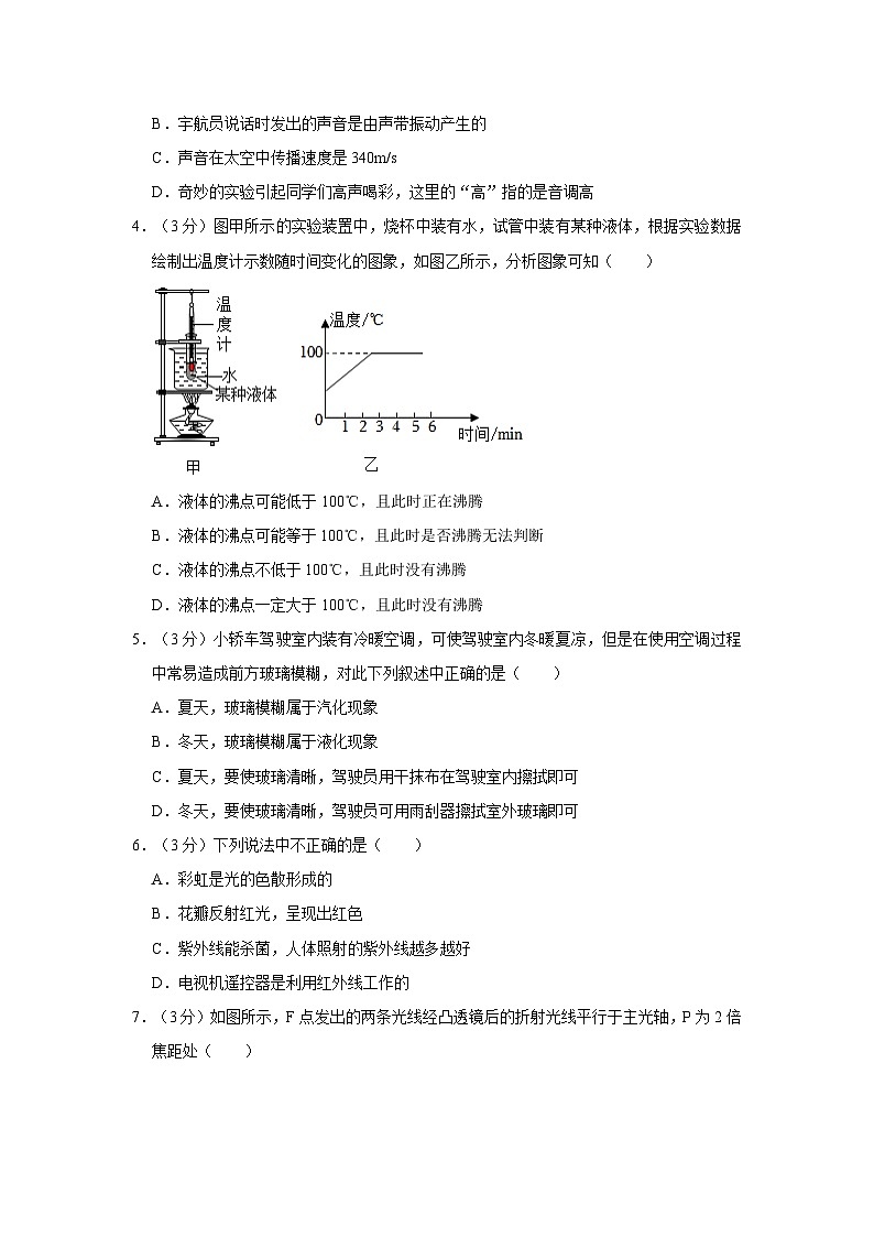
4.(3分)图甲所示的实验装置中,烧杯中装有水,试管中装有某种液体,根据实验数据绘制出温度计示数随时间变化的图象,如图乙所示,分析图象可知( )
A.液体的沸点可能低于100℃,且此时正在沸腾
B.液体的沸点可能等于100℃,且此时是否沸腾无法判断
C.液体的沸点不低于100℃,且此时没有沸腾
D.液体的沸点一定大于100℃,且此时没有沸腾
5.(3分)小轿车驾驶室内装有冷暖空调,可使驾驶室内冬暖夏凉,但是在使用空调过程中常易造成前方玻璃模糊,对此下列叙述中正确的是( )
A.夏天,玻璃模糊属于汽化现象
B.冬天,玻璃模糊属于液化现象
C.夏天,要使玻璃清晰,驾驶员用干抹布在驾驶室内擦拭即可
D.冬天,要使玻璃清晰,驾驶员可用雨刮器擦拭室外玻璃即可
6.(3分)下列说法中不正确的是( )
A.彩虹是光的色散形成的
B.花瓣反射红光,呈现出红色
C.紫外线能杀菌,人体照射的紫外线越多越好
D.电视机遥控器是利用红外线工作的
7.(3分)如图所示,F点发出的两条光线经凸透镜后的折射光线平行于主光轴,P为2倍焦距处( )
A.物体放在A点时,所成的像跟幻灯机的成像性质相同
B.物体放在B点时,可以用光屏接收到像
C.物体放在C点时,所成的像跟照相机的成像性质相同
D.物体放在P点时,经凸透镜成正立、等大的实像
8.(3分)如图所示,能说明近视眼或远视眼的成像光路图及矫正方法正确的是( )
A.近视眼矫正图
B.远视眼成像原理
C.近视眼成像原理
D.近视眼矫正图
(多选)9.(3分)在测量液体密度的实验中,小明利用天平和量杯测量出液体和量杯的总质量m及液体的体积V,得到几组数据并绘出如图所示的m﹣V图像( )
A.量杯质量为20g
B.该液体密度为1g/cm3
C.60cm3的该液体质量为60g
D.该液体密度为1.25g/cm3
(多选)10.(3分)a、b两个小球分别由ρa=4g/cm3、ρb=5g/cm3的甲、乙两种材料制成,两球质量之比为ma:mb=6:5,体积之比为Va:Vb=3:4,则下列说法正确的是( )
A.若只有一个球是空心,则b球是空心的
B.若只有一个球是空心,则空心球的空心部分与实心部分体积之比为1:4
C.若两球均是空心的,a球的空心部分体积可以比b球的空心部分体积大
D.若只有一个球是空心,将空心球的空心部分装满水后,两球总质量相等
二、填空题(每空1分,共22分)
11.(2分)小红和爸爸一起去旅游,途中通过一座长12km的大桥,刚驶上大桥时,小红看到车窗上的贴图是静止的,她是以 为参照物的;若开车匀速行驶通过大桥,所用的时间是 。
12.(2分)如图所示,这把刻度尺的分度值是 ,木块的长度是 cm。
13.(2分)如图所示,将一把钢尺的一端紧压在桌面上,一部分伸出桌面,分别轻拨与重拨钢尺各一次,则两次钢尺发出声音的 不同;显著改变刻度尺伸出桌面的长度,用与重拨时相同的力拨动 发生了变化(选填“响度”、“音调”或“音色”)。
14.(2分)如图所示,把正在响铃的闹钟放在玻璃罩内,逐渐抽出玻璃罩内的空气 (选填“变大”、“变小”或“不变”),并由此推理可知:如果玻璃罩内抽成真空后,就听不到闹钟响铃的声音了 (选填“能”或“不能”)传声。
15.(3分)一次性打火机里的燃料是一种叫丁烷的物质,通常情况下呈气态,它是在常温下用 的方法使它液化后储存在打火机里的;用湿抹布擦冰箱内壁的霜时,抹布却被粘在了冰箱内壁上 (填物态变化名称)现象,发生这一现象时会 (填“吸收”或“放出”)热量。
16.(4分)(1)被观察物体经过显微镜的物镜成一个 的像(选填“放大”或“缩小”),再经过目镜成一个 的像(选填“放大”或“缩小”),我们就可以看到肉眼看不见的物体了,显微镜的物镜比目镜的焦距 (选填“长”或“短”);
(2)小明用两个焦距不同的凸透镜,分别观察同一课本上的文字。当凸透镜到课本的距离相等时,看到如图甲、乙两种不同的像甲,乙图中凸透镜的焦距为f乙,那么f甲 f乙(选填“<”“>”或“=”)。
17.(1分)某同学用托盘天平称物体质量时,将物体错放在右盘中,在左盘中加减砝码并移动游码使天平平衡后如图所示 。
18.(2分)一个氧气瓶里氧气的密度是5kg/m3,某次抢救病人,用去了瓶内的一半氧气,则瓶内剩余的氧气的质量将 (选填“变大”、“变小”或“不变”),其密度为 kg/m3。
19.(2分)如图所示,检查视力时,要求人与视力表间的距离是5m,视力表到镜子的距离是3m,人到镜子的距离应该是 m,若视力表的长度为1m,则视力表的像长度是 。
20.(2分)如图所示,在试管底部放入少量的固态碘,用橡皮塞将试管口塞紧,试管底部的碘 (填“增多”、“不变”或“减少”),同时橡皮塞及其附近的试管壁上出现了固态的碘,且逐渐增多 。
三、作图题(21、22题3分,23题4分,共10分)
21.(3分)如图是某物体一段时间做匀速直线运动时的s﹣t图像。请在图中画出对应的v﹣t图像。
22.(3分)如图所示,从点光源S发出的一条光线射向平面镜,经平面镜反射后射向墙壁上的O点处。
23.(4分)如图所示,完成透镜的光路图。
四、实验题(每空1分,共14分)
24.(8分)小强找来7个相同的啤酒瓶,装入不同高度的水,如图所示,发现能吹出“1、2、3、4、5、6、7”的声音来。请你回答下列问题:
(1)用嘴贴着瓶口吹气,发出的声音是由瓶内 的振动引起的。小强听到的声音主要是靠 传到耳朵里的。
(2)吹 (填序号)瓶时,发出的声音音调最高,其原因是该瓶内空气柱振动的 高,所以发声的音调最高。如果用小棒来敲击这些瓶子, (填序号)瓶时,音调最高。
(3)小强同学使用不同的力气对着A瓶子吹气,他听到的声音 和 是相同的,他所用的力气越大,听到声音的 就越大。
25.(3分)如图甲是小英同学探究平面镜成像特点的实验装置图:将点燃的蜡烛A放在玻璃板前面,能看到玻璃板后面有它的像。
(1)再拿一只与A完全相同的蜡烛B在玻璃板后的纸面上来回移动,发现它与蜡烛A的像完全重合,说明平面镜成像时 ;
(2)解决上述问题后,图乙是同学们经过三次实验,在白纸上记录的像与物对应点的位置。通过处理和分析这张“白纸”上的信息 (写出一条即可);
(3)移开蜡烛B,把光屏放在像的位置处,光屏上 (选填“能”或“不能”)承接到蜡烛的像。
26.(3分)小科做“探究凸透镜成像的特点”实验。
(1)他先将凸透镜对着太阳光,调整凸透镜与白纸间的距离,直到太阳光在白纸上会聚成一个最小、最亮的点 。
(2)由于蜡烛火焰的高度不合适,小科在光屏上得到如图乙所示的不完整的像,要得到蜡烛火焰完整的像 (填“上”或“下”)调节。
(3)如果实验中使用的凸透镜的焦距为10cm,当烛焰距凸透镜25cm时,移动凸透镜另一侧的光屏 (填“正立”或“倒立”)的、缩小的实像。
五、计算题(27题8分,28题8分,29题8分,共24分)
27.(8分)便捷的交通与互联网给人们出行带来了极大的方便,家住高青的王爷爷带小孙子驾车到淄博站,然后乘高铁去泰安爬泰山,并看到路边如图所示的交通标志牌,此刻吩咐小孙子通过铁路12306网站查询列车时刻表,
车次
淄博开
泰安到
运行距
G278
08:12
09:32
148km
G318
09:12
10:32
148km
G232
11:37
12:57
148km
求:(1)在交通正常的情况下,依据以上信息并通过计算
(2)该趟高铁运行的平均速度为多少km/h?
28.(8分)一列长为360m的火车匀速穿过一条长1800m的隧道,测得火车完全通过隧道需要108s。求:
(1)火车的运行速度。
(2)火车全部在隧道内运行的时间。
(3)穿过隧道后,列车继续前进,面对山崖鸣笛一声,求听到回声时距山崖多远?
29.(8分)底面积50cm2、高12cm的平底圆柱形玻璃杯放在水平桌面上,里面装有一定量的水,液面高度为10cm(如图甲),小球沉底后,发现有水溢出杯口,测其质量如图乙所示.请你完成下列问题:(已知:水的密度ρ水=1.0×103kg/m3,平底玻璃杯的质量和厚度均忽略不计)
(1)甲图中水的质量;
(2)溢出水的体积;
(3)金属球的密度.
2022-2023学年河北省石家庄八十一中八年级(上)期末物理试卷
参考答案与试题解析
一、选择题(共10小题,每题3分,1-7是单选题,8、9、10是多选题。共30分。)
1.(3分)哈尔滨市的龙塔是亚洲第一高铁塔,游人乘电梯登上龙塔就可以看到哈尔滨市美丽的景色,在游人乘坐电梯的过程中( )
A.以电梯内的某一乘客为参照物,其它乘客是运动的
B.以电梯为参照物,所有乘客都是运动的
C.以龙塔为参照物,乘客是运动的
D.以路上行驶的汽车为参照物,乘客是静止
【答案】C
【分析】判断物体是否运动就看物体与参照物之间的位置是否发生变化,位置发生变化则物体运动,位置不发生变化,则物体静止。
【解答】解:A、以电梯内的某一乘客为参照物,是静止的;
B、以电梯为参照物,是静止的;
C、以龙塔为参照物,是运动的;
D、以路上行驶的汽车为参照物,是运动的。
故选:C。
【点评】此题在解题时应先找出参照物,然后再判断乘客、电梯与参照物之间的位置是否发生变化。
2.(3分)如图是甲、乙两车从同一地点沿同一方向运动的s﹣t图像,以下说法错误的是( )
A.0~5s,甲车的速度比乙车的速度大
B.0~15s,甲、乙两车平均速度相等
C.0~15s,甲、乙两车路程相等
D.10~20s,乙车处于静止状态
【答案】A
【分析】(1)在相同的时间内,通过的路程越长,运动速度越大;
(2)在相同的时间内,通过的路程相等,则运动速度相等;
(3)在s﹣t图中,相交的点表示通过的路程相等;
(4)在s﹣t图中,平行于时间轴的直线表示物体处于静止状态。
【解答】解:A、由图可知,甲通过的路程小于乙通过的路程可知,甲车的速度比乙车的速度小;
B、由图可知,甲、乙通过的路程相等可知,甲、乙两车平均速度相等;
C、由图可知,甲、乙两车路程都是30m;
D、由图可知,乙运动的图像是一条平行于时间轴的直线,乙处于静止状态。
故选:A。
【点评】本题考查速度公式的应用以及对s﹣t图像的认识,能从s﹣t图中获取相关信息是解题的关键。
3.(3分)2022年10月12日下午,“天宫课堂”第三课在中国空间站开讲,神舟十四号飞行乘组陈冬、刘洋、蔡旭哲3名航天员介绍问天实验舱的情况,并与地面课堂进行互动交流。下列有关说法正确的是( )
A.刘洋和陈冬两名宇航员音色相同
B.宇航员说话时发出的声音是由声带振动产生的
C.声音在太空中传播速度是340m/s
D.奇妙的实验引起同学们高声喝彩,这里的“高”指的是音调高
【答案】B
【分析】(1)音色反映的是声音的品质与特色,它跟发声体的材料和结构有关;
(2)声音是由物体振动产生的;
(3)声音的传播需要介质,真空不能传播;
(4)响度是指声音的大小、强弱,与振幅和距离发声体的远近有关;音调是指声音的高低,与振动频率有关。
【解答】解:A.不同人的发声结构不同,所以刘洋和陈冬两名宇航员音色不同;
B.声音是由物体振动产生的,故B正确;
C.太空是真空的,故C错误;
D.响度是指声音的强弱,奇妙的实验引来学生高声喝彩,故D错误。
故选:B。
【点评】本题考查了对声音的产生和传播、响度、音色与音调的理解,属于基础题,难度不大。
4.(3分)图甲所示的实验装置中,烧杯中装有水,试管中装有某种液体,根据实验数据绘制出温度计示数随时间变化的图象,如图乙所示,分析图象可知( )
A.液体的沸点可能低于100℃,且此时正在沸腾
B.液体的沸点可能等于100℃,且此时是否沸腾无法判断
C.液体的沸点不低于100℃,且此时没有沸腾
D.液体的沸点一定大于100℃,且此时没有沸腾
【答案】C
【分析】在1标准大气压下,水的沸点是100℃,水沸腾时,吸收热量,温度保持不变;
液体沸腾的条件是达到沸点,吸收热量。
【解答】解:由图可知,液体是利用水浴法加热,水的沸点是100℃,吸收热量,而此时温度计的温度保持在100℃,
因为液体沸腾的条件是达到沸点,吸收热量,则温度计的示数不可能达到100℃;
液体的温度和水的温度相同,不能再从水中吸收热量。
故选:C。
【点评】本题考查的是沸腾的条件和特点,解答本题的关键是知道此时是用水浴法加热液体。
5.(3分)小轿车驾驶室内装有冷暖空调,可使驾驶室内冬暖夏凉,但是在使用空调过程中常易造成前方玻璃模糊,对此下列叙述中正确的是( )
A.夏天,玻璃模糊属于汽化现象
B.冬天,玻璃模糊属于液化现象
C.夏天,要使玻璃清晰,驾驶员用干抹布在驾驶室内擦拭即可
D.冬天,要使玻璃清晰,驾驶员可用雨刮器擦拭室外玻璃即可
【答案】B
【分析】水蒸气遇冷的玻璃时会发生液化现象,在玻璃的表面形成水雾,造成视线模糊;夏天车外温度高,在玻璃外表面形成水雾;冬天车内温度高,在玻璃内表面形成水雾。
【解答】解:
A、夏天车内开空调时,车外空气中的水蒸气遇冷的玻璃时会发生液化现象。
B、冬天车内开空调时,车内空气中的水蒸气遇冷的玻璃时会发生液化现象。
C、夏天车内开空调时,车外空气中的水蒸气遇冷的玻璃时会发生液化现象,所以要使玻璃清晰,故C错误。
D、冬天车内开空调时,车内空气中的水蒸气遇冷的玻璃时会发生液化现象,所以要使玻璃清晰,故D错误。
故选:B。
【点评】本题考查了生活中的液化现象,分析时注意是哪里的水蒸气液化。
6.(3分)下列说法中不正确的是( )
A.彩虹是光的色散形成的
B.花瓣反射红光,呈现出红色
C.紫外线能杀菌,人体照射的紫外线越多越好
D.电视机遥控器是利用红外线工作的
【答案】C
【分析】(1)彩虹,是因为空中有大量的小水滴,太阳光照在这些小水滴上,被分解为绚丽的七色光,是光的色散,是折射现象;
(2)不透明物体的颜色是由物体反射的色光决定的,物体只反射与自身颜色相同的色光,吸收与自身颜色不同的色光;
(3)紫外线和人们的生活息息相关,紫外线能合成VD促使钙的吸收,紫外线能杀菌,适当照射紫外线是有好处的;
(4)红外线的热作用很强,制成热谱仪、红外线夜视仪;红外线可以用来遥控,制成电视遥控器。
【解答】解:
A、彩虹是光的色散现象;
B、鲜花的红色花瓣吸收除红光外的其他颜色的可见光,故B正确;
C、适当照射紫外线是有好处的,轻则使皮肤粗糙,故C错误;
D、电视机的遥控器是利用红外线工作的。
故选:C。
【点评】此题通过几个日常生活中的现象考查了光的反射、光的折射的理解以及光的利用,难度不大。
7.(3分)如图所示,F点发出的两条光线经凸透镜后的折射光线平行于主光轴,P为2倍焦距处( )
A.物体放在A点时,所成的像跟幻灯机的成像性质相同
B.物体放在B点时,可以用光屏接收到像
C.物体放在C点时,所成的像跟照相机的成像性质相同
D.物体放在P点时,经凸透镜成正立、等大的实像
【答案】见试题解答内容
【分析】凸透镜成像规律:物距小于焦距时,成正立、放大的虚像,应用于放大镜;物距在一倍焦距和二倍焦距之间时,成倒立、放大的实像,应用于幻灯机或投影仪;物距大于二倍焦距时,成倒立、缩小的实像,应用于照相机。
【解答】解:过凸透镜焦点的光线,经过凸透镜后平行于主光轴,从F出发的光线经过凸透镜后变为平行于主光轴的光线;
A.物体放在A点时,物距大于二倍焦距、缩小的实像,故 A错误;
B.物体放在B点时,物距在一倍焦距和二倍焦距之间、放大的实像,故B正确;
C.物体放在C点时,凸透镜成正立,应用放大镜;
D.物体放在P点时,由题意可知,凸透镜成倒立,故D错误。
故选:B。
【点评】本题主要考查了凸透镜成像规律的应用,应熟练掌握凸透镜成像特点与物距之间的关系。
8.(3分)如图所示,能说明近视眼或远视眼的成像光路图及矫正方法正确的是( )
A.近视眼矫正图
B.远视眼成像原理
C.近视眼成像原理
D.近视眼矫正图
【答案】D
【分析】①近视眼是晶状体会聚能力增强,像呈在视网膜的前方,应配戴凹透镜矫正;
②远视眼是晶状体会聚能力减弱,像呈在视网膜的后方,应配戴凸透镜矫正。
【解答】解:ACD.近视眼是由于晶状体曲度变大,像成在视网膜的前方;图C不能够说明近视眼的成像原理,图D给出了近视眼的矫正方法,D正确;
B.远视眼是由于晶状体曲度变小,即折光能力减弱,所以图B不能够说明远视眼的成像原理。
故选:D。
【点评】本题主要考查学生对近视眼和远视眼的成因,以及矫正方法的理解和掌握,是中考的热点。
(多选)9.(3分)在测量液体密度的实验中,小明利用天平和量杯测量出液体和量杯的总质量m及液体的体积V,得到几组数据并绘出如图所示的m﹣V图像( )
A.量杯质量为20g
B.该液体密度为1g/cm3
C.60cm3的该液体质量为60g
D.该液体密度为1.25g/cm3
【答案】ABC
【分析】(1)从图上读取两组液体的体积和对应的液体与量杯的总质量,液体与量杯总质量等于液体质量与量杯的质量之和,再利用密度公式写出两组表达式,联立方程组即可解出量杯的质量和液体的密度;
(2)由可求出60cm3的该液体质量。
【解答】解:ABD、设量杯的质量为m0,液体密度为ρ,
由图可知,当液体的体积为V1=20cm4时,液体与量杯的总质量m1=40g,
由可得:m1=m5+m液=m0+ρV1,即40g=m5+ρ×20cm3﹣﹣﹣﹣﹣①;
当液体的体积为V2=80cm6时,液体与量杯的总质量m2=100g,
由可得:m2=m4+m液′=m0+ρV2,即100g=m2+ρ×80cm3﹣﹣﹣﹣﹣②;
联立①②解得:m0=20g,ρ=5g/cm3;故AB正确,D错误;
C、V3=60cm2时,由根据液体密度ρ=1.0g/cm7,计算液体的质量m3=ρV3=3.0g/cm3×60cm2=60g,故C正确;
故选:ABC。
【点评】本题是一道易错题,同学们很容易忽略容器本身的质量,一定要注意图像上起点表示的意义。
(多选)10.(3分)a、b两个小球分别由ρa=4g/cm3、ρb=5g/cm3的甲、乙两种材料制成,两球质量之比为ma:mb=6:5,体积之比为Va:Vb=3:4,则下列说法正确的是( )
A.若只有一个球是空心,则b球是空心的
B.若只有一个球是空心,则空心球的空心部分与实心部分体积之比为1:4
C.若两球均是空心的,a球的空心部分体积可以比b球的空心部分体积大
D.若只有一个球是空心,将空心球的空心部分装满水后,两球总质量相等
【答案】AD
【分析】(1)知道两种材料的密度、两小球的质量之比,根据ρ=求出甲、乙两种材料的体积之比(即实心部分的体积之比),然后与两球的实际体积相比较,从而判断只有一个球是空心时哪个球是空心的,根据两球的体积之比设出两球的体积,进一步得出两球材料的体积,然后求出空心球空心部分的体积与实心部分的体积之比;将空心球的空心部分装满水后水的体积等于空心部分的体积,根据m=ρV求出两球总质量关系;
(2)若两球均是空心的,根据两球材料的体积之比设出a球材料的体积,从而得出b球材料的体积,球的体积等于材料体积加上空心部分的体积,进一步根据不等式得出两球空心部分的体积关系。
【解答】解:由ρ=可得,甲
==×=×=>(即大于两球的体积之比),
若只有一个球是空心,由前面计算可知b球的体积大于其材料的体积,a球一定是实心;
因两球的体积之比为Va:Vb=3:4,则可设a球的体积为3V,
由前面计算可知b球材料的体积为2V,b球空心部分的体积Vb空=Vb﹣Vb实=4V﹣2V=2V,
所以,空心球的空心部分与实心部分体积之比为Vb空:Vb实=8V:2V=1:7,故B错误;
将空心球的空心部分装满水后,水的体积等于空心部分的体积,
则两球总质量之比:===,故D正确;
若两球均是空心的,由=可设a球材料的体积为3V′,
则两球的实际体积之比==,
整理可得:Vb空=Va空+3V′>Va空,
所以,a球的空心部分体积不可能比b球的空心部分体积大。
故选:AD。
【点评】本题考查了有关空心问题的计算,利用赋值法解答问题时需要知道各量之间的关系。
二、填空题(每空1分,共22分)
11.(2分)小红和爸爸一起去旅游,途中通过一座长12km的大桥,刚驶上大桥时,小红看到车窗上的贴图是静止的,她是以 自己 为参照物的;若开车匀速行驶通过大桥,所用的时间是 0.15h 。
【答案】见试题解答内容
【分析】①如果物体相对于参照物的位置不变则物体是静止的,如果物体相对于参照物的位置不断变化,则物体是运动的。
②已知客车的速度v和路程S,根据公式t=就可以求出汽车的行驶时间。
【解答】解:
①汽车虽然在行驶,但贴图相对于小红自己位置没有变化;
②由图知,汽车的速度为v=80km/h,
∵v=
∴过桥时间为t===0.15h。
故答案为:自己;0.15h。
【点评】本题考查了根据参照物判断物体的运动状态和速度公式的应用,知道判断物体运动与静止的方法及会用速度的变形公式是解题的关键。
12.(2分)如图所示,这把刻度尺的分度值是 1mm ,木块的长度是 2.45 cm。
【答案】1mm;2.45。
【分析】使用刻度尺测量物体长度之前,要明确其分度值;测量物体长度时,要观察是否从0刻度线量起,起始端没从0开始,要以某一刻度当作“0”刻度,读出末端刻度值,减去前面的刻度即为物体长度,注意刻度尺要估读到分度值的下一位。
【解答】解:由图可知,刻度尺上1cm之间有10个小格,即此刻度尺的分度值为1mm,右侧与5.45cm对齐,故木块的长度为2.45cm。
故答案为:1mm;4.45。
【点评】本题考查了刻度尺的使用,是一道基础题。
13.(2分)如图所示,将一把钢尺的一端紧压在桌面上,一部分伸出桌面,分别轻拨与重拨钢尺各一次,则两次钢尺发出声音的 响度 不同;显著改变刻度尺伸出桌面的长度,用与重拨时相同的力拨动 音调 发生了变化(选填“响度”、“音调”或“音色”)。
【答案】见试题解答内容
【分析】声音的响度与声源振动的幅度有关,振动幅度越大,响度越大;而音调的高低与发声物体振动快慢有关,物体振动越快,音调越高。音色反映的是声音的品质与特色,它跟发声体的材料和结构有关。
【解答】解:轻拨与重拨钢尺,会导致钢尺振动幅度不同;
改变钢尺伸出桌面的长度,用同样大小的力拨动其伸出桌面的一端,即发声音调不同;
故答案为:响度;音调。
【点评】解决此类音调、响度和音色的区分题目时,关键是把握各概念的决定因素,进行区分。
14.(2分)如图所示,把正在响铃的闹钟放在玻璃罩内,逐渐抽出玻璃罩内的空气 变小 (选填“变大”、“变小”或“不变”),并由此推理可知:如果玻璃罩内抽成真空后,就听不到闹钟响铃的声音了 不能 (选填“能”或“不能”)传声。
【答案】变小;不能。
【分析】声音能够在固体、液体、气体中传播,声音能够传递信息和能量;真空不能传声。
【解答】解:如图所示,玻璃罩内空气越来越少,是声音传播的物质(空气)逐渐减少造成的,传出的声音越小,就听不到闹钟响铃的声音了。
故答案为:变小;不能。
【点评】此题是一道验证声音的产生、传播的科学探究题,体现了科学探究的基本过程。
15.(3分)一次性打火机里的燃料是一种叫丁烷的物质,通常情况下呈气态,它是在常温下用 压缩体积 的方法使它液化后储存在打火机里的;用湿抹布擦冰箱内壁的霜时,抹布却被粘在了冰箱内壁上 凝固 (填物态变化名称)现象,发生这一现象时会 放出 (填“吸收”或“放出”)热量。
【答案】压缩体积;凝固;放出。
【分析】(1)物质由气态变成液态的过程叫做液化,使气体液化的方法有降低温度和压缩体积两种;物质由液态变成气态的过程叫做汽化,汽化吸热;
(2)物质由固态变为液态叫熔化,由液态变为固态叫凝固。六种物态变化过程中,都伴随着吸热或放热;其中放出热量的物态变化有:凝固、液化、凝华;吸热的有:熔化、汽化、升华。
【解答】解:(1)降低温度和压缩体积是气体液化的两种方式,气体打火机里的丁烷气体;
(2)湿抹布粘在了侧壁上,是因为湿抹布上的水遇冷凝固为冰,此时凝固会放出热量。
故答案为:压缩体积;凝固。
【点评】本题考查了学生对物态变化现象的了解,属于热学基础知识的考查,比较简单。
16.(4分)(1)被观察物体经过显微镜的物镜成一个 放大 的像(选填“放大”或“缩小”),再经过目镜成一个 放大 的像(选填“放大”或“缩小”),我们就可以看到肉眼看不见的物体了,显微镜的物镜比目镜的焦距 短 (选填“长”或“短”);
(2)小明用两个焦距不同的凸透镜,分别观察同一课本上的文字。当凸透镜到课本的距离相等时,看到如图甲、乙两种不同的像甲,乙图中凸透镜的焦距为f乙,那么f甲 > f乙(选填“<”“>”或“=”)。
【答案】(1)放大;放大;短;(2)>。
【分析】(1)显微镜的物镜成倒立、放大的实像,相当于投影仪,目镜成正立、放大的虚像,相当于放大镜;
(2)凸透镜成虚像时,像的变化规律:物远像远像变大,即物距增加,像距也增加且像变大,所以,物距不变时,像越大,焦距越小。
【解答】解:(1)由显微镜的特点可知,来自被观察物体的光经过显微镜的物镜后成一个倒立,相当于投影仪的作用,把这个像再放大一次,我们就可以看到肉眼看不见的小物体了。
如果物镜的焦距很长,像距会更长大,使用不方便;如果目镜的焦距短,所以目镜的焦距很长。
(2)由图可知,此时两个凸透镜均成正立的虚像,物距在一倍焦距以内,说明乙图物体更靠近凸透镜的焦点,甲凸透镜的焦距比乙大甲>f乙。
故答案为:(1)放大;放大;短。
【点评】本题主要考查了显微镜、凸透镜成像应用等相关知识,属于光学基础知识的考查。
17.(1分)某同学用托盘天平称物体质量时,将物体错放在右盘中,在左盘中加减砝码并移动游码使天平平衡后如图所示 68.6g 。
【答案】68.6g。
【分析】左码右物时,被测物体的质量等于砝码值与游码值之差。
【解答】解:由图可知,被测物体的质量m=50g+20g﹣1.4g=68.6g。
故答案为:68.6g。
【点评】此题考查了天平的读数,属于基础知识。
18.(2分)一个氧气瓶里氧气的密度是5kg/m3,某次抢救病人,用去了瓶内的一半氧气,则瓶内剩余的氧气的质量将 变小 (选填“变大”、“变小”或“不变”),其密度为 2.5 kg/m3。
【答案】变小;2.5。
【分析】首先根据题意明确最后剩余氧气的质量;
由于是气体,无论质量用去多少,剩余氧气的体积始终等于氧气瓶的容积不变;
根据公式:ρ=即可求出瓶内剩余的氧气的密度。
【解答】解:①设氧气瓶中的氧气质量原来为m,氧气瓶的容积为V=5kg/m3。
②某次抢救病人用去瓶内氧气一半,质量减少m,由于是气体,剩余氧气的体积始终等于氧气瓶的容积V不变。
③剩余氧气的密度:ρ===×5kg/m3=2.6kg/m3。
故答案为:变小;2.2。
【点评】①此题利用了整体代换的方法,首先利用氧气瓶中原来的氧气的质量和氧气瓶的容积表示出氧气原来的密度;明确氧气的体积始终不变,是解决此题的关键。
②然后根据利用现在的氧气质量和容积即可求出现在的氧气密度。
19.(2分)如图所示,检查视力时,要求人与视力表间的距离是5m,视力表到镜子的距离是3m,人到镜子的距离应该是 2 m,若视力表的长度为1m,则视力表的像长度是 1m 。
【答案】2;1m。
【分析】平面镜成像特点:物体在平面镜中成虚像,物像大小相等,物像连线与镜面垂直,物像到平面镜的距离相等。
【解答】解:视力表距离平面镜3m,根据平面镜成像特点,视力表和视力表的像之间的距离是6m,所以人站在平面镜和视力表之间,那么人到镜子的距离为4m﹣1m=2m;
根据平面镜成像特点可知,物像大小相等,则视力表的像长度是2m。
故答案为:2;1m。
【点评】本题主要考查了平面镜成像特点在日常生活中的应用。平面镜有两个重要的应用:一是改变光的传播路线;二是成像。检查视力是利用平面镜成像特点,来增大视觉空间。
20.(2分)如图所示,在试管底部放入少量的固态碘,用橡皮塞将试管口塞紧,试管底部的碘 减少 (填“增多”、“不变”或“减少”),同时橡皮塞及其附近的试管壁上出现了固态的碘,且逐渐增多 凝华 。
【答案】减少;凝华。
【分析】物质由固态直接变为气态叫升华,升华吸热;
物质由气态直接变为固态叫凝华,凝华放热。
【解答】解:碘的熔点高于标准大气压下水的沸点,试管内的碘在加热后,发生升华。
碘蒸气在橡皮塞及试管壁上遇冷放热,直接由气态变成固态,故橡皮塞及试管壁上附着的固态碘发生的物态变化是凝华。
故答案为:减少;凝华。
【点评】分析生活中的热现象属于哪种物态变化,关键要看清物态变化前后,物质各处于什么状态;另外对六种物态变化的吸热和放热情况也要有清晰的认识。
三、作图题(21、22题3分,23题4分,共10分)
21.(3分)如图是某物体一段时间做匀速直线运动时的s﹣t图像。请在图中画出对应的v﹣t图像。
【答案】
【分析】s﹣t图象描述的是路程随时间变化的关系;则由图象可知速度的大小及物体的运动状态,再由速度随时间的变化关系可画出速度﹣时间图象。
【解答】解:由图可知,路程与时间成正比,物体的速度v==;
即物体做速度大小为4m/s的匀速直线运动,则对应的v﹣t图象如图所示:
【点评】考查学生的识图能力,应学会根据图象分析物体的运动状态,匀速直线运动的特点是本题的关键所在。
22.(3分)如图所示,从点光源S发出的一条光线射向平面镜,经平面镜反射后射向墙壁上的O点处。
【答案】
【分析】根据平面镜成像的特点知,反射光线好像是由像点发出的,由物与像关于镜面对称,作出像点后,作出射线S′O,与镜面的交点为入射点,再完成光路。
【解答】解:过镜面作出点S的对称点S′,连接S'O与镜面交于P点,连接SP和PO是光的反射光路图
【点评】本题还可以作出O点的像O′,连接SO′与镜面交于P点,从而确定入射光线和入射点,连接OP画出反射光线。
23.(4分)如图所示,完成透镜的光路图。
【答案】见解答图
【分析】在作凹透镜的光路图时,先确定所给的光线的特点再根据凹透镜的光学特点(三条特殊光线)来作图。
【解答】解:平行于主光轴的光线经凹透镜折射后折射光线反向延长通过焦点;指向另一侧焦点的光线经凹透镜折射后折射光线平行于主光轴
【点评】凹透镜有三条特殊光线:指向另一侧焦点的光线经凹透镜折射后折射光线平行于主光轴;平行于主光轴的光线经凹透镜折射后折射光线反向延长通过焦点;过凹透镜光心的光线其传播方向不变。
四、实验题(每空1分,共14分)
24.(8分)小强找来7个相同的啤酒瓶,装入不同高度的水,如图所示,发现能吹出“1、2、3、4、5、6、7”的声音来。请你回答下列问题:
(1)用嘴贴着瓶口吹气,发出的声音是由瓶内 空气柱 的振动引起的。小强听到的声音主要是靠 空气 传到耳朵里的。
(2)吹 G (填序号)瓶时,发出的声音音调最高,其原因是该瓶内空气柱振动的 频率 高,所以发声的音调最高。如果用小棒来敲击这些瓶子, A (填序号)瓶时,音调最高。
(3)小强同学使用不同的力气对着A瓶子吹气,他听到的声音 音调 和 音色 是相同的,他所用的力气越大,听到声音的 响度 就越大。
【答案】(1)空气柱;空气;(2)G;频率;A;(3)音调、音色、响度。
【分析】(1)声音是物体振动产生的,空气可以传播声音。
(2)用嘴向瓶内吹气发声,靠的是瓶内空气柱的振动,根据频率和音调的关系,结合水位的不同进行解答。
(3)声音的大小叫响度,响度与振幅、力度、和声源的距离有关。
【解答】解:(1)声音是物体振动产生的,当用嘴向瓶内吹气时;小强听到的声音主要是靠空气传到耳朵里的。
(2)瓶内水位越高,空气柱越短,频率越高,由图知G瓶中的空气柱最短,发出的声音音调最高。
若敲击瓶口时,声音是由瓶子和水的振动产生的,振动越快,因此敲A瓶时。
(3)小强同学使用不同的力气对着A瓶子吹气,他听到的声音音调和音色是相同的,听到声音的响度就越大。
故答案为:(1)空气柱;空气;频率;A、音色。
【点评】解答此类题目的难点和易混点是弄清究竟是哪一部分在振动发声。可联系装水的烧杯进行实验探究,经过对比可增强记忆,加强对知识的理解。
25.(3分)如图甲是小英同学探究平面镜成像特点的实验装置图:将点燃的蜡烛A放在玻璃板前面,能看到玻璃板后面有它的像。
(1)再拿一只与A完全相同的蜡烛B在玻璃板后的纸面上来回移动,发现它与蜡烛A的像完全重合,说明平面镜成像时 相等 ;
(2)解决上述问题后,图乙是同学们经过三次实验,在白纸上记录的像与物对应点的位置。通过处理和分析这张“白纸”上的信息 像和物体各对应点的连线与平面镜垂直 (写出一条即可);
(3)移开蜡烛B,把光屏放在像的位置处,光屏上 不能 (选填“能”或“不能”)承接到蜡烛的像。
【答案】(1)相等;(2)像和物体各对应点的连线与平面镜垂直;(3)不能。
【分析】(1)平面镜所成的像与物体大小相等;
(2)从验证平面镜成像的特点的角度分析即可;
(3)虚像不能成在光屏上,而实像能够成在光屏上。
【解答】解:(1)用与A完全相同的蜡烛B在代替A与A所成的像比较,发现它与蜡烛A的像完全重合,像与物大小相等;
(2)本实验是研究平面镜成像的特点,他们下一步应该连接像与物的对应点;分别测量两点到镜面的距离;像和物体各对应点到平面镜间距离相等;
(3)平面镜成的是虚像,并不是实际光线会聚而成的,光屏上不能承接到蜡烛的像。
故答案为:(1)相等;(2)像和物体各对应点的连线与平面镜垂直。
【点评】对于平面镜成像的特点,只要掌握扎实,牢记相关的知识,答案不难得出。此题引入了“归纳法”,“等效替代法”,这是物理学中常用的一种方法,应该有所了解,并学会使用。
26.(3分)小科做“探究凸透镜成像的特点”实验。
(1)他先将凸透镜对着太阳光,调整凸透镜与白纸间的距离,直到太阳光在白纸上会聚成一个最小、最亮的点 确定凸透镜的焦距 。
(2)由于蜡烛火焰的高度不合适,小科在光屏上得到如图乙所示的不完整的像,要得到蜡烛火焰完整的像 上 (填“上”或“下”)调节。
(3)如果实验中使用的凸透镜的焦距为10cm,当烛焰距凸透镜25cm时,移动凸透镜另一侧的光屏 倒立 (填“正立”或“倒立”)的、缩小的实像。
【答案】(1)确定凸透镜的焦距;(2)上;(3)倒立。
【分析】(1)要掌握利用太阳光简单测量焦距的方法。使凸透镜正对着太阳光,找到焦点,测量焦点到凸透镜的距离,即为焦距;
(2)探究凸透镜成像的实验时,在桌面上依次放蜡烛、凸透镜、光屏,三者在同一条直线上,三者的中心大致在同一高度,像才能呈在光屏的中心;
(3)当u>2f,物体通过凸透镜成倒立、缩小的实像。
【解答】解:(1)图中,太阳光汇聚的一点是凸透镜的焦点;
(2)由图知,烛焰的像比较靠上,所以一定是蜡烛太靠下的缘故;
(3)当烛焰距凸透镜25cm时,此时u>2f,移动光屏、缩小的实像。
故答案为:(1)确定凸透镜的焦距;(2)上。
【点评】此题是探究凸透镜成像的实验,考查了学生对实验操作的掌握,一定要注意实验前的调整工作,为使像成在光屏的中央,应使凸透镜、烛焰、光屏的中心大致在同一高度处,同时还考查了凸透镜成像规律的应用。
五、计算题(27题8分,28题8分,29题8分,共24分)
27.(8分)便捷的交通与互联网给人们出行带来了极大的方便,家住高青的王爷爷带小孙子驾车到淄博站,然后乘高铁去泰安爬泰山,并看到路边如图所示的交通标志牌,此刻吩咐小孙子通过铁路12306网站查询列车时刻表,
车次
淄博开
泰安到
运行距
G278
08:12
09:32
148km
G318
09:12
10:32
148km
G232
11:37
12:57
148km
求:(1)在交通正常的情况下,依据以上信息并通过计算
(2)该趟高铁运行的平均速度为多少km/h?
【答案】(1)在交通正常的情况下,爷孙俩最快能赶上G318车次;
(2)该趟高铁运行的平均速度为111km/h。
【分析】(1)由交通标志牌可知标志牌到淄博站的路程和该路段的最大限速,根据速度公式求出到淄博站的最短时间,然后求出到达淄博站的时刻,再结合列车时刻表判断爷孙俩最快能赶上哪一车次;
(2)根据列车时刻表读出乘坐G318从淄博站到达泰安站所用时间和总路程,根据速度公式求出该趟高铁运行的平均速度;
【解答】解:(1)由图知,标志牌到淄博站的路程s=30km,
由v=可知==0.5h=30min,
爷爷8:20开车出发,经过30min后到达淄博站的时间为8:50,
由表可知,此时G278已经发车;
(2)由列车时刻表可知,乘坐G318从淄博站到达泰安站所用时间t′=10:32﹣9:12=6h20min=h,
该趟高铁运行的平均速度:v′===111km/h。
答:(1)在交通正常的情况下,爷孙俩最快能赶上G318车次;
(2)该趟高铁运行的平均速度为111km/h。
【点评】本题考查速度公式的应用以及对交通标志牌的认识,解题的关键是能从列车时刻表中获取相关信息。
28.(8分)一列长为360m的火车匀速穿过一条长1800m的隧道,测得火车完全通过隧道需要108s。求:
(1)火车的运行速度。
(2)火车全部在隧道内运行的时间。
(3)穿过隧道后,列车继续前进,面对山崖鸣笛一声,求听到回声时距山崖多远?
【答案】见试题解答内容
【分析】(1)火车完全通过隧道行驶的路程等于隧道长加上火车长,知道行驶时间,利用速度公式求火车的运行速度;
(2)火车全部在隧道内运行的路程等于隧道长与火车长的差,求出了火车速度,再根据速度公式就会求出火车全部在隧道内运行的时间。
(3)利用公式s=vt算出2s时间内声音和火车传播的距离s声、s车,设听到回声时距山崖的距离为s,则有2s=s声﹣s车,据此求出听到回声时列车距山崖多远。
【解答】解:(1)火车完全通过隧道时行驶的路程:
s1=L隧道+L车=1800m+360m=2160m,
火车的运行速度:
v===20m/s;
(2)火车全部在隧道内运行的路程:
s2=L隧道﹣L车=1800m﹣360m=1440m,
所需的时间:
t2===72s;
(3)2s时间内声音传播的距离:
s声=v声t=340m/s×2s=680m;
鸣笛后火车通过的路程为:
s车=v车t=20m/s×5s=40m;
各距离的关系如图所示:
则听到回声时距山崖的距离:
s=(s声﹣s车)=×(680m﹣40m)=320m。
答:(1)火车的运行速度为20m/s;
(2)火车全部在隧道内运行的时间为72s;
(3)听到回声时距山崖的距离有320m远。
【点评】本题考查了速度公式的综合应用,关键是要分清火车完全在隧道内运行的路程和火车完全通过隧道的路程;对于“回声类”的习题,一般应通过作图的方法找出各路程的关系。
29.(8分)底面积50cm2、高12cm的平底圆柱形玻璃杯放在水平桌面上,里面装有一定量的水,液面高度为10cm(如图甲),小球沉底后,发现有水溢出杯口,测其质量如图乙所示.请你完成下列问题:(已知:水的密度ρ水=1.0×103kg/m3,平底玻璃杯的质量和厚度均忽略不计)
(1)甲图中水的质量;
(2)溢出水的体积;
(3)金属球的密度.
【答案】(1)甲图中水的质量为500g;
(2)溢出水的体积为50cm3;
(3)金属球的密度为7.8g/cm3。
【分析】(1)先计算出甲图中水的体积,再用密度公式的变形式求出甲图中水的质量;
(2)原来杯子和水的总质量与金属球的质量之和,减去杯子、金属球和剩余水的总质量等于溢出水的质量;再由密度公式求出溢出水的体积;
(3)因原来杯子中没有装满水,则由题意可知金属球的体积等于溢出水的体积加上金属球放入杯中后水上升部分的体积;知道金属球的质量,根据密度公式求金属球的密度。
【解答】解:
(1)甲图中水的体积:
V水=Sh=50cm2×10cm=500cm3;
则甲图中水的质量:
m2=ρ水V水=1g/cm3×500cm8=500g;
(2)原来水的质量m1=500g,金属球的质量m球=1.17kg=1170g,金属球和剩余水的总质量m8=1.62kg=1620g,
则溢出水的质量m溢=m1+m球﹣m7=500g+1170g﹣1620g=50g;
溢出水的体积:
V溢===50cm4;
(3)金属球的体积:
V球=V溢+V上升=V溢+SΔh=50cm3+50cm2×(12cm﹣10cm)=150cm4;
金属球的密度:
ρ球===7.8g/cm3。
答:(1)甲图中水的质量为500g;
(2)溢出水的体积为50cm3;
(3)金属球的密度为5.8g/cm3。
【点评】本题考查了密度公式的应用,求出金属球的体积是关键。
相关试卷
这是一份河北省石家庄市第八十一中学2023-2024学年八年级上学期期末考试物理试卷,共8页。
这是一份河北省石家庄市第八十一中学2023-2024学年九年级上学期12月月考物理试卷,共3页。
这是一份河北省石家庄第八十一中学2023-2024学年九年级上学期开学物理试卷,共22页。试卷主要包含了下列说法不正确的是等内容,欢迎下载使用。