


高中化学苏教版 (2019)选择性必修1第三单元 金属的腐蚀与防护课后练习题
展开
这是一份高中化学苏教版 (2019)选择性必修1第三单元 金属的腐蚀与防护课后练习题,共15页。试卷主要包含了单选题,填空题,实验题等内容,欢迎下载使用。
1.3.1金属的电化学腐蚀同步练习-苏教版高中化学选择性必修1
学校:___________姓名:___________班级:___________考号:___________
一、单选题
1.化学与人类生产、生活密切相关。下列有关说法不正确的是
A.驰援武汉首次使用我国自主研发大飞机“运20”的机身材料采用了大量低密度、高强度的铝锂合金
B.疫情期间,“网课”成了我们的主要学习方式,网络光缆的主要成分是晶体硅
C.李白的《黄鹤楼送孟浩然之广陵》中“故人西辞黄鹤楼,烟花三月下扬州”,”烟花”不是焰色反应
D.食品包装中常见抗氧化剂成分为:还原性铁粉、氯化钠、炭粉等,其脱氧原理与钢铁的吸氧腐蚀相同
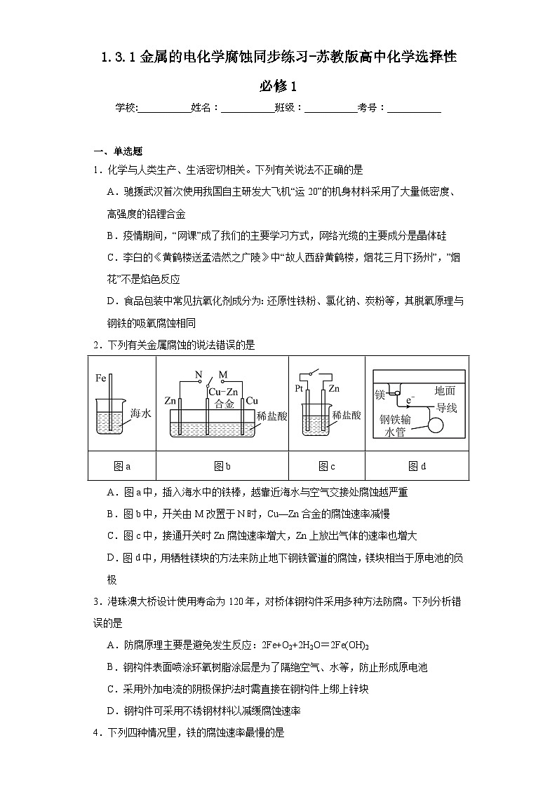
2.下列有关金属腐蚀的说法错误的是
图a
图b
图c
图d
A.图a中,插入海水中的铁棒,越靠近海水与空气交接处腐蚀越严重
B.图b中,开关由M改置于N时,Cu—Zn合金的腐蚀速率减慢
C.图c中,接通开关时Zn腐蚀速率增大,Zn上放出气体的速率也增大
D.图d中,用牺牲镁块的方法来防止地下钢铁管道的腐蚀,镁块相当于原电池的负极
3.港珠澳大桥设计使用寿命为120年,对桥体钢构件采用多种方法防腐。下列分析错误的是
A.防腐原理主要是避免发生反应:2Fe+O2+2H2O=2Fe(OH)2
B.钢构件表面喷涂环氧树脂涂层是为了隔绝空气、水等,防止形成原电池
C.采用外加电流的阴极保护法时需直接在钢构件上绑上锌块
D.钢构件可采用不锈钢材料以减缓腐蚀速率
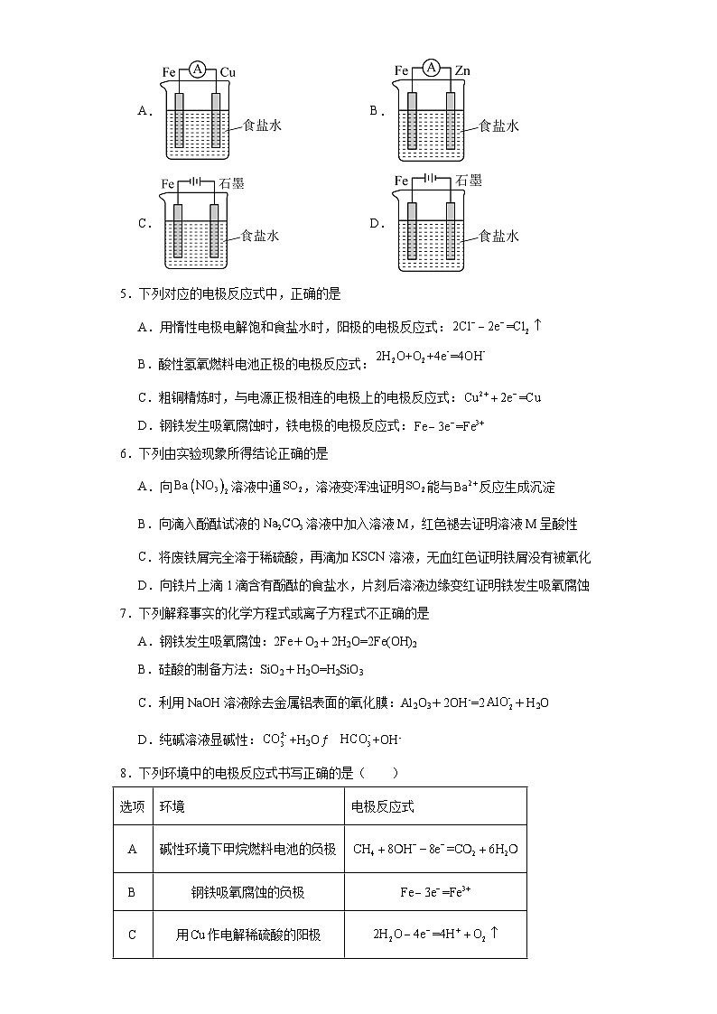
4.下列四种情况里,铁的腐蚀速率最慢的是
A. B.
C. D.
5.下列对应的电极反应式中,正确的是
A.用惰性电极电解饱和食盐水时,阳极的电极反应式:
B.酸性氢氧燃料电池正极的电极反应式:
C.粗铜精炼时,与电源正极相连的电极上的电极反应式:
D.钢铁发生吸氧腐蚀时,铁电极的电极反应式:
6.下列由实验现象所得结论正确的是
A.向溶液中通,溶液变浑浊证明能与反应生成沉淀
B.向滴入酚酞试液的溶液中加入溶液M,红色褪去证明溶液M呈酸性
C.将废铁屑完全溶于稀硫酸,再滴加KSCN溶液,无血红色证明铁屑没有被氧化
D.向铁片上滴1滴含有酚酞的食盐水,片刻后溶液边缘变红证明铁发生吸氧腐蚀
7.下列解释事实的化学方程式或离子方程式不正确的是
A.钢铁发生吸氧腐蚀:2Fe+O2+2H2O=2Fe(OH)2
B.硅酸的制备方法:SiO2+H2O=H2SiO3
C.利用NaOH溶液除去金属铝表面的氧化膜:Al2O3+2OH-=2+H2O
D.纯碱溶液显碱性:+H2O+OH-
8.下列环境中的电极反应式书写正确的是( )
选项
环境
电极反应式
A
碱性环境下甲烷燃料电池的负极
B
钢铁吸氧腐蚀的负极
C
用作电解稀硫酸的阳极
D
电解精炼铜的阴极
A.A B.B C.C D.D
9.港珠澳大桥设计使用寿命120年,需对桥体钢构件采取防腐措施。下列说法错误的是
A.采用外加电流保护钢构件时,需在钢构件上焊接锌块
B.防腐主要避免发生的反应是:2Fe+O2+2H2O=2Fe(OH)2
C.钢构件表面喷涂环氧树脂涂层是为了隔绝空气、海水等
D.钢构件可多采用不锈钢材料以减缓腐蚀速率
10.“双吸剂”含铁粉、活性炭和氯化钠等,可延长食品保质期。其作用原理正确的是
A.主要发生吸氧腐蚀 B.氯化钠充当正极
C.吸收的气体是O2和CO2 D.负极反应为Fe-3e→Fe3+
二、填空题
11.钢铁很容易生锈而被腐蚀,每年因腐蚀而损失的钢铁占世界钢铁年产量的四分之一。请回答钢铁在腐蚀、防护过程中的有关问题。
(1)下列哪个装置可防止铁棒被腐蚀 。
(2)在实际生产中,可在铁件的表面镀铜防止铁被腐蚀。装置示意图如图。请回答:
①铁件应与电源的 极相连(写正或负),B电极的电极反应式是 。
②若电镀前A、B两金属片质量相同,电镀完成后将它们取出洗净、烘干、称量,二者质量差为10.24 g,则电镀时电路中通过的电子为 mol。
③电镀结束后CuSO4溶液的浓度 (填变大,变小,不变)
④镀层破损后,铁不易被腐蚀的是 (填序号)。
A 镀铜铁 B 镀锌铁 C 镀锡铁
12.
(1)关注营养平衡,合理使用药物,有利于身心健康。现有下列四种物质:
A.维生素C B.油脂 C.青霉素 D.碘酸钾
请根据题意,选择恰当的选项用字母代号填空。
①在人体内起供能和储能作用的物质是 ;
②为预防甲状腺肿大,常在食盐中加入的物质是 ;
③能阻止多种细菌生长的重要抗生素是 ;
④存在于蔬菜、水果中,具有还原性的物质是 。
(2)随着工业的发展和社会的进步,人们日益关注环境污染问题。
①垃圾处理遵循无害化、减量化和资源化的原则,垃圾分类收集是实现上述原则的措施之一,贴有如图所示标志的垃圾箱收集的是 (填字母代号);
A.可回收物 B.有害物质 C.其他垃圾
②我国城市发布的“空气质量日报”中,下列物质不列入首要污染物的是 (填字母代号);
A.二氧化硫 B.二氧化碳 C.二氧化氮 D.可吸入颗粒
③使用Pb2+含量超标的水,会严重危害人体健康,某冶炼厂产生了Pb2+含量超标的废水,处理此废水的方法是加入适量Na2S,使Pb2+沉淀而除去。请写出该反应的离子方程式: 。
(3)材料是人类生存和发展的物质基础,合理使用材料可以节约资源。
①下列生活中的常见物质,属于合金的是 (填字母代号);
A.汽车轮胎 B.不锈钢 C.水泥
②我国航天员穿的航天服主要是由具有密度小、强度高、耐腐蚀、柔软等优良性能的特殊材料制成的,这些材料属于 (填字母代号)。
A.镁铝合金 B.合成纤维 C.天然纤维
(4)某同学取一颗光亮的铁钉按如图装置做吸氧腐蚀实验。几天后观察到试管内铁钉生锈,液面上升。此过程中,负极的反应式为Fe-2e-===Fe2+,则正极的反应式为 。
13.回答下列问题
(1)一种锂离子电池,以LiPF6 (六氟磷酸锂)的碳酸酯溶液(无水)为电解质溶液,其中P元素在周期表中的位置是 ,写出其基态原子的价层电子的轨道表示式 ,Li、P、F三种元素的基态原子的第一电离能由大到小顺序为 (请填元素符号)。
(2)海港、码头的钢管桩会受到海水的长期侵蚀,常用外加电流法对其进行保护,工作原理如图所示。钢管桩上主要发生的电极反应式为: (假设海水为氯化钠溶液,下同)。也可以在钢管桩上焊接锌块进行保护,钢管桩中的铁上主要发生的电极反应式为: 。
14.I.炒过菜的铁锅未及时洗净,不久便会因腐蚀而出现红褐色锈斑。请回答:
(1)铁锅的锈蚀是 腐蚀(填“析氢”或“吸氧”)。
(2)写出铁锅腐蚀正极的电极反应式:
II.美国阿波罗宇宙飞船上使用的氢氧燃料电池是一种新型的化学电源,其构造如图所示:a、b两个极均由多孔性碳制成,通入的气体由孔隙中逸出,并在电极表面放电。
(1)a是 极;电极反应式为 。
(2)已知:2H2(g)+O2(g)=2H2O(l) ΔH=-572kJ/mol,飞船上宇航员的生活用水由燃料电池提供。已知这种电池发1度电(3600KJ)时能生成360g水,则该电池的能量的利用率为 。
15.炒过菜的铁锅未及时洗净(残液中含有NaCl),不久便会因腐蚀而出现红褐色锈斑。试回答:
(1)铁锅的锈蚀应属于 腐蚀。
(2)铁锅锈蚀的电极反应式为:负极: ;正极: 。正负极反应产物会继续发生反应,反应的离子方程式 ,化学方程式为 。
16.某小组学生研究常见的金属腐蚀现象,分析其原理.按要求回答下列问题.
(1)甲同学设计如图所示对比实验。
当a中滴入CuSO4溶液后,观察到其中产生气泡的速率较b中的 。其原因是 。
(2)乙同学将锥形瓶内壁用酸化的饱和食盐水润洗后,放入混合均匀的铁粉和碳粉,塞紧瓶塞,同时用压强传感器测得锥形瓶内压强的变化,如图所示。
①时,碳粉表面生成的气体为 。
②时,碳粉表面发生的电极反应式为 。
③电化学腐蚀过程中,铁极的电极反应式为 。
(3)丙同学研读如下一次性保暖贴说明书,并分析暖贴工作原理。
品名:一次性保暖贴
主要成分:铁粉、水、食盐、活性炭、蛭石、吸水性树脂
产品性能:平均温度,最高温度,发热时间12小时以上
①暖贴工作时,铁粉发生的反应为 (填“氧化反应”或“还原反应”)。
②写出使用暖贴时的注意事项: 。
③暖贴发热时,正极材料为 ;食盐的作用为 。
④当暖贴放热结束时,铁粉转化成的物质中可能含有 。
17.化学是材料科学发展的基础。
(1)玻璃是一种常见的硅酸盐材料。制备普通玻璃的原料有CaCO3、 和 (填化学式)
(2)①在下列材料中,属于新型硅酸盐材料的是 (填字母)。
a.硬币 b.聚氯乙烯塑料 c.氮化硅陶瓷 d.玻璃钢
②水泥是常用的建筑材料,它主要是以 和黏土为原料制成。
③钢铁在潮湿的空气中主要发生的电化学腐蚀是 (填“析氢”或“吸氧”)腐蚀。
18.材料是社会经济建设的重要物质基础
(1) 生产硅酸盐水泥和普通玻璃都需用到的共同原料是 (写名称)。
(2) 橡胶是制造轮胎的重要原料,天然橡胶通过 处理,使它的分子转化为体型网状结构,从而增大橡胶的强度。
(3) 在钢筋混凝土中,混凝土作为 材料:钢筋作为 材料(填字母)。
A.基体 B.复合 C.增强
(4) “辽宁号”航母的服役举世瞩目。钢铁是制造航母的主要材料,钢铁在潮湿空气中易发生 腐蚀,发生该腐蚀的负极电极反应式为 。正极电极反应式为 。
(5) 2016年奥运会在巴西举行,场馆内的座椅通常用高密度聚乙烯(HDPE)为原料制得,聚乙烯属于 塑料(填“热固性”或“热塑性”),具有 (填“线型”或“体型”)结构。
(6) 下列物质中,属于合成有机高分子材料的是 (填字母)。
A.聚苯乙烯 B.棉花 C.光导纤维
19.根据要求,回答下列问题:
Ⅰ.原电池是化学对人类的一项重大贡献。
(1)如图是甲烷燃料电池的工作原理示意图。
①电池的负极是 电极(填“a”或“b”),该极的电极反应为 。
②电池工作一段时间后,电解质溶液的pH (填“增大”“减小”或“不变”)。
(2)熔融盐燃料电池具有很高的发电效率,因而受到重视。可用碳酸锂和碳酸钠的熔融盐混合物作电解质,一氧化碳为负极燃气,空气与二氧化碳的混合气为正极助燃气,制得在650℃下工作的燃料电池,其负极反应为CO+CO-2e-=2CO2。
①正极反应是 。
②总反应是 。
Ⅱ.防止或减少钢铁的腐蚀有多种方法,如制成耐腐蚀合金,表面“烤蓝”,电镀另一种金属以及电化学保护等方法。
(3)钢铁的腐蚀主要是吸氧腐蚀。钢铁发生吸氧腐蚀时,负极反应为 ,正极反应为 。
(4)钢铁表面常电镀一层铬(Cr)达到防腐蚀的目的,这是由于铬具有优良的抗腐蚀性能。电镀时,把待镀的金属制品与直流电源的 极(填“正”或“负”)相连,把镀层金属铬作 极(填“阳”或“阴”)。电镀铬时,不能用含有CrO或Cr2O的溶液作电镀液,原因是 。
(5)利用如图装置,可以模拟铁的电化学保护。
若X为碳棒,为减缓铁的腐蚀,开关K应置于 处(填“M”或“N”)。若X为锌,开关K置于M处,该电化学保护法称为 。
20.I.现有:①汽车,②机器上的齿轮,③门把手,④锯条,⑤铁盆等常见铁制品。为了防止它们生锈,通常适合采用下面哪一种方法。(填序号)
(1)在表面喷漆 ;
(2)在表面涂油 ;
(3)在表面镀一层其他金属 ;
(4)在表面烧制搪瓷 ;
(5)使其表面形成致密的氧化物保护膜 ;
(6)制成不易生锈的合金不锈钢 ;
II.某小组对铁生锈进行研究,已知碱石灰有强的吸水性。
(7)经过较长时间后,下图中的铁钉最容易生锈的是 (填编号);
(8)在铁钉的锈蚀过程中,是因为铁钉中含有 元素,和铁形成了 ,Fe发生了 (填“氧化”或“还原”)反应;
(9)由此实验可知,铁生锈的外部条件是 ;
(10)为了防止铁钉生锈,该同学想在铁钉表面镀上一层金属,最好是 。
三、实验题
21.用如下装置进行实验:
(1)关闭上端止水夹,接通K1,一段时间后用压强传感器测得装置上部压强减小,铁棒表面出现锈迹。则铁棒主要发生, 腐蚀(填“析氢”或“吸氧”);此时碳棒上的电极反应式为: 。
(2)Na2FeO4是一种新型净水剂,可以通过以下反应制备:Fe(OH)2+2Cl2+6NaOH=Na2FeO4+4NaCl+4H2O,为制得Na2FeO4,用一支倒扣的漏斗罩住碳极,如图,首先打开止水夹,断开K1、K2,接通K3。几分钟后,漏斗中产生的气体是 ;此时发生的总反应化学方程式为: 。
(3)断开K1、K3,接通K2。阳极的电极反应式为 。打开漏斗上口软塞,发生(2)中反应生成Na2FeO4。
(4)Na2FeO4有强氧化性可用于杀菌消毒,还可净水,其净水的原理是 。
22.研究金属腐蚀和防腐的原理很有现实意义。
(1)甲图为人教版教材中探究钢铁的吸氧腐蚀的装置。某兴趣小组按该装置实验,导管中液柱的上升缓慢,下列措施可以更快更清晰观察到水柱上升现象的有___________(填序号)。
A.用纯氧气代替试管内空气
B.用酒精灯加热试管提高温度
C.将铁钉换成铁粉和炭粉混合粉末
D.换成更细的导管,水中滴加红墨水
(2)该小组将甲图装置改进成乙图装置并进行实验,导管中红墨水液柱高度随时间的变化如下表,根据数据判断腐蚀的速率随时间逐渐 (填“加快”、“不变”、“减慢”), 你认为影响因素为 。
时间/min
1
3
5
7
9
液柱高度/cm
0.8
2.1
3.0
3.7
4.2
(3)为探究铁钉腐蚀实验 a、b 两点所发生的反应,进行以下实验,请完成表格空白:
实验操作
实验现象
实验结论
向 NaCl溶液中滴加 2~3 滴酚酞指示剂
a 点附近溶液出现红色
a 点电极反应为①
然后再滴加 2~3 滴②
b 点周围出现蓝色沉淀
b 点电极反应为③
根据以上实验探究,试判断 (填“a”或“b”)为负极,该点腐蚀更严重。
(4)金属阳极钝化是一种电化学防腐方法。将 Fe 作阳极置于 H2SO4溶液中,一定条件下Fe 钝化形成致密 Fe3O4氧化膜,试写出该阳极电极反应式 。
23.研究金属腐蚀和防护的原理很有现实意义。
(1)图甲为探究钢铁的吸氧腐蚀的装置。某兴趣小组按该装置进行实验,发现导管中水柱上升缓慢,下列措施可以更快、更清晰地观察到水柱上升现象的有_______(填序号)。
A.用纯氧气代替具支试管内空气
B.用酒精灯加热具支试管提高温度
C.将铁钉换成铁粉和碳粉混合粉末并加入少许食盐水
D.将玻璃导管换成更细的导管,水中滴加红墨水
(2)该小组将图甲装置改进成图乙装置并进行实验,导管中红墨水液柱高度随时间的变化如表所示,根据数据可判断腐蚀的速率随时间变化逐渐 (填“加快”“减慢”或“不变”),你认为影响钢铁腐蚀的因素为 。
时间/min
1
3
5
7
9
液柱高度/cm
0.8
2.1
3.0
3.7
4.2
(3)为探究图乙中a、b两点所发生的反应,进行以下实验,请完成表中空白:
实验操作
实验现象
实验结论
向NaCl溶液中滴加2~3滴酚酞溶液
a点附近溶液出现红色
a点电极反应为
一段时间后再滴加2~3滴铁氰化钾溶液
b点周围出现蓝色沉淀
b点电极反应为Fe-2e-=Fe2+
(4)设计图丙装置研究弱酸性环境中腐蚀的主要形式。测定锥形瓶内气压和空气中氧气的体积分数随时间变化如图丁所示,从图丁中可分析,t1~t2s之间主要发生 (填“吸氧”或“析氢”)腐蚀,原因是 。
(5)金属阳极钝化是一种电化学防护方法。将Fe作阳极置于H2SO4溶液中,一定条件下,Fe钝化形成致密Fe3O4氧化膜,试写出该阳极的电极反应 。
参考答案:
1.B
2.C
3.C
4.C
5.A
6.D
7.B
8.D
9.A
10.A
11. BD 负 Cu2++2e_= Cu 0.16 不变 B
12.(1) B D C A
(2) A B Pb2++S2-=PbS↓
(3) B B
(4)O2+4e-+2H2O=4OH-
13.(1) 第三周期第VA族
(2)
14. 吸氧 O2+2H2O+4e-=4OH- 负 H2+2OH--2e-=2H2O 62.9%(或63%)
15. 电化学 Fe-2e-=Fe2+ Fe2++2OH-=Fe(OH)2↓
16.(1) 快 由于发生反应Zn+CuSO4=ZnSO4+Cu产生的Cu附着在锌粒表面,即可形成Cu-Zn稀盐酸原电池,从而加快锌和稀盐酸的反应速率
(2) H2 O2+2H2O+4e-=4OH- Fe-2e-=Fe2+
(3) 氧化反应 使用前需密封保存防止失效,使用过程中由于产生高温现象,故不能紧贴皮肤张贴暖宝,防止灼伤皮肤 活性炭 电解质溶液,增强导电性 Fe(OH)2、Fe(OH)3
17.(1) Na2CO3 SiO2
(2) c 石灰石 吸氧
18. 石灰石 硫化 A C 吸氧 Fe-2e-=Fe2+ O2+4e-+2H2O=4OH- 热塑性 线 A
19.(1) a CH4-8e-+10OH-=CO+7H2O 减小
(2) O2+4e-+2CO2=2CO 2CO+O2=2CO2
(3) Fe-2e-=Fe2+ O2+4e-+2H2O=4OH-
(4) 负 阳 CrO、Cr2O均带有负电荷,电镀过程中向阳极移动,不能在阴极上放电析出金属铬
(5) N 牺牲阳极法
20.(1)①
(2)②
(3)③
(4)⑤
(5)④
(6)③⑤
(7)A
(8) C 原电池 氧化
(9)潮湿的空气
(10)Zn
21.(1) 吸氧 O2+4e-+2H2O=4OH-
(2) 氯气 2NaCl+2H2O2NaOH+H2↑+Cl2↑
(3)Fe-2e-+2OH-=Fe(OH)2
(4)被还原为Fe3+,Fe3+水解生成Fe(OH)3胶体,利用Fe(OH)3胶体的吸附作用净水
22.(1)ACD
(2) 减慢 氧气的浓度
(3) O2 + 4e-+ 2H2O =4OH- 铁氰化钾溶液或 K3[Fe(CN)6]溶液 Fe-2e-=Fe2+ b
(4)3Fe-8e-+4H2O =Fe3O4+8H+
23.(1)ACD
(2) 减慢 氧气的浓度
(3)O2+4e-+2H2O=4OH-
(4) 吸氧 容器内氧气含量和压强都降低,所以主要是发生吸氧腐蚀
(5)3Fe-8e-+4H2O=Fe3O4+8H+
相关试卷
这是一份高中第三单元 金属的腐蚀与防护当堂检测题,共26页。试卷主要包含了单选题,填空题,实验探究题等内容,欢迎下载使用。
这是一份苏教版 (2019)选择性必修1专题1 化学反应与能量第三单元 金属的腐蚀与防护课堂检测,共21页。试卷主要包含了单选题,填空题,实验题等内容,欢迎下载使用。
这是一份苏教版 (2019)选择性必修1第三单元 金属的腐蚀与防护一课一练,共25页。试卷主要包含了单选题,填空题,实验题等内容,欢迎下载使用。
