


高考物理一轮复习课后练习07 实验 探究弹簧弹力与弹簧伸长量的关系(含答案解析)
展开2020版高考物理 全程复习课后练习07
实验:探究弹簧弹力与弹簧伸长量的关系
如图(a),一弹簧上端固定在支架顶端,下端悬挂一托盘;一标尺由游标和主尺构成,主尺竖直固定在弹簧左边;托盘上方固定有一能与游标刻度线准确对齐的装置,简化为图中的指针.
现要测量图(a)中弹簧的劲度系数.当托盘内没有砝码时,移动游标,使其零刻度线对准指针,此时标尺读数为1.950 cm;当托盘内放有质量为0.100 kg的砝码时,移动游标,再次使其零刻度线对准指针,标尺示数如图(b)所示,其读数为________ cm.当地的重力加速度大小为9.80 m/s2,此弹簧的劲度系数为________ N/m(保留3位有效数字).
如图甲所示,用铁架台、弹簧和多个已知质量且质量相等的钩码探究在弹性限度内弹簧弹力与弹簧伸长量的关系.
(1)为完成实验,还需要的实验器材有:______________.
(2)实验中需要测量的物理量有:________________.
(3)图乙是弹簧弹力F与弹簧伸长量x的Fx图线,由此可求出弹簧的劲度系数为________N/m.图线不过原点的原因是由于_______________________________________________.
某实验小组用一弹簧测力计和一量角器等器材验证力的平行四边形定则,设计了如图所示的实验装置,固定在竖直木板上的量角器的直边水平,橡皮筋的一端固定于量角器的圆心O的正上方A处,另一端系绳套1和绳套2.
(1)主要实验步骤如下:
Ⅰ.弹簧测力计挂在绳套1上,竖直向下拉橡皮筋,使橡皮筋的结点到达O处,记下弹簧测力计的示数F;
Ⅱ.弹簧测力计挂在绳套1上,手拉着绳套2,缓慢拉橡皮筋,使橡皮筋的结点到达O处,此时绳套1沿0°方向,绳套2沿120°方向,记下弹簧测力计的示数F1;
Ⅲ.根据力的平行四边形定则计算绳套1的拉力F′1=________;
Ⅳ.比较________,即可初步验证;
Ⅴ.只改变绳套2的方向,重复上述实验步骤.
(2)保持绳套2方向不变,绳套1从图示位置向下缓慢转动90°,此过程中保持橡皮筋的结点在O处不动,关于绳套1的拉力大小的变化,下列结论正确的是________.(填选项前的序号)
A.逐渐增大 B.先增大后减小 C.逐渐减小 D.先减小后增大
如图所示,某实验小组同学利用DIS实验装置研究支架上力的分解.A、B为两个相同的双向力传感器,该类型传感器在受到拉力时读数为正,受到压力时读数为负.B固定不动并通过光滑铰链连接一直杆,A可沿固定的圆弧形轨道(圆心在O点)移动,A连接一不可伸长的轻绳,轻绳另一端系在杆右端O点构成支架,实验时始终保持杆在水平方向,取重力加速度大小g=10 m/s2,计算结果保留一位有效数字.操作步骤如下:
①测量轻绳与水平杆的夹角θ;
②对两个传感器进行调零;
③用另一根轻绳在O点悬挂一钩码,记录两个传感器的读数;
④取下钩码,移动A,改变θ角;
⑤重复上述实验步骤,得到的数据记录在表格中.
(1)根据表格数据可得,A对应的是表中力________(选填“F1”或“F2”),钩码质量为________kg.挂上钩码后,A沿固定轨道移动过程中轻绳AO拉力的最小值为________N.
(2)每次改变θ角后都要对传感器进行调零,此操作目的是________.
A.因为事先忘记调零
B.何时调零对实验结果没有影响
C.可以完全消除实验的误差
D.消除直杆自身重力对结果的影响
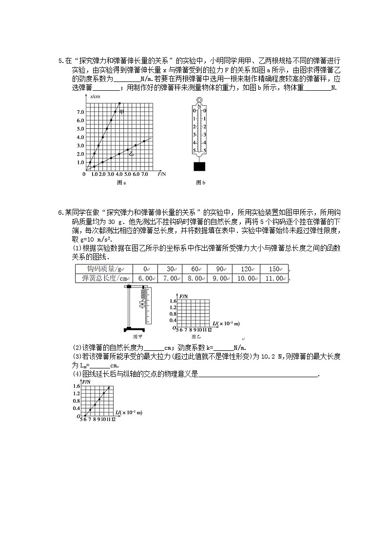
在“探究弹力和弹簧伸长量的关系”的实验中,小明同学用甲、乙两根规格不同的弹簧进行实验,由实验得到弹簧伸长量x与弹簧受到的拉力F的关系如图a所示,由图求得弹簧乙的劲度系数为________N/m.若要在两根弹簧中选用一根来制作精确程度较高的弹簧秤,应选弹簧________;用制作好的弹簧秤来测量物体的重力,如图b所示,物体重________N.
某同学在做“探究弹力和弹簧伸长量的关系”的实验中,所用实验装置如图甲所示,所用钩码质量均为30 g.他先测出不挂钩码时弹簧的自然长度,再将5个钩码逐个挂在弹簧的下端,每次都测出相应的弹簧总长度,并将数据填在表中.实验中弹簧始终未超过弹性限度,取g=10 m/s2.
(1)根据实验数据在图乙所示的坐标系中作出弹簧所受弹力大小与弹簧总长度之间的函数关系的图线.
(2)该弹簧的自然长度为______cm;劲度系数k=______N/m.
(3)若该弹簧所能承受的最大拉力(超过此值就不是弹性形变)为10.2 N,则弹簧的最大长度为Lm=______cm.
(4)图线延长后与纵轴的交点的物理意义是___________________________________.
“验证力的平行四边形定则”的实验情况如图甲所示,其中A为固定橡皮条的图钉,O为橡皮条与细绳的结点,OB和OC为细绳.图乙和图丙是在白纸上根据实验结果画出的力的示意图.
(1)如果没有操作失误,图乙中的F与F′两力中,方向一定沿AO方向的是________.
(2)本实验采用的科学方法是________.
A.理想实验法 B.等效替代法
C.控制变量法 D.建立物理模型法
(3)某次实验结果如图丙,图中α和β分别是F1和F2与AO延长线所成的角度,且α+β<90°.保持F1大小不变,逐渐增大α直到90°,为保证O点位置不变,则在此过程中F2和β的大小应________.
A.F2一直增大,β一直增大
B.F2先增大后减小,β一直增大
C.F2一直增大,β先增大后减小
D.F2先增大后减小,β先减小后增大
某同学利用如图a所示装置做探究弹簧弹力大小和其长度的关系的实验.
(1)他通过实验得到如图b所示的弹力大小F与弹簧长度x的关系图线.由此图线可得该弹簧的原长x0=________cm,劲度系数k=________N/m.
(2)他又利用本实验原理把该弹簧做成一把弹簧秤,当弹簧秤上的示数如图c所示时,该弹簧的长度x=________cm.
橡皮筋也像弹簧一样,在弹性限度内,伸长量x与弹力F成正比,即F=kx,k的值与橡皮筋未受到拉力时的长度L、横截面积S有关,理论与实践都表明k=Y,其中Y是一个由材料决定的常数,材料力学上称之为杨氏模量.
(1)在国际单位制中,杨氏模量Y的单位应该是________.
A.N B.m C.N/m D.Pa
(2)有一段横截面是圆形的橡皮筋,应用如图甲所示的实验装置可以测量出它的杨氏模量Y的值.首先利用刻度尺测得橡皮筋未受到拉力时的长度L=20.00 cm,利用测量工具a测得橡皮筋未受到拉力时的直径D=4.000 mm,那么测量工具a应该是________.
(3)作出橡皮筋受到的拉力F与伸长量x的关系图象如图乙所示,由图象可求得该橡皮筋的劲度系数k=____ N/m.
(4)这种橡皮筋的Y值等于________.(Y的数值保留一位有效数字)
某同学做“验证力的平行四边形定则”实验时,主要步骤是:
A.在桌面上放一块方木板,在方木板上铺一张白纸,用图钉把白纸钉在方木板上;
B.用图钉把橡皮条的一端固定在板上的A点,在橡皮条的另一端拴上两条细绳,细绳的另一端系着绳套;
C.用两个弹簧秤分别钩住绳套,互成角度地拉橡皮条,使橡皮条伸长,结点到达某一位置O,记下O点的位置,读出两弹簧秤的示数;
D.按选好的标度,用铅笔和刻度尺作出两弹簧秤的拉力F1和F2的图示,并用平行四边形定则求出合力F′;
E.只用一弹簧秤,通过细绳套拉橡皮条使其伸长,读出弹簧秤的示数,记下细绳的方向,按同一标度作出这个力F的图示;
F.比较力F′和F的大小和方向,看它们是否相同,得出结论.
上述步骤中:
(1)有重要遗漏的步骤的序号是________和________;
(2)遗漏的内容分别是________________和_________________.
(1)如图甲为“探究求合力的方法”的实验装置.小张同学在实验中用a、b两弹簧测力计拉橡皮条,如图甲所示.他在实验操作中除了所用细绳套太短外,至少还有一处错误,请你帮他找出错误之处为______________________.(写出一条即可)
(2)小张同学修正错误后,重新进行了测量,在测量时,左、右两只弹簧测力计的读数如图乙所示,则左弹簧测力计的读数是________N,右弹簧测力计的读数是________N.若两根细线的夹角为90°,请你帮他在所给的方格纸(如图丙)上按作图法的要求画出这两个力及它们的合力.
(3)小张同学实验后发现用一个弹簧测力计也能完成这个实验,请问他这个想法是否可行?________(填“是”或“否”).
某同学要探究弹力和弹簧伸长的关系,并测弹簧的劲度系数k.做法是先将待测弹簧的一端固定在铁架台上.然后将最小刻度是毫米的刻度尺竖直放在弹簧一侧,并使弹簧另一端的指针恰好落在刻度尺上,当弹簧自然下垂时,指针指示的刻度值记作l0,弹簧下端每增加一个50 g的砝码时,指针示数分别记作l1、l2、…、l5,g取9.8 m/s2.
(1)下表记录的是该同学测出的5个值,其中l0未记录.
以砝码的数目n为纵轴,以弹簧的长度l为横轴,根据表格中的数据,在如图所示坐标纸中作出n-l图线;
(2)根据n-l图线,可知弹簧的劲度系数k=__________N/m;(保留两位有效数字)
(3)根据n-l图线,可知弹簧的原长l0=________ cm.
某探究小组做“验证力的平行四边形定则”实验,将画有坐标轴(横轴为 x 轴,纵轴为y轴,最小刻度表示1 mm)的纸贴在水平桌面上,如图(a)所示.将橡皮筋的一端Q固定在y轴上的B点(位于图示部分之外),另一端P位于y 轴上的 A 点时,橡皮筋处于原长.
(1)用一只测力计将橡皮筋的P 端沿 y 轴从 A 点拉至坐标原点 O,此时拉力 F的大小可由测力计读出.测力计的示数如图(b)所示,F的大小为______N.
(2)撤去(1)中的拉力,橡皮筋 P 端回到 A 点;现使用两个测力计同时拉橡皮筋,再次将P端拉至O点.此时观察到两个拉力分别沿图(a)中两条虚线所示的方向,由测力计的示数读出两个拉力的大小分别为F1=4.2 N和F2=5.6 N.
(ⅰ)用5 mm长度的线段表示1 N的力,以O为作用点,在图(a)中画出力 F1、F2的图示,然后按平行四边形定则画出它们的合力F合;
图(a) 图(b)
(ⅱ)F合的大小为________N,F合与拉力F的夹角的正切值为______.
若F合与拉力F的大小及方向的偏差均在实验所允许的误差范围之内,则该实验验证了力的平行四边形定则.
某同学在做“验证力的平行四边形定则”实验过程中,他先将橡皮条的一端固定在水平木板上,另一端系上带有绳套的两根细绳,实验时,需要两次拉伸橡皮条,一次是通过两细绳用两个弹簧秤互成角度地拉橡皮条,另一次是用一个弹簧秤通过细绳拉橡皮条.
(1)关于两次拉伸橡皮条,下列说法正确的是________.
A.两次拉伸橡皮条,只要保证橡皮条的形变量相同即可
B.两次拉伸橡皮条后,只需要记录弹簧秤的读数
C.拉伸橡皮条的过程,弹簧秤、细绳、橡皮条都应与木板平行
D.用两个弹簧秤互成角度地拉橡皮条时,细绳的夹角越大越好
(2)某次用两个弹簧秤互成角度地拉橡皮条,最后读数时,弹簧秤的示数如图1所示,则甲弹簧秤的示数为________N,乙弹簧秤的示数为________N,将测得的数值在如图2所示的坐标纸上根据所给的标度,作出两个力的图示(两个力的方向已确定),并从理论上得到两个力的合力F=________N.
某同学做“探究弹力和弹簧伸长量的关系”的实验,如图所示.
(1)图甲是不挂码时弹簧下端指针所指的标尺刻度,其示数为7.73 cm,图乙是在弹簧下端悬挂钩码后指针所指的标尺刻度,此时弹簧的伸长量Δl为________cm;
(2)本实验通过在弹簧下端悬挂钩码的方法来改变弹簧的弹力,关于此操作,下列选项中规范的做法是______(填选项前的字母);
A.逐一增挂钩码,记下每增加一只钩码后指针所指的标尺刻度和对应的钩码总重
B.随意增减钩码,记下增减钩码后指针所指的标尺刻度和对应的钩码总重
(3)图丙是该同学描绘的弹簧的伸长量Δl与弹力F的关系图线,图线的AB段明显偏离直线OA,造成这种现象的主要原因是__________________________________________________.
答案解析
答案为:3.775 53.7;
解析:标尺的游标为20分度,精确度为0.05 mm,游标的第15个刻度与主尺刻度对齐,
则读数为37 mm+15×0.05 mm=37.75 mm=3.775 cm.
弹簧形变量x=(3.775-1.950) cm=1.825 cm,砝码平衡时,mg=kx,
所以劲度系数k== N/m≈53.7 N/m.(保留3位有效数字)
答案为:
(1)刻度尺;
(2)弹簧原长、弹簧所受外力与弹簧对应的伸长量(或与弹簧对应的长度);
(3)200,弹簧自身存在重力;
解析:
(1)根据实验原理可知还需要刻度尺来测量弹簧原长和形变量.
(2)根据实验原理,实验中需要测量的物理量有弹簧的原长、弹簧所受外力与对应的伸长量(或与弹簧对应的长度).
(3)取图象中(0.5,0)和(3.5,6)两个点,代入F=kx可得k=200 N/m,由于弹簧自重的原因,使得弹簧不加外力时就有形变量.
答案为:
(1)F F1和F′1;
(2)D
解析:
(1)以结点O为研究对象进行受力分析,所受三个力经平移后可构成一首尾连接的三角形,
由数学知识可知,F′1=Ftan30°=F;比较F1和F′1的大小和方向关系,
即可验证平行四边形定则是否正确.
(2)结点位置不变,两绳套的拉力的合力保持不变,绳套2的拉力方向不变,绳套1从题图图示位置向下缓慢转动90°的过程中,由三角形定则可知,绳套1的拉力先减小后增大,D项正确.
答案为:
(1)F1 0.1 1;
(2)D
解析:
(1)由表格数据可知,F1都是正值,传感器受到的都是拉力,因绳子只能提供拉力,故A对应的是表中力F1.当θ=30°时,对点O受力分析有F1sin30°=mg,解得m=0.1 kg,当AO方向竖直时,拉力最小,则最小值为F=mg=1 N.
(2)本实验中多次对传感器进行调零,是为了消除直杆自身重力对结果的影响,故D正确.
答案为:200 甲 4.0;
解析:注意该图象中纵坐标为伸长量,横坐标为拉力,斜率的倒数为劲度系数,
由此可求出k乙= N/m=200 N/m,由于甲的劲度系数小,因此其精度高.
若要在两根弹簧中选用一根来制作精确程度较高的弹簧秤,应选弹簧甲.
用制作好的弹簧秤来测量物体的重力,物体的重力为4.0 N.
答案为:
(1)如解析图所示;
(2)6,30;
(3)40;
(4)弹簧被压缩1 cm时的弹力为0.3 N;
解析:
(1)描图作图,如图所示.
(2)作出的FL图线与横轴的交点表示弹簧所受弹力F=0时弹簧的长度,即弹簧的自然长度,由图知为6 cm;图线的斜率即为弹簧的劲度系数k==30 N/m.
(3)由图象可以得出图线的数学表达式为F=30L-1.8(N),所以当弹簧弹力为10.2 N时弹簧长度最大,即Lm=0.4 m=40 cm.
(4)图线延长后与纵轴的交点表示弹簧长度为5 cm时的弹力,此时弹簧被压缩了1 cm,即表示弹簧被压缩1 cm时的弹力为0.3 N.
答案为:
(1)F′;
(2)B;
(3)C;
解析:
(1)F是通过作图的方法得到合力的理论值,而F′是通过一弹簧秤沿AO方向拉橡皮条,使橡皮条伸长到O点,使得一弹簧秤的拉力与两弹簧秤的拉力效果相同,测量出的是合力,故方向一定沿AO方向的是F′.
(2)本实验采用的是等效替代法,B正确.
(3)由题意可知:保持结点位置不动,即合力大小方向不变,F1大小不变,根据力的平行四边形定则画出受力分析如图所示,所以由图可知α逐渐变大,即由图中的1到2再到3位置的过程中,F2一直增大,而β先增大后减小,C正确.
答案为:
(1)4 25;
(2)16;
解析:
(1)如果以弹簧长度x为横坐标,弹力大小F为纵坐标,作出F-x图象,那么图象与横轴的截距表示弹簧的原长,图线的斜率表示弹簧的劲度系数,所以根据图象可知,该弹簧的原长x0=4 cm,劲度系数k==25 N/m;
(2)弹簧秤的读数表示弹力的大小,即F=3.0 N,所以该弹簧的长度x=x0+=16 cm.
答案为:
(1)D;
(2)螺旋测微器;
(3)312.5;
(4)5×106 Pa;
解析:
(1)根据表达式k=Y,得Y=,已知k的单位是N/m,L的单位是m,S的单位是m2,
所以Y的单位是N/m2,也就是Pa,D正确.
(2)测得橡皮筋的长度L用毫米刻度尺,由读数精确到0.001 mm可知测量橡皮筋未受到拉力时的直径用螺旋测微器.
(3)根据F=kx可知,图象的斜率大小等于劲度系数大小,
由图象求出劲度系数为k= N/m=312.5 N/m.
(4)根据Y=,可得Y==Pa=5×106 Pa.
答案为:
(1)C E;
(2)C中未记下两条细绳的方向 E中未说明把橡皮条的结点拉到了同一位置O
解析:根据验证力的平行四边形定则的操作规程可知,有重要遗漏的步骤序号是C、E;
在C中未记下两条绳的方向,而在E中未说明是否把橡皮条的结点拉到了同一位置O.
答案为:
(1)a弹簧测力计所用拉力太大,或b弹簧测力计拉力方向与细绳方向不一致;
(2)2.74(2.75±0.02) 3.28(3.25±0.02) 如图解析所示;
(3)是
解析:
(1)在该实验中,要正确测量弹力的大小和方向,同时作的平行四边形要大小适中,不能太小,以免增大误差,该同学在实验中的操作错误或不妥之处有:b弹簧测力计拉力方向与细绳方向不一致;a弹簧测力计的拉力太大,用一只弹簧测力计再次实验时可能会超量程.
(2)左弹簧测力计的读数是2.74 N,右弹簧测力计的读数是3.28 N.合力的图示如图所示.
(3)用一个弹簧测力计也能完成这个实验是可行的,两个分力先后两次测,用弹簧测力计拉其中一个细绳套时,用手拉另一个细绳套,保持结点位置不动,交换测量.
答案为:
(1)如图所示;
(2)28;
(3)1.70(1.65~1.75均可)
解析:
(1)根据表中数据采用描点法得出对应的图象如上图所示;
(2)充分利用测量数据,弹簧弹力与伸长量Δx之间的关系图象的斜率代表弹簧的劲度系数:
k==28 N/m;
(3)图象与横轴的交点的横坐标为弹簧的原长,故由图可知,原长约为1.70 cm.
答案为:
(1)4.0;
(2)图见解析 4.0 0.05;
解析:
(1)由题图可知,F的大小为4.0 N;
(2)(ⅰ)根据题意画出F1、F2的图示,如图所示,F1用长为21 mm的线段表示,F2用长为28 mm的线段表示;
(ⅱ)根据图示,测得合力F合的长度为20 mm,则F合的大小为4.0 N,利用作图法可得,F合与F夹角的正切值为0.05.
答案为:
(1)C;
(2)2.5 4.0 如图所示 5.0(4.9~5.1均可)
解析:
(1)两次拉伸橡皮条,不仅要保证橡皮条的形变量相同,还要保证将橡皮条与绳的结点拉到同一点,A错误;两次拉伸橡皮条后,不仅需要记录弹簧秤的读数,还要记录拉绳的方向,B错误;拉伸橡皮条的过程,要减小测拉力的误差,弹簧秤、细绳、橡皮条都应与木板平行,C正确;用两个弹簧秤互成角度地拉橡皮条时,细绳的夹角不能太大,也不能太小,D错误.
(2)由于弹簧秤的最小分度值为0.2 N,因此两个弹簧秤的读数分别为2.5 N和4.0 N,作出力的平行四边形,得到合力的理论值F=5.0 N.
答案为:
(1)6.93;
(2)A;
(3)钩码重力超过弹簧的弹性限度;
解析:
由题图乙知,读数为14.66 cm,所以弹簧伸长14.66-7.73=6.93 (cm);若随意增减砝码,
会作图不方便,有可能会超出弹簧形变范围,所以应逐一增挂钩码;
由题图知AB段伸长量与弹力不成线性关系,是因为钩码重力超过弹簧的弹性限度.
2024高考物理一轮复习考点攻破训练——实验:探究弹力和弹簧伸长量的关系练习含解析教科版: 这是一份2024高考物理一轮复习考点攻破训练——实验:探究弹力和弹簧伸长量的关系练习含解析教科版,共4页。试卷主要包含了实验原理,数据处理等内容,欢迎下载使用。
高考物理一轮复习考点回扣练专题(08)实验二 探究弹力和弹簧伸长量的关系(含解析): 这是一份高考物理一轮复习考点回扣练专题(08)实验二 探究弹力和弹簧伸长量的关系(含解析),共7页。试卷主要包含了探究弹力和弹簧伸长量的关系,eq等内容,欢迎下载使用。
高中物理高考 专题(08)实验二 探究弹力和弹簧伸长量的关系(解析版): 这是一份高中物理高考 专题(08)实验二 探究弹力和弹簧伸长量的关系(解析版),共7页。试卷主要包含了探究弹力和弹簧伸长量的关系,eq等内容,欢迎下载使用。