还剩4页未读,
继续阅读
所属成套资源:人教版物理九年级全册同步测试
成套系列资料,整套一键下载
人教版物理九年级第1节 电流与电压和电阻的关系 同步测试
展开
这是一份人教版物理九年级第1节 电流与电压和电阻的关系 同步测试,共7页。
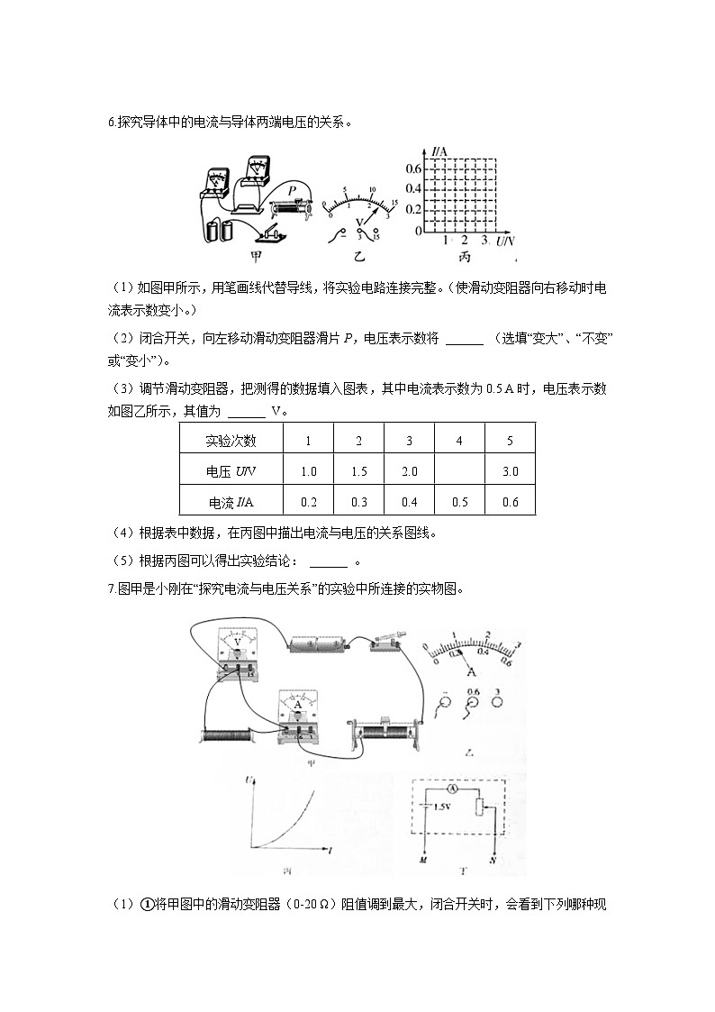
第1节 电流与电压和电阻的关系一、选择题1.李明同学在“探究通过导体的电流与其两端电压的关系”时,将记录的实验数据通过整理作出了如图所示的图象,下列说法中错误的是( )二、填空题2.某同学在研究“通过导体的电流与导体两端的电压、导体电阻的关系”时,记录的一组实验数据如下表所示。请你对表格中的数据进行分析,归纳出通过导体的电流与导体两端电压的关系: ________________________________________。三、实验探究题3.小金自学了电学,知道了欧姆定律,他想用实验来验证欧姆定律所表述的“通过导体的电流与这段导体两端的电压成正比”的结论,于是找了实验器材:电压表、电流表、电源、滑动变阻器、开关各一个,若干定值电阻、导线,请你利用这些器材帮他设计一个验证此结论的实验方案。 (1)画出实验的电路图; (2)写出实验的步骤以及需要测量的物理量。4.如图为“研究电流与电阻关系”的实验电路图。 (1)在连接电路时,滑动变阻器应 ______ ; (2)为了达到研究的目的,实验过程中必须保持 ______ 不变; (3)当开关S闭合后,电压表的读数是2.5 V,电流表的读数是0.5 A,现在将阻值为5 Ω的电阻R1换成阻值为10 Ω的电阻接入电路来进行研究,则下一步应进行的操作是 ______ 。5.小徐同学利用导体甲和导体乙各一个、电流表一只、电流表一只、滑动变阻器一个、电键一个、电源和若干导线,探究通过导体中的电流与导体两端电压的关系。(1)小徐同学连接的电路如图所示,图中尚有一根导线未连接,请用笔线代替导线在图中正确连接。 (2)在实验中,该同学用两个不同导体进行多次测量,并记录有关数据,请你帮该同学完成表中两个栏目的设计(填写栏目)。 6.探究导体中的电流与导体两端电压的关系。(1)如图甲所示,用笔画线代替导线,将实验电路连接完整。(使滑动变阻器向右移动时电流表示数变小。) (2)闭合开关,向左移动滑动变阻器滑片P,电压表示数将 ______ (选填“变大”、“不变”或“变小”)。 (3)调节滑动变阻器,把测得的数据填入图表,其中电流表示数为0.5 A时,电压表示数如图乙所示,其值为 ______ V。 (4)根据表中数据,在丙图中描出电流与电压的关系图线。 (5)根据丙图可以得出实验结论: ______ 。7.图甲是小刚在“探究电流与电压关系”的实验中所连接的实物图。(1)①将甲图中的滑动变阻器(0-20 Ω)阻值调到最大,闭合开关时,会看到下列哪种现象 ______ 。 A. 电压表指针几乎不偏转,电流表指针也几乎不偏转 B. 电压表指针偏转较大,电流表指针几乎不偏转 C. 电压表指针偏转较大,电流表指针也偏转较大 ②图甲中有一根导线接错了,请在错误处画“×”,并在图上改正。 (2)用改正后的电路测小灯泡的电阻,将定值电阻换成一只标有“2.5 V”的小灯泡,闭合开关后,调节滑动变阻器,某时刻电流如图乙所示,由图可得小灯泡的电流为 ______ A,从丙图中小灯泡的U-I图象可知,小灯泡的电阻随电压增大而 ______ 。 (3)小刚同学还设计了如图丁所示的电路,其中电源电压恒为1.5 V,将M、N用导线连接,调节滑动变阻器,使电流表指针指在0.6 A处,则此时滑动变阻器接入电路的电阻是 ______ Ω。保持滑动变阻器滑片位置不变,若在M、N之间加入电阻Rx,电流表示数如图乙所示,则电阻Rx阻值是 ______ 。8.小尧为探究“电流与电阻的关系”,设计了如图甲所示的电路,用到的器材有:电源(电压3 V不变),标有”20 Ω 1 A“字样的滑动变阻器、电流表、电压表、三个阻值分别为5 Ω、10 Ω、15 Ω的定值电阻、开关及导线若干。(1)电路连接完毕,闭合开关前,滑动变阻器的滑片应置于 ______ 端(选填”A“或”B“); (2)闭合开关,发现电流表示数几乎为零,电压表示数不为零,出现这种现象的原因可能是定值电阻R ______ (选填“断路”或“短路”); (3)小尧排除故障后,电路中接入5 Ω电阻时,移动滑动变阻器的滑片使电压表示数为U,此时电流表的示数如图乙所示;接着用10 Ω电阻替换5 Ω电阻接入电路再次实验,此时应将电压表的示数调为 ______ V,再记录此时电流表的示数;然后用15 Ω电阻替换10 Ω电阻继续实验,她发现无论如何调节滑动变阻器的阻值,电压表示数都无法调至U,原因可能是 ______ (答一种情况即可)。参考答案1. 答案:D解析:由乙的图象可知,当U=1 V时,I=0.1 A。故A正确,不符合题意。当甲、乙两导体并联后接到电压为2 V的电源上时,U甲=U乙=2 V,由图知I甲=0.4 A,I乙=0.2 A,I=0.6 A。故B正确,不符合题意。加同样电压时(2 V),I甲=0.4 A,I乙=0.2 A,I甲>I乙。所以R甲<R乙。故C正确,不符合题意; D.电阻的大小与两端的电压无关,所以导体两端的电压为零时电阻的阻值不变,故D不正确,符合题意。 2. 答案:在电阻不变,通过导体的电流与导体两端的电压成正比。解析:由表中数据知,当用10 Ω的电阻做实验时,电压为原来的几倍,通过的电流变为原来的几倍,则在电阻不变,通过导体的电流与导体两端的电压成正比。 三、实验探究题3. 答案:(1)(2) eq \o\ac(○,1)按电路图连接实物电路; eq \o\ac(○,2)读取电流表和电压表的示数; eq \o\ac(○,3)移动滑动变阻器的滑片,改变电阻两端的电压,读取这时的电流值和电流值; eq \o\ac(○,4)重复 eq \o\ac(○,3)的步骤数次。4. 答案:(1)调至阻值最大处;(2)电阻两端的电压;(3)闭合开关,移动滑片P使电压表示数为2.5 V。5. 答案:(1)见解析;(2)导体两端的电压U/V;导体中的电流I/A。解析:(1)将电流表与滑动变阻器串联在电路中,应再将电流表的负接线柱与滑动变阻器下面一个接线柱相连,如图所示:(2)要探究电流与电阻的关系,在电阻不变的情况下,应多次改变电阻两端的电压,并记下电流表的示数,分析电流和电压的变化关系得出结论,所以栏目中应填写导体两端的电压U/V,导体中的电流I/A。 6. 答案:(1)见解析;(2)变大;(3)2.5;(4)见解析;(5)该电阻为定制电阻。解析:(1)将变阻器串联在电路中,要使变阻器接入电路中的阻值最大,应接其左边的接线柱,如图所示: (2)闭合开关,向左移动滑动变阻器滑片P,由电路可知,滑动变阻器接入电路的阻值减小,电路总电阻减小,电源电压不变,由欧姆定律可知电路电流变大。而导体的电阻又是一定的,电阻两端的电压是增大的。(3)由图示电压表可知,其量程为0~3 V,分度值为0.1 V,示数为2.5 V; (4)根据表格中数据描点,并用平滑的曲线连接起来,如图所示: (5)由丙图可知,该图象为一条直线,即该电阻为定制电阻。 7. 答案:(1)①B;②如解析;(2)0.2;增大;(3)2.5;5 Ω。解析:(1)①甲图中,电压表与电流表均串联在电路中,因电压表内阻很大,根据欧姆定律,电路中电流几乎为0,电流表指针几乎不偏转;电压表与电源连通,电压表示数接近电源电压,即接近3 V,电压表指针偏转较大,故选B。②探究电流与电压关系时,电压表应与定值电阻并联,如下所示: (2)图乙中电流表选用小量程,示数为0.02A,示数为0.2A; 由图丙知,通过灯的电流随电压的增大而增大,根据P=UI,灯的功率随电压的增大而增大,灯丝的温度升高,因灯丝的电阻随温度的升高而变大,故灯丝的电阻变大,故小灯泡的电阻随电压增大而增大; (3)电源电压恒为1.5 V,将M、N用导线连接,调节滑动变阻器,使电流表指针指在0.6A处,根据欧姆定律,根据欧姆定律I=UR,则此时滑动变阻器接入电路的电阻: R1=UI1=1.5V0.6A=2.5 Ω。保持滑动变阻器滑片位置不变,若在M、N之间加入电阻Rx,电流表示数如图乙所示,此时电流大小I2=0.2 A, 由电阻的串联规律和欧姆定律,则电阻Rx阻值Rx=UI2-R1=1.5V0.2A-2.5 Ω=7.5 Ω-2.5 Ω=5 Ω8. 答案:(1)B;(2)断路;(3)1;滑动变阻器最大值太小。解析:(1)为了保护电路,由图知甲知闭合开关前,滑动变阻器的滑片应置于最大值B端。(2)闭合开关,发现电流表示数几乎为零,说明电路可能有断路,电压表示数不为零,说明电压表到电源间是通路,所以故障可能是R断路了。(3)电路中接入5 Ω电阻时,定值电阻两端电压:U=IR=0.2 A×5 Ω=1 V。探究通过导体的电流与电阻的关系时,应控制电阻两端的电压不变,所以用10 Ω电阻替换5 Ω电阻接入电路,移动滑片P,应使电压表示数为1 V时再记录此时电流表示数。由于滑动变阻器的最大阻值太小,把滑动变阻器阻值全部接入电路时,滑动变阻器分得的电压还是较小,定值电阻两端的电压值过高,不能使电阻两端电压达到要求的值。 A.当在导体乙的两端加上1 V的电压时,通过乙导体的电流为0.1 A B.将甲、乙两导体并联到电压为2 V的电源上时,干路中的电流为0.6 A C.导体甲的电阻小于导体乙的电阻 D.导体两端的电压为零时,导体的电阻也为零电压U/V1.534.567.59电阻R/Ω101010101010电流I/A0.150.30.450.60.750.9实验次数导体______ ______ 1甲//2//3//4乙//5//6//实验次数12345电压U/V1.01.52.03.0电流I/A0.20.30.40.50.6
第1节 电流与电压和电阻的关系一、选择题1.李明同学在“探究通过导体的电流与其两端电压的关系”时,将记录的实验数据通过整理作出了如图所示的图象,下列说法中错误的是( )二、填空题2.某同学在研究“通过导体的电流与导体两端的电压、导体电阻的关系”时,记录的一组实验数据如下表所示。请你对表格中的数据进行分析,归纳出通过导体的电流与导体两端电压的关系: ________________________________________。三、实验探究题3.小金自学了电学,知道了欧姆定律,他想用实验来验证欧姆定律所表述的“通过导体的电流与这段导体两端的电压成正比”的结论,于是找了实验器材:电压表、电流表、电源、滑动变阻器、开关各一个,若干定值电阻、导线,请你利用这些器材帮他设计一个验证此结论的实验方案。 (1)画出实验的电路图; (2)写出实验的步骤以及需要测量的物理量。4.如图为“研究电流与电阻关系”的实验电路图。 (1)在连接电路时,滑动变阻器应 ______ ; (2)为了达到研究的目的,实验过程中必须保持 ______ 不变; (3)当开关S闭合后,电压表的读数是2.5 V,电流表的读数是0.5 A,现在将阻值为5 Ω的电阻R1换成阻值为10 Ω的电阻接入电路来进行研究,则下一步应进行的操作是 ______ 。5.小徐同学利用导体甲和导体乙各一个、电流表一只、电流表一只、滑动变阻器一个、电键一个、电源和若干导线,探究通过导体中的电流与导体两端电压的关系。(1)小徐同学连接的电路如图所示,图中尚有一根导线未连接,请用笔线代替导线在图中正确连接。 (2)在实验中,该同学用两个不同导体进行多次测量,并记录有关数据,请你帮该同学完成表中两个栏目的设计(填写栏目)。 6.探究导体中的电流与导体两端电压的关系。(1)如图甲所示,用笔画线代替导线,将实验电路连接完整。(使滑动变阻器向右移动时电流表示数变小。) (2)闭合开关,向左移动滑动变阻器滑片P,电压表示数将 ______ (选填“变大”、“不变”或“变小”)。 (3)调节滑动变阻器,把测得的数据填入图表,其中电流表示数为0.5 A时,电压表示数如图乙所示,其值为 ______ V。 (4)根据表中数据,在丙图中描出电流与电压的关系图线。 (5)根据丙图可以得出实验结论: ______ 。7.图甲是小刚在“探究电流与电压关系”的实验中所连接的实物图。(1)①将甲图中的滑动变阻器(0-20 Ω)阻值调到最大,闭合开关时,会看到下列哪种现象 ______ 。 A. 电压表指针几乎不偏转,电流表指针也几乎不偏转 B. 电压表指针偏转较大,电流表指针几乎不偏转 C. 电压表指针偏转较大,电流表指针也偏转较大 ②图甲中有一根导线接错了,请在错误处画“×”,并在图上改正。 (2)用改正后的电路测小灯泡的电阻,将定值电阻换成一只标有“2.5 V”的小灯泡,闭合开关后,调节滑动变阻器,某时刻电流如图乙所示,由图可得小灯泡的电流为 ______ A,从丙图中小灯泡的U-I图象可知,小灯泡的电阻随电压增大而 ______ 。 (3)小刚同学还设计了如图丁所示的电路,其中电源电压恒为1.5 V,将M、N用导线连接,调节滑动变阻器,使电流表指针指在0.6 A处,则此时滑动变阻器接入电路的电阻是 ______ Ω。保持滑动变阻器滑片位置不变,若在M、N之间加入电阻Rx,电流表示数如图乙所示,则电阻Rx阻值是 ______ 。8.小尧为探究“电流与电阻的关系”,设计了如图甲所示的电路,用到的器材有:电源(电压3 V不变),标有”20 Ω 1 A“字样的滑动变阻器、电流表、电压表、三个阻值分别为5 Ω、10 Ω、15 Ω的定值电阻、开关及导线若干。(1)电路连接完毕,闭合开关前,滑动变阻器的滑片应置于 ______ 端(选填”A“或”B“); (2)闭合开关,发现电流表示数几乎为零,电压表示数不为零,出现这种现象的原因可能是定值电阻R ______ (选填“断路”或“短路”); (3)小尧排除故障后,电路中接入5 Ω电阻时,移动滑动变阻器的滑片使电压表示数为U,此时电流表的示数如图乙所示;接着用10 Ω电阻替换5 Ω电阻接入电路再次实验,此时应将电压表的示数调为 ______ V,再记录此时电流表的示数;然后用15 Ω电阻替换10 Ω电阻继续实验,她发现无论如何调节滑动变阻器的阻值,电压表示数都无法调至U,原因可能是 ______ (答一种情况即可)。参考答案1. 答案:D解析:由乙的图象可知,当U=1 V时,I=0.1 A。故A正确,不符合题意。当甲、乙两导体并联后接到电压为2 V的电源上时,U甲=U乙=2 V,由图知I甲=0.4 A,I乙=0.2 A,I=0.6 A。故B正确,不符合题意。加同样电压时(2 V),I甲=0.4 A,I乙=0.2 A,I甲>I乙。所以R甲<R乙。故C正确,不符合题意; D.电阻的大小与两端的电压无关,所以导体两端的电压为零时电阻的阻值不变,故D不正确,符合题意。 2. 答案:在电阻不变,通过导体的电流与导体两端的电压成正比。解析:由表中数据知,当用10 Ω的电阻做实验时,电压为原来的几倍,通过的电流变为原来的几倍,则在电阻不变,通过导体的电流与导体两端的电压成正比。 三、实验探究题3. 答案:(1)(2) eq \o\ac(○,1)按电路图连接实物电路; eq \o\ac(○,2)读取电流表和电压表的示数; eq \o\ac(○,3)移动滑动变阻器的滑片,改变电阻两端的电压,读取这时的电流值和电流值; eq \o\ac(○,4)重复 eq \o\ac(○,3)的步骤数次。4. 答案:(1)调至阻值最大处;(2)电阻两端的电压;(3)闭合开关,移动滑片P使电压表示数为2.5 V。5. 答案:(1)见解析;(2)导体两端的电压U/V;导体中的电流I/A。解析:(1)将电流表与滑动变阻器串联在电路中,应再将电流表的负接线柱与滑动变阻器下面一个接线柱相连,如图所示:(2)要探究电流与电阻的关系,在电阻不变的情况下,应多次改变电阻两端的电压,并记下电流表的示数,分析电流和电压的变化关系得出结论,所以栏目中应填写导体两端的电压U/V,导体中的电流I/A。 6. 答案:(1)见解析;(2)变大;(3)2.5;(4)见解析;(5)该电阻为定制电阻。解析:(1)将变阻器串联在电路中,要使变阻器接入电路中的阻值最大,应接其左边的接线柱,如图所示: (2)闭合开关,向左移动滑动变阻器滑片P,由电路可知,滑动变阻器接入电路的阻值减小,电路总电阻减小,电源电压不变,由欧姆定律可知电路电流变大。而导体的电阻又是一定的,电阻两端的电压是增大的。(3)由图示电压表可知,其量程为0~3 V,分度值为0.1 V,示数为2.5 V; (4)根据表格中数据描点,并用平滑的曲线连接起来,如图所示: (5)由丙图可知,该图象为一条直线,即该电阻为定制电阻。 7. 答案:(1)①B;②如解析;(2)0.2;增大;(3)2.5;5 Ω。解析:(1)①甲图中,电压表与电流表均串联在电路中,因电压表内阻很大,根据欧姆定律,电路中电流几乎为0,电流表指针几乎不偏转;电压表与电源连通,电压表示数接近电源电压,即接近3 V,电压表指针偏转较大,故选B。②探究电流与电压关系时,电压表应与定值电阻并联,如下所示: (2)图乙中电流表选用小量程,示数为0.02A,示数为0.2A; 由图丙知,通过灯的电流随电压的增大而增大,根据P=UI,灯的功率随电压的增大而增大,灯丝的温度升高,因灯丝的电阻随温度的升高而变大,故灯丝的电阻变大,故小灯泡的电阻随电压增大而增大; (3)电源电压恒为1.5 V,将M、N用导线连接,调节滑动变阻器,使电流表指针指在0.6A处,根据欧姆定律,根据欧姆定律I=UR,则此时滑动变阻器接入电路的电阻: R1=UI1=1.5V0.6A=2.5 Ω。保持滑动变阻器滑片位置不变,若在M、N之间加入电阻Rx,电流表示数如图乙所示,此时电流大小I2=0.2 A, 由电阻的串联规律和欧姆定律,则电阻Rx阻值Rx=UI2-R1=1.5V0.2A-2.5 Ω=7.5 Ω-2.5 Ω=5 Ω8. 答案:(1)B;(2)断路;(3)1;滑动变阻器最大值太小。解析:(1)为了保护电路,由图知甲知闭合开关前,滑动变阻器的滑片应置于最大值B端。(2)闭合开关,发现电流表示数几乎为零,说明电路可能有断路,电压表示数不为零,说明电压表到电源间是通路,所以故障可能是R断路了。(3)电路中接入5 Ω电阻时,定值电阻两端电压:U=IR=0.2 A×5 Ω=1 V。探究通过导体的电流与电阻的关系时,应控制电阻两端的电压不变,所以用10 Ω电阻替换5 Ω电阻接入电路,移动滑片P,应使电压表示数为1 V时再记录此时电流表示数。由于滑动变阻器的最大阻值太小,把滑动变阻器阻值全部接入电路时,滑动变阻器分得的电压还是较小,定值电阻两端的电压值过高,不能使电阻两端电压达到要求的值。 A.当在导体乙的两端加上1 V的电压时,通过乙导体的电流为0.1 A B.将甲、乙两导体并联到电压为2 V的电源上时,干路中的电流为0.6 A C.导体甲的电阻小于导体乙的电阻 D.导体两端的电压为零时,导体的电阻也为零电压U/V1.534.567.59电阻R/Ω101010101010电流I/A0.150.30.450.60.750.9实验次数导体______ ______ 1甲//2//3//4乙//5//6//实验次数12345电压U/V1.01.52.03.0电流I/A0.20.30.40.50.6
相关资料
更多

