所属成套资源:吉林高考化学三年(2021-2023)模拟题汇编
吉林高考化学三年(2021-2023)模拟题汇编-05卤素及其化合物
展开
这是一份吉林高考化学三年(2021-2023)模拟题汇编-05卤素及其化合物,共16页。试卷主要包含了单选题,实验题,工业流程题等内容,欢迎下载使用。
吉林高考化学三年(2021-2023)模拟题汇编-05卤素及其化合物
一、单选题
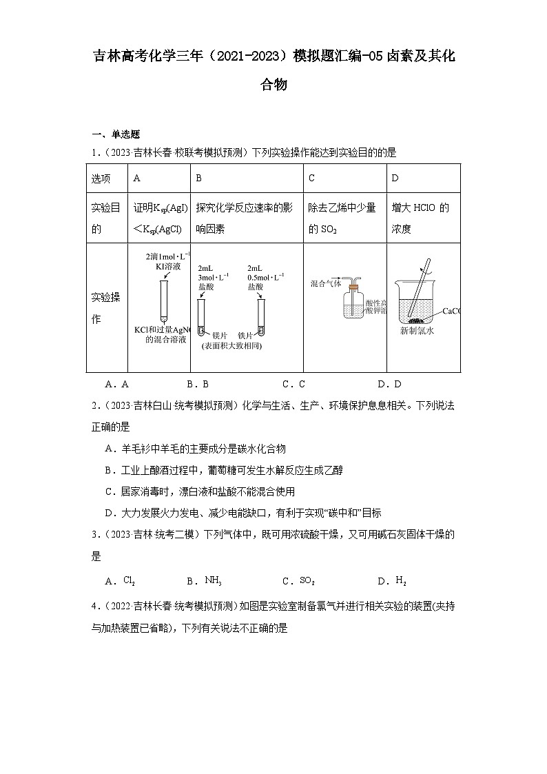
1.(2023·吉林长春·校联考模拟预测)下列实验操作能达到实验目的的是
选项
A
B
C
D
实验目的
证明Ksp(AgI)<Ksp(AgCl)
探究化学反应速率的影响因素
除去乙烯中少量的SO2
增大HClO的浓度
实验操作
A.A B.B C.C D.D
2.(2023·吉林白山·统考模拟预测)化学与生活、生产、环境保护息息相关。下列说法正确的是
A.羊毛衫中羊毛的主要成分是碳水化合物
B.工业上酿酒过程中,葡萄糖可发生水解反应生成乙醇
C.居家消毒时,漂白液和盐酸不能混合使用
D.大力发展火力发电、减少电能缺口,有利于实现“碳中和”目标
3.(2023·吉林·统考二模)下列气体中,既可用浓硫酸干燥,又可用碱石灰固体干燥的是
A. B. C. D.
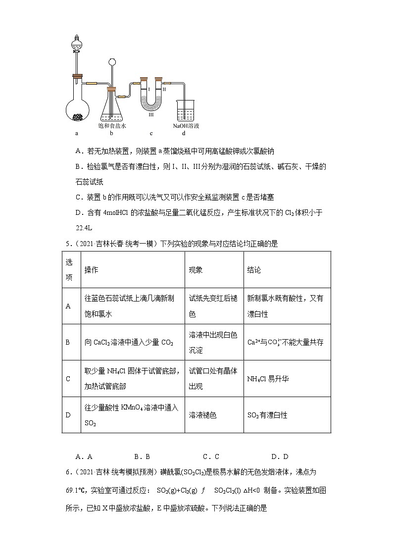
4.(2022·吉林长春·统考模拟预测)如图是实验室制备氯气并进行相关实验的装置(夹持与加热装置已省略),下列有关说法不正确的是
A.若无加热装置,则装置a蒸馏烧瓶中可用高锰酸钾或次氯酸钠
B.检验氯气是否有漂白性,则I、II、III分别为湿润的石蕊试纸、碱石灰、干燥的石蕊试纸
C.装置b的作用既可以洗气又可以作安全瓶监测装置c是否堵塞
D.含有4molHCl的浓盐酸与足量二氧化锰反应,产生标准状况下的Cl2体积小于22.4L
5.(2021·吉林长春·统考一模)下列实验的现象与对应结论均正确的是
选项
操作
现象
结论
A
往蓝色石蕊试纸上滴几滴新制饱和氯水
试纸先变红后褪色
新制氯水既有酸性,又有漂白性
B
向CaCl2溶液中通入少量CO2
溶液中出现白色沉淀
Ca2+与不能大量共存
C
取少量NH4Cl固体于试管底部,加热试管底部
试管口处有晶体出现
NH4Cl易升华
D
往少量酸性KMnO4溶液中通入SO2
溶液褪色
SO2有漂白性
A.A B.B C.C D.D
6.(2021·吉林·统考模拟预测)磺酰氯(SO2Cl2)是极易水解的无色发烟液体,沸点为69.1℃,实验室可通过反应: SO2(g)+Cl2(g) SO2Cl2(l) △HBr2>I2
B
向某无色溶液中滴加浓盐酸
产生能使品红溶液褪色的气体
不能证明原溶液中含有SO32-或HSO3-
C
向蔗糖溶液中加入稀硫酸,水浴加热后, 加入新制氢氧化铜,加热
得到蓝色溶液
蔗糖水解产物没有还原性
D
向2mL 0.01mol/L的AgNO3溶液中滴加几滴同浓度的NaCl溶液后,滴加 KI 溶液
先产生白色沉淀,后出现黄色沉淀
证明 Ksp(AgI)<Ksp(AgCl)
A.A B.B C.C D.D
二、实验题
12.(2023·吉林·统考二模)氮元素在地球上含量丰富,氮及其化合物在工农业生产和生活中有着重要作用。有资料显示过量的氨气和氯气在常温下可合成岩脑砂(主要成分为),某实验小组利用下列装置,制备干燥纯净的氨气和氯气并合成岩脑砂的反应进行探究。回答下列问题:
(1)装置C的名称是 。
(2)装置A中发生反应的化学方程式为 。
(3)装置E中浓硫酸的作用是 。
(4)为了使氨气和氯气在D中充分混合,上述装置的合理连接顺序为:a→ ←b(用小写字母填写仪器接口顺序)
(5)检验生成物中阳离子的操作方法为 。
13.(2021·吉林长春·统考三模)氯可形成多种含氧酸盐,广泛应用于杀菌、消毒及化工领域。某化学兴趣小组在实验室制取氯水和氯酸钾,并进行相关实验。
Ⅰ.用图所示实验装置制取氯水和氯酸钾
(1)图中标注装有浓盐酸的仪器名称为 ,A装置圆底烧瓶中发生反应的化学方程式为 。
(2)在确保KOH溶液完全反应的的条件下,若对调B和C装置的位置,C中氯酸钾的产率会 (填“增大”、“减小”或“不变”),原因是 。
II.测定从装置C试管中分离得到的粗产品中KClO3的质量分数(粗产品中混有的杂质是KClO和KCl);碱性条件下,ClO氧化性较弱,不能氧化H2O2。测定粗产品中KClO3的纯度的实验过程如下:
步骤 1:取3.00g 样品溶于水配成250mL溶液。
步骤 2:取 25.00mL 溶液于锥形瓶中,加KOH溶液调节pH,然后滴加过量H2O2溶液充分振荡以除尽ClO-。然后煮沸溶液1~2 分钟,冷却。
步骤3:将溶液转移到碘量瓶中(如图),加H2SO4将溶液调至弱酸性,加过量的20%的KI溶液,加盖水封,于暗处放置5min。
步骤 4:以淀粉为指示剂,用0.1500mol·L-1Na2S2O3标准溶液滴定碘量瓶中的溶液至终点,平行操作三次,平均消耗Na2S2O3溶液20.00mL。相关反应为:
(3)步骤2中,煮沸溶液1~2分钟的目的是 。
(4)步骤3发生反应的离子方程式为: 。
(5)使用碘量瓶时,加盖水封的目的是 ,Na2S2O3标准溶液应装入 式滴定管中(填“酸”或“碱”)。
(6)粗产品中KClO3的质量分数为 (保留三位有效数字)。
14.(2021·吉林四平·校联考模拟预测)锡为第IVA族具有可变价的金属元素,其单质沸点为2260℃。四氯化锡(SnCl4)是无色液体,熔点-33℃,沸点114℃,极易水解,在潮湿的空气中发烟。实验室中可用氯气与过量金属锡通过下图装置制备SnCl4 (夹持装置已略去)。
(1)仪器C的名称为 ,装置乙中的试剂是 。
(2)装置甲中发生反应的化学方程式为 。
(3)氯气与锡的反应类似与铁的反应,但该实验中对装置丁要持续加热,其原因是 。
(4)你认为该实验装置需要进行的改进是: 。
(5)用下列方法和步骤测定所用金属锡样品的纯度(杂质不参加反应)
①将2.000g锡完全溶于过量稀盐酸中,并用所得溶液去还原过量的FeCl3稀溶液,最后得100.00mL 溶液。写出第二步反应的离子方程式: 。
②取①所得溶液amL用0.100 mol·L-1 的K2Cr2O7溶液滴定,发生如下反应:6FeCl2+ K2Cr2O7+ 14HCl=6FeCl3+2KCl+2CrCl3+7H2O。
K2Cr2O7溶液应注入到 式(填"酸或碱”) 滴定管中。到达滴定终点时用去bmL。则样品中锡的质量分数为 %(用含a、b 的最简代数式表示)。
三、工业流程题
15.(2022·吉林·统考模拟预测)以电石渣[主要成分为Ca(OH)2和CaCO3]为原料制备KClO3的流程如下:
(1)制备之前,通常将电石渣进行粉碎,原因为 。
(2)“氯化”过程控制电石渣过量,在75℃左右进行。氯化时存在Cl2与Ca(OH)2作用生成Ca(ClO)2的反应,Ca(ClO)2进一步转化为Ca(ClO3)2,少量Ca(ClO)2分解为CaCl2和O2。
①生成Ca(ClO)2的化学方程式为 。
②“氯化”时要适当减缓通入Cl2速率的目的是 。
(3)“氯化”过程中Cl2转化为Ca(ClO3)2的总反应方程式为:6Ca(OH)2+6Cl2=Ca(ClO3)2+5CaCl2+6H2O,氯化完成后过滤。
①滤渣的主要成分为 、 (填化学式)。
②滤液中Ca(ClO3)2与CaCl2的物质的量之比n[Ca(ClO3)2]∶n[CaCl2] 1∶5(填“>”、“<”或“=”)。
(4)向滤液中加入稍过量KCl固体可将Ca(ClO3)2转化为KClO3,各物质溶解度随温度变化如图所示,从该溶液中尽可能多地析出KClO3固体的方法是 、 、过滤、洗涤、干燥。
参考答案:
1.D
【详解】A.KCl和过量AgNO3溶液混合生成AgCl沉淀,AgNO3有剩余,再滴加2滴溶液,AgNO3和KI直接反应生成AgI沉淀,不能证明,A错误;
B.左侧试管内盐酸的浓度大、金属片的活动性强,不能判断反应速率快是由金属活动性引起的,还是由H+浓度引起的,B错误;
C.SO2、乙烯都能被酸性高锰酸钾溶液氧化,所以不能用酸性KMnO4溶液除去乙烯中混有的SO2,C错误;
D.氯水中含有盐酸、次氯酸,盐酸可与碳酸钙反应,次氯酸与碳酸钙不反应,即该操作可增大次氯酸的浓度,D正确;
故选D。
2.C
【详解】A.羊毛的主要成分是蛋白质,故A错误;
B.葡萄糖是单糖,无法发生水解反应,它可以在生物体内在各种酶的催化下被还原产生乙醇,故B错误;
C.漂白液和盐酸混合时会产生有毒气体氯气,居家消毒时,漂白液和盐酸不能混合使用,故C正确;
D.大力发展火力发电会增大二氧化碳的排放,不利于实现“碳中和”目标,故D错误;
故选C。
3.D
【分析】浓硫酸是酸性干燥剂,碱石灰是碱性干燥剂,若气体中,既可用浓硫酸干燥,又可用碱石灰干燥,则该气体应该是中性气体。
【详解】A.Cl2可以用浓硫酸干燥,和氢氧化钠反应,不能用碱石灰干燥,A不符合题意;
B.NH3是碱性气体,和浓硫酸发生反应,不能用浓硫酸干燥,B不符合题意;
C.SO2是酸性气体,能和氢氧化钠反应,所以不能用碱石灰干燥,C不符合题意;
D.是中性气体,所以既能用浓硫酸又能用碱石灰干燥,D符合题意;
答案选D。
4.B
【分析】实验室制备氯气,常采用加热MnO2和浓盐酸,制备的氯气中混有HCl和水蒸气,常采用饱和食盐水吸收氯气中的HCl,然后验证氯气的性质,因为氯气有毒,需要吸收尾气,因此实验室常用NaOH溶液吸收氯气,防止污染环境,据此分析;
【详解】A.二氧化锰与浓盐酸反应,需要加热才能进行,因此无加热装置时,不能采用该方法制备氯气,高锰酸钾溶、次氯酸钠具有强氧化性,在不加热下,能与浓盐酸反应产生氯气,故A说法正确;
B.氯气能与碱石灰发生反应,因此干燥氯气时不能用碱石灰,应用无水氯化钙等,故B说法错误;
C.根据上述分析,饱和食盐水能吸收氯气中的HCl,该装置还有长颈漏斗,因此该装置还起到安全瓶的作用,检测后续装置是否发生堵塞,平衡气压的作用,故C说法正确;
D.二氧化锰只与浓盐酸反应,不与稀盐酸反应,含4molHCl的浓盐酸与足量二氧化锰发生反应,随着反应进行盐酸浓度降低,盐酸浓度达到某一浓度时反应停止,因此产生标准状况下的氯气的体积小于22.4L,故D说法正确;
答案为B。
5.A
【详解】A.新制氯水中含有盐酸和次氯酸,所以氯水既有酸性,又有漂白性,故A正确;
B.盐酸的酸性大于碳酸,CO2和CaCl2溶液不反应,向CaCl2溶液中通入少量CO2没现象,故B错误;
C.取少量NH4Cl固体于试管底部,加热试管底部,试管口处有晶体出现,是因为氯化铵受热分解为氨气和氯化氢,氨气和氯化氢在试管口又反应生成氯化铵,属于化学变化,不是升华,故C错误;
D.往少量酸性KMnO4溶液中通入SO2,溶液褪色,体现SO2的还原性,故D错误;
选A。
6.C
【分析】磺酰氯(SO2Cl2)的制备:SO2+Cl2SO2Cl2,氯气和SO2在活性炭作催化剂的作用下合成SO2Cl2,因SO2Cl2是一种无色液体,极易水解生成硫酸和盐酸,遇潮湿空气会产生白雾,因此要保证参加反应的氯气和SO2是干燥的,同时要防止空气中的水汽进入丙中,为了减小生成物的损失需要使用冷凝管冷凝回流,同时要利用碱石灰吸收SO2和氯气的尾气防污染,反应后的液体混合物可利用蒸馏进行分离,甲装置用于制备氯气,乙装置:干燥装置氯气,防止SO2Cl2的水解,丙装置:制备磺酰氯,碱石灰可防止外界空气中的水蒸气进入,并吸收未反应的氯气和二氧化硫,丁装置:干燥二氧化硫,戊装置:硫酸和亚硫酸钠固体制备二氧化硫,以此解答该题。
【详解】A.装置甲制备氯气,反应不加热,其中圆底烧瓶中的固体药品Y可能为KMnO4、KClO3,不能是MnO2,因为二氧化锰氧化浓盐酸需要加热,故A错误;
B.氯化氢对物质的制备无影响,应用浓硫酸,用于除去水,装置乙中盛放浓硫酸,故B错误。
C.由方程式可知二氧化硫和氯气的化学计量数为1:1,气体流量可通过观察乙和丁中单位时间内的气泡数来调节,故C正确;
D.磺酰氯(SO2Cl2)极易水解,其中S元素化合价是+6价,与水可生成H2SO4和HCl,故D错误;
故选C。
7.D
【详解】A. Na2SO3、Na2SO4都能与BaCl2反应生成白色沉淀,但是Na2SO3能溶于盐酸,Na2SO4不能溶于盐酸,故可先加入BaCl2溶液生成白色沉淀,再加入稀盐酸,通过沉淀是否完全溶解,判断Na2SO3溶液是否部分变质,故A不符合;
B. KSCN溶液遇Fe2+不变红,KSCN溶液遇Fe3+变红,KSCN溶液能判断FeSO4溶液是否部分变质,故B不符合;
C. 碘单质遇淀粉溶液变蓝,故可通过加入淀粉溶液后溶液是否变蓝,判断Kl溶液是否部分变质,故C不符合;
D. NaOH、Na2CO3溶液都呈碱性,广泛pH试纸不能判断NaOH溶液是否部分变质,故D符合;
故选D。
8.D
【详解】A. Na与水反应生成氢氧化钠和氢气,电荷不守恒,正确的离子方程式为:2Na+2H2O=2Na++2OH-+H2↑,故A错误;
B. 氯气与水反应生成盐酸和次氯酸,次氯酸为弱酸,不能拆,正确的离子方程式为:Cl2+H2O⇌H++Cl-+HClO,故B错误;
C. 氢氧化铝不能溶与氨水,向AlCl3溶液中加入足量稀氨水,正确的离子方程式为:Al3++3NH3·H2O=+3,故C错误;
D. Ca(HCO3)2溶液与少量NaOH溶液,假设氢氧化钠为1mol,则1mol氢氧根离子消耗1mol碳酸氢根离子生成1mol碳酸根离子和1mol水,1mol碳酸根离子再结合1mol钙离子生成1mol碳酸钙沉淀,反应生成碳酸钙和碳酸氢钠溶液,离子方程式正确,故D正确;
故选D。
9.B
【分析】石灰石高温分解生成CaO和CO2,CaO与H2O生成Ca(OH)2,Ca(OH)2与Cl2制备漂粉精;CO2和NH3通入饱和食盐水可制备NaHCO3,NaHCO3加热分解制备Na2CO3。
【详解】A.漂粉精是混合物,有效成分是次氯酸钙,A错误;
B.如果先通入CO2,因为CO2溶解度小,产率很低,所以先通入溶解度大的NH3,B正确;
C.因为Ca(OH)2溶解度小,所以工业制漂粉精通常用氯气通入石灰乳中,C错误;
D.Ca(OH)2与Cl2制备漂粉精的反应是氧化还原反应,D错误;
答案选B。
【点睛】利用CO2和NH3通入饱和食盐水制备NaHCO3,要求先向饱和食盐水中通NH3,然后再通CO2。
10.B
【详解】A. 84消毒液中的有效成分次氯酸钠具有强氧化性,可以杀菌消毒,A项不符合题意;
B. 75%酒精可以使蛋白质变性,从而达到杀菌消毒的目的,B项符合题意;
C. 臭氧具有强氧化性,可用来杀菌消毒;C项不符合题意;
D. H2O2具有强氧化性,可用来杀菌消毒;D项不符合题意;
答案选B。
11.B
【详解】A.由于加入的氯水过量,加入KI后,I-会被过量的Cl2氧化生成能使淀粉变蓝的I2,所以无法证明Br2和I2的氧化性强弱关系,A项错误;
B.能够让品红溶液褪色的可能是SO2,也可能是氯气等;如果使品红溶液褪色的是SO2,那么溶液中含有的也可能是,不一定是或;如果使品红溶液褪色的是Cl2,那么溶液中可能含有ClO-或;综上所述,B项正确;
C.蔗糖水解后生成一分子葡萄糖和一分子果糖,葡萄糖是典型的还原性糖;若要验证葡萄糖的还原性,需要先将水解后的溶液调至碱性,再加入新制Cu(OH)2,加热后才会生成砖红色的Cu2O沉淀;选项没有加NaOH将溶液调成碱性,故C项错误;
D.由于先前加入的NaCl只有几滴的量,所以溶液中仍然剩余大量的Ag+,所以后续加入KI溶液后,必然会生成黄色的AgI沉淀,实验设计存在漏洞,并不能证明AgI和AgCl的Ksp的大小关系;D项错误;
答案选B。
12.(1)(球形)干燥管
(2)
(3)干燥氯气
(4)d→c→ef←h←g←j←i
(5)取少量生成物溶于水,加入NaOH浓溶液并微热,产生的气体使红色石蕊试纸变蓝,则阳离子为
【分析】装置A制取氨气,装置C中碱石灰干燥氨气;装置B制取氯气,装置F用来除氯气中的HCl气体,装置E中浓硫酸干燥氯气;最后氨气和氯气反应生成岩脑砂。
【详解】(1)由仪器构造可知,装置C的名称是(球形)干燥管;
(2)实验室利用加热氯化铵和氢氧化钙的混合物制取氯气,则装置A中发生反应的化学方程式;
(3)根据分析,装置E中浓硫酸用来干燥氯气;
(4)氨气密度比氯气小,为了使氨气和氯气在D中充分混合,则e中通入氨气,f中通入氯气,结合以上分析可知,上述装置的合理连接顺序为a→d→c→ef←h←g←j←i←b;
(5)生成物主要为氯化铵,其阳离子为,检验的操作方法为:取少量生成物溶于水,加入NaOH浓溶液并微热,产生的气体使红色石蕊试纸变蓝,则阳离子为。
13. 分液漏斗 MnO2+4HCl(浓)MnCl2+Cl2↑+2H2O 减小 A装置中挥发出来的HCl,消耗了C装置中的KOH,使氯酸钾的产率减小 除去溶液中过量的H2O2,(防止干扰后续实验) ClO+6I-+6H+=Cl-+3I2+3H2O 防止碘挥发损失 碱 20.4%(或0.204)
【分析】装置A中浓盐酸与二氧化锰共热制取氯气,生成的氯气中混有挥发出的HCl,可以用装置B中的水吸收,之后在C处水浴加热条件下,控制温度使氯气和KOH溶液反应得到氯酸钾,装置D吸收未反应的氯气;测定氯酸钾含量时,先利用双氧水除去混有的次氯酸根,然后煮沸除去过量的双氧水,酸化后加入KI溶液,碘离子被氯酸根氧化成碘单质,之后利用Na2S2O3标准液滴定生成的碘单质,从而间接确定氯酸钾的含量。
【详解】(1)根据仪器的结构特点,可知其为分液漏斗;装置A中浓盐酸与二氧化锰共热制取氯气,化学方程式为MnO2+4HCl(浓)MnCl2+Cl2↑+2H2O;
(2)浓盐酸具有挥发性,反应过程中A装置中挥发出来的HCl,会消耗C装置中的KOH,使氯酸钾的产率减小;
(3)滴加的双氧水过量,所以煮沸的主要目的是除去溶液中过量的H2O2,防止干扰后续实验;
(4)步骤3中,酸性环境中ClO将I-氧化为I2,自身被还原为Cl-,根据电子守恒可知ClO和I-的系数比为1:6,再结合元素守恒可得离子方程式为ClO+6I-+6H+=Cl-+3I2+3H2O;
(5)碘易挥发,加盖水封的目的是防止碘挥发损失;Na2S2O3溶液中存在S2O的水解,使溶液显碱性,所以应装入碱式滴定管;
(6)消耗的Na2S2O3的物质的量为0.02L×0.1500mol/L=0.003mol,根据可知,被ClO氧化的I-的物质的量为0.003mol,则ClO的物质的量为0.0005mol,所以样品中KClO3的物质的量为=0.005mol,所以质量分数为=20.4%(或0.204)。
14. 蒸馏烧瓶 饱和食盐水 MnO2 + 4HCl (浓)MnCl2 + Cl2↑+ 2H2O 要将SnCl4蒸馏出 在己装置后加装盛有碱石灰的干燥管 Sn2++2Fe3+=Sn4++2Fe2+ 酸
【分析】工业上常用氯气与金属锡反应制备四氯化锡,丁装置烧瓶中含有Sn,则甲装置的目的是制取氯气,常用MnO2和浓盐酸在加热条件下制取,发生的反应为MnO2+4HCl(浓)MnCl2+Cl2↑+2H2O;浓盐酸具有挥发性,加热促进挥发,水在加热条件下易变成水蒸气,所以生成的氯气中含有HCl、H2O;SnCl4为无色液体,熔点-33℃,沸点114℃,极易水解,在潮湿的空气中发,为防止丁中生成的SnCl4水解和Sn与HCl反应,则乙、丙装置要除去HCl、H2O,用饱和的食盐水除去HCl,用浓硫酸干燥Cl2;己中收集的物质是SnCl4。
【详解】(1)根据装置图,仪器C为蒸馏烧瓶,根据上述分析,装置乙中的试剂是饱和食盐水,目的是除去氯气中的氯化氢,故答案为蒸馏烧瓶;饱和食盐水;
(2)装置甲中固体B为黑色粉末,为二氧化锰,二氧化锰和浓盐酸在加热条件下发生氧化还原反应生成氯化锰、氯气和水,反应方程式为MnO2+4HCl(浓) MnCl2+Cl2↑+2H2O,故答案为MnO2+4HCl(浓)MnCl2+Cl2↑+2H2O;
(3)氯气与锡的反应类似与铁的反应,生成的SnCl4需要及时蒸馏出去,便于提高原料的利用率,因此实验中对装置丁要持续加热,故答案为要将SnCl4蒸馏出;
(4)SnCl4发生水解,为防止水解,要防止外界的水蒸气进入己装置,所以改进措施为在己装置后加装盛有碱石灰的干燥管,同时可以吸收未反应的氯气,防止污染环境,故答案为在己装置后加装盛有碱石灰的干燥管;
(5)①将2.000g锡完全溶于过量稀盐酸中,锡与盐酸发生反应:Sn+2HCl═SnCl2+H2↑,用所得溶液去还原过量的FeCl3稀溶液,发生的反应为:SnCl2+2FeCl3═SnCl4+2FeCl2,反应的离子方程式为Sn2++2Fe3+=Sn4++2Fe2+,故答案为Sn2++2Fe3+=Sn4++2Fe2+;
②K2Cr2O7溶液具有强氧化性,可氧化腐蚀橡胶,则K2Cr2O7溶液应装在酸式滴定管中,滴定时发生反应:6 Fe2++Cr2O72-+14 H+═6 Fe3++2 Cr3++7 H2O,根据方程式可得关系式3Sn~3SnCl2~6FeCl3~6FeCl2~K2Cr2O7,反应中消耗的K2Cr2O7的物质的量为0.100mol/L×b×10-3L,故n(Sn)=3n(K2Cr2O7)× =3×0.100mol/L××10-3L=mol,Sn的质量为:mol×118.7g/mol=g,样品中锡的质量分数为:×100%=%,故答案为酸;%。
15.(1)增大接触面积,加快打浆速率并提高原料利用率
(2) 2Cl2+2Ca(OH)2=Ca(ClO)2+CaCl2+2H2O 使氯气被氢氧化钙充分吸收而反应,可以提高氯气转化率
(3) CaCO3 Ca(OH)2 <
(4) 蒸发浓缩 冷却结晶
【分析】电石渣主要成分为氢氧化钙和碳酸钙,加入水打浆,然后通入氯气,可生成次氯酸钙,次氯酸钙进一步转化为氯酸钙,过滤后在滤液中加入KCl转化生成KClO3,经蒸发浓缩、冷却结晶可得晶体氯酸钾。
【详解】(1)将电石渣进行粉碎,可增大接触面积,加快打浆速率并提高原料利用率
(2)氯气与氢氧化钙反应生成次氯酸钙,化学方程式为2Cl2+2Ca(OH)2=Ca(ClO)2+CaCl2+2H2O。“氯化”时要适当减缓通入Cl2速率的目的是,使氯气被氢氧化钙充分吸收而反应,可以提高氯气转化率
(3)碳酸钙不溶于水,与氯气不反应,氢氧化钙微溶,因此滤渣的主要成分为CaCO3、Ca(OH)2。由于氯气还能与氢氧化钙反应生成次氯酸钙、氯化钙和水,因此滤液中Ca(ClO3)2与CaCl2的物质的量之比n[Ca(ClO3)2]∶n[CaCl2]<1∶5。
(4)根据图象可知氯酸钾的溶解度受温度影响最大,因此从该溶液中尽可能多地析出KClO3固体的方法是蒸发浓缩、冷却结晶。
相关试卷
这是一份新疆高考化学三年(2021-2023)模拟题汇编-04卤素及其化合物,共19页。试卷主要包含了单选题,实验题,原理综合题,工业流程题,填空题等内容,欢迎下载使用。
这是一份河南高考化学三年(2021-2023)模拟题汇编-07卤素及其化合物,共15页。试卷主要包含了单选题,实验题等内容,欢迎下载使用。
这是一份山西高考化学三年(2021-2023)模拟题汇编-04卤素及其化合物,共20页。试卷主要包含了单选题,实验题等内容,欢迎下载使用。

