高考物理一轮总复习实验教案 实验十测定电源的电动势和内阻 (含答案)
展开实验十 测定电源的电动势和内阻
[实验目的]
1.测定电源的电动势和内阻.
2.加深对闭合电路欧姆定律的理解.
[实验原理]
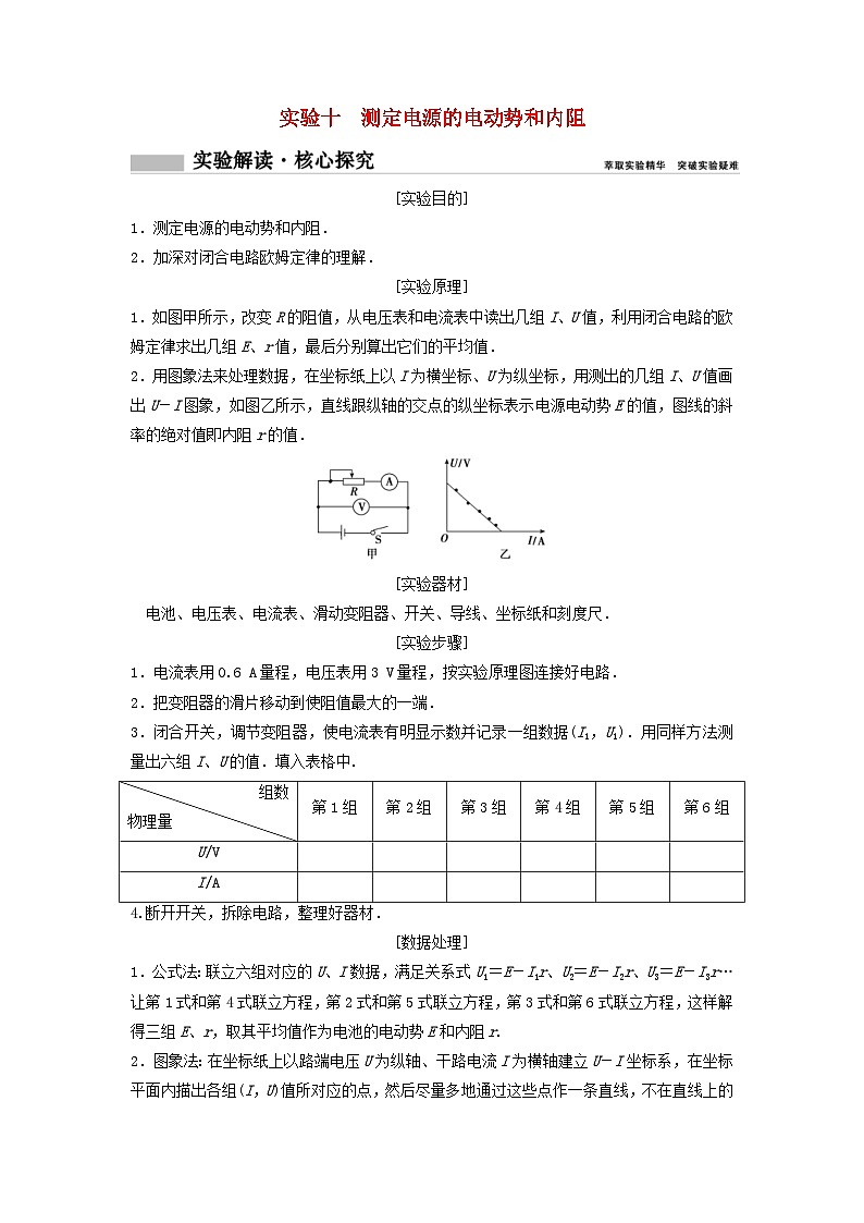
1.如图甲所示,改变R的阻值,从电压表和电流表中读出几组I、U值,利用闭合电路的欧姆定律求出几组E、r值,最后分别算出它们的平均值.
2.用图象法来处理数据,在坐标纸上以I为横坐标、U为纵坐标,用测出的几组I、U值画出U-I图象,如图乙所示,直线跟纵轴的交点的纵坐标表示电源电动势E的值,图线的斜率的绝对值即内阻r的值.
[实验器材]
电池、电压表、电流表、滑动变阻器、开关、导线、坐标纸和刻度尺.
[实验步骤]
1.电流表用0.6 A量程,电压表用3 V量程,按实验原理图连接好电路.
2.把变阻器的滑片移动到使阻值最大的一端.
3.闭合开关,调节变阻器,使电流表有明显示数并记录一组数据(I1,U1).用同样方法测量出六组I、U的值.填入表格中.
组数 物理量 | 第1组 | 第2组 | 第3组 | 第4组 | 第5组 | 第6组 |
U/V |
|
|
|
|
|
|
I/A |
|
|
|
|
|
|
4.断开开关,拆除电路,整理好器材.
[数据处理]
1.公式法:联立六组对应的U、I数据,满足关系式U1=E-I1r、U2=E-I2r、U3=E-I3r…让第1式和第4式联立方程,第2式和第5式联立方程,第3式和第6式联立方程,这样解得三组E、r,取其平均值作为电池的电动势E和内阻r.
2.图象法:在坐标纸上以路端电压U为纵轴、干路电流I为横轴建立U-I坐标系,在坐标平面内描出各组(I,U)值所对应的点,然后尽量多地通过这些点作一条直线,不在直线上的点大致均匀分布在直线两侧,则直线与纵轴交点的纵坐标值即是电池电动势的大小(一次函数的纵轴截距),直线的斜率绝对值即为电池的内阻r,即r=.
[误差分析]
1.偶然误差
(1)由于读数不准和电表线性不良引起误差.
(2)用图象法求E和r时,由于作图不准确造成误差.
(3)测量过程中通电时间过长或电流过大,都会引起E、r变化.
2.系统误差
由于电压表和电流表内阻影响而导致的误差.
(1)如图甲所示,在理论上E=U+(IV+IA)r,其中电压表示数U是准确的电源两端电压.而实验中忽略了通过电压表的电流IV而形成误差,而且电压表示数越大,IV越大.
结论:
①当电压表示数为零时,IV=0,IA=I短,短路电流测量值=真实值;
②E测<E真;
③因为r测=,所以r测<r真.从电路的角度看,电压表应看成内电路的一部分,故实际测出的是电池和电压表这一整体的等效内阻和电动势(r测和E测),如图乙所示,因为电压表和电池并联,所以r测小于电池内阻r真,因为外电阻R断开时,a、b两点间电压Uab等于电动势E测,此时电源与电压表构成回路,所以Uab<E真,即E测<E真.
(2)若采用如图丙所示的电路,IA为电源电流真实值,理论上有E=U+UA+IAr,其中UA不可知,而造成误差,而且电流表示数越大,UA越大,当电流为零时,UA=0,电压为准确值,等于E.
结论:
①E为真实值;
②I短测<I短真;
③因为r测=,所以r测>r真,r测为r真和RA的串联值,由于通常情况下电池的内阻较小,所以这时r测的测量误差非常大.
[注意事项]
1.为了使电池的路端电压变化明显,电池的内阻宜大些(选用已使用过一段时间的干电池).
2.在实验时,电流不能过大,通电时间不能太长,以免对E与r产生较大影响.
3.要测出不少于6组的(I,U)数据,且变化范围要大些,然后用方程组求解,并求平均值.
4.画U-I图线时,由于读数的偶然误差,描出的点不在一条直线上,在作图时应使图线通过尽可能多的点,并使不在直线上的点均匀分布在直线的两侧,个别偏离直线太远的点可舍去.这样就可使偶然误差得到部分抵消,从而提高精确度.
5.由于干电池的内阻较小,路端电压U的变化也较小,这时画U-I图线时,纵轴的刻度可以不从零开始,而是根据测得的数据从某一恰当值开始(横坐标I必须从零开始),但这时图线在横轴的截距不再是短路电流,而在纵轴的截距仍为电源电动势,图线斜率的绝对值仍为电源的内阻.
[实验改进]
以上测量方法一般称为伏安法,还可以用两只电压表测量电源的电动势和内阻,电路如图所示.
当开关S接1时,电压表V1(其内阻为R1)示数为U0,当开关S接2时,电压表V1、V2的示数为U1、U2,由欧姆定律得E=U0+r,E=U1+U2+r,解得E=,r=
该测量方法与原测量方法相比:
优点:无系统误差.
缺点:(1)需提前知道V1的内阻.(2)无法多次测量.
热点一 伏安法测电源电动势和内阻
[典例1] 在测量电源电动势和内电阻的实验中,已知一节干电池的电动势约为1.5 V,内阻约为0.30 Ω;电压表V(量程为3 V,内阻约3 kΩ);电流表A(量程为0.6 A,内阻为0.70 Ω);滑动变阻器R(10 Ω,2 A).为了更准确地测出电源电动势和内阻.
(1)请在图甲方框中画出实验电路图.
(2)在实验中测得多组电压和电流值,得到如图乙所示的U-I图线,由图可得该电源电动势E= V,内阻r= Ω.(结果均保留两位有效数字)
解析:(1)由于电流表内阻已知,应采用电流表外接法,电路图如图所示.
(2)由图可知,图象的纵截距表示电源的电动势,故E=1.5 V,内阻为r= Ω-0.7 Ω=0.3 Ω.
答案:(1)图见解析 (2)1.5 0.3
1.为了测量一节干电池的电动势和内阻,某同学采用了伏安法,现备有下列器材:
A.被测干电池一节
B.电流表A1,量程0~0.6 A,内阻r=0.3 Ω
C.电流表A2,量程0~0.6 A,内阻约为0.1 Ω
D.电压表V1,量程0~3 V,内阻未知
E.电压表V2,量程0~15 V,内阻未知
F.滑动变阻器1,0~10 Ω,2 A
G.滑动变阻器2,0~100 Ω,1 A
H.开关、导线若干
伏安法测电池电动势和内阻的实验中,由于电流表和电压表内阻的影响,测量结果存在系统误差;在现有器材的条件下,要尽可能准确地测量电池的电动势和内阻.
(1)在上述器材中请选择适当的器材: (填写选项前的字母);
(2)实验电路图应选择下图中的 (填“甲”或“乙”);
(3)根据实验中电流表和电压表的示数得到了如图丙所示的U-I图象,则干电池的电动势E= V,内电阻r= Ω.
解析:(1)在上述器材中请选择适当的器材:被测干电池一节;电流表B的内阻是已知的,故选B,电压表选择量程0~3 V的D,滑动变阻器选择阻值较小的F,开关、导线若干,故选ABDFH.
(2)因电流表的内阻已知,故实验电路图应选择图甲.
(3)根据实验中电流表和电压表的示数得到了如图丙所示的U-I图象,则干电池的电动势E=1.5 V,内电阻r= Ω-0.3 Ω=0.7 Ω.
答案:(1)ABDFH (2)甲 (3)1.5 0.7
热点二 实验的拓展与创新(测定电源电动势和内阻的其他方法)
以本实验为背景,通过改变实验条件、实验仪器设置题目,不脱离教材而又不拘泥教材,体现开放性、探究性、设计性等特点.
1.实验方法、方案的拓展
实验 电路 | 安阻法 | 伏阻法 |
实验 原理 | E=I1(R1+r) E=I2(R2+r) E= r= | E=U1+r E=U2+r E= r= |
图象 |
2.粗测法:用一只电压表粗测电动势,直接将电压表接在电源两端,所测值近似认为是电源电动势,此时U=≈E,需满足RV≫r.
[典例2] 甲同学设计了如图甲所示的电路来测量电源电动势E及电阻R1和R2阻值.
实验器材有:待测电源E(不计内阻),待测电阻R1,待测电阻R2,电压表V(量程为1.5 V,内阻很大),电阻箱R(0~99.99 Ω),单刀单掷开关S1,单刀双掷开关S2,导线若干.
(1)先测电阻R1的阻值.请将甲同学的操作补充完整:
A.闭合S1,将S2切换到a,调节电阻箱,读出其示数R0和对应的电压表示数U1.
B.保持电阻箱示数不变, ,读出电压表的示数U2.
C.则电阻R1的表达式为R1= .
(2)甲同学已经测得电阻R1=4.80 Ω,继续测电源电动势E和电阻R2的阻值.该同学的做法是:闭合S1,将S2切换到a,多次调节电阻箱,读出多组电阻箱示数R和对应的电压表示数U,由测得的数据,绘出了如图乙所示的-图线,则电源电动势E= V,电阻R2= Ω(保留三位有效数字).
解析:(1)保持电阻箱示数不变,将S2切换到b,由于R0和R1串联,所以通过R1的电流I=,R1两端的电压为U2-U1,所以R1==R0.
(2)根据闭合电路欧姆定律,E=(4.8+R2+R),所以=·(4.8+R2)+,由此式看出,-图线的截距为=0.7,斜率k=·(4.8+R2)==4.2,由此两式得,E=1.43 V,R2=1.20 Ω.
答案:(1)将S2切换到b R0 (2)1.43 1.20
[典例3] 某研究性学习小组欲较准确地测量一电池组的电动势及其内阻,给定的器材如下:
A.电流表G(满偏电流10 mA,内阻10 Ω)
B.电流表A(0~0.6 A~3 A,内阻未知)
C.滑动变阻器R0(0~100 Ω,1 A)
D.定值电阻R(阻值990 Ω)
E.多用电表
F.开关与导线若干
(1)某同学首先用多用电表的直流10 V挡粗略测量电池组的电动势,电表指针如图甲所示,则该电表读数为 V.
(2)该同学再用提供的其他实验器材,设计了如下图乙所示的电路,请你按照电路图在图丙上完成实物连线.
(3)图丁为该同学根据上述设计的实验电路利用测出的数据绘出的I1-I2图线(I1为电流表G的示数,I2为电流表A的示数),则由图线可以得到被测电池组的电动势E= V,内阻r= Ω.
解析:(1)量程为10 V,则最小分度为0.2,故读数为7.2 V.
(2)先将电流表及滑动变阻器串接在电源两端,再并联另一支路,电路中连线避免交叉.
(3)电流表G和定值电阻R组成了一个量程为10 V的电压表,由U=E-Ir可得,图象与纵轴的交点为电源的电动势,由图可知,电动势E=7.5 V;图象的斜率表示电源的内阻,内阻r= Ω=5.0 Ω.
答案:(1)7.2 (2)图见解析 (3)7.5 5.0
[典例4] 同学们知道,将两个金属电极插入任何一个水果中就可以做成一个水果电池,但日常生活中我们很少用“水果电池”,这是为什么呢?某学习小组的同学准备就此问题进行探究.
(1)同学们通过查阅资料知道将锌、铜两电极插入水果中,电动势大约会有1 V多一点.晓宇同学找来了一个土豆做实验,当用量程为0~3 V、内阻约50 kΩ的电压表测其两极时读数为0.96 V.但当他将四个这样的水果电池串起来给标称值为“3 V,0.5 A”的小灯泡供电时,灯泡并不发光.检查灯泡、线路均没有故障,而用电压表测量其电压确实能达到3 V多.据您猜想,出现这种现象的原因应当是: (不要求写分析、推导过程).
(2)晓宇同学用欧姆表直接测“土豆电池”的两极,读得此时的读数为30 Ω.小丽同学用灵敏电流表直接接“土豆电池”的两极,测得电流为0.32 mA,根据前面用电压表测得的0.96 V电压,由闭合电路欧姆定律得:r==Ω=3.0 kΩ.因而晓宇同学说土豆的内阻为30 Ω,而小丽同学则说是3 kΩ.
请你判断,用晓宇或小丽同学的方法测量“土豆电池”的内阻,结果是否准确,为什么?请分别说明理由 .
(3)若实验室除了导线和开关外,还有以下一些器材可供选择;
A.电流表A1(量程为0~0.6 A,内阻为1 Ω)
B.灵敏电流表A2(量程为0~0.6 mA,内阻为800 Ω)
C.灵敏电流表A3(量程为0~300 μA,内阻未知)
D.滑动变阻器R1(最大阻值约10 Ω)
E.滑动变阻器R2(最大阻值约2 kΩ)
F.定值电阻(阻值2 kΩ)
G.变阻箱(0~9999 Ω)
①为了能尽可能准确测定“土豆电池”的电动势和内阻,实验中应选择的器材是 (填器材前的字母代号).
②在方框中画出设计的电路图.
解析:(1)“苹果电池”的内阻太大,接灯泡时,电流太小,灯泡功率太小,不会发光;
(2)晓宇的方法不正确,因水果电池本身有电动势,当用欧姆表直接接“土豆电池”的两极时,欧姆表内部的电源与水果电池的电动势正向或反向串联,影响测量的结果,故测不准;小丽同学测量的误差也很大,理想状态下用电流表测得的是短路电流,伏特表测得的应当是电源电动势,但由于水果电池的内阻很大,伏特表的内阻不是远大于水果电池的内阻,故其测得的电动势误差大,算得的内阻亦不准确.
(3)①安阻法测电源电动势与内阻需要电阻箱与电流表,由题意可知,水果电池内阻很大,通过水果电池的最大电流较小,为保证安全并精确测量,电流表可选B,所以选择器材B、G.
②安阻法测电源电动势与内阻的实验电路图如图所示.
答案:(1)水果电池内阻太大 (2)见解析 (3)①BG ②图见解析
1.一课外小组同学想要测量一个电源的电动势及内阻.准备的器材有:
电流表A (0~200 mA,内阻是12 Ω)
电阻箱R(最大阻值9.9 Ω)
一个开关和若干导线.
(1)由于电流表A的量程较小,考虑到安全因素,同学们将一个定值电阻和电流表A (填“串联”或“并联”),若要使连接后流过定值电阻的电流是流过电流表A的电流的3倍,则定值电阻的阻值R0= Ω.
(2)虚线框中为同学设计的实验电路的一部分,请将电路图补充完整.
(3)若实验中记录电阻箱的阻值R和电流表A的示数I,并计算出得到多组数据后描点作出R-图线如图所示,则该电源的电动势E= V,内阻r= Ω.
解析:(1)由并联电路规律可知,并联部分电压相等,要使并联后流过定值电阻的电流是流过电流表的电流的3倍;则定值电阻的阻值应是电流表内阻的;故有:R0=r=4 Ω.
(2)电路如图.
(3)由闭合电路欧姆定律可知
I=×,
变形得R=·-3-r
故图象中的斜率等于k==2.0
故E=8.0 V
图象与纵坐标的交点为-6.0=-r-3
解得r=3.0 Ω.
答案:(1)并联 4 (2)图见解析 (3)8.0 3.0
2.实验室有下列器材:
灵敏电流计G(内阻约为50 Ω);电压表V(0~3 V,内阻约为10 kΩ);电阻箱R1(0~9 999 Ω);滑动变阻器R2(0~100 Ω,1.5 A);旧干电池一节;导线开关若干.
(1)某实验小组先测灵敏电流计的内阻,电路如图甲所示,测得电压表示数为2 V,灵敏电流计示数为4 mA,电阻箱旋钮位置如图乙所示,则灵敏电流计内阻为 Ω.
(2)为将灵敏电流计的量程扩大为原来的10倍,该实验小组将电阻箱与灵敏电流计并联,则应将电阻箱R1的阻值调为 Ω.调好后连接成如图丙所示的电路测干电池的电动势和内阻,调节滑动变阻器读出了几组电压表和灵敏电流计的示数如下表,请在图丁所示的坐标系中作出合适的IG-U图线.
IG/mA | 3.0 | 2.5 | 2.0 | 1.5 | 1.0 |
U/V | 0.8 | 0.9 | 1.0 | 1.1 | 1.2 |
(3)由作出的IG-U图线求得干电池的电动势E= V,内阻r= Ω.
解析:(1)由图乙所示电阻箱可知,电阻箱示数为:
R1=0×1 000 Ω+4×100 Ω+5×10 Ω+5×1 Ω=455 Ω,由欧姆定律可得Rg+R1== Ω=500 Ω,电流计内阻为:Rg=(500-455) Ω=45 Ω.
(2)将灵敏电流计的量程扩大为原来的10倍,并联电阻阻值:R===5 Ω.
根据表中实验数据在坐标系内描出对应点,然后根据描出的点作出图象,图象如图所示.
(3)由图示电源U-I图象可知,图象与纵轴交点坐标值为1.4,电源电动势E=1.4 V,电流表内阻RA== Ω=4.5 Ω,且==20 Ω,电源内阻r=k-RA=(20-4.5) Ω=15.5 Ω.
答案:(1)45 (2)5 图见解析 (3)1.4 15.5
3.用DIS测电源电动势和内电阻电路如图(a)所示,R0为定值电阻.
(1)调节电阻箱R,记录电阻箱的阻值R和相应的电流值I,通过变换坐标,经计算机拟合得到如图(b)所示图线,则该图线选取了 为纵坐标,由图线可得该电源电动势为 V.
(2)现有三个标有“2.5 V 0.6 A”相同规格的小灯泡,其I-U特性曲线如图(c)所示,将它们与图(a)中电源按图(d)所示电路相连,A灯恰好正常发光,则电源内阻r= Ω,图(a)中定值电阻R0= Ω.
(3)若将图(a)中定值电阻R0换成图(d)中小灯泡A,调节电阻箱R的阻值,使电阻箱R消耗的电功率是小灯泡A的两倍,则此时电阻箱阻值应调到 Ω.
解析:(1)由闭合电路欧姆定律可知I=;要形成与电阻成一次函数关系,则纵坐标只能取;则有=+;则图象的斜率为k==;则有E=4.5 V;=1,则有R0+r=4.5 Ω.
(2)A灯正常发光的电流为I=0.6 A;则B、C两灯的电流为0.3 A,由图象可知,B、C两灯的电压为0.5 V;路端电压为U=2.5 V+0.5 V=3 V;则内压为U内=(4.5-3) V=1.5 V;则内阻为r= Ω=2.5 Ω;则定值电阻为R0=(4.5-2.5) Ω=2 Ω.
(3)灯泡与电阻箱串联,故灯泡与电阻中流过的电流相等,若电阻箱阻值为灯泡电阻的两倍,则电阻箱两端的电压为灯泡两端电压的两倍,设灯泡两端电压为U,则滑动变阻器两端电压为2U,由闭合电路欧姆定律可知3U+2.5I=4.5,变形得I=1.8-1.2U;在上图中作出对应的I-U图象,则与原图象的交点为符合条件点;由图可知,I=0.48 A,U=1.15 V;则电阻箱阻值为R== Ω=4.80 Ω(4.6~4.9均可).
答案:(1) 4.5 (2)2.5 2 (3)4.80(4.6~4.9均可)
高考物理一轮总复习实验教案 实验一研究匀变速直线运动 (含答案): 这是一份高考物理一轮总复习实验教案 实验一研究匀变速直线运动 (含答案),共13页。
高考物理一轮总复习实验教案 实验五探究动能定理 (含答案): 这是一份高考物理一轮总复习实验教案 实验五探究动能定理 (含答案),共13页。
高考物理一轮总复习实验教案 实验四验证牛顿运动定律 (含答案): 这是一份高考物理一轮总复习实验教案 实验四验证牛顿运动定律 (含答案),共17页。

