2023年安徽省蚌埠市怀远实验中学中考化学一检试卷(含解析)
展开2023年安徽省蚌埠市怀远实验中学中考化学一检试卷
1. 日常生活中常涉及许多变化。下列变化中涉及化学变化的是( )
A. 打造金饰 B. 风力发电
C. 葡萄制酒 D. 雕琢玉石
2. 近日,中共中央办公厅、国务院办公厅印发了《关于推动城乡建设绿色发展的意见》,其目的是建设人与自然和谐共生的美丽城市及绿色生态宜居的美丽乡村。下列做法有利于实现这一目的的是( )
A. 外卖、网购等包装用品分类回收,综合利用
B. 节假日燃放烟花爆竹,增添节日气氛
C. 将农田中的玉米秸秆就地焚烧
D. 增高烟囱排放工厂中产生的废气
3. 2021年11月8日,神舟十三号航天员乘组圆满完成首次出舱活动全部既定任务。我国空间站核心舱的制作材料使用了钛及其合金。钛元素在元素周期表中的相关信息及其原子结构示意图如图所示。下列说法正确的是( )
 
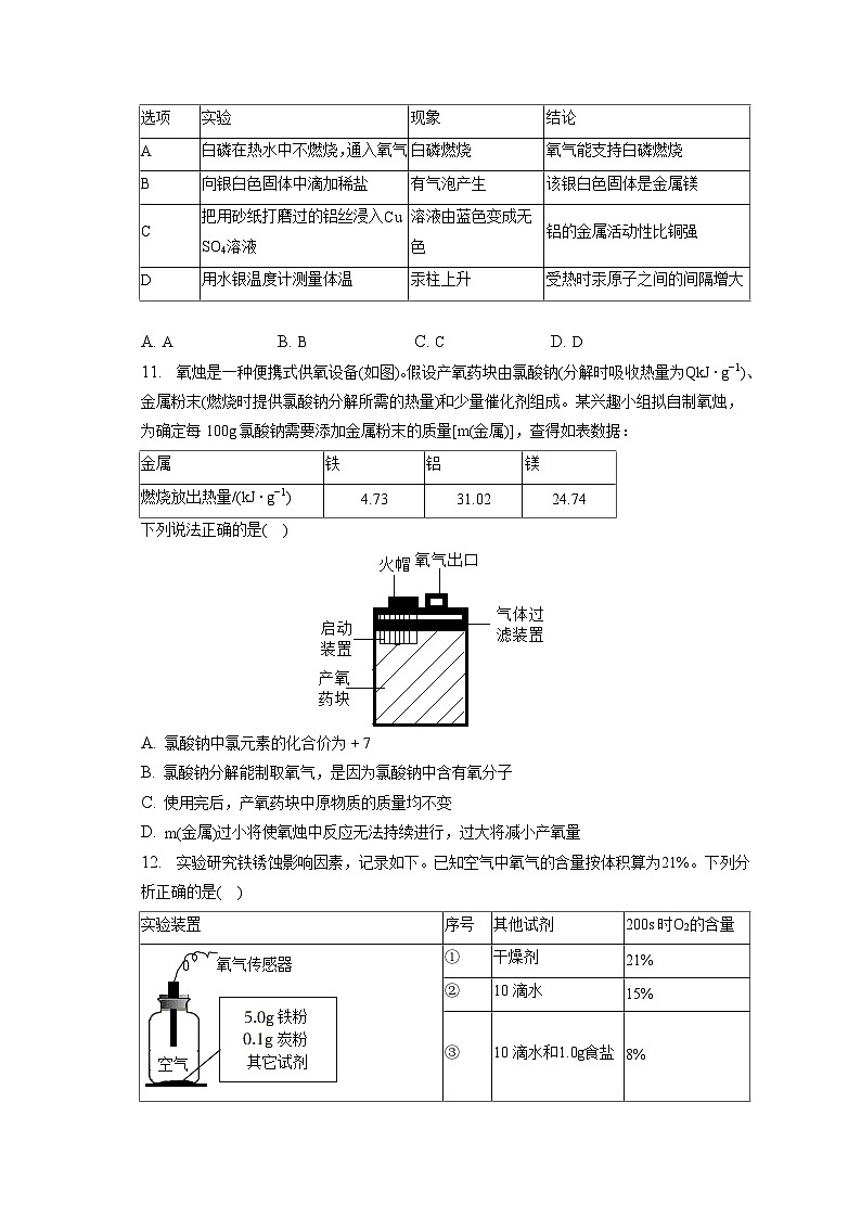
A. 
B. 钛的相对原子质量为
C. 钛的原子序数为22
D. 钛原子在化学反应中容易得到2个电子形成阴离子
4. 从安全的角度考虑,下列做法正确的是( )
A. 夜晚发现家中燃气泄漏,立即开灯检查
B. 使用酒精炉时,直接向燃着的炉内添加酒精
C. 在山林中遇火灾时,尽量向顺风方向奔跑
D. 冬季用煤炉取暖时,要保持良好通风
5. 研究表明:麻黄可有效降低新冠肺炎死亡风险,麻黄的有效成分是麻黄碱,下列说法正确的是( )
A. 麻黄碱中原子总数为27
B. 麻黄碱中含有一个一氧化氮分子
C. 麻黄碱中碳、氧两种元素质量比15:2
D. 麻黄碱在一定条件下充分燃烧只生成二氧化碳和水
6. 下列实验操作不正确的是( )
A. 过滤食盐水 B. 的验满
C. 检查装置气密性 D. 液体的加热
7. 下列关于化学与生活、资源的说法,正确的是( )
A. 电解水或活泼金属与稀硫酸反应,都是耗能少、廉价获取氢能的理想途径
B. 乙醇汽油的使用可适当节省石油资源,并在一定程度上减少汽车尾气的污染
C. “釜底抽薪”是为了降低可燃物的着火点
D. 工业上进行高炉炼铁时,固体原料从高炉下方加入,空气从上方通入
8. 最新研究发现,水能凝结成13种不同类型的结晶体。除普通冰外,还有在时才凝固的低温冰,在时状态依然不变的热冰,比水的密度大的重冰等。下列说法正确的是( )
A. 重冰的化学性质与普通水相同
B. 低温冰中水分子不再运动
C. 热冰的一个分子由4个氢原子和2个氧原子构成
D. 重冰中分子间间隔比普通水的间隔大
9.  模型认知是化学核心素养之一。如图是用来表示物质间发生化学反应的模型示意图,图中分别表示C、O、H原子。下列关于该反应的说法正确的是(    )
 
A. 涉及三种氧化物 B. 催化剂不断减少 C. 分子数目减少 D. 属于置换反应
10. 下列实验中,根据实验现象得到的相应结论,不正确的是( )
选项  | 实验  | 现象  | 结论  | 
A  | 白磷在热水中不燃烧,通入氧气  | 白磷燃烧  | 氧气能支持白磷燃烧  | 
B  | 向银白色固体中滴加稀盐  | 有气泡产生  | 该银白色固体是金属镁  | 
C  | 把用砂纸打磨过的铝丝浸入溶液  | 溶液由蓝色变成无色  | 铝的金属活动性比铜强  | 
D  | 用水银温度计测量体温  | 汞柱上升  | 受热时汞原子之间的间隔增大  | 
A. A B. B C. C D. D
11. 氧烛是一种便携式供氧设备如图。假设产氧药块由氯酸钠分解时吸收热量为、金属粉末燃烧时提供氯酸钠分解所需的热量和少量催化剂组成。某兴趣小组拟自制氧烛,为确定每100g氯酸钠需要添加金属粉末的质量金属,查得如表数据:
金属  | 铁  | 铝  | 镁  | 
燃烧放出热量  | 
下列说法正确的是( )
A. 氯酸钠中氯元素的化合价为
B. 氯酸钠分解能制取氧气,是因为氯酸钠中含有氧分子
C. 使用完后,产氧药块中原物质的质量均不变
D. 金属过小将使氧烛中反应无法持续进行,过大将减小产氧量
12. 实验研究铁锈蚀影响因素,记录如下。已知空气中氧气的含量按体积算为。下列分析正确的是( )
实验装置  | 序号  | 其他试剂  | 200s时的含量  | 
①  | 干燥剂  | ||
②  | 10滴水  | ||
③  | 10滴水和食盐  | 
A. 得出“水”是铁锈蚀条件之一的实验是①③
B. ②③证明食盐能加快铁锈蚀
C. ①②证明炭粉对铁锈蚀有影响
D. 此实验不能推断出铁锈蚀需要水和氧气的参与
13.  阅读科普短文,回答相关问题。
在地壳中,钠元素的含量位居金属元素中的第四位。钠是一种银白色金属,质软,密度为,熔点为。金属钠的性质很活泼,能与许多物质发生化学反应。钠暴露在空气中,与氧气反应生成氧化钠,钠在空气中燃烧,生成淡黄色的过氧化钠;一般保存在煤油中,它的单质和化合物用途广泛
取一大块冰,在其表面挖一个较深的坑如图。用遥控车将钠放入冰坑底部,刹那间,冰火两重天的壮美奇观瞬时产生,产生大量气泡,钠变成了一个大火球,火光四射,有淡蓝色火焰出现。燃烧殆尽,观察到冰块上裂纹纵横交错。
金属钠的物理性质有 ______ 写1条。
钠保存在煤油中,是为了防止钠与空气中的 ______反应而变质。写出钠在空气中燃烧生成淡黄色固体的化学方程式:______。
钠与冰相遇产生的可燃性气体可能是 ______。
14.  实验室利用如图所示装置进行相关实验,请回答下列问题:
仪器a的名称是 ______ 。
用装置A制取,分液漏斗中盛装的药品是 ______ 。若用装置B制取,反应的化学方程式为 ______ ,若要收集较纯净的氧气,应选择的收集装置是 ______ 。填字母
用装置C收集,气体应从导管口 ______ 填“b”或“c”通入。
15.  从废旧手机的某些部件中可以回收银和铜,其操作流程如图所示。
将废旧部件粉碎处理的目的是 ______。
操作a的名称是 ______。
步骤①发生反应的化学方程式为 ______写一个即可,步骤②加入硝酸银的目的是 ______。
金属M是从硝酸铜溶液中得到铜,该金属可以是 ______填化学式,一种即可。
16.  探秘燃烧
【实验I】探究燃烧的条件
用如图1装置夹持仪器略去研究可燃物的燃烧条件。白磷着火点为红磷着火点为,能与水反应
①通入,将W形管右侧部分放入热水中,a、b处白磷均不燃烧;
②通入,a处白磷不燃烧,b处白磷燃烧。
实验过程①中,a、b处白磷均不燃烧是因为可燃物燃烧需要 ______。
下列关于该实验的说法中,正确的有 ______填序号。
A.湿棉花的作用是防止污染空气
B.其他条件和过程都不变,用红磷代替白磷,也能得到可燃物的燃烧条件
C.实验过程②中,a处白磷不燃烧是因为温度没有达到着火点
【实验II】探究“影响燃烧剧烈程度的因素”
实验编号  | 可燃物  | 集气瓶中气体  | 反应现象  | 
甲  | 细铁丝  | 氧气  | 剧烈燃烧,大量放热  | 
乙  | 细铁丝  | 空气  | 不燃烧  | 
丙  | 铁粉  | 空气  | 剧烈燃烧,迸发出大量火星  | 
实验甲的现象还有 ______,比较实验甲与乙,产生不同现象的原因是 ______。
实验丙的产物与甲相同,写出反应的化学方程式:______。
【注意:若答对以下小题奖励3分,化学试卷总分不超过40分】
【实验拓展】化学课堂中,老师演示了“吹气生火”实验,他向包有过氧化钠粉末的脱脂棉上用导管吹气,脱脂棉燃烧了起来。同学们对该实验中脱脂棉燃烧的原因,进行如下探究:
【作出猜想】根据燃烧条件分析:
①脱脂棉是可燃物;
②吹出的气体可能与过氧化钠反应生成了氧气;
③反应放出热量,满足了温度达到脱脂棉的 ______。
【进行实验】在如图2所示装置中,向过氧化钠粉末中不断吹气,观察到过氧化钠粉末由淡黄色逐渐变为白色,在导管口P处放置 ______,木条复燃,说明试管内生成了氧气。同时还观察到 ______,说明反应还放出了热量。
17.  如图为一氧化碳还原氧化铁示意图。请计算:
氧化铁中铁元素的质量分数;
若硬质玻璃管内氧化铁的质量为640g,完全反应后理论上得到铁的质量。
答案和解析
1.【答案】C
【解析】解:A、打造金饰过程中只是形状的改变,没有新物质生成,属于物理变化,故A错误;
B、风力发电过程中没有新物质生成,属于物理变化,故B错误;
C、葡萄制酒,酒精是新物质,属于化学变化,故C正确;
D、雕琢玉石过程中只是形状的改变,没有新物质生成,属于物理变化,故D错误。
故选:C。
化学变化是指有新物质生成的变化,物理变化是指没有新物质生成的变化,化学变化和物理变化的本质区别为是否有新物质生成;据此分析判断.
本题难度不大,解答时要分析变化过程中是否有新物质生成,若没有新物质生成属于物理变化,若有新物质生成属于化学变化.
 
2.【答案】A
【解析】解:A、外卖、网购等包装用品分类回收,综合利用既防止污染,又节约资源,故A正确;
B、燃放烟花爆竹污染环境,故B错;
C、玉米秸秆就地焚烧污染环境,故C错;
D、增高烟囱不能减少废气的排放量,故D错。
故选:A。
A、根据外卖、网购等包装用品分类回收,综合利用既防止污染,又节约资源进行分析;
B、根据燃放烟花爆竹污染环境进行分析;
C、根据玉米秸秆就地焚烧污染环境;
D、根据增高烟囱不能减少废气的排放量。
本题考查对保护环境和可持续发展的认识,主要考查学生的分析和理解能力,结合做法分析总结。
 
3.【答案】C
【解析】解:A、原子中,质子数=核外电子数,,,故选项说法错误。
B、根据元素周期表中的一格可知,汉字下面的数字表示相对原子质量,该元素的相对原子质量为,相对原子质量单位是“1”,不是“克”,故选项说法错误。
C、根据元素周期表中的一格可知,左上角的数字表示原子序数,该元素的原子序数为22,故选项说法正确。
D、最外层电子数是2,在化学反应中易失去2个电子而形成阳离子,故选项说法错误。
故选:C。
A、根据原子中,质子数=核外电子数,进行分析判断。
B、根据元素周期表中的一格可知,汉字下面的数字表示相对原子质量,进行分析判断。
C、根据元素周期表中的一格可知,左上角的数字表示原子序数,进行分析判断。
D、若最外层电子数多于4,在化学反应中易得电子,若最外层电子数少于4,在化学反应中易失去电子。
本题难度不大,灵活运用元素周期表中元素的信息原子序数、元素符号、元素名称、相对原子质量、原子结构示意图的含义是正确解答本题的关键。
 
4.【答案】D
【解析】解:A、夜晚发现家中燃气泄漏,不能立即开灯检查,以防产生的电火花将燃气与空气的混合气体引燃,发生爆炸,故A错误;
B、使用酒精炉时,不能直接向燃着的炉内添加酒精,以防止发生火灾,故B错误;
C、在山林中遇火灾时,尽量向逆风方向奔跑,远离火场,故C错误;
D、煤在氧气不充分的情况下不完全燃烧生成一氧化碳,一氧化碳有毒,能使人煤气中毒,要保持良好的通风和有效的排气通道,故D正确。
故选:D。
A、根据防范爆炸的做法来分析;
B、根据使用酒精炉的注意事项,进行分析判断;
C、根据逃生的方法来分析;
D、根据煤不完全燃烧生成一氧化碳进行解答。
本题难度不大,了解防止爆炸的措施、灭火的原理等是正确解答本题的关键。
 
5.【答案】C
【解析】解:A、麻黄碱是由麻黄碱分子构成的,1个麻黄碱分子中原子总数为27,故选项说法错误。
B、麻黄碱是由麻黄碱分子构成的,不含一氧化氮分子,故选项说法错误。
C、麻黄碱中碳、氧两种元素质量比为::2,故选项说法正确。
D、麻黄碱在一定条件下充分燃烧不是只生成二氧化碳和水,还生成含氮元素的物质,故选项说法错误。
故选:C。
A、根据麻黄碱的微观构成,进行分析判断。
B、根据麻黄碱的微观构成,进行分析判断。
C、根据化合物中各元素质量比=各原子的相对原子质量原子个数之比,进行分判断。
D、根据质量守恒定律,反应前后元素种类不变,进行分析判断。
本题难度不大,考查同学们结合新信息、灵活运用化学式的含义与有关计算等进行分析问题、解决问题的能力。
 
6.【答案】B
【解析】解:A、过滤液体时,要注意“一贴、二低、三靠”的原则,图中所示操作正确。
B、检验二氧化碳是否收集满时,应将燃着的木条放在集气瓶口,不能伸入瓶中,图中所示操作错误。
C、检查装置气密性的方法:把导管的一端浸没在水里,双手紧贴试管外壁,若导管口有气泡冒出,装置不漏气;图中所示操作正确。
D、给试管中的液体加热时,用酒精灯的外焰加热试管里的液体,且液体体积不能超过试管容积的三分之一,图中所示操作正确。
故选:B。
A、过滤液体时,注意“一贴、二低、三靠”的原则。
B、根据二氧化碳气体的验满方法进行分析判断。
C、根据检查装置气密性的方法进行分析判断。
D、根据给试管中的液体加热的方法进行分析判断。
本题难度不大,熟悉各种仪器的用途及使用注意事项、常见化学实验基本操作的注意事项是解答此类试题的关键。
 
7.【答案】B
【解析】解:A、电解水制氢气需要消耗大量的电能,采用活泼金属与稀硫酸反应制取氢气需要消耗大量的活泼金属和酸,并不是理想的制氢途径,故A错误;
B、乙醇可由粮食发酵的方法来获取,可以节约化石能源;乙醇燃烧生成二氧化碳和水,可以减少污染物的排放,故B正确;
C、“釜底抽薪”是为了移走可燃物来灭火,故C错误;
D、工业上进行高炉炼铁时,固体原料从高炉上方加入,空气从下方通入,这样可以使反应物充分接触,加快化学反应的速率,故D错误。
故选:B。
A、根据制备氢气的原理来分析;
B、根据乙醇的制备与性质来分析;
C、根据灭火的方法与原理来分析;
D、根据高炉炼铁的方法来分析。
化学来源于生产生活,也必须服务于生产生活,所以与人类生产生活相关的化学知识也是重要的中考热点之一。
 
8.【答案】A
【解析】解:A、重冰和普通水都是由水分子构成,所以重冰的化学性质与普通水相同,故A正确;
B、低温冰中水分子也在不断运动,故B错误;
C、根据热冰是水的另一种状态,所以热冰的一个分子由2个氢原子和1个氧原子构成,故C错误;
D、重冰水的密度大,所以重冰中分子间间隔比普通水的间隔小,故D错误。
故选:A。
A、根据重冰和普通水都是由水分子构成进行解答;
B、根据分子的性质进行解答;
C、根热冰是水的另一种状态进行解答;
D、根据重冰水的密度大,所以重冰中分子间间隔比普通水的间隔小进行解答。
此题考查物质的性质以及分子的性质,属于基础知识的考查,难度较小。
 
9.【答案】C
【解析】解:由物质间发生化学反应的模型示意图可写出方程式是:。
A、氧化物是由氧元素和另一种元素度组成的化合物,由物质的组成可知,该反应共涉及的氧化物有、两种,故A说法不正确;
B、由催化剂的特点可知,催化剂的质量不变,故B说法不正确;
C、由方程式的意义可知,每4个分子变化成了2个分子,反应前后分子减少,故C说法正确;
D、该反应的生成物是两种化合物,不符合置换反应的特点,故D说法不正确。
故选:C。
根据物质间发生化学反应的模型示意图,分析反应物、生成物及反应条件,写出方程式;根据方程式的意义、物质的组成、微粒的变化等分析有关的说法。
本题通过微观粒子的反应模型图,考查了微观上对化学反应的认识,学会通过微观示意图把宏观物质和微观粒子联系起来、从微观的角度分析物质的变化是正确解答此类题的关键。
 
10.【答案】B
【解析】解:A、白磷在热水中不燃烧,通入氧气,白磷燃烧,说明氧气能支持白磷燃烧,该选项正确。
B、镁、铝都是银白色固体,都能和稀盐酸反应生成盐和氢气,产生气泡,因此银白色固体不一定是镁,该选项不正确。
C、溶液由蓝色变成无色,是因为铝和硫酸铜反应生成硫酸铝和铜,说明铝的金属活动性比铜强,该选项正确。
D、用水银温度计测量体温,汞柱上升,是因为受热时汞原子之间的间隔增大,该选项正确。
故选:B。
A、可燃物燃烧条件:与氧气接触,温度达到着火点。
B、镁、铝都是银白色固体,都能和稀盐酸反应生成盐和氢气。
C、铝和硫酸铜反应生成硫酸铝和铜。
D、用水银温度计测量体温,汞柱上升,是因为受热时汞原子之间的间隔增大。
本题主要考查物质的性质,解答时要根据各种物质的性质,结合各方面条件进行分析、判断,从而得出正确的结论。
 
11.【答案】D
【解析】解:A、硫酸钠的化学式为,钠元素显价,氧元素显价,设氯元素的化合价是x,根据在化合物中正负化合价代数和为零,可得:,则价,故错误;
B、氯酸钠中含有氧元素,才能用于制取氧气,氯酸钠中不含有氧分子,故错误;
C、在化学反应前后,催化剂的质量和化学性质均不发生改变,所以其质量在反应前后不变,但是金属粉末燃烧,质量会改变,故错误;
D、金属质量过小,导致燃烧产生的热量少,使得无法分解产生氧气,金属质量过大,会消耗氧气,故正确;
故选:D。
A、根据在化合物中正负化合价代数和为零分析;
B、氯酸钠中含有氧元素,根据质量守恒进行分析;
C、根据催化剂的特征,进行分析判断;
D、根据表中的数据可知,不用催化剂时,铁的燃烧值最小,所以分别使用铁、铝、镁作燃料,最大进行分析。
本题难度不大,明确的化学性质与相似、镁粉燃烧时提供分解所需的热量,类比氯酸钾的化学性质、金属的化学性质、催化剂的特征等是正确解答本题的关键。
 
12.【答案】B
【解析】解:得出“水”是铁锈蚀条件之一的实验是①②,因为只有①②控制了“水'这个变量,①没有水,②有水,①中没有水,氧气没有被消耗,②有水,氧气含量在降低,所以结合①②就能得到“水是铁锈蚀条件之一,故A错误。
B.②③有唯一的变量食盐,有食盐的氧气消耗更多,所以证明食盐能加快铁锈蚀,故B正确。
C.①②实验中都有炭粉没有对比实验,所以无法证明炭粉对铁锈蚀有影响,故C错误。
D.此实验①②能说明铁锈蚀需要水,②③实验中氧气的含量都在降低,所以说明铁锈蚀需要氧气的参与,故此实验能推断出铁锈蚀需要水和氧气的参与,故D错误。
故选:B。
根据铁在与氧气和水蒸气同时接触时会发生锈蚀来分析。
合理设计实验,科学地进行实验、分析实验,是得出正确实验结论的前提,因此要学会设计实验、进行实验、分析实验,为学好化学知识奠定基础。
 
13.【答案】银白色金属或质软,密度为,熔点为氧气和水
【解析】解:金属钠的物理性质有:银白色金属或质软,密度为,熔点为等;故答案为:银白色金属或质软,密度为,熔点为;
钠保存在煤油中,是为了防止钠与空气中的氧气和水反应而变质;钠在空气中燃烧,生成淡黄色的过氧化钠,配平即可;故答案为:氧气和水;;
钠与冰相遇产生的可燃性气体可能是氢气,故答案为:。
物质在化学变化中表现出来的性质叫化学性质,如可燃性、助燃性、氧化性、还原性、酸碱性、稳定性等;物质不需要发生化学变化就表现出来的性质,叫物理性质;物理性质经常表现为:颜色、状态、气味、密度、硬度、熔点、沸点、导电性、导热性、溶解性、挥发性、吸附性、延展性等。
钠保存在煤油中,是为了防止钠与空气中的氧气和水反应而变质;化学方程式的书写;
钠与冰相遇产生的可燃性气体可能是氢气。
本考点考查了物理性质和化学性质的区分,要记忆有关氮气、碳、氢气和甲烷的化学性质,并能够在比较的基础上进行应用,本考点的基础性比较强,主要出现在选择题和填空题中。
 
14.【答案】集气瓶 过氧化氢溶液
【解析】解:仪器a的名称是集气瓶;
装置A属于固、液常温型,适合用作过氧化氢制取氧气的发生装置;分液漏斗中盛装的是过氧化氢溶液;装置B属于固、固加热型,试管口没有棉花,适合用作氯酸钾制取氧气的发生装置,氯酸钾在二氧化锰的催化作用下加热生成氯化钾和氧气,反应的化学方程式为:;氧气不易溶于水,若要收集较纯净的氧气,应选择的收集装置是D;
氢气的密度比空气小,用装置C收集,气体应从导管口c通入。
故答案为:
集气瓶;
过氧化氢溶液;;D;
。
根据实验室常用仪器的名称和用途进行分析;
根据用过氧化氢制取氧气时,分液漏斗中装的是过氧化氢溶液进行分析;根据装置的特点选择合适的药品制取氧气,并根据反应物、生成物和反应条件书写化学方程式;根据气体的密度和水溶性及特殊要求选择收集装置;
根据氢气的性质进行分析。
本题主要考查了实验室气体的制取,熟练掌握气体的制取原理,了解确定发生装置、收集装置的因素和注意事项等知识是解答本题的关键。
 
15.【答案】增大反应物间的接触面积,使粗产品与稀硫酸充分反应 过滤 或除去固体中的铜单质 Fe或Zn等合理即可。
【解析】解:将废旧部件粉碎处理的目的是,这样做的目的是:增大反应物的接触面积,加快反应速度,使反应更充分;
过滤可以将不溶性固体从溶液中分离出来,所以步骤a的名称是过滤;
镁和硫酸反应生成硫酸镁和氢气,化学方程式为:或铝和稀硫酸反应生成硫酸铝和氢气,反应的化学方程式为:;步骤②加入硝酸银,硝酸银和铜反应生成银和硝酸铜,反应的目的是除去固体中的铜单质;
金属M是从硝酸铜溶液中得到铜,该金属的活动性比铜强,金属可以是Fe或Zn等合理即可;
故答案为:增大反应物间的接触面积,使粗产品与稀硫酸充分反应
过滤;
或;除去固体中的铜单质;
或Zn等合理即可。
根据影响反应速率的因素进行分析;
根据过滤可以将不溶性固体从溶液中分离出来进行分析;
根据镁和硫酸反应生成硫酸镁和氢气,铝和稀硫酸反应生成硫酸铝和氢气,硝酸银和铜反应生成银和硝酸铜分析;
根据前边的金属会把后边的金属从其盐溶液中置换出来分析。
本题难度不大,理解废旧手机的某些部件中可以回收银和铜的反应原理、掌握金属的化学性质、化学方程式的书写方法是正确解答本题的关键。
 
16.【答案】与氧气接触 AC 火星四射,生成黑色固体 氧气浓度不同 着火点 带火星的木条 烧杯内导管口有气泡冒出
【解析】解:实验过程①中,a、b处白磷均不燃烧是因为可燃物燃烧需要与氧气接触。
故答案为:与氧气接触。
湿棉花的作用是防止污染空气,该选项正确。
B.其他条件和过程都不变,用红磷代替白磷,不能得到可燃物的燃烧条件,是因为红磷着火点为,a、b处的红磷都不能燃烧,该选项不正确。
C.实验过程②中,a处白磷不燃烧是因为温度没有达到着火点,该选项正确。
故答案为:AC。
实验甲的现象还有火星四射,生成黑色固体,比较实验甲与乙,产生不同现象的原因是氧气浓度不同。
故答案为:火星四射,生成黑色固体;氧气浓度不同。
实验丙的产物与甲相同,即铁粉燃烧生成四氧化三铁,反应的化学方程式:。
故答案为:。
【作出猜想
①脱脂棉是可燃物;
②吹出的气体可能与过氧化钠反应生成了氧气;
③反应放出热量,满足了温度达到脱脂棉的着火点。
故答案为:着火点。
【进行实验】
在如图2所示装置中,向过氧化钠粉末中不断吹气,观察到过氧化钠粉末由淡黄色逐渐变为白色,在导管口P处放置带火星的木条,木条复燃,说明试管内生成了氧气。同时还观察到烧杯内导管口有气泡冒出,说明反应还放出了热量。
故答案为:带火星的木条;烧杯内导管口有气泡冒出。
燃烧的条件:可燃物,可燃物与氧气接触,温度达到可燃物的着火点,三者必须同时具备,缺一不可。
铁在氧气中燃烧生成四氧化三铁。
灭火的方法有:移走可燃物,隔绝氧气,降低温度到可燃物的着火点以下。
 
17.【答案】解:氧化铁中铁元素的质量分数。
设完全反应后理论上得到铁的质量为x。
160 112
640g x
          
答:氧化铁中铁元素的质量分数为;
完全反应后理论上得到铁的质量为448g。 
【解析】根据化合物中元素的质量分数,进行分析解答。
根据参加反应的氧化铁的质量,由反应的化学方程式列式计算出完全反应后理论上得到铁的质量即可。
本题难度不大,掌握化学式的有关计算、根据化学方程式的计算即可正确解答本题,解题时要注意解题的规范性。
 
2017年安徽省蚌埠市固镇校级中考化学一模试卷(解析版): 这是一份2017年安徽省蚌埠市固镇校级中考化学一模试卷(解析版),共24页。试卷主要包含了选择题,解答题等内容,欢迎下载使用。
2023年安徽省蚌埠市蚌山区中考一模化学试题(含解析): 这是一份2023年安徽省蚌埠市蚌山区中考一模化学试题(含解析),共15页。试卷主要包含了单选题,科普阅读题,实验题,流程题,科学探究题,计算题等内容,欢迎下载使用。
2023年广西柳州市铁一中学初中部中考化学一检试卷(含解析): 这是一份2023年广西柳州市铁一中学初中部中考化学一检试卷(含解析),共26页。

