


2024高考化学一轮复习讲义(步步高版)第5章 第27讲 元素周期表、元素的性质
展开这是一份2024高考化学一轮复习讲义(步步高版)第5章 第27讲 元素周期表、元素的性质,共24页。
考点一 元素周期表的结构与价电子排布
1.元素周期表的编排原则
(1)周期:把电子层数目相同的元素,按原子序数递增的顺序从左到右排成的横行。
(2)族:把不同横行中最外层电子数相同的元素,按电子层数递增的顺序从上而下排成的纵列。
2.元素周期表的结构
(1)周期(7个横行,7个周期)
(2)族(18个纵列,16个族)
3.原子结构与元素周期表的关系
(1)原子结构与周期的关系
原子的最大电子层数=周期序数。
(2)原子结构与族的关系
①主族元素的价电子排布特点
②0族元素的价电子排布:He为1s2;其他为ns2np6。
③过渡元素(镧系、锕系元素除外)的价电子排布:(n-1)d1~10ns1~2。
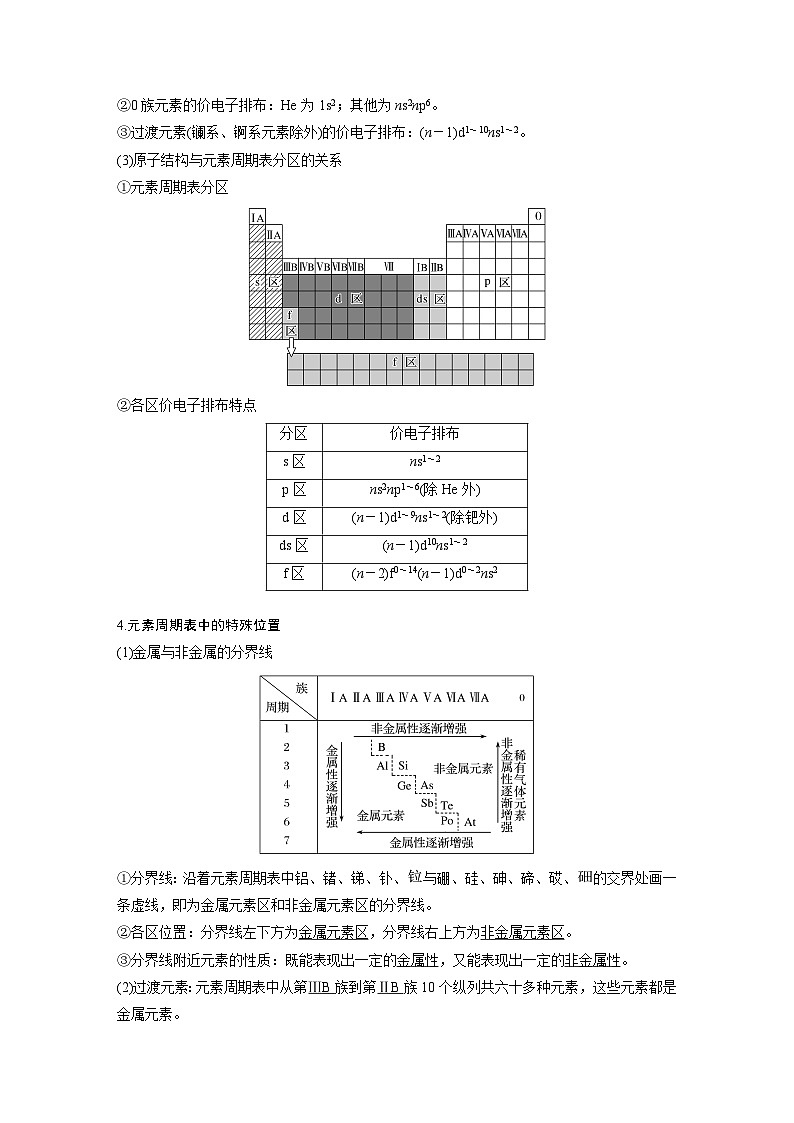
(3)原子结构与元素周期表分区的关系
①元素周期表分区
②各区价电子排布特点
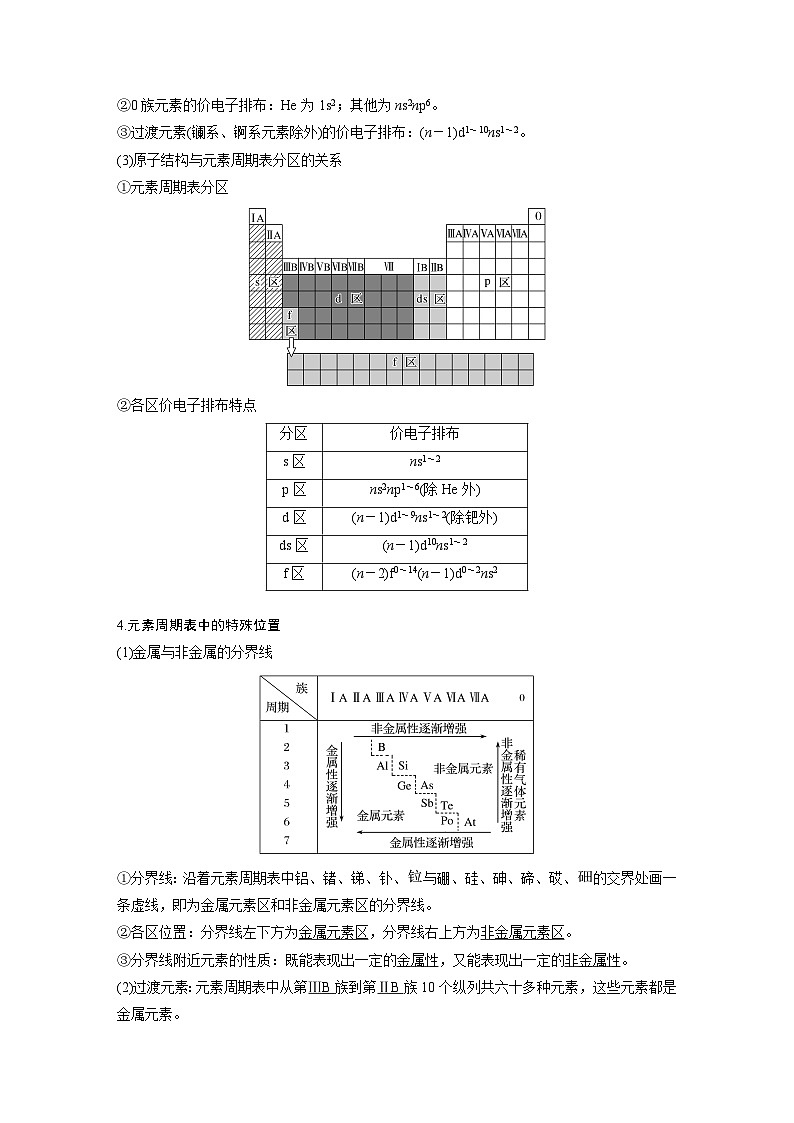
4.元素周期表中的特殊位置
(1)金属与非金属的分界线
①分界线:沿着元素周期表中铝、锗、锑、钋、与硼、硅、砷、碲、砹、的交界处画一条虚线,即为金属元素区和非金属元素区的分界线。
②各区位置:分界线左下方为金属元素区,分界线右上方为非金属元素区。
③分界线附近元素的性质:既能表现出一定的金属性,又能表现出一定的非金属性。
(2)过渡元素:元素周期表中从第ⅢB族到第ⅡB族10个纵列共六十多种元素,这些元素都是金属元素。
(3)镧系:元素周期表第6周期中:57号元素镧到71号元素镥共15种元素。
(4)锕系:元素周期表第7周期中:89号元素锕到103号元素铹共15种元素。
(5)超铀元素:在锕系元素中,92号元素铀(U)以后的各种元素。
5.元素周期表应用
(1)科学预测:为新元素的发现及预测它们的原子结构和性质提供了线索。
(2)寻找新材料
1.所有非金属元素都分布在p区( )
2.价电子排布式为4s24p3的元素位于第4周期第ⅤA族,是p区元素( )
3.价电子排布式为5s25p1的元素位于第5周期第ⅠA族,是s区元素( )
4.最外层有2个未成对电子的可能是ns2np2或ns2np4,短周期元素中分别为C、Si和O、S( )
答案 1.× 2.√ 3.× 4.√
一、元素周期表的结构
1.请在下表中画出元素周期表的轮廓,并在表中按要求完成下列问题:
(1)标出族序数、周期序数。
(2)将主族元素前六周期的元素符号补充完整。
(3)画出金属与非金属的分界线,并用阴影表示出过渡元素的位置。
(4)标出镧系、锕系的位置。
(5)写出各周期元素的种类。
(6)写出稀有气体元素的原子序数,标出113号~117号元素的位置。
答案
二、元素周期表的应用
2.部分元素在周期表中的分布如图所示(虚线为金属元素与非金属元素的分界线),下列说法不正确的是( )
A.B只能得电子,不能失电子
B.原子半径:Ge>Si
C.As可作半导体材料
D.P处于第6周期第ⅥA族
答案 A
解析 B元素位于金属元素与非金属元素的分界线附近,既能得电子,又能失电子,故A错误;同一主族元素从上到下原子半径逐渐增大,所以原子半径:Ge>Si,故B正确;As元素位于金属元素与非金属元素的分界线附近,可作半导体材料,故C正确;P为主族元素,原子有6个电子层,最外层电子数为6,处于第6周期第ⅥA族,故D正确。
3.确定下列指定元素的原子序数
(1)甲、乙是元素周期表中同一周期的第 ⅡA族和第ⅦA族元素,原子序数分别为m、n,则m、n的关系为__________________。
(2)甲、乙是元素周期表中同一主族相邻周期的两种元素(其中甲在上一周期),若甲的原子序数为x,则乙的原子序数可能是___________________________________________________。
(3)若A、B是相邻周期同主族元素(A在B的上一周期),A、B所在周期分别有m种和n种元素,A的原子序数为x,B的原子序数为y,则x、y的关系为______________________。
(4)下列各表为元素周期表中的一部分,表中数字为原子序数,其中M的原子序数为37的是________(填字母)。
答案 (1)n=m+5、n=m+15、n=m+29
(2)x+2、x+8、x+18、x+32
(3)y=x+m或y=x+n (4)B
元素周期表中原子序数差的关系
(1)同周期主族元素原子序数差的关系
①短周期元素原子序数差=族序数差。
②长周期元素,两元素分布在过渡元素同侧时,原子序数差=族序数差;两元素分布在过渡元素两侧时,第4或5周期元素:原子序数差=族序数差+10,第6或7周期元素:原子序数差=族序数差+24。
(2)同主族、邻周期元素原子序数差的关系
①第ⅠA族元素,随电子层数的增加,原子序数依次相差2、8、8、18、18、32。
②第 ⅡA族元素,随电子层数的增加,原子序数依次相差8、8、18、18、32。
③第 ⅢA~ⅦA族元素,随电子层数的增加,原子序数依次相差8、18、18、32、32。
④0族元素,随电子层数的增加,原子序数依次相差8、8、18、18、32、32。
考点二 元素周期律 电离能 电负性
1.元素周期律
2.主族元素周期性变化规律
3.电离能
(1)概念:气态基态原子或气态基态离子失去一个电子所需要的最小能量,通常用I表示,单位:kJ·ml-1。其中,元素原子失去一个电子的电离能称为第一电离能,用符号I1表示。
(2)规律
①同周期元素:从左往右,元素第一电离能呈增大的趋势,其中第ⅡA族、第ⅤA族元素的第一电离能出现反常。
②同族元素:从上到下第一电离能逐渐变小。
③同种原子:逐级电离能越来越大。
(3)应用
①判断元素金属性的强弱
电离能越小,金属越容易失去电子,金属性越强;反之金属性越弱。
②判断元素的化合价
如果某元素的In+1≫In,则该元素的常见化合价为+n,如钠元素的I2≫I1,所以钠元素的化合价为+1。
③判断核外电子的分层排布情况
多电子原子中,元素的各级电离能逐渐增大,有一定的规律性。当电离能的变化出现突变时,电子层数就可能发生变化。
4.电负性
(1)概念:元素的原子在化合物中吸引电子能力的标度。元素的电负性越大,表示其原子在形成化学键时吸引电子的能力越强。
(2)标准
以氟的电负性为4.0和锂的电负性为1.0作为相对标准,计算得出其他元素的电负性(稀有气体元素未计)。
(3)变化规律
①在元素周期表中,同周期元素从左至右,元素的电负性逐渐变大,同主族元素从上至下,元素的电负性逐渐变小。
②金属元素的电负性一般小于1.8,非金属元素的电负性一般大于1.8,而位于非金属三角区边界的“类金属”(如锗、锑等)的电负性则在1.8左右,它们既有金属性又有非金属性。
(4)应用
5.定性判断金属性、非金属性的一般方法
1.元素的电负性越大,非金属性越强,第一电离能也越大( )
2.元素的氧化物对应的水化物酸性越强,非金属性越强,碱性越强,金属性越强( )
3.元素的气态氢化物越稳定,非金属性越强,其水溶液的酸性越强,还原性越弱( )
4.元素的原子得电子越多,非金属性越强,失电子越多,金属性越强( )
5.同周期元素,从左到右,原子半径逐渐减小,离子半径也逐渐减小( )
答案 1.× 2.× 3.× 4.× 5.×
一、微粒半径、元素金属性和非金属性比较
1.比较下列微粒半径的大小(用“>”或“<”填空):
(1)Si________N________F。
(2)Li________Na________K。
(3)Na+________Mg2+________Al3+。
(4)F-________Cl-________Br-。
(5)Cl-________O2-________Na+。
(6)H-________Li+________H+。
答案 (1)> > (2)< < (3)> > (4)< < (5)> > (6)> >
2.根据元素周期律比较下列各组性质(用“>”或“<”填空):
(1)金属性:K________Na________Mg;
非金属性:F________O________S。
(2)碱性:Mg(OH)2________Ca(OH)2______KOH。
(3)酸性:HClO4________H2SO4________HClO。
(4)热稳定性:CH4________NH3________H2O。
(5)还原性:HBr________HCl,I-________S2-。
(6)氧化性:Fe3+________Cu2+________Fe2+。
答案 (1)> > > > (2)< < (3)> > (4)< < (5)> < (6)> >
3.A、B、C为三种短周期元素,A、B同周期,A、C的最低价离子分别为A2-、C-,B2+与C-具有相同的电子层结构,下列叙述不正确的是( )
A.原子序数:A>B>C
B.原子半径:C>B>A
C.离子半径:A2->C->B2+
D.原子最外层电子数:C>A>B
答案 B
解析 由题意可推出A为S、B为Mg、C为F。原子序数:S>Mg>F,故A项正确;不同周期元素,电子层数越多,原子半径越大,同一周期元素,核电荷数越大,原子半径越小,因此原子半径:Mg>S>F,故B项错误;S2-的电子层数为3,离子半径最大,Mg2+与F-的电子层数为2,且具有相同的核外电子数,核电荷数越大,离子半径越小,因此离子半径:S2->F->Mg2+,故C项正确;F原子最外层电子数为7,S原子最外层电子数为6,Mg原子最外层电子数为2,因此原子最外层电子数:F>S>Mg,故D项正确。
电子层结构相同的微粒半径大小规律
电子层结构相同(核外电子排布相同)的离子半径(包括阴、阳离子)随核电荷数的增加而减小,如O2->F->Na+>Mg2+>Al3+。可归纳为电子层排布相同的离子,(表中位置)阴离子在阳离子前一周期,原子序数大的半径小,概括为“阴前阳下,序大径小”。
二、“10e-”“18e-”微粒的应用
4.A+、B+、C-、D、E五种粒子(分子或离子)中,每个粒子均有10个电子,已知:
①A++C-===D+E↑;②B++C-===2D。
回答下列问题:
(1)C-的电子式是________。
(2)分别写出A+和D反应、B+和E反应的离子方程式:______________________________、
______________________________________________________________________________。
(3)除D、E外,请再写出两种含10个电子的分子的分子式:______________________。
(4)除A+、B+外,请再写出两种含10个电子的阳离子:________________________。
答案 (1) (2)NHeq \\al(+,4)+H2ONH3·H2O+H+ H3O++NH3===NHeq \\al(+,4)+H2O (3)CH4、HF(答案合理即可) (4)Na+、Mg2+、Al3+(答任意两个即可)
解析 本题中五种粒子均有10个电子是解题的突破口。依据已有的元素与化合物的知识可知,10电子的粒子中,原子有Ne,阴离子有N3-、O2-、F-、OH-、NHeq \\al(-,2),阳离子有Na+、Mg2+、Al3+、NHeq \\al(+,4)、H3O+,分子有CH4、NH3、H2O、HF。根据题意由①A++C-===D+E↑推知,A+为NHeq \\al(+,4)、C-为OH-、D为H2O、E为NH3,由②B++C-===2D推知,B+为H3O+,由此解题。
等电子微粒的判断方法
(1)“10电子”微粒:
(2)“18电子”微粒:
三、电离能、电负性的变化规律及应用
5.下表列出了某短周期元素R的各级电离能数据(用I1、I2……表示,单位为kJ·ml-1)。
下列关于元素R的判断中一定正确的是( )
A.R的最高正价为+3价
B.R元素位于元素周期表中第ⅡB族
C.R元素第一电离能大于同周期相邻元素
D.R元素基态原子的电子排布式为1s22s2
答案 C
解析 由表中数据可知,R元素的第三电离能与第二电离能的差距最大,故最外层有2个电子,最高正价为+2价,位于第ⅡA族,可能为Be或Mg元素,故A、B、D错误;短周期第ⅡA族(ns2np0)的元素,因np轨道处于全空状态,比较稳定,故其第一电离能大于同周期相邻主族元素,C正确。
6.(1)C、N、O、S四种元素中,第一电离能最大的是__________________。
(2)观察下面四种镧系元素的电离能数据,判断最有可能显示+3价的元素是____________(填元素名称)。
几种镧系元素的电离能(单位:kJ·ml-1)
答案 (1)N (2)镧
7.已知元素的电负性和元素的化合价一样,也是元素的一种基本性质。下面给出14种元素的电负性:
已知:两成键元素间电负性差值大于1.7时,形成离子键,两成键元素间电负性差值小于1.7时,形成共价键。
(1)根据表中给出的数据,可推知元素的电负性具有的变化规律是_______________________
______________________________________________________________________________。
(2)通过分析电负性值变化规律,确定镁元素电负性值的最小范围是________。
(3)判断下列物质是离子化合物还是共价化合物:
A.Li3N B.BeCl2 C.AlCl3 D.SiC
属于离子化合物的是________;
属于共价化合物的是________;
请设计一个实验方案证明上述所得到的结论:______________________________________
______________________________________________________________________________。
(4)在P与Cl组成的化合物中,Cl元素显______________(填“正”或“负”)价,理由是______________________________________________________________________________
______________________________________________________________________________。
答案 (1)随着原子序数的递增,元素的电负性呈周期性变化 (2)0.9~1.5 (3)A BCD 测定各物质在熔融状态下能否导电,若导电则为离子化合物,反之则为共价化合物 (4)负 Cl的电负性大于P,其原子形成化学键时吸引电子的能力强
解析 (2)根据电负性的递变规律:同周期元素从左到右,元素电负性逐渐变大,同族元素从上到下,元素电负性逐渐变小,可知在同周期中电负性:Na<Mg<Al,同主族:Be>Mg>Ca,最小范围应为0.9~1.5。(3)根据已知条件及表中数值:Li3N中元素的电负性差值为2.0,大于1.7,形成离子键,为离子化合物;BeCl2、AlCl3、SiC中元素的电负性差值分别为1.5、1.5、0.7,均小于1.7,形成共价键,为共价化合物。共价化合物和离子化合物最大的区别在于熔融状态下能否导电。离子化合物在熔融状态下以离子形式存在,可以导电,但共价化合物却不能。
答题规范(2) 电离能规范答题的两个类型
1.电离能与原子结构
答题策略:从原子核对最外层电子的吸引力来判断。
答题模板:A原子比B原子的半径大,且A原子的核电荷数比B原子的小,所以A原子对最外层电子的吸引力小于B, 故第一电离能A小于B。
2.电离能与半充满、全充满
答题策略:能量相同的原子轨道在全充满(p6、d10、f14)、半充满(p3、d5、f7)时,比较稳定,难失电子。
答题模板:A原子的价电子排布式为×××,处于半充满(全充满),比较稳定,难失电子,×××电离能大。
1.请结合核外电子排布相关知识解释,第一电离能:C小于O,原因是:碳原子半径比氧原子半径大,且核电荷数比氧的小,故碳原子对最外层电子的吸引力小于氧,第一电离能也小于氧。
2.(1)第一电离能N大于O,原因是:N原子的价电子排布式为2s22p3,处于半充满,比较稳定,难失电子,第一电离能大。
(2)已知电离能:I2(Ti)=1 310 kJ·ml-1,I2(K)=3 051 kJ·ml-1。I2(Ti)
A.酸性:HClO4>H2SO3>H2SiO3
B.碱性:KOH>NaOH>LiOH
C.热稳定性:H2O>H2S>PH3
D.非金属性:F>O>N
答案 A
2.(2020·江苏,9)下列关于Na、Mg、Cl、Br元素及其化合物的说法正确的是( )
A.NaOH的碱性比Mg(OH)2的强
B.Cl2得到电子的能力比Br2的弱
C.原子半径r:r(Br)>r(Cl)>r(Mg)>r(Na)
D.原子的最外层电子数n:n(Na)<n(Mg)<n(Cl)<n(Br)
答案 A
解析 金属性:Na>Mg,故碱性:NaOH>Mg(OH)2,A项正确;氯和溴均属于卤族元素,同一主族元素从上到下,单质的氧化性逐渐减弱,得电子能力:Cl2>Br2,B项错误;同一周期主族元素,从左到右原子半径依次减小,则r(Br)>r(Na)>r(Mg)>r(Cl),C项错误;氯和溴属于同一主族,最外层电子数相等,D项错误。
3.(2022·广东,7)甲~戊均为短周期元素,在元素周期表中的相对位置如图所示。戊的最高价氧化物对应的水化物为强酸。下列说法不正确的是( )
A.原子半径:丁>戊>乙
B.非金属性:戊>丁>丙
C.甲的氢化物遇氯化氢一定有白烟产生
D.丙的最高价氧化物对应的水化物一定能与强碱反应
答案 C
解析 甲~戊是短周期元素,戊的最高价氧化物对应的水化物为强酸,则可能是硫酸或高氯酸,若是高氯酸,则戊为Cl,甲为N、乙为F、丙为P、丁为S;若是硫酸,则戊为S,甲为C、乙为O、丙为Si、丁为P。根据层多径大,同电子层结构核多径小原则,则原子半径:丁>戊>乙,故A正确;根据同周期主族元素从左到右非金属性逐渐增强,则非金属性:戊>丁>丙,故B正确;甲的氢化物可能为氨气,也可能为甲烷、乙烷等,若是氨气,则遇氯化氢一定有白烟产生,若是甲烷、乙烷等,则遇氯化氢不反应,没有白烟生成,故C错误;丙的最高价氧化物对应的水化物可能是硅酸,也可能是磷酸,都能与强碱反应,故D正确。
4.(1)[2020·全国卷Ⅰ,35(2)]Li及其周期表中相邻元素的第一电离能(I1)如表所示。I1(Li)> I1(Na),原因是______________________________。I1(Be)> I1(B)> I1(Li),原因是______________________________________________________________________________。
(2)[2018·全国卷Ⅲ,35(2)]黄铜是人类最早使用的合金之一,主要由Zn和Cu组成。第一电离能I1(Zn)_______________(填“大于”或“小于”)I1(Cu)。原因是_____________________
_______________________________________________________________________________。
(3)[2016·全国卷Ⅱ,37(3)节选]元素铜与镍的第二电离能分别为ICu=1 958 kJ·ml-1,INi=1 753 kJ·ml-1,ICu>INi的原因是__________________________________________________
_______________________________________________________________________________。
(4)[2016·全国卷Ⅲ,37(2)]根据元素周期律,原子半径Ga________As,第一电离能Ga________(填“大于”或“小于”)As。
答案 (1)Na与Li同主族,Na的电子层数多,原子半径大,故第一电离能更小 Li、Be和B为同周期元素,同周期元素从左至右,第一电离能呈现增大的趋势;但由于基态Be原子的2s能级处于全充满状态,能量更低更稳定,故其第一电离能大于B的 (2)大于 Zn原子核外电子排布为全充满稳定结构,较难失电子 (3)铜失去的是全充满的3d10电子,镍失去的是4s1电子 (4)大于 小于
5.(1)[2022·山东,16(1)]基态Ni原子的价电子排布式为________,在元素周期表中位置为________。
(2)[2022·河北,17(1)(2)]①基态S原子的价电子中,两种自旋状态的电子数之比为________。
②Cu与Zn相比,第二电离能与第一电离能差值更大的是________________,原因是________________________________________________________________________________
_______________________________________________________________________________。
(3)[2022·全国甲卷,35(1)(2)]①基态F原子的价电子轨道表示式为________________________
_______________________________________________________________________________。
②图a、b、c分别表示C、N、O和F的逐级电离能I变化趋势(纵坐标的标度不同)。第一电离能的变化图是________________(填标号),判断的根据是_____________________________
_______________________________________________________________________________;
第三电离能的变化图是________(填标号)。
答案 (1)3d84s2 第4周期第Ⅷ族 (2)①1∶2(或2∶1) ②Cu Cu的第二电离能失去的是3d10的电子,第一电离能失去的是4s1电子,Zn的第二电离能失去的是4s1的电子,第一电离能失去的是4s2电子,3d10电子处于全充满状态,其与4s1电子能量差值更大 (3)① ②图a 同周期元素第一电离能的总体趋势是依次升高的,但由于N元素的2p能级为半充满状态,因此N元素的第一电离能较C、O两种元素高 图b
课时精练
1.元素周期表完美地将元素的结构、位置与性质结合在一起,根据元素的原子序数就能推断出该元素在周期表中的位置,进而推断出该元素原子的结构和性质。下列关于33号元素的说法正确的是( )
A.该元素位于d区
B.该元素为金属元素
C.该元素位于第4周期第ⅢA族
D.该元素基态原子的电子排布式为1s22s22p63s23p63d104s24p3
答案 D
解析 33号元素,根据原子序数=质子数=原子核外电子数,则该元素基态原子的核外电子排布式为1s22s22p63s23p63d104s24p3,价电子排布式为4s24p3,最外层5个电子,则该元素位于第4周期第ⅤA族,为非金属元素,故D正确。
2.下列说法正确的是( )
A.HF、HCl、H2S、PH3的稳定性依次增强
B.在①P、S,②Mg、Ca,③Al、Si三组元素中,每组中第一电离能较大的元素的原子序数之和为41
C.某主族元素的电离能I1~I7数据如表所示(单位:kJ·ml-1),可推测该元素位于元素周期表第ⅤA族
D.原子半径由小到大的顺序:Mg、Si、N、F
答案 B
解析 元素的非金属性越强,其简单氢化物越稳定,非金属性:F>Cl>S>P,所以HF、HCl、H2S、PH3的稳定性依次减弱,故A错误;①中由于P原子3p能级半充满,所以第一电离能较大;②同主族元素自上而下第一电离能逐渐减小,所以Mg的第一电离能较大;③同周期元素从左到右,第一电离能呈增大趋势,所以Si的第一电离能较大,P、Mg、Si的原子序数之和为15+12+14=41,故B正确;根据表格数据可知该元素的第三电离能和第四电离能相差较大,所以应为第ⅢA族元素,故C错误;电子层数越多,原子半径越大,电子层数相同,核电荷数越小,原子半径越大,所以原子半径由大到小的顺序为Mg、Si、N、F,故D错误。
3.(2023·盐城模拟)铍元素与铝元素的单质及其化合物的性质相似。下列说法错误的是( )
A.Be溶于NaOH溶液生成H2
B.BeO、Be(OH)2均难溶于水
C.BeCl2与过量的NaOH溶液反应生成Be(OH)2
D.BeSO4溶液呈酸性
答案 C
4.短周期元素X、Y、Z、W、Q在元素周期表中的相对位置如图所示。下列说法不正确的是( )
A.W、Y对应的简单氢化物的稳定性前者高
B.阴离子的还原性:W2->Q-
C.离子半径:Y2->Z3+
D.元素的非金属性:Y>W
答案 A
解析 W、Y对应的简单氢化物分别为H2S和H2O,元素非金属性越强,其简单气态氢化物的稳定性越强,金属性:O>S,所以水的稳定性比H2S高,故A错误;S和Cl的非金属性:S<Cl,所以阴离子的还原性:S2->Cl-,故B正确;O2-和Al3+核外电子排布相同,离子半径随核电荷数的增大而减小,所以离子半径:O2->Al3+,故C正确;同主族元素,从上到下,原子半径逐渐增大,原子核对核外电子的束缚力逐渐减弱,所以元素的非金属性逐渐减弱,故元素的非金属性:O>S,故D正确。
5.四种基态原子的价电子排布式如下:
下列有关推断正确的是( )
A.原子半径:Y>R>Z>X
B.第一电离能:Y
D.X的最高价氧化物对应水化物的酸性比R的强
答案 C
解析 根据价电子排布式可知:X为硼原子,Y为铝原子,Z为氧原子,R为氮原子。铝、硼、氮、氧原子半径依次减小,A错误;第一电离能:N>O>B>Al,B错误;电负性:O>N>B>Al,C正确;硝酸的酸性比硼酸(H3BO3)的强,D错误。
6.(2022·烟台模拟)某种具有高效率电子传输性能的有机发光材料的结构简式如图所示。下列关于该材料组成元素的说法错误的是( )
A.五种组成元素中有四种元素位于p区且均位于同一周期
B.原子半径:Al>C>N>O>H
C.气态氢化物的稳定性:H2O>NH3>CH4
D.基态N原子核外有7种运动状态不同的电子
答案 A
解析 由可知,组成该物质的元素有H、C、N、O和Al,由电子排布式可知,H位于第1周期,属于s区,而C、N、O均位于第2周期,均属于p区,Al位于第3周期,属于p区,故A错误;根据原子半径递变规律,电子层数越多,半径越大,同周期元素,从左往右,原子半径依次减小,则原子半径:Al>C>N>O>H,故B正确;非金属性越强,气态氢化物越稳定,由元素周期律可知,同周期元素从左往右,非金属性依次增强,则非金属性:O>N>C,气态氢化物的稳定性:H2O>NH3>CH4,故C正确;N的原子序数为7,核外有7个电子,则基态N原子核外有7种运动状态不同的电子,故D正确。
7.类推是一种重要的学习方法,但如果不具体问题具体分析就会得出错误结论。下列类推结论正确的是( )
A.SiH4的熔、沸点比CH4高,则PH3的熔、沸点比NH3高
B.H2O比NH3稳定,则H2S也比NH3稳定
C.F2在暗处遇H2即爆炸,I2在暗处遇H2也爆炸
D.同族元素有Ca(OH)2的碱性强于Mg(OH)2,Pb(OH)4的碱性也应强于Sn(OH)4
答案 D
解析 由于NH3分子间存在氢键,导致PH3的熔、沸点比NH3的低,A项错误;元素的非金属性越强,其对应简单氢化物的稳定性越强,非金属性:O>N,则H2O比NH3稳定,而非金属性:O>S,则无法通过类推比较H2S与NH3的稳定性,B项错误;同主族元素从上到下非金属性逐渐减弱,F2在暗处遇H2即爆炸,但I2在暗处遇H2几乎不反应,C项错误;同一主族从上到下元素的金属性逐渐增强,金属性:Ca>Mg,则同族元素对应的最高价氧化物的水化物Ca(OH)2的碱性强于Mg(OH)2的碱性,同理,金属性:Pb>Sn,所以Pb(OH)4的碱性也应强于Sn(OH)4,D项正确。
8.已知X、Y是短周期的两种主族元素,下列有关比较或说法中一定正确的是( )
答案 B
解析 若X、Y位于同周期时,原子半径:X>Y,则原子序数:X
9.我国科研人员发现了一种安全、高效的点击化学试剂FSO2N3,下列有关元素F、O、N的说法正确的是( )
A.电负性:F>N>O>S
B.第一电离能:F>S>O>N
C.最高正价:F>S=O>N
D.以上物质涉及元素的原子中,N原子的基态原子核外未成对电子数最多
答案 D
解析 元素的非金属性越强,其电负性越大。元素的非金属性:F>O>N>S,元素的电负性:F>O>N>S,A错误;同一周期元素第一电离能呈增大趋势,但第ⅡA族、第ⅤA族元素原子核外电子能级分别处于全充满、半充满的稳定状态,其第一电离能比同一周期相邻元素的大,故这四种元素的第一电离能大小顺序:F>N>O>S,B错误;F没有正价,O无最高正价,C错误;基态原子核外未成对电子数:F原子只有1个,S原子和O原子均有2个,N原子有3个,所以题给物质涉及元素的基态原子中N原子未成对电子数最多,D正确。
10.根据下表中五种元素的电离能数据(单位:kJ·ml-1),下列说法不正确的是( )
A.T的氯化物最可能的化学式为TCl3
B.氦元素最有可能与Q元素位于同一族
C.在周期表中,最可能处于同一族的是R和U
D.U元素最有可能为K,R元素最有可能为Li
答案 D
解析 当In+1≫In时,元素的最高化合价为+n,故R和U最高价为+1,S最高价为+2,T最高价为+3,A、C项正确;由表中数据可知,Q元素各电离能都较大,而且各电离能之间无太大差距,故Q最可能为稀有气体元素,所以氦元素最有可能与Q元素位于同一族,B项正确;R出现了I4,而锂核外只有3个电子,D项错误。
11.下列有关元素性质的说法不正确的是( )
A.具有下列价电子排布式的原子中,①3s23p1 ②3s23p2 ③3s23p3 ④3s23p4,电负性最大的是③
B.某主族元素气态基态原子的逐级电离能(kJ·ml-1)分别为738、1 451、7 733、10 540、13 630、17 995、21 703,当它与氯气反应时可能生成的阳离子是X2+
C.①Na、K、Rb ②N、P、As ③O、S、Se ④Na、P、Cl,元素的第一电离能随原子序数增大而递增的是④
D.具有下列电子排布式的原子中,①1s22s22p63s23p2 ②1s22s22p3 ③1s22s22p2 ④1s22s22p63s23p4,原子半径最大的是①
答案 A
解析 ①为铝元素,②为硅元素,③为磷元素,④为硫元素;同周期元素从左到右,元素的电负性逐渐增大,因此电负性最大的是④,A错误;第三电离能远大于第二电离能,所以是第ⅡA族元素,形成的阳离子是X2+,B正确;同一主族从上到下,元素的第一电离能逐渐减小,①Na、K、Rb,②N、P、As,③O、S、Se均符合此规律,同一周期从左到右,元素的第一电离能呈逐渐增大的趋势,④Na、P、Cl符合此规律,C正确;①为硅元素,②为氮元素,③为碳元素,④为硫元素,同周期元素从左到右,原子半径逐渐减小,同主族元素从上到下,原子半径逐渐增大,因此原子半径最大的为①,D正确。
12.一种新型漂白剂(结构如下图)可用于漂白羊毛等,其中W、Y、Z为不同周期不同主族的短周期元素,Z原子的核外电子排布式为1s1,W、Y、Z的最外层电子数之和等于X的最外层电子数,X基态原子核外有两个单电子,W、X对应的简单离子核外电子排布相同。
回答下列问题:
(1)写出元素X在周期表中的位置:__________________________。
(2)写出W简单离子的核外电子排布式:____________________________________________。
(3)Y元素基态原子核外电子的运动状态有______种,占据的原子轨道有_______________个。
(4)W、X、Y电负性由大到小的顺序是________(用元素符号表示)。
(5)试解释W的第一电离能大于Al的第一电离能的原因:_____________________________
_______________________________________________________________________________。
答案 (1)第2周期第ⅥA族 (2)1s22s22p6 (3)5 3 (4)O>B>Mg (5)基态Mg的核外电子排布式为1s22s22p63s2,处于稳定状态,较难失去电子;基态Al的核外电子排布式为1s22s22p63s22p1,失去1个电子后,处于稳定状态
解析 Z原子的核外电子排布式为1s1,为H元素;W、Y、Z为不同周期不同主族的短周期元素,X基态原子核外有两个单电子,W、X对应的简单离子核外电子排布相同,所以W为Mg元素、X为O元素,Y处于第2周期;由于W、Y、Z的最外层电子数之和等于X的最外层电子数,所以Y原子的最外层电子数为3,Y为B元素。(3)Y元素基态原子核外有5个电子,所以其核外电子的运动状态有5种;电子排布式为1s22s22p1,占据1s、2s和2p 3个原子轨道。
13.下表是元素周期表的一部分,表中所列的字母分别代表一种化学元素。试回答下列问题:
(1)元素p为26号元素,请写出其基态原子的核外电子排布式:__________________________
_______________________________________________________________________________。
(2)h的单质在空气中燃烧发出耀眼的白光,请用原子结构的知识解释发光的原因:_______________________________________________________________________________
________________________________________________________________________。
(3)、p两元素的部分电离能数据如下表:
表2
比较两元素的I2、I3可知,气态2+再失去一个电子比气态p2+再失去一个电子难。对此,你的解释是________________________________________________________________________
________________________________________________________________________。
(4)第3周期8种元素单质熔点高低的顺序如图1所示,其中电负性最大的是________(填图1中的序号)。
(5)表1中所列的某主族元素的电离能情况如图2所示,则该元素是__________(填元素符号)。
答案 (1)1s22s22p63s23p63d64s2(或[Ar]3d64s2)
(2)电子从能量较高的轨道跃迁到能量较低的轨道时,以光(子)的形式释放能量
(3)Mn2+的3d轨道电子排布为半充满状态,比较稳定 (4)2 (5)Al
解析 (2)h为Mg元素,Mg单质在空气中燃烧发出耀眼的白光,电子从能量较高的轨道跃迁到能量较低的轨道时以光(子)的形式释放能量。(3)为Mn元素,其基态原子电子排布式为1s22s22p63s23p63d54s2,Mn2+的基态电子排布式为1s22s22p63s23p63d5,其3d轨道为半充满结构,相对比较稳定,其失去第3个电子时比较困难,而Fe2+的基态电子排布式为1s22s22p63s23p63d6,其3d轨道再失去一个电子即为半充满结构,故其失去第3个电子比较容易。(4)第3周期8种元素分别为钠、镁、铝、硅、磷、硫、氯、氩,其单质中钠、镁、铝形成金属晶体,熔点依次升高;硅形成共价晶体;磷、硫、氯、氩形成分子晶体,且常温下磷、硫为固体,氯气、氩为气体,8种元素的单质中熔点最低的为氩气,其次为氯气,其中电负性最大的为氯。(5)由图可知,该元素的电离能I4 远大于I3,故为第ⅢA族元素,应为Al。
14.(1)写出基态As原子的核外电子排布式:________________________________________
__________________,根据元素周期律,原子半径Ga________(填“大于”或“小于”,下同)As,第一电离能Ga________As。
(2)C、N、O的第一电离能由大到小的顺序为________;H、O、S电负性由大到小的顺序是________________________________________________________________________。
B和N相比,电负性较大的是____________;BN中B元素的化合价为________;从电负性角度分析,C、Si、O的非金属活泼性由强至弱的顺序为__________。
(3)铬、铜、锰基态原子的电子排布式分别为_________________________________________
_______________________________________________________________________________,
氯元素的基态原子的价电子排布式是________,与铬同周期的所有元素的基态原子中最外层电子数与铬原子相同的元素有________(填元素符号)。
(4)基态Fe3+的M层电子排布式为________,基态铝原子核外自旋平行的电子最多有__________个,与铝同族的第4周期元素原子的价电子排布式为____________,基态磷原子的核外电子运动状态共有________种,其价电子排布式为__________。在硼、氧、氟、氮中第一电离能由大到小的顺序是________________(用元素符号表示)。
(5)C、N、O、Al、Si、Cu是常见的六种元素。
①Si位于元素周期表第________周期________族。
②N的基态原子核外电子排布式为________________________________________________,
Cu的基态原子最外层有________个电子。
③用“>”或“<”填空:
(6)O、Na、P、Cl四种元素中电负性最大的是______(填元素符号),其中P原子的核外电子排布式为________。
(7)周期表前四周期的元素a、b、c、d、e,原子序数依次增大。a的核外电子总数与其周期数相同,b的价电子中的未成对电子有3个,c的最外层电子数为其内层电子数的3倍,d与c同族;e的最外层只有1个电子,但次外层有18个电子。b、c、d中第一电离能最大的是______________(填元素符号),e的价电子的轨道表示式为______________________________
________________________________________________________________________。
答案 (1)1s22s22p63s23p63d104s24p3(或[Ar]3d104s24p3) 大于 小于 (2)N>O>C O>S>H N +3 O>C>Si (3)铬:1s22s22p63s23p63d54s1、铜:1s22s22p63s23p63d104s1、锰:1s22s22p63s23p63d54s2 3s23p5 K、Cu
(4)3s23p63d5 7 4s24p1 15 3s23p3 F>N>O>B (5)①3 ⅣA ②1s22s22p3 1 ③> > < (6)O 1s22s22p63s23p3(或[Ne]3s23p3)
(7)N
解析 (7)由核外电子总数与其周期数相同,确定a为H元素,由价电子中的未成对电子有3个,确定b为N元素,由最外层电子数为其内层电子数的3倍,确定c为O元素,由d与c同主族,确定d为S元素,由e的最外层只有1个电子且次外层有18个电子,确定e为Cu元素。短周期
长周期
周期序数
1
2
3
4
5
6
7
元素种数
2
8
8
18
18
32
32
主族
列
1
2
13
14
15
16
17
族
ⅠA
ⅡA
ⅢA
ⅣA
ⅤA
ⅥA
ⅦA
副族
列
3
4
5
6
7
11
12
族
ⅢB
ⅣB
ⅤB
ⅥB
ⅦB
ⅠB
ⅡB
Ⅷ族:第8、9、10列,共3个纵列
0族
第18纵列
主族
ⅠA
ⅡA
ⅢA
ⅣA
ⅤA
ⅥA
ⅦA
排布特点
ns1
ns2
ns2np1
ns2np2
ns2np3
ns2np4
ns2np5
分区
价电子排布
s区
ns1~2
p区
ns2np1~6(除He外)
d区
(n-1)d1~9ns1~2(除钯外)
ds区
(n-1)d10ns1~2
f区
(n-2)f0~14(n-1)d0~2ns2
项目
同周期(从左到右)
同主族(从上到下)
原子结构
电子层数
相同
依次增加
最外层电子数
依次增加
相同
原子半径
逐渐减小
逐渐增大
元素性质
金属性
逐渐减弱
逐渐增强
非金属性
逐渐增强
逐渐减弱
化合价
最高正化合价:+1→+7(O、F除外),负化合价=主族序数-8(H为-1价)
相同,最高正化合价=主族序数(O、F除外)
化合物性质
最高价氧化物对应水化物的酸碱性
酸性逐渐增强,碱性逐渐减弱
酸性逐渐减弱,碱性逐渐增强
简单气态氢化物的稳定性
逐渐增强
逐渐减弱
金属性
①单质与水或非氧化性酸反应制取氢气越容易,金属性越强
②单质还原性越强或阳离子氧化性越弱,金属性越强
③最高价氧化物对应水化物的碱性越强,金属性越强
非金属性
①与H2化合越容易,气态氢化物越稳定,非金属性越强
②单质氧化性越强或阴离子还原性越弱,非金属性越强
③最高价氧化物对应水化物的酸性越强,非金属性越强
I1
I2
I3
I4
……
R
740
1 500
7 700
10 500
元素
I1
I2
I3
I4
Yb(镱)
604
1 217
4 494
5 014
Lu(镥)
532
1 390
4 111
4 987
La(镧)
538
1 067
1 850
5 419
Ce(铈)
527
1 047
1 949
3 547
元素
Al
B
Be
C
Cl
F
Li
Mg
N
Na
O
P
S
Si
电负性
1.5
2.0
1.5
2.5
3.0
4.0
1.0
3.0
0.9
3.5
2.1
2.5
1.8
I1/(kJ·ml-1)
Li
520
Be
900
B
801
Na
496
Mg
738
Al
578
I1
I2
I3
I4
I5
I6
I7
578
1 817
2 745
11 575
14 830
18 376
23 293
基态原子
X
Y
Z
R
价电子排布式
2s22p1
3s23p1
2s22p4
2s22p3
选项
条件
结论
A
若原子半径:X>Y
原子序数:X
化合物XnYm中X显负价
元素的电负性:X>Y
C
若价电子数:X>Y
最高正价:X>Y
D
若X、Y最外层电子数分别为1、7
X、Y之间一定能形成离子键
电离能
元素代号
I1
I2
I3
I4
Q
2 080
4 000
6 100
9 400
R
500
4 600
6 900
9 500
S
740
1 500
7 700
10 500
T
580
1 800
2 700
11 600
U
420
3 100
4 400
5 900
元素
电离能/(kJ·ml-1)
p
I1
717
759
I2
1 509
1 561
I3
3 248
2 957
原子半径
熔点
沸点
Al____Si
金刚石____晶体硅
CH4____SiH4
相关试卷
这是一份2024高考化学一轮复习讲义(步步高版)第5章 热点强化12 元素推断与元素性质,共5页。
这是一份2024高考化学一轮复习讲义(步步高版)第5章 第33讲 物质结构与性质综合题突破,共17页。
这是一份2024高考化学一轮复习讲义(步步高版)第5章 第30讲 分子的性质 配合物与超分子,共21页。