物理选择性必修 第一册1 光的折射优秀课件ppt
展开高中物理新教材特点分析及教学策略
(一)趣味性强,激发学生学习兴趣:在新时代教育制度的改革深化下,学生对于物理课程内容的学习兴趣可以带动学生不断地进行探究。
(二)实践性高,高效落实理论学习:在现代化教育课程的背景之下,新课程改革理念越来越融入生活与学习的方方面面,新教材逐步的显现出强大影响力。
(三)灵活性强,助力课程目标达成:随着教育制度体系的改革,通过新时代新教材内容的融入,教师不断地革新教学手段,整合线上以及线下的教育资源内容,可以为物理课堂增添新的活力与生机。
1 光的折射
[学习目标] 1.理解光的折射定律,并能用来解释和计算有关问题.2.理解折射率的物理意义,知道折射率与光速的关系,会进行相关计算.
一、折射定律
1.光的反射
(1)反射现象:光从第1种介质射到该介质与第2种介质的分界面时,一部分光返回到第1种介质的现象.
(2)反射定律:反射光线与入射光线、法线处在同一平面内,反射光线与入射光线分别位于法线的两侧;反射角等于入射角.
2.光的折射
(1)折射现象:光从第1种介质射到该介质与第2种介质的分界面时,一部分光进入第2种介质的现象.
(2)折射定律
折射光线与入射光线、法线处在同一平面内,折射光线与入射光线分别位于法线的两侧;入射角的正弦与折射角的正弦成正比,即=n12(式中n12是比例常数),它与入射角、折射角的大小无关,只与两种介质的性质有关.
(3)在光的折射现象中,光路是可逆的.
二、折射率
1.定义
光从真空射入某种介质发生折射时,入射角的正弦与折射角的正弦之比,叫作这种介质的绝对折射率,简称折射率,即n=.
2.折射率与光速的关系
某种介质的折射率,等于光在真空中的传播速度c与光在这种介质中的传播速度v之比,即n=.
3.理解
由于c>v,故任何介质的折射率n都大于(选填“大于”“小于”或“等于”)1.
1.判断下列说法的正误.
(1)光从一种介质进入另一种介质时,传播方向一定发生变化.( )
(2)入射角增大为原来的2倍,折射角和反射角也都增大为原来的2倍.( )
(3)介质的折射率越大,光在这种介质中传播速度越慢.( )
(4)由n=得出,介质的折射率与入射角θ1的正弦成正比,与折射角θ2的正弦成反比.( )
(5)由于光从空气垂直进入水中时传播方向不变,故水的折射率为0.( )
2.一束光从真空进入某介质,方向如图所示,则该介质的折射率为________,若光在真空中的传播速度为c,则光在该介质中的传播速度为________.
3.想一想:有经验的渔民叉鱼时,不是正对着看到的鱼去叉,而是对着所看到鱼的下方叉,这是为什么?你还能列举哪些类似现象的实例?
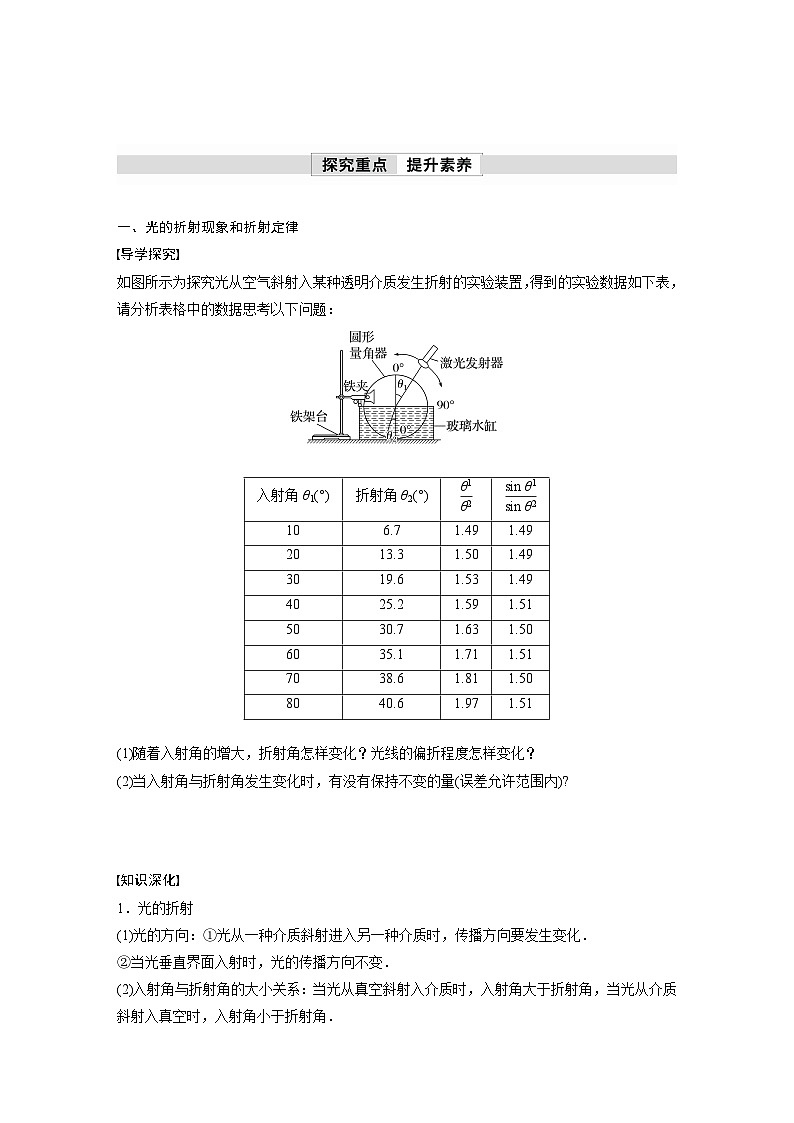
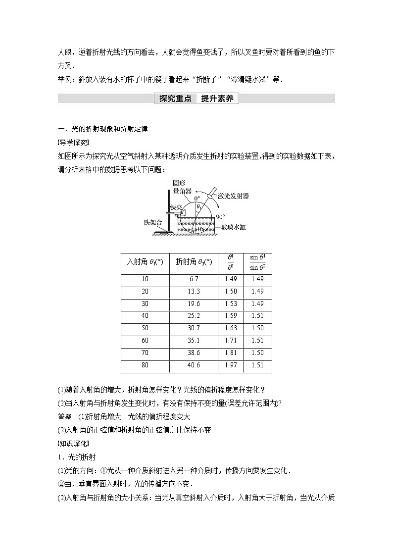
一、光的折射现象和折射定律
导学探究
如图所示为探究光从空气斜射入某种透明介质发生折射的实验装置,得到的实验数据如下表,请分析表格中的数据思考以下问题:
入射角θ1(°) | 折射角θ2(°) | ||
10 | 6.7 | 1.49 | 1.49 |
20 | 13.3 | 1.50 | 1.49 |
30 | 19.6 | 1.53 | 1.49 |
40 | 25.2 | 1.59 | 1.51 |
50 | 30.7 | 1.63 | 1.50 |
60 | 35.1 | 1.71 | 1.51 |
70 | 38.6 | 1.81 | 1.50 |
80 | 40.6 | 1.97 | 1.51 |
(1)随着入射角的增大,折射角怎样变化?光线的偏折程度怎样变化?
(2)当入射角与折射角发生变化时,有没有保持不变的量(误差允许范围内)?
知识深化
1.光的折射
(1)光的方向:①光从一种介质斜射进入另一种介质时,传播方向要发生变化.
②当光垂直界面入射时,光的传播方向不变.
(2)入射角与折射角的大小关系:当光从真空斜射入介质时,入射角大于折射角,当光从介质斜射入真空时,入射角小于折射角.
2.对折射定律的理解
(1)同平面:折射光线与入射光线、法线在同一平面内.
(2)线两旁:折射光线与入射光线分别位于法线两侧.
(3)成正比:当介质一定时,入射角的正弦与折射角的正弦成正比,即=n, 而并非两角成正比.折射角θ2随入射角θ1的变化而变化,入射角θ1的正弦与折射角θ2的正弦之比是定值.
3.折射定律的应用
解决光的折射问题的基本思路:
(1)根据题意画出正确的光路图.
(2)利用几何关系确定光路图中的边、角关系,要注意入射角、折射角分别是入射光线、折射光线与法线的夹角.
(3)利用折射定律n=,结合三角函数的关系进行运算.
例1 (2021·广州中学单元检测)光线由空气射入半圆形玻璃砖,再由玻璃砖射入空气中,O点是半圆形玻璃砖的圆心.下列四幅光路图中,可能正确的是( )
例2 光线以60°的入射角从空气射入玻璃中,折射光线与反射光线恰好垂直.(真空中的光速c=3.0×108 m/s)
(1)画出光路图;
(2)当入射角变为45°时,折射角的正弦值为多大?
二、折射率
导学探究
当同一束单色光从空气斜射入某种介质时,无论入射角如何改变,入射角的正弦值和折射角的正弦值的比值总保持不变.但是,如图所示,当该束光由空气以同一入射角斜射入不同的介质时,折射角却不同,入射角的正弦值和折射角的正弦值的比值也发生了变化,这说明什么?
知识深化
1.对折射率的理解
(1)折射率
n=,θ1为真空中的光线与法线的夹角,不一定为入射角;而θ2为介质中的光线与法线的夹角,也不一定为折射角.
(2)折射率n是反映介质光学性质的物理量,它的大小由介质本身和光的频率共同决定,与入射角、折射角的大小无关,与介质的密度没有必然联系.
2.折射率与光速的关系:n=
(1)光在介质中的传播速度v跟介质的折射率n有关,由于光在真空中的传播速度c大于光在任何其他介质中的传播速度v,所以任何介质的折射率n都大于1.
(2)某种介质的折射率越大,光在该介质中的传播速度越小.
例3 如果光以同一入射角从真空斜射入不同介质,则折射率越大的介质( )
A.折射角越大,表示这种介质对光的偏折作用越大
B.折射角越大,表示这种介质对光的偏折作用越小
C.折射角越小,表示这种介质对光的偏折作用越大
D.折射角越小,表示这种介质对光的偏折作用越小
针对训练 (多选)两束不同频率的单色光a、b从空气平行射入水中,发生了如图所示的折射现象(α>β).下列结论中正确的是( )
A.在水中的传播速度,光束a比光束b大
B.在水中的传播速度,光束a比光束b小
C.水对光束a的折射率比水对光束b的折射率小
D.水对光束a的折射率比水对光束b的折射率大
例4 边长为d的正方体透明介质置于真空中,其横截面ABCD如图所示.有两束平行光Ⅰ、Ⅱ分别从上表面的A点和AB的中点沿与水平方向成30°角同时斜射入介质中,两种光在界面上折射后恰好相交于正方体底面的C点.已知真空中光速为c,求:
(1)介质对光Ⅰ、Ⅱ的折射率;
(2)光Ⅰ、Ⅱ到达C点的时间差.
考点一 光的折射现象
1.如图所示是一束光从空气射向某介质在界面上发生反射和折射现象的光路图,下列判断正确的是( )
A.AO为入射光线,OB为反射光线,OC为折射光线
B.BO为入射光线,OC为反射光线,OA为折射光线
C.CO为入射光线,OB为反射光线,OA为折射光线
D.条件不足,无法确定
2.(多选)如图所示,把由同种玻璃制成的厚度为d的立方体A和半径为d的半球体B放在报纸上,且让半球的凸面向上.从B正上方(对B来说是最高点)分别观察A、B中心处报纸上的文字,下面的观察记录正确的是( )
A.看到A中的字比B中的字高
B.看到B中的字比A中的字高
C.看到A、B中的字一样高
D.看到B中的字和没有放玻璃半球时一样高
3.如图所示,井口大小和深度均相同的两口井,一口是枯井(图甲),一口是水井(图乙,水面在井口之下),两井底部各有一只青蛙,则( )
A.水井中的青蛙觉得井口大些,晴天的夜晚,水井中的青蛙能看到更多的星星
B.枯井中的青蛙觉得井口大些,晴天的夜晚,水井中的青蛙能看到更多的星星
C.水井中的青蛙觉得井口小些,晴天的夜晚,枯井中的青蛙能看到更多的星星
D.两只青蛙觉得井口一样大,晴天的夜晚,水井中的青蛙能看到更多的星星
考点二 折射率及折射定律
4.(多选)光从空气斜射入介质中,比值=常数,这个常数( )
A.与介质有关
B.与光在介质中的传播速度无关
C.与入射角的大小无关
D.与入射角的正弦成正比,与折射角的正弦成反比
5.如图所示,有一玻璃三棱镜ABC,角A为30°,一束光线垂直于AB射入棱镜,从AC射出进入空气,测得出射光线与AC夹角为30°,则棱镜的折射率为( )
A. B. C. D.
6.(多选)如图所示,光在真空和介质的界面MN上发生偏折,那么下列说法正确的是( )
A.光是从真空射向介质
B.介质的折射率约为1.73
C.光在介质中的传播速度约为1.73×108 m/s
D.反射光线与折射光线成60°角
7.(2022·枣庄八中东校区高二月考)现在高速公路上的标志牌都用“回归反光膜”制成,夜间行车时,它能把车灯射出的光逆向返回,所以标志牌上的字特别醒目.这种“回归反光膜”是用球体反射元件制作的.如图所示,一束单色光射入一玻璃球体,入射角为60°.已知光线在玻璃球内经一次反射后,再次折射回到空气中时与入射光线平行.此玻璃的折射率为( )
A. B.1.5 C. D.2
8.(多选)如图所示,实验室中有一块半圆形玻璃砖,玻璃砖半径为R,圆心为O,MO与直径EF垂直.现有一光源S,同时发出两条光线a、b,光线a射向M点,与OM夹角为α=60°;光线b射向圆心O,与OM夹角为θ=30°,已知a、b光线第一次进入玻璃砖后的折射光线平行.则下列判断正确的是( )
A.玻璃砖的折射率为
B.玻璃砖的折射率为
C.两光线第一次在EF上的射出点之间的距离为
D.两光线第一次在EF上的射出点之间的距离为
9.(多选)如图所示,P、Q是两种透明材料制成的两块直角梯形的棱镜,叠合在一起组成一个长方体.某单色光沿与P的上表面成θ角的方向斜射向P,其折射光线正好垂直通过两棱镜的界面,已知材料的折射率分别为nP、nQ.则( )
A.若nP=nQ,从Q的下表面射出的光线与入射到P的上表面的光线平行
B.若nP=nQ,从Q的下表面射出的光线与入射到P的上表面的光线不平行
C.若nP<nQ,从Q的下表面射出的光线与下表面所夹的锐角一定小于θ
D.若nP<nQ,从Q的下表面射出的光线与下表面所夹的锐角一定大于θ
10.如图所示,放置于真空中半径为R的半圆柱形玻璃棱柱的平面镀银成为平面镜,OP为垂直于平面镜的半径,在其延长线上S点有一个可发出细光束的光源,OS=R,A为柱面上的一点,A、O、P、S所在平面垂直于半圆柱体的平面,AO与OP所成夹角α=30°,从S点发出的入射到A点的细光束经半圆柱体折射和平面镜反射后刚好能沿AS返回S点,光速为c.求:
(1)玻璃的折射率;
(2)这束光线从S点发出后返回S点所经历的时间.
11.(2019·全国卷Ⅰ)如图,一艘帆船静止在湖面上,帆船的竖直桅杆顶端高出水面3 m.距水面4 m的湖底P点发出的激光束,从水面出射后恰好照射到桅杆顶端,该出射光束与竖直方向的夹角为53°(取sin 53°=0.8).已知水的折射率为.
(1)求桅杆到P点的水平距离;
(2)船向左行驶一段距离后停止,调整由P点发出的激光束方向,当其与竖直方向夹角为45°时,从水面射出后仍照射在桅杆顶端,求船行驶的距离.
人教版 (2019)选择性必修 第一册1 光的折射完美版课件ppt: 这是一份人教版 (2019)选择性必修 第一册1 光的折射完美版课件ppt,文件包含人教版高中物理选择性必修1第4章第1节光的折射课件ppt、人教版高中物理选择性必修1第4章第1节光的折射教学设计doc、三日同辉mp4、光的折射mp4、光的折射定律动画mp4、探究折射定律mp4、插针法测定玻璃砖的折射率mp4、筷子为什么弯折动画mp4、铅笔弯折解释mp4、鱼看岸上的景物动画mp4等10份课件配套教学资源,其中PPT共26页, 欢迎下载使用。
高中物理人教版 (2019)选择性必修 第三册1 普朗克黑体辐射理论试讲课课件ppt: 这是一份高中物理人教版 (2019)选择性必修 第三册1 普朗克黑体辐射理论试讲课课件ppt,文件包含高中物理新教材同步选修第三册第4章41普朗克黑体辐射理论教师版docx、高中物理新教材同步选修第三册第4章41普朗克黑体辐射理论学习笔记docx、高中物理新教材同步选修第三册第4章41普朗克黑体辐射理论讲义练习docx、高中物理新教材同步选修第三册第4章41普朗克黑体辐射理论pptx等4份课件配套教学资源,其中PPT共0页, 欢迎下载使用。
物理选择性必修 第二册1 电磁振荡优秀课件ppt: 这是一份物理选择性必修 第二册1 电磁振荡优秀课件ppt,文件包含高中物理新教材同步选修第二册第4章41电磁振荡教师版docx、高中物理新教材同步选修第二册第4章41电磁振荡学生版docx、高中物理新教材同步选修第二册第4章41电磁振荡pptx等3份课件配套教学资源,其中PPT共0页, 欢迎下载使用。

