所属成套资源:备战2023年高考化学《有机化学实验》专题突破系列
突破04 有机化学实验专题训练(四)-备战2023年高考化学《有机化学实验》专题突破系列
展开
这是一份突破04 有机化学实验专题训练(四)-备战2023年高考化学《有机化学实验》专题突破系列,共8页。
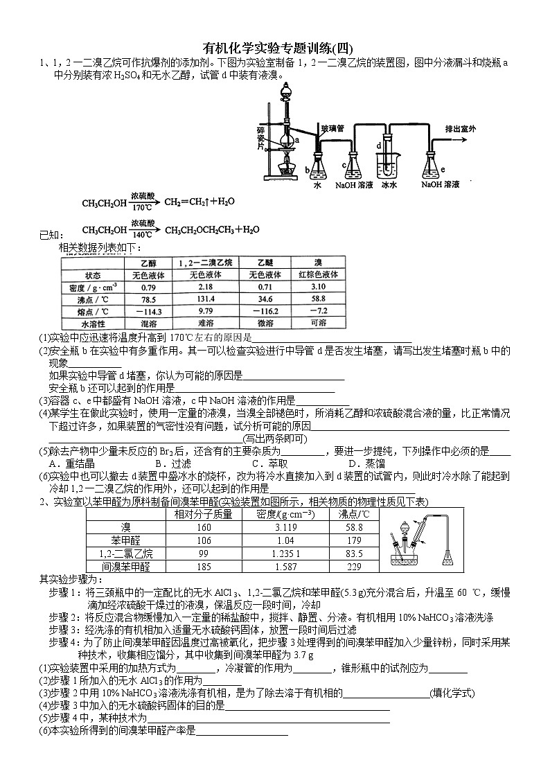
有机化学实验专题训练(四)1、1,2一二溴乙烷可作抗爆剂的添加剂。下图为实验室制备1,2一二溴乙烷的装置图,图中分液漏斗和烧瓶a中分别装有浓H2SO4和无水乙醇,试管d中装有液溴。 已知: 相关数据列表如下:(1)实验中应迅速将温度升高到170℃左右的原因是 (2)安全瓶b在实验中有多重作用。其一可以检查实验进行中导管d是否发生堵塞,请写出发生堵塞时瓶b中的现象 如果实验中导管d堵塞,你认为可能的原因是 安全瓶b还可以起到的作用是 (3)容器c、e中都盛有NaOH溶液,c中NaOH溶液的作用是 (4)某学生在做此实验时,使用一定量的液溴,当溴全部褪色时,所消耗乙醇和浓硫酸混合液的量,比正常情况下超过许多,如果装置的气密性没有问题,试分析可能的原因 (写出两条即可)(5)除去产物中少量未反应的Br2后,还含有的主要杂质为 ,要进一步提纯,下列操作中必须的是 A.重结晶 B.过滤 C.萃取 D.蒸馏(6)实验中也可以撤去d装置中盛冰水的烧杯,改为将冷水直接加入到d装置的试管内,则此时冷水除了能起到冷却1,2一二溴乙烷的作用外,还可以起到的作用是 2、实验室以苯甲醛为原料制备间溴苯甲醛(实验装置如图所示,相关物质的物理性质见下表) 相对分子质量密度/(g·cm-3)沸点/℃溴1603.11958.8苯甲醛1061.041791,2二氯乙烷991.235 183.5间溴苯甲醛1851.587229其实验步骤为:步骤1:将三颈瓶中的一定配比的无水AlCl3、1,2二氯乙烷和苯甲醛(5.3 g)充分混合后,升温至60 ℃,缓慢滴加经浓硫酸干燥过的液溴,保温反应一段时间,冷却步骤2:将反应混合物缓慢加入一定量的稀盐酸中,搅拌、静置、分液。有机相用10% NaHCO3溶液洗涤步骤3:经洗涤的有机相加入适量无水硫酸钙固体,放置一段时间后过滤步骤4:为了防止间溴苯甲醛因温度过高被氧化,把步骤3处理得到的间溴苯甲醛加入少量锌粉,同时采用某种技术,收集相应馏分,其中收集到间溴苯甲醛为3.7 g (1)实验装置中采用的加热方式为________,冷凝管的作用为________,锥形瓶中的试剂应为________(2)步骤1所加入的无水AlCl3的作用为________(3)步骤2中用10% NaHCO3溶液洗涤有机相,是为了除去溶于有机相的__________________(填化学式)(4)步骤3中加入的无水硫酸钙固体的目的是__________________________________(5)步骤4中,某种技术为__________________________________________________(6)本实验所得到的间溴苯甲醛产率是___________________3、实验室以苯、乙醛为原料,三氯化铝为催化剂来制备1,1—二苯乙烷,其反应原理为:制备过程中的无机产物会与AlCl3发生反应。主要实验装置和步骤如下:I、合成:在250 mL三口烧瓶中加入140mL苯(密度0.88g/mL)、19gAlCl3和5.5g乙醛,在20℃时充分反应Ⅱ、分离与提纯:将反应混合物倒入装有150 mL冰水和少量盐酸的烧杯中,充分搅拌,用分液漏斗分离出有机层,依次用水、2%碳酸钠溶液、水洗涤,在分离出的粗产品中加入少量无水硫酸镁固体,过滤后先常压蒸馏除去过量苯再改用减压蒸馏收集170~172℃/6.67kPa的馏分,得12.5g 1,1—二苯乙烷(1)仪器a的名称是 ;无机产物与AlCl3发生反应的化学方程式为 ;装置c的作用 (2)连接装置b的作用是 (3)在洗涤操作中,第二次水洗的主要目的是 ,实验中加入少量无水硫酸镁的目的是 (4)粗产品常压蒸馏提纯时,下列装置中温度计位置正确的是 ,可能会导致收集到的产品中混有低沸点杂质的装置是 (5)本实验所得到的1,1—二苯乙烷产率约为 A.41% B.48% C.55% D.65%4、实验室制取乙酸丁酯的装置有如图所示两种装置供选择:有关物质的物理性质如下表: 乙酸1-丁醇乙酸丁酯熔点(℃)16.6-89.5-73.5沸点(℃)117.9117126.3密度(g/cm3)1.050.810.88水溶性互溶可溶(9 g/100 g水)微溶(1)制取乙酸丁酯的装置应选用_______(填“甲”或“乙”),不选另一种装置的理由是_______________________(2)该实验生成物中除了主产物乙酸丁酯外,还可能生成的有机副产物有(写出结构简式)________________(3)酯化反应是一个可逆反应,为提高1-丁醇的利用率,可采取的措施是___________________________(4)从制备乙酸丁酯所得的混合物中分离、提纯乙酸丁酯时,需要经过多步操作,下列图示的操作中,肯定需要的化学操作是____(5)有机物的分离操作中,经常需要使用分液漏斗等仪器。使用分液漏斗前必须___________________________;某同学在进行分液操作时,若发现液体流不下来,其可能原因除分液漏斗活塞堵塞外,还可能_____________5、芳香族羧酸通常用芳香烃的氧化来制备。芳香烃的苯环比较稳定,难于氧化,而环上的支链不论长短,在强烈氧化时,最终都氧化成羧基。某同学用甲苯的氧化反应制备苯甲酸。反应原理:反应试剂、产物的物理常数:名称相对分 子质量性状熔点沸点密度溶解度水乙醇乙醚甲苯92无色液体易燃易挥发-95110.60.8669不溶易溶易溶苯甲酸122白色片状或针状晶体122.42481.2659微溶易溶易溶主要实验装置和流程如下:实验方法:一定量的甲苯和KMnO4溶液置于图1装置中,在90℃时, 反应一段时间,再停止反应,按如下流程分离出苯甲酸和回收未反应的甲苯。(1)无色液体A的结构简式为 。操作Ⅱ为 (2)如果滤液呈紫色,要先加亚硫酸氢钾,然后再加入浓盐酸酸化,加亚硫酸氢钾的目的是 (3)下列关于仪器的组装或者使用正确的是 A.抽滤可以加快过滤速度,得到较干燥的沉淀B.安装电动搅拌器时,搅拌器下端不能与三颈烧瓶底、温度计等接触C.图1回流搅拌装置应采用直接加热的方法D.冷凝管中水的流向是下进上出(4)除去残留在苯甲酸中的甲苯应先加入 ,分液,水层再加入 ,然后抽滤,干燥即可得到苯甲酸。(5)纯度测定:称取1.220g产品,配成100mL溶液,取其中25.00mL溶液,进行滴定 ,消耗KOH物质的量为2.4×10-3mol。产品中苯甲酸质量分数为 6、甲苯()是一种重要的化工原料,能用于生产苯甲醛()、苯甲酸()等产品。下表列出了有关物质的部分物理性质,请回答:注:甲苯、苯甲醛、苯甲酸三者互溶; 酸性: 苯甲酸>醋酸实验室可用如图装置模拟制备苯甲醛。实验时先在三颈瓶中加入0.5g固态难溶性催化剂,再加入15mL冰醋酸和2mL甲苯,搅拌升温至70℃,同时缓慢加入12mL过氧化氢,在此温度下搅拌反应3小时(1)装置a的名称是____ ____,主要作用是 ,三颈瓶中发生反应的化学方程式为 ,此反应的原子利用率理论上可达 (2)经测定,反应温度升高时,甲苯的转化率逐渐增大,但温度过高时,苯甲醛的产量却有所减少,可能的原因是______________(3)反应完毕后,反应混合液经过自然冷却至室温时,还应经过________、________(填操作名称)等操作,才能得到苯甲醛粗产品(4)实验中加入过量的过氧化氢并延长反应时间时,会使苯甲醛产品中产生较多的苯甲酸①若想从混有苯甲酸的苯甲醛中分离出苯甲酸,正确的操作步骤是_______(按步骤顺序填字母) a.对混合液进行分液 b.过滤、洗涤、干燥c.水层中加入盐酸调节pH=2 d.与适量碳酸氢钠溶液混合震荡②若对实验①中获得的苯甲酸产品进行纯度测定,可称取1.200g产品,溶于100mL乙醇配成溶液,量取所得的乙醇溶液20.00mL于锥形瓶,滴加2~3滴酚酞指示剂,然后用预先配好的0.1000mol/L KOH标准液滴定,到达滴定终点时消耗KOH溶液18.00mL产品中苯甲酸的质量分数为________③下列情况会使测定结果偏低的是__________a.滴定终点时俯视读取耗碱量 b.KOH标准液长时间接触空气c.配制KOH标准液时仰视定容 d.将酚酞指示剂换为甲基橙溶液7、己烷雌酚白色粉末是一种抗癌药物,难溶于水,易溶于乙醇,它的一种合成原理如下:有关的实验步骤为(实验装置见图2):①向装置A中依次加入沸石、一定比例的试剂X和金属钠 ②控制温度300 ℃,使反应充分进行③向冷却后的三颈烧瓶内加入HI溶液,调节pH至4~5 ④在装置B中用水蒸气蒸馏,除去未反应的试剂X⑤…(1)装置A中冷凝管由________(填“a”或“b”)端通入冷凝水(2)步骤③中反应的化学方程式为__________________________________________________(3)装置B在进行水蒸气蒸馏之前,需进行的操作为____________,玻璃管的作用为________________(4)当观察到装置B的冷凝管中__________________,说明水蒸气蒸馏结束。(5)进行步骤⑤时,有下列操作(每项操作只进行一次):a.过滤;b.加入水进行反萃取;c.冷却、抽滤,用水洗涤晶体;d.向三颈烧瓶中加入乙醇,得己烷雌酚的乙醇溶液。正确的操作顺序是________(填字母)8、己二酸是一种重要的有机二元酸,能够发生成盐反应、酯化反应、酰胺化反应等,并能与二元胺或二元醇缩聚成高分子聚合物等,是合成尼龙66的原料,工业上环己醇用硝酸氧化可得到己二酸,是典型的氧化还原反应相关物理常数:名称相对分子质量密度(20 ℃)(g·cm-3)熔点(℃)沸点(℃)溶解度S(g/100 g溶剂)水乙醇乙醚环己醇1000.9625.2161 可溶易溶己二酸1461.36151265可溶(S随温度降低而减小)易溶微溶Ⅰ、己二酸粗产品的制备操作步骤:装置C中加入50 mL中等浓度的硝酸(过量),投入沸石,并逐一安装装置A、装置B和温度计,磁力搅拌,将溶液混合均匀,并加热到80 ℃。用装置A滴加2滴环己醇,反应立即开始,温度随即上升到85~90 ℃,从装置A中小心地逐滴加入环己醇,将混合物在85~90 ℃下加热2~3分钟,共加入1.000 g环己醇请回答下列问题:(1)反应需维持温度在85~90℃,最好采取______控温;试分析维持温度在85~90℃的原因___________________(2)装置右侧烧杯中的NaOH 溶液的作用是___________________________________II、己二酸粗产品的提纯及应用操作流程:趁热倒出装置C 中的产品,在冷水中降温冷却,析出的晶体在布氏漏斗上进行抽滤,将晶体进行重结晶,再分别用3mL 冰水和乙醚洗涤己二酸晶体,继续抽滤,晶体再用3mL冰水洗涤一次,再抽滤。取出产品,干燥后称重,得干燥的己二酸0.860g。请回答下列问题:(3)相比于普通过滤,抽滤的优点在于_______________________________________________(4)在抽滤过程中,用冰水洗涤析出的己二酸晶体的原因___________________________(5)该实验的产率为 _______% (结果保留3 位有效数字)(6)工业上用己二酸与乙二醇反应形成链状高分子化合物,写出化学方程式_____________________________9、乙酸正丁酯是一种无色透明有愉快果香气味的液体。大量用于配制香蕉、梨、菠萝、杏、桃及草莓、浆果等型香精。实验室制备乙酸正丁酯的装置示意图和有关数据如下:化合物水中溶解性密度(g·cm-3)沸点相对分子质量乙酸溶于水1.0 49211860正丁醇微溶于水0.8 098117.774乙酸正丁酯微溶于水0.8 824126.5116实验步骤:Ⅰ、乙酸正丁酯的制备:在A中加入7.4 g正丁醇、6.0 g乙酸,再加入数滴浓硫酸,摇匀,放入1~2颗沸石。按图安装带分水器的回流反应装置,并在分水器中预先加入水,使水面略低于分水器的支管口,通入冷却水,缓慢加热A。在反应过程中,通过分水器下部的旋塞分出生成的水,保持分水器中水层液面的高度不变,使油层尽量回到圆底烧瓶中。反应达到终点后,停止加热,记录分出水的体积。Ⅱ、产品的精制:把分水器中的酯层和A中反应液倒入分液漏斗中,分别用少量水、饱和碳酸钠溶液和水洗涤,分出的产物加入少量无水硫酸镁固体,静置后过滤,将产物常压蒸馏,收集124~126 ℃的馏分,得到5.8 g产品。请回答下列问题:(1)写出本实验制备乙酸正丁酯的化学方程式_________________________________________(2)装置B的名称是________,在A中加入1~2颗沸石的作用是_____________________(3)如何通过分水器中的现象判断反应达到终点_______________________________(4)产品的精制过程中,饱和碳酸钠溶液的主要作用是_______________________________________,不能用NaOH溶液代替碳酸钠溶液的原因是______________________________________(5)该实验中,生成乙酸正丁酯的产率是________10、苯甲酸乙酯(C9H10O2)稍有水果气味,用于配制香水香精和人造精油,大量用于食品工业中,也可用作有机合成中间体、溶剂等。其制备方法为:+C2H5OH+H2O已知: 颜色、状态沸点(℃)密度(g•cm﹣3)苯甲酸*无色片状晶休2491.2659苯甲酸乙酯无色澄清液体212.61.05乙醇无色澄清液体78.30.7893环己烷无色澄清液体80.80.7318*苯甲酸在100℃会迅速升华。实验步骤如下:①在圆底烧瓶中加入12.20g苯甲酸、25mL乙醇(过量)、20mL 环己烷,以及4mL浓硫酸,混合均匀并加入沸石,按如图所示装好仪器,控制温度在65〜70℃加热回流2h。反应时环己烷一乙醇﹣水会形成“共沸物”(沸点62.6℃)蒸馏出来,再利用分水器不断分离除去反应生成的水,回流环己烷和乙醇②反应结束,打开旋塞放出分水器中液体后,关闭旋塞。继续加热,至分水器中收集到的液体不再明显增加,停止加热③将烧瓶内反应液倒人盛有适量水的烧杯中,分批加入Na2CO3至溶液呈中性④用分液漏斗分出有机层,水层用25mL乙醚萃取分液,然后合并至有机层。加入氯化钙,对粗产物进行蒸馏(装置如图所示),低温蒸出乙醚后,继续升温,接收210〜213℃的馏分⑤检验合格,测得产品体积为13.16mL.(1)在该实验中,圆底烧瓶的容积最适合的是_____A.25mL B.50mL C.100mL D.250mL(2)步骤①中沸石的作用是_____________,使用分水器不断分离除去水的目的是__________________________(3)骤②中应控制馏分的温度在______________A.215〜220℃ B.85〜90℃ C.78〜80℃ D.65〜70℃(4)步骤③加入Na2CO3的作用是__________________________;若Na2CO3加入不足,在之后蒸馏时,蒸馏烧瓶中可见到白烟生成,产生该现象的原因是__________________________(5)关于步骤④中的萃取分液操作叙述正确的是________A.水溶液中加入乙醚,转移至分液漏斗中,塞上玻璃塞,分液漏斗倒转过来,用力振摇B.振摇几次后需打开分液漏斗下口的玻璃塞放气C.经几次振摇并放气后,手持分液漏斗静置待液体分层D.放出液体时,应打开上口玻璃塞或将玻璃塞上的凹槽对准漏斗口上的小孔(6)计算本实验的产率为__________【有机化学实验专题训练(四)】答案1、(1)减少副产物乙醚生成(1分)(2)b中长直玻璃管内有一段液柱上升(1分) 过度冷却,产品1 , 2-二溴乙烷在装置d中凝固(1分) 防止倒吸(1分)(3)吸收乙烯气体中含有的CO2、SO2等酸性气体(2分)(4)①浓硫酸将部分乙醇氧化 ②发生副反应生成乙醚 ③乙醇挥发④乙烯流速过快,未完全发生加成反应(2分)(5)乙醚(2分) D(2分)(6)液封Br2及1 , 2-二溴乙烷(2分)2、(1)水浴加热 导气、冷凝回流 NaOH溶液(2)催化剂 (3)Br2、HCl(4)除去有机相的水(或干燥或除水)(5)减压蒸馏 (6)40.0%3、(1)球形冷凝管(或冷凝管或冷凝器) AlCl3 +3H2OAl(OH)3+3HCl 吸收HCl气体(尾气处理,防止空气污染等合理答案均给分)(2)防止烧杯中的水蒸气进入反应器中与三氯化铝反应干扰实验(3)洗掉碳酸钠等可溶性物质;干燥 (4)C AB (5) C 4、(1) 乙 由于反应物乙酸、1-丁醇的沸点低于产物乙酸丁酯的沸点,若采用甲装置,会造成反应物的大量挥发,降低了反应物的转化率,乙装置含有冷凝回流装置,可以冷凝回流反应物,提高反应物的转化率,所以选乙装置(2)CH3CH2CH2CH2OCH2CH2CH2CH3 CH3CH2CH===CH2(3)增加乙酸浓度、减小生成物浓度(或移走生成物)(4)AB(5)检查是否漏水或堵塞分液漏斗上口玻璃塞未打开(或漏斗内部未与大气相通,或玻璃塞上的凹槽未与漏斗口上的小孔对准)5、(1)(2分) 蒸馏(2分)(2)除去未反应的高锰酸钾氧化剂,否则用盐酸酸化时会发生盐酸被高锰酸钾所氧化,产生氯气;(2分)(3)ABD (2分)漏选得一分,错选不得分(4) NaOH溶液(2分) 浓盐酸酸化(2分) (5) 96% (2分)6、(1)球形冷凝管; 冷凝回流,防止甲苯的挥发而降低产品产率; 66.25%(2)H2O2在较高温度时分解速度加快,使实际参加反应的H2O2减少,影响产量(3)过滤 蒸馏 (4)①dacb ②91.50﹪ ③ad7、(1)a(2)(3)检验装置气密性;平衡气压,检查装置是否阻塞(4)液体变为无色透明(5)dbca8、 (1)水浴 维持反应速率,并减少HNO3的挥发及分解,减少副反应的发生 (2)吸收HNO3被还原生成的氮氧化物,防止污染空气 (3)加快过滤速度,减少过滤过程中产品的变质,得到较干燥的产品 (4)除去残留的HNO3,减小己二酸的损失 (5)58.9 (6)9、(1)CH3COOH+CH3CH2CH2CH2OHCH3COOCH2CH2CH2CH3+H2O(2)(球形)冷凝管 防止暴沸(3)分水器中的水层不再增加(4)中和残留的乙酸和硫酸 NaOH溶液易使乙酸正丁酯水解 (5)50%10、(1)C (2)防爆沸 (3)使平衡不断地向正向移动 (4)C (4)除去苯甲酸乙酯中的苯甲酸 在苯甲酸乙酯中有未除净的苯甲酸,受热至100℃时升华 (5)AD (6)92.12%
相关试卷
这是一份突破10 有机化学实验专题复习讲义(三)-备战2023年高考化学《有机化学实验》专题突破系列,共8页。试卷主要包含了教材中五大制备型实验回顾,两大检验性实验,有机物的鉴别常用试剂,有机物的分离与提纯的方法,有机实验的八项注意,熟悉有机物制取中的典型装置图,有机物制备实验题的解题模板等内容,欢迎下载使用。
这是一份突破07 有机化学实验专题训练(七)-备战2023年高考化学《有机化学实验》专题突破系列,共5页。试卷主要包含了CaO等内容,欢迎下载使用。
这是一份突破06 有机化学实验专题训练(六)-备战2023年高考化学《有机化学实验》专题突破系列,共8页。试卷主要包含了苯佐卡因常用于创面等内容,欢迎下载使用。

