





高考物理模型全归纳 第91讲+变压器原理及其动态分析
展开高考物理全归纳——模型专题
在高中物理教学中,引导学生认识、理解和建立“物理模型”,是培养学生创造性思维和创新能力的有效途径。
一、什么是物理模型
自然界中事物与事物之间总是存在着千丝万缕的联系,并都处在不断的变化之中。面对复杂多变的自然界,进行科学研究时,总是遵循这样一条重要的原则,即从简到繁,先易后难,循序渐进,逐次深入。
物理模型有三个类型:(1)物理研究对象的理想化(对象模型);(2)物理条件的理想化(条件模型);(3)物理过程的理想化(过程模型)
二、为什么要建立物理模型
1、帮助学生掌握学习方法 2、落实“过程与方法”的教学目标
3、提高学生解决问题能力
三、如何帮助学生的建立物理模型
(一)提高认识,重视过程:
对研究对象建立理想的物理模型和在研究物理过程中选择最简单的物理模型,在教学中是经常涉及到的,但学生总不能从中得到启示。
(二)概括总结,触类旁通:
新课程提出高中阶段应给学生更多的空间,让学生较独立地进行科学探究,培养学生的自主探究、自主学习、自已解决问题的能力。
第91讲 变压器原理及其动态分析
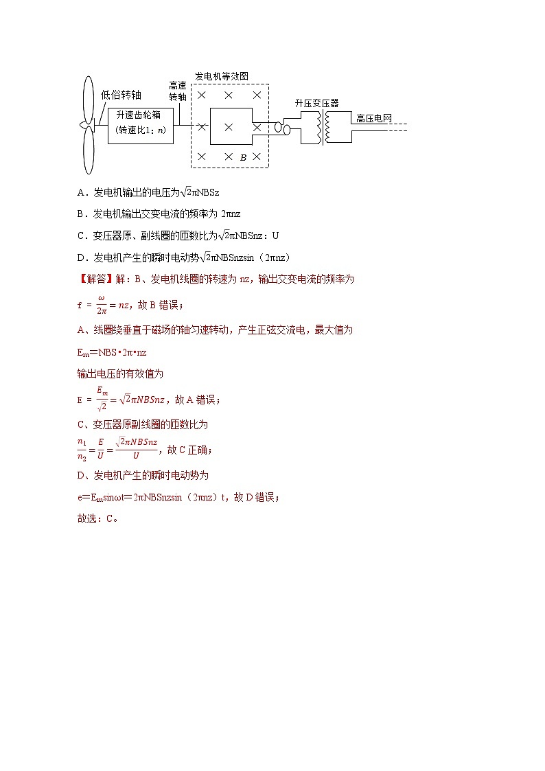
1.(2022•河北)张家口市坝上地区的风力发电场是北京冬奥会绿色电能的主要供应地之一,其发电、输电简易模型如图所示,已知风轮机叶片转速为每秒z转,通过转速比为1:n的升速齿轮箱带动发电机线圈高速转动,发电机线圈面积为S,匝数为N,匀强磁场的磁感应强度为B,t=0时刻,线圈所在平面与磁场方向垂直,发电机产生的交变电流经过理想变压器升压后,输出电压为U。忽略线圈电阻,下列说法正确的是( )
A.发电机输出的电压为2πNBSz
B.发电机输出交变电流的频率为2πnz
C.变压器原、副线圈的匝数比为2πNBSnz:U
D.发电机产生的瞬时电动势2πNBSnzsin(2πnz)
【解答】解:B、发电机线圈的转速为nz,输出交变电流的频率为
f=ω2π=nz,故B错误;
A、线圈绕垂直于磁场的轴匀速转动,产生正弦交流电,最大值为
Em=NBS•2π•nz
输出电压的有效值为
E=Em2=2πNBSnz,故A错误;
C、变压器原副线圈的匝数比为
n1n2=EU=2πNBSnzU,故C正确;
D、发电机产生的瞬时电动势为
e=Emsinωt=2πNBSnzsin(2πnz)t,故D错误;
故选:C。
2.(2022•湖南)如图,理想变压器原、副线圈总匝数相同,滑动触头P1初始位置在副线圈正中间,输入端接入电压有效值恒定的交变电源。定值电阻R1的阻值为R,滑动变阻器R2的最大阻值为9R,滑片P2初始位置在最右端。理想电压表Ⓥ的示数为U,理想电流表Ⓐ的示数为I。下列说法正确的是( )
A.保持P1位置不变,P2向左缓慢滑动的过程中,I减小,U不变
B.保持P1位置不变,P2向左缓慢滑动的过程中,R1消耗的功率增大
C.保持P2位置不变,P1向下缓慢滑动的过程中,I减小,U增大
D.保持P2位置不变,P1向下缓慢滑动的过程中,R1消耗的功率减小
【解答】解:根据原副线圈两端的电流和电压的比值关系可知,原线圈的“等效电阻”与副线圈的电阻的比值关系为:R原R副=U1I1U2I2=(n1n2)2。
可知此电路的等效电路如图所示:
AB、保持P1位置不变,P2向左缓慢滑动的过程中,即原、副线圈的匝数比保持不变,R2接入电路的阻值减小,则由上述分析可知,原线圈位置的等效电阻保持不变,因为滑动变阻器的电阻变小,则电流I变大,U变小,而R1消耗的功率增大,故A错误,B正确;
C、保持P2位置不变,P1向下缓慢滑动的过程中,n2减小,等效电阻增大,电流I减小,则电压表的示数减小,故C错误;
D、滑动触头P1初始位置在副线圈正中间,此时“等效电阻”的阻值为R等效=(n112n1)2R=4R<R2;
保持P2位置不变,P1向下缓慢滑动的过程中,则副线圈的匝数变小,相当于原线圈位置的“等效电阻”增大;当等效电阻的阻值等于R2时,R1消耗的功率最大;当等效电阻的阻值大于9R时,
P1向下缓慢滑动时,R1消耗的电功率减小,故D错误。
故选:B。
3.(2022•山东)如图所示的变压器,输入电压为220V,可输出12V、18V、30V电压,匝数为n1的原线圈中电压随时间的变化为u=Umcos(100πt)。单匝线圈绕过铁芯连接交流电压表,电压表的示数为0.1V。将阻值为12Ω的电阻R接在BC两端时,功率为12W。下列说法正确的是( )
A.n1为1100匝,Um为220V
B.BC间线圈匝数为120匝,流过R的电流为1.4A
C.若将R接在AB两端,R两端的电压为18V,频率为100Hz
D.若将R接在AC两端,流过R的电流为2.5A,周期为0.02s
【解答】解:A、变压器的输入电压为220V,
根据理想变压器原线圈与单匝线圈的匝数比为
U1U2=n1n2
将U1=220V,n2=1,U2=0.1V代入解得原线圈匝数为:
n1=2200,
原线圈的交流电的电压与时间成余弦函数关系,故输入交流电压的最大值为Um=2U=2202V,故A错误;
B、当在BC间接入12Ω的电阻时电功率为12W,由功率表达式P=U2R可得:
UBC=PR=12×12V=12V
故流过R的电流大小为I=UBCR=1212A=1A
再由U1UBC=n1nBC,解得BC间的匝数为nBC=120,故B错误;
C.根据原、副线圈电压与匝数之间的关系可知,原线圈电压和匝数固定时,副线圈的匝数越多,输出的电压就越大,BC间的输出电压为12V,AC间的输出电压应为30V,故AB间的输出电压应为18V。所以当R接在AB间时两端电压大小为18V。
因为变压器不能改变交变电流的频率,所以副线圈的频率等于原线圈的频率,根据原线圈的电压表达式可求得输入电压的周期为:T=2πω=2π100πs=0.02s
故频率为:f=1T=10.02Hz=50Hz,故C错误;
D.若将R接在AC端,根据欧姆定律可知,流过电阻R的电流为I'=UACR=3012A=2.5A
由C选项可知交流电的周期为T=0.02s,故D正确。
故选:D。
一.知识回顾
1.构造:如图所示。变压器由闭合铁芯和绕在铁芯上的两个线圈组成。
(1)原线圈:与交流电源连接的线圈,也叫初级线圈。
(2)副线圈:与负载连接的线圈,也叫次级线圈。
2.工作原理:电磁感应的互感现象。
(1)无漏磁,故原、副线圈中的Φ相同。
(2)线圈无电阻,因此无电压降,副线圈两端电压U2=n2。
(3)根据=得,套在同一铁芯上的线圈,有===…。
(4)无电能损失,因此P入=P出,无论副线圈是一个还是多个,总有U1I1=U2I2+U3I3+…,将电压关系代入可得n1I1=n2I2+n3I3+…。
(5)变压器只能改变交变电流的电压和电流,不能改变交变电流的频率。
(6)理想变压器基本关系中的U、I均为有效值。
3.理想变压器的基本关系式
(1)功率关系:P入=P出。
(2)电压关系:=。若n1>n2,为降压变压器;若n1
有多个副线圈时,U1I1=U2I2+U3I3+…+UnIn。
4.动态分析中的决定关系
制约
关系
电压
原线圈电压U1和匝数比决定副线圈电压U2(当U1和匝数比不变时,不论负载电阻R变化与否,U2不会改变)
功率
副线圈的输出功率P出决定原线圈的输入功率P入(可简记为“用决定供”)
电流
副线圈电流I2和匝数比决定原线圈电流I1
5匝数比不变的情况(如图所示)
(1)U1不变,根据=,输入电压U1决定输出电压U2,可以得出不论负载电阻R如何变化,U2不变。
(2)当负载电阻发生变化时,I2变化,根据输出电流I2决定输入电流I1,可以判断I1的变化。
(3)I2变化引起P2变化,根据P1=P2,可以判断P1的变化。
6.负载电阻不变的情况(如图所示)
(1)U1不变,发生变化,U2变化。
(2)R不变,U2变化,I2发生变化。
(3)根据P2=和P1=P2,可以判断P2变化时,P1发生变化,U1不变时,I1发生变化。
7.分析动态问题的步骤
8. 两种特殊的变压器模型
(1)自耦变压器
自耦变压器(又称调压器),它只有一个线圈,其中的一部分作为另一个线圈,当交流电源接不同的端点时,它可以升压也可以降压,变压器的基本关系对自耦变压器均适用,如下图所示。
(2)互感器
分为电压互感器和电流互感器,两者比较如下:
电压互感器
电流互感器
原理图
原线圈的连接
并联在高压电路中
串联在交流电路中
副线圈的连接
连接交流电压表
连接交流电流表
互感器的作用
将高电压变为低电压
将大电流变为小电流
利用的公式
=
I1n1=I2n2
二.例题精析
题型一:考查变压器原理(磁通量变化率与原、副线圈所加电压的关系);分压+变压
例1.在图示电路中,理想变压器原线圈的匝数为220匝,副线圈的匝数可调,L1、L2、L3和L4是四个相同的灯泡。当在a、b两端加上瞬时值表达式为u=2202sin100πt(V)的交变电压时。调节副线圈的匝数,使四个灯泡均正常发光。下列说法正确的是( )
A.变压器副线圈的匝数为440匝
B.灯泡的额定电压为55V
C.变压器原线圈两端电压为220V
D.穿过变压器原线圈的磁通量变化率的最大值为0.1V
【解答】解:A、四个灯泡均正常发光,则通过变压器原、副线圈的电流相等,根据变流比可知,电流之比等于匝数之比,故变压器副线圈的匝数和原线圈匝数相等,均为220匝,故A错误;
B、a、b端的交变电压的最大值为2202V,则有效值为Uab=22022V=220V,设灯泡的额定电压为U,根据理想变压器变压比可知,原线圈两端电压为2U,根据欧姆定律可知,Uab=4U,解得灯泡的额定电压:U=55V,故B正确;
C、变压器原线圈两端电压:2U=110V,故C错误;
D、根据法拉第电磁感应定律可知,原线圈两端电压最大值:1102V=n原⋅△Φ△t,解得穿过变压器原线圈的磁通量变化率的最大值为22V,故D错误。
故选:B。
题型二:两个副线圈
(多选)例2.如图,理想变压器原线圈匝数为N,有两个接有电阻阻值均为R的独立副线圈甲、乙。现测得线圈甲上的电流I1,线圈乙上的电流为I2,原线圈电压为U,则( )
A.甲线圈匝数为I1RUN
B.乙线圈匝数为UI2RN
C.原线圈电流为I1+I2
D.原线圈电流为I12+I22UR
【解答】解:A、甲线圈两端电压U1=I1R,根据变压器原理可得U1U=n1N,解得甲线圈匝数为n1=I1RUN,故A正确;
B、乙线圈两端电压U2=I2R,根据变压器原理可得U2U=n2N,解得甲线圈匝数为n2=I2RUN,故B错误;
CD、根据输入功率等于输出功率可得:UI=I12R+I22R,解得原线圈电流为I=I12+I22UR,故C错误、D正确。
故选:AD。
题型三:含二极管的电路
例3.如图所示的电路中,理想变压器原、副线圈的匝数比n1:n2=22:5,原线圈接u1=2202sin 100πt(V)的交流电,电阻R1=R2=25Ω,D为理想二极管,则( )
A.电阻R2两端电压为50 V
B.通过副线圈的电流为3 A
C.原线圈的输入功率为200 W
D.二极管的反向耐压值应大于50 V
【解答】解:A、由表达式知原线圈电压有效值为U1=22022V=220V,根据U1U2=n1n2,得副线圈两端电压为U2=50V;
根据电流的热效应,(50)2R2⋅T2=U2'R2⋅T,所以R2两端电压为U2'=252V,故A错误;
C、副线圈的电阻R2电压只有正向电压,而电阻R1的电压仍等于副线圈的电压,因此可假设没有二极管,则每个电阻消耗的功率为U22R1=50225=100W,由于现在二极管的作用,所以副线圈的输出功率为P=100+50=150W,故C错误;
B、流过副线圈的电流I2=P2U2=15050=3A,故B正确;
D、副线圈的最大电压为502V,二极管具有单向导电性,因此二极管的反向耐压值应大于502V
,故D错误;
故选:B。
题型四:应用二级推论进行动态分析
(二级推论:原线圈等效电阻与副线圈负载电阻之比等于原、副线圈匝数之比的平方)
(多选)例4.如图所示,理想交流电流表A1、A2,定值电阻R1、R2,光敏电阻R(光照强度增大,阻值减小),分别接在理想变压器的原、副线圈上。U0为正弦交流电源电压的有效值,且保持不变。若增大光照强度,下列说法正确的是( )
A.电流表A1、A2示数都增大
B.原、副线圈两端电压U1、U2都不变
C.R1的电功率减小,R2电功率增大
D.R两端的电压减小
【解答】解:AC.增大光照强度,电阻R减小,由欧姆定律:I=UR,副线圈电流I2增大,由I1I2=n2n1,可知:I1增大,故电流表示数都增大,由功率公式:P=I2R,R1、R2电功率均增大,故A正确,C错误;
B.由于I1增大,由欧姆定律:I=UR,R1两端电压UR1增大,由U1=U0﹣UR1,原线圈电压U1减小,由U1U2=n1n2,可知:U2减小,故B错误;
D.由于U2减小,R2的电流增大、电压增大,由UR=U2﹣UR2,故R两端电压减小,故D正确。
故选:AD。
题型五:自耦变压器
例5.如图甲所示为一种自耦变压器(可视为理想变压器)的结构示意图。线圈均匀绕在圆环型铁芯上,滑动触头P在某一位置,在BC间接一个交流电压表和一个电阻R。若AB间输入图乙所示的交变电压,则( )
A.t=1×10﹣2s时,电压表的示数为零
B.电阻R中电流方向每秒钟改变50次
C.滑动触头P逆时针转动时,AB间输入功率增大
D.滑动触头P顺时针转动时,R两端的电压增大
【解答】解:A、电压表的读数为有效值,任何时刻均不可能为零,故A错误;
B、该交流电的周期0.02s,频率为50Hz,一个周期电流方向改变2次,电阻R中电流方向每秒钟改变100次,故B错误;
C、滑动触头P逆时针转动时,副线圈匝数增加,输入电压和原线圈匝数不变,根据U1U2=n1n2,可知输出电压增加,根据P=U2R,输出功率增大,由P入=P出,AB间的输入功率也增大,故C正确;
D、滑动触头P顺时针旋转时,BC间线圈匝数减小,输入电压和原线圈匝数不变,根据U1U2=n1n2,可知输出电压减小,即R两端电压减小,故D错误;
故选:C。
题型六:互感器
例6.2020年11月17~20日长春遭遇了一轮冻雨暴雪天气,致使多条供电线路停运,电力部门持续进行抢修除冰作业。针对高压输电线融冰有一种电流发热融冰法,就是增大高压电线内通入的电流使电线发热,利用电线自身的发热量使其外部冰层由内向外融化,达到融冰除冰的目的。为了监测高压线路融冰进展情况,技术人员通过如图所示的装置检测融冰线路。图中T1、T2是监测交流高压输电参数的互感器(均视为理想变压器),T1的原、副线圈匝数比为1:1000,a、b是交流电压表或交流电流表,其中交流电压表两端的电压为10V,高压线路输送的电功率是2200kW、电压是22kV,则( )
A.a是交流电压表
B.T2的原、副线圈匝数比为1000:1
C.通过交流电流表的电流为0.1A
D.绕制T1副线圈的导线应比原线圈的粗
【解答】解:ACD.T1副线圈的匝数多,副线圈电流小,所以是测交流电流的,即a是交流电流表。根据电功率公式得I=PU=2200×10322×103A=100A
根据变压器电流关系有I2=n1I1n2A=1×1001000A=0.1A
T1原线圈的电流大于副线圈的电流,故绕制T1原线圈的导线应比副线圈的粗,绕制副线圈的导线比原线圈要细;
故AD错误,故C正确;
B.根据变压器电压关系有n1n2=U1U2=22×103V10V=22001,故B错误。
故选:C。
题型七:原、副线圈电压变化量之比等于原、副线圈匝数之比(二级推论)
例7.某理想变压器原、副线圈的匝数之比为1:10,当输入电压增加10V时,输出电压( )
A.降低1V B.增加1V C.降低100V D.增加100V
【解答】解:根据U1U2=n1n2得,△U1△U2=n1n2,即10△U2=110,解得:△U2=100V,即输出电压增加100V.故D正确,ABC错误。
故选:D。
题型八:交变电流的产生与变压
例8.科学中心某款手摇点火器原理如图所示。当钢针和金属板间瞬时电压超过5000V时可以产生电火花。已知匀强磁场的磁感应强度B大小为0.2T,手摇发电机线圈的面积为0.25m2,共50匝,不计内阻,变压器为理想变压器,其原副线圈匝数比为1:100。下列说法正确的是( )
A.线圈转速等于2r/s时,点火器可以产生电火花
B.线圈转速等于4r/s时,点火器可以产生电火花
C.电压表的示数为5V时,点火器可以产生电火花
D.电压表的示数为25V时,点火器可以产生电火花
【解答】解:AB、设线圈转速为n,则线圈转动的角速度ω=2πn,发动机产生的最大感应电动势为:
Em=NBSω=2πNBSn
发电机线圈电阻不计,则变压器原线圈输入电压等于发电机的最大电动势,即为:
U1m=Em
点火器产生电火花时电压的最小值为:U2m=5000V,
根据变压器的变压比可知:U1mU2m=n1n2
代入数据解得:U1m=50V,n=10πr/s≈3.18r/s,故A错误,B正确;
CD、电压表示数是原线圈两端的有效值,点火器刚能点火时U1=U1m2=502V=252V,
5V与25V都小于252V,都不能到达点火电压,故CD错误。
故选:B。
题型九:线圈匝数比变化或负载电阻变化时的动态分析
(多选)例9.如图所示,理想变压器原线圈一端有a、b两接线柱,a是原线圈的一端点,b是原线圈的中心抽头,电压表和电流表均为理想电表。从某时刻开始在原线圈c、d两端加上交变电压,其瞬时值表达式为u1=Usin100πt,则( )
A.当单刀双掷开关分别与a、b连接时,电压表的示数比为1:2
B.当t=0时,c、d间的电压瞬时值为U2
C.单刀双掷开关与a连接,在滑动变阻器触头P向上移动的过程中,电压表示数增大
D.当单刀双掷开关由a扳向b时,电流表的示数增大
【解答】解:A、由U1U2=n1n2得:U2=n2n1U1,所以U2与n1成反比,当单刀双掷开关分别与a、b连接时,n1之比是2:1,所以U2之比是1:2,即电压表示数为1:2,故A正确;
B、电压瞬时值应将对应时间直接代入表达式中即可,当t=0时,u1=Usin100πt=0V,故B错误;
C、由U1U2=n1n2得:U2=n2n1U1,匝数与U1都没变,所以U2不变,即电压表示数不变,故C错误;
D、由U1U2=n1n2得:U2=n2n1U1,所以U2与n1成反比,当单刀双掷开关由a扳向b时,n1减小,U2变大,电流表的示数I=U2R,R不变,U2变大,所以电流表的示数增大,故D正确。
故选:AD。
三.举一反三,巩固练习
1. 如图,是某风力发电节能路灯的电路简化图。风速为V时,交流发电机的电动势表达式为e=2v•sinωt,能感应风速大小的调节器(不消耗副线圈电路的电能)可以控制变压器副线圈的滑片P上下移动,使灯泡始终保持额定电压正常发光,下列说法正确的是( )
A.风速变大时,流过灯泡的电流变大
B.风速变大时,滑片P将向上移动
C.风速变大时,变压器的输入电压变大
D.风速变大时,变压器的输出电压变大
【解答】解:AD、调节器可以控制变压器副线圈的滑片P上下移动,使灯泡始终保持额定电压正常发光,所以风速变大时,流过灯泡的电流不变,变压器的输出电压不变,故AD错误;
C、由题意可知
e=2vsinωt
所以风速变大时,交流发电机的电动势变大,则变压器的输入电压变大,故C正确;
B、由变压器原副线圈电压与匝数关系
U1U2=n1n2
可知,输入电压U1增大,输出电压U2不变,原线圈匝数不变时,副线圈的匝数应减小,则滑片P向下移动,故B错误;
故选:C。
2. 自行车的发电花鼓装置可以在骑行时为车灯提供持续的电能,其原理可简化为图(甲)所示,图中N、S是可与摩擦小轮同轴转动的一对磁极,磁极周围固定一个与理想变压器相连的矩形线框,变压器的输出端与车灯相连。匀速骑行时,摩擦小轮在车轮的驱动下带动磁极旋转,变压器输出正弦型交变电流。某辆携带发电花鼓装置的自行车的部分结构如图(乙)所示,其中大齿轮与踏板相连,半径较小的小齿轮1和半径较大的小齿轮2与后轮同轴固定,骑行者可调节变速器使链条挂在不同的小齿轮上,骑行时摩擦小轮与车轮不打滑。下列说法正确的是( )
A.骑行速度越快,车灯一定越亮
B.骑行速度越快,交变电流的周期一定越大
C.同样的骑行速度,链条挂在小齿轮1上相比挂在小齿轮2上,灯泡更亮
D.同样的骑行速度,变压器原线圈的匝数越多,车灯越亮
【解答】解:A.骑行速度越快,摩擦小轮转动越快,线圈的感应电动势越大,车灯的电流越大,车灯一定越亮,故A正确;
B.骑行速度越快,摩擦小轮转动越快,摩擦小轮的角速度越大,根据T=2πω,交变电流的周期一定越小,故B错误;
C.同样的骑行速度,车轮的线速度线相同,摩擦小轮的线速度相同,摩擦小轮的角速度相同,无论链条挂在小齿轮1上还是挂在小齿轮2上,灯泡的亮度相同,故C错误;
D.同样的骑行速度,车轮的线速度线相同,摩擦小轮的线速度相同,摩擦小轮的角速度相同,变压器原线圈的电压相同,根据U1U2=n1n2,变压器原线圈的匝数越多,变压器副线圈两端电压越小,车灯越暗,故D错误。
故选:A。
3. 如图(a)所示,线圈的匝数比为3:1,Rr为阻值随温度升高而减小的热敏电阻,R1为定值电阻,电压表和电流表均为理想交流电表。原线圈所接电压u随时间t按正弦规律变化,如图(b)所示。下列说法正确的是( )
A.变压器输入输出功率之比为3:1
B.变压器副线圈输出的交变电压的频率为150Hz
C.若热敏电阻Rr的温度升高,R1消耗的功率变大
D.若热敏电阻Rr的温度升高,电压表和电流表示数均变大
【解答】解:A、理想变压器的输入功率和输出功率相等,故A错误;
B、由图b可知交流电的频率为
f=1T=12×10−2Hz=50Hz,所以副线圈输出的交变电压的频率也为50Hz,故B错误;
C
、当热敏电阻的温度升高时,由题意可知其阻值将减小,所以副线圈所在电路的总电阻将减小,电路中的电流变大,电流表示数变大,根据公式P=I2R可知定值电阻消耗的功率将变大,故C正确;
D、电阻RT的阻值变化不会影响输入电压,所以电压表的示数不变,故D错误;
故选:C。
4. 如图甲所示,理想变压器原,副线圈的匝数之比为10:1,B是原线圈的中心接头,原线圈输入电压如图乙所示,副线圈电路中R1,R3为定值电阻,R2为NTC型热敏电阻(阻值随温度升高而减小),C为耐压值为50V的电容器,所有电表均为理想电表。下列判断正确的是( )
A.当单刀双掷开关与B连接,副线圈两端电压的频率变为10Hz
B.当单刀双掷开关由A→B时,电容器C会被击穿
C.当单刀双掷开关与A连接,传感器R2所在处温度升高,A1的示数变大,A2的示数不变
D.其他条件不变,单刀双掷开关由A→B时,变压器的输出功率变为原来的0.5倍
【解答】解:A.变压器不会改变交流电的频率,因此副线圈两端电压的频率仍为50Hz,故A错误;
B.根据n1n2=U1U2,可知当单刀双掷开关由A→B时,副线圈两端电压的最大值为U2M=442V>50V,因此电容器C会被击穿,故B正确;
C.若传感器R2所在处温度升高,电阻减小,副线圈干路电流强度增加,原线圈电流强度增加,A1的示数变大;R3分得的电压升高,而副线圈两端电压不变,R1分得的电压减小,因此电流表A2的示数减小,故C错误;
D.其他条件不变,单刀双掷开关由A→B时,变压器的输出电压加倍,从而变压器的输出功率增加,故D错误。
故选:B。
5. 如图甲所示,理想变压器原线圈接入图乙所示的交变电压,副线圈电路中R0为定值电阻,R是滑动变阻器。原、副线圈的匝数之比为10:1,V1和V2是理想交流电压表,示数分别用U1和
U2表示;A1和A2是理想交流电流表,示数分别用I1和I2表示。则( )
A.t=0.01s时,电压表V1的示数U1此时为零
B.滑片P向下滑动过程中,I1U1的数值变大
C.滑片P向下滑动过程中,U2I2的数值变大
D.滑片P向下滑动过程中,R消耗的功率变大
【解答】解:A、电表的示数为交流电的有效值,电压表V1示数应为220V,故A错误;
B、当滑片向下滑的过程中,副线圈中连入电路中的电阻变小,电流增大,功率增大。那么原线圈中的功率U1I1也增大,故B正确;
C、滑片向下滑的过程中,副线圈中连入电路中的电阻变小,即R副=U2I2也减小,故C错误;
D、当滑片向下滑的过程中,电阻R变小,但副线圈电压U2不变,电流I2增大,所以R0两端电压增大,所以R两端电压减小,由于两个阻值大小不定所以功率不能判断,故D错误。
故选:B。
6. 图为理想的可调式自耦变压器与负载连接电路,原线圈输入交流电的电压u确定,闭合电键S,电动机M开始工作,此后观察到灯泡L亮度变暗,则以下说法错误的是( )
A.S闭合后电流表读数变大
B.S闭合后原线圈输入功率变大
C.S闭合副线圈输出电压没有变化
D.要让L灯达到原来亮度,P滑动头应向上移动
【解答】解:AC
、由于原线圈电压确定,原、副线圈匝数确定,所以副线圈两端电压一定;闭合电键S,电动机M开始工作,此后观察到灯泡L亮度变暗,说明灯泡L两端电压减小,因此电阻R两端电压增大,由U=IR可知,通过电阻R的电流增大,电流表读数变大,故AC正确;
B、由副线圈输出功率P2=U2I2,可知副线圈的输出功率变大,由理想变压器P1=P2,所以S闭合后原线圈输入功率变大,故B正确;
D、要让L灯达到原来亮度,就要增大副线圈的输出电压,由U1U2=n1n2,可知,要减小原副线圈的匝数比,P滑动头应向下移动,故D错误。
本题选择错误选项,
故选:D。
7. 如图所示,理想变压器的原、副线圈匝数比为2:1,原线圈接在u=Umcos(ωt+φ)的交流电源上,副线圈接一定值电阻R0和滑动变阻器R,电流表、电压表均为理想交流电表。当滑动变阻器R的滑片P由a端向b端缓慢滑动时,下列说法中正确的是( )
A.电流表A1、A2的示数之比为2:1
B.电压表V1的示数逐渐变大
C.电流表A2的示数逐渐变大
D.原线圈的输入功率可能减小
【解答】解:A.根据原副线圈电流与匝数成反比得:I1I2=n2n1=12;故A错误;
B.电压表V1测量原线圈电压,移动滑动变阻器,原线圈电压不变;故B错误;
C.根据:U1U2=n1n2可知副线圈电压不变,则滑动变阻器滑片P由a端向b端缓慢滑动时,电阻变小,电流变大,所以电流表A2的示数逐渐变大,故C正确;
D.变压器的原、副线圈的电压均不变,而副线圈电路总电阻减小,则输出功率一直增大,由于理想变压器输入功率和输出功率相等,变压器输入功率也一直变大,故D错误。
故选:C。
8. 风能是取之不尽、用之不竭的能源之一,尤其是在草原以及海上。如图甲所示,理想变压器原线圈MN两端接在风力发电装置的AB两点,已知理想变压器原副线圈的匝数分别为500匝和
1000匝,在风力的作用下,风叶带动与其固定在一起的磁铁转动,转速与风速成正比。某一风速时,变压器原线圈两端电压随时间变化的关系图像如图乙所示,则下列说法正确的是( )
A.变压器原线圈两端电压的瞬时值表达式为u=100sin100πt(V)
B.电压表的读数为100V
C.断开电键S,电压表的读数为零
D.如果风速加倍,变压器原线圈两端电压的瞬时值表达式为u=200sin100πt(V)
【解答】解:A、根据乙图可知,交流电的最大值为Um=100V,周期T=0.04s,故角速度为ω=2πT=2π0.04rad/s=50πrad/s,变压器原线圈两端电压的瞬时值表达式为u=100sin50πt(V),故A错误;
B、交流电的有效值U1=Um2=1002V=502V,故电压表的读数为502V,故B错误;
C、根据U1U2=n1n2可得U2=1002V,断开电键S,电压表的读数为1002V,故C错误;
D、如果风速加倍,角速度加倍,产生的感应电动势的最大值加倍,变压器原线圈两端电压的瞬时值表达式为u=200sin100πt(V),故D正确;
故选:D。
高考物理模型全归纳 第92讲+远距离输电原理及其动态分析: 这是一份高考物理模型全归纳 第92讲+远距离输电原理及其动态分析,文件包含第92讲远距离输电原理及其动态分析解析版docx、第92讲远距离输电原理及其动态分析原卷版docx等2份试卷配套教学资源,其中试卷共24页, 欢迎下载使用。
高考物理模型全归纳 第77讲+带电粒子在磁场中的动态圆模型: 这是一份高考物理模型全归纳 第77讲+带电粒子在磁场中的动态圆模型,文件包含第77讲带电粒子在磁场中的动态圆模型解析版docx、第77讲带电粒子在磁场中的动态圆模型原卷版docx等2份试卷配套教学资源,其中试卷共30页, 欢迎下载使用。
高考物理模型全归纳 第65讲 电路故障分析: 这是一份高考物理模型全归纳 第65讲 电路故障分析,文件包含第65讲电路故障分析解析版docx、第65讲电路故障分析原卷版docx等2份试卷配套教学资源,其中试卷共18页, 欢迎下载使用。