所属成套资源:高考物理一轮复习 考点一遍过(全国通用)
高考物理考点一遍过 考点71 电磁振荡与电磁波
展开
这是一份高考物理考点一遍过 考点71 电磁振荡与电磁波,共19页。试卷主要包含了听要结合写和思考等内容,欢迎下载使用。
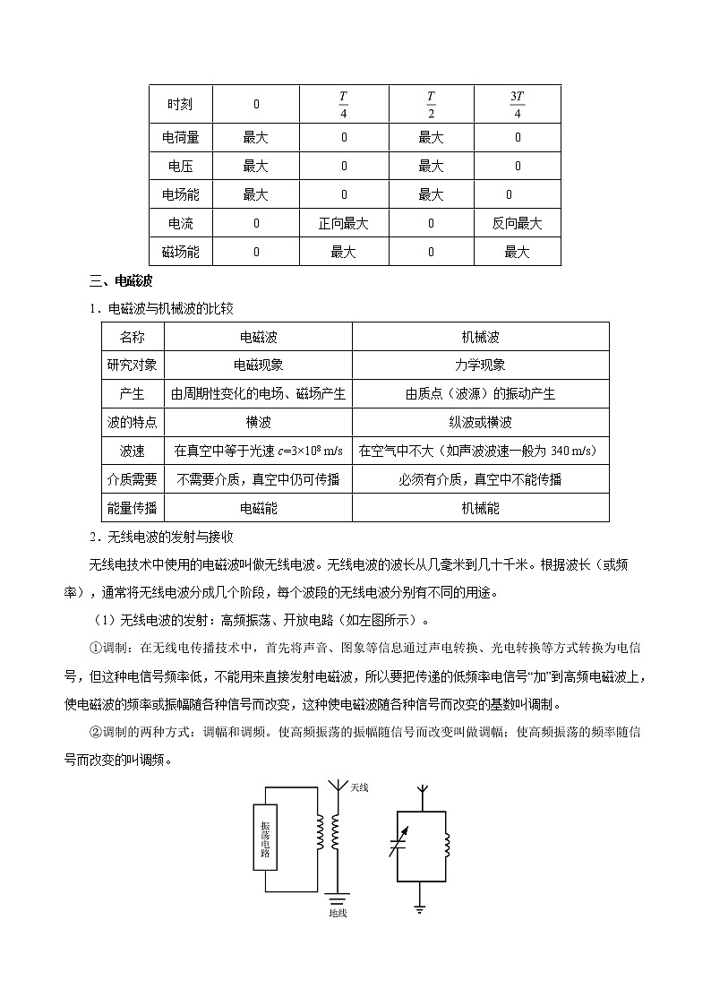
高考物理一轮复习策略首先,要学会听课:1、有准备的去听,也就是说听课前要先预习,找出不懂的知识、发现问题,带着知识点和问题去听课会有解惑的快乐,也更听得进去,容易掌握;2、参与交流和互动,不要只是把自己摆在“听”的旁观者,而是“听”的参与者。3、听要结合写和思考。4、如果你因为种种原因,出现了那些似懂非懂、不懂的知识,课上或者课后一定要花时间去弄懂。其次,要学会记忆:1、要学会整合知识点。把需要学习的信息、掌握的知识分类,做成思维导图或知识点卡片,会让你的大脑、思维条理清醒,方便记忆、温习、掌握。2、合理用脑。3、借助高效工具。学习思维导图,思维导图是一种将放射性思考具体化的方法,也是高效整理,促进理解和记忆的方法。最后,要学会总结:一是要总结考试成绩,通过总结学会正确地看待分数。1.摸透主干知识 2.能力驾驭高考 3.科技领跑生活 一、麦克斯韦电磁场理论1.理论内容变化的磁场能够产生电场,变化的电场能够产生磁场。根据这个理论,周期性变化的电场和磁场相互联系,交替产生,形成一个不可分割的统一体,即电磁场。2.深度理解(1)恒定的电场不产生磁场;恒定的磁场不产生电场。(2)均匀变化的磁场在周围空间产生恒定的电场;均匀变化的电场在周围空间产生恒定的磁场。(3)振荡电场产生同频率的振荡磁场;振荡磁场产生同频率的振荡电场。二、电磁振荡1.LC振荡电路:由自感线圈和电容器组成的电路就是最简单的振荡电路,简称LC电路。如图所示,先将开关K和1接触,开关闭合后电源给电容器C充电,然后将S和2接触,在LC电路中就出现了大小与方向都做周期性变化的振荡电流。在产生电流的过程中,电容器极板上的电荷q、电路中的电流i、电容器内的电场强度E和线圈中的磁感应强度B都发生周期性变化,这种现象叫做电磁振荡。(1)从振荡的表象上看:振荡过程实际上是通过线圈L对电容器C充、放电的过程。(2)从物理本质上看:振荡过程实质上是磁场能和电场能之间通过充、放电相互转化的过程。2.电磁振荡的周期和频率与力学中的简谐运动类似,如果没有能量损失,也不受外界影响,电磁振荡的周期与频率由振荡电路本身的结构与性质决定,因此称这个周期与频率为固有周期与固有频率,LC电磁振荡的周期T=2π,频率。3.电磁振荡的规律电路状态电容器充放电状态电容器正向充电完成电容器正向完全放电电容器反向充电完成电容器反向完全放电时刻0电荷量最大0最大0电压最大0最大0电场能最大0最大0[来源:Zxxk.Com]电流0正向最大0反向最大磁场能0最大0最大三、电磁波1.电磁波与机械波的比较名称电磁波机械波研究对象电磁现象力学现象产生由周期性变化的电场、磁场产生由质点(波源)的振动产生波的特点横波纵波或横波波速在真空中等于光速c=3×108 m/s在空气中不大(如声波波速一般为340 m/s)介质需要不需要介质,真空中仍可传播必须有介质,真空中不能传播能量传播电磁能机械能2.无线电波的发射与接收无线电技术中使用的电磁波叫做无线电波。无线电波的波长从几毫米到几十千米。根据波长(或频率),通常将无线电波分成几个阶段,每个波段的无线电波分别有不同的用途。(1)无线电波的发射:高频振荡、开放电路(如左图所示)。①调制:在无线电传播技术中,首先将声音、图象等信息通过声电转换、光电转换等方式转换为电信号,但这种电信号频率低,不能用来直接发射电磁波,所以要把传递的低频率电信号“加”到高频电磁波上,使电磁波的频率或振幅随各种信号而改变,这种使电磁波随各种信号而改变的基数叫调制。②调制的两种方式:调幅和调频。使高频振荡的振幅随信号而改变叫做调幅;使高频振荡的频率随信号而改变的叫调频。 (2)无线电波的接收:调谐电路(如右图所示)。①调谐:调谐电路的固有频率可以在一定范围内连续改变,将调谐电路的频率调节到与需要接收的某个频率的电磁波相同,使接收电路产生电谐振,这一过程叫做调谐。电谐振:当接收到的电磁波的频率跟接收电路的固有频率相同时,接收电路中产生的振荡电流最强,这种现象叫做电谐振。②解调:从接收到的高频振荡中分离出所携带的信号的过程叫做解调。解调是调制的逆过程。调幅波的解调也叫检波。3.电磁波谱及电磁波的应用电磁波谱频率/Hz真空中波长/m特性应用无线电波<3×1011>10–3波动性强,易衍射无线电技术红外线1011~101510–3~10–7热效应红外遥感可见光101510–7引起视觉照明、摄影紫外线1015~101710–7~10–9化学效应、荧光效应医用消毒、防伪X射线1016~101910–8~10–11贯穿本领强检查、医用透视γ射线>1019<10–11贯穿本领最强、能量高工业探伤、医用治疗(2018·北京101中学下学期高二年级期末考试)麦克斯韦电磁场理论告诉我们A.任何电场周围都要产生磁场B.任何变化的电场都要在周围空间产生变化的磁场C.任何变化的电场都要在周围空间产生恒定的磁场D.周期性变化的电场要在周围空间产生周期性变化的磁场【参考答案】D【详细解析】根据麦克斯韦的电磁场理论可知,变化的磁场产生电场,变化的电场产生磁场;均匀变化的电(磁)场只能产生恒定不变的磁(电)场,周期性变化的电场要在周围空间产生周期性变化的磁场,故ABC错误,D正确,故选D。【名师点睛】要特别注意的是:非均匀变化的电场(磁场)产生的磁场(电场)可能是均匀变化的,也可能是非均匀变化的,如电场(磁场)随时间以二次函数关系变化,则该电场(磁场)将产生均匀变化的磁场(电场)。1.(2018·上海市闵行区高三第一学期期末质量调研考试)下列关于电磁场的说法正确的是A.电磁场的本质是电场B.电磁场的本质是磁场C.电磁场是电场和磁场的统称D.电磁场是周期性变化的电场和磁场交替产生而形成的不可分离的统一体【答案】D【解析】电磁场是周期性变化的电场和磁场交替产生而形成的不可分离的统一体。故D项正确,ABC三项错误。2.下列关于电磁场和电磁波的正确说法是A.电场和磁场总是相互联系的,它们统称为电磁场B.电磁场由发生的区域向远处的传播形成电磁波C.在电场周围一定产生磁场,磁场周围一定产生电场D.电磁波是一种物质,可以在真空中传播【答案】BD【解析】变化的电场产生变化的磁场,变化的磁场产生变化的电场,这种电磁场的交替产生由近及远地向外传播,形成了电磁波,A错误,B正确;在恒定的电场(磁场)周围不产生磁场(电场),C错误;电磁波是一种物质,可以在真空中传播,D正确。 (2018·河北省邢台市第二中学高中物理选修3-4课时训练)在LC振荡电路中,和时电感线圈中的磁感线和电容器中的极板带电情况如图所示,若,则下列说法中正确的是A.在时刻电容器正在充电B.在时刻电容器正在充电C.在时刻电路中的电流处在增大状态D.在时刻电路中的电流处在增大状态【参考答案】BC【详细解析】当(k=0,1,2,…)时,由图可知振荡电路电流为零,A错误;当电场强度增大时,电容器充电,线圈中自感电动势与电流方向相同,B错误;电容器充电时,电场能增大,磁场能减小,磁场能转化为电场能,C正确;相邻的充、放电时间内,电荷的运动方向相反,电流方向相反,D错误。1.如图,L是电阻不计的电感,C是电容器,闭合开关S,待电路稳定后,再断开S,LC电路将产生电磁振荡。若规定L中电流方向从a到b为正,断开S的时刻为t=0,则能正确表示电感中电流i随时间t变化规律的是ABCD【答案】B【解析】S断开瞬间,L产生感应电流,电流方向与原来方向相同,即从a到b,电流减小,电容器充电,右端为正极板,然后电容器放电,电流方向从b到a,选B。2.(2018·河南省南阳市高二下学期期末考试)振荡电路的振荡周期为时刻电流方向如图所示,此时电容器不带电。下列图象正确的是A.B.C.D.【答案】D【解析】根据题意,t=0时刻,极板上电荷量为零,电场强度为零,电场能为零;磁场能最强,振荡电流最大,电容器即将进行反向充电。由于能量是标量,所以线圈中磁场能的图象应该在横轴上方。故本题选D。 (2018·安徽省普通高中学业水平考试物理试题)下列关于电磁波的说法正确的是A.电磁波不具有能量B.Χ射线和γ射线都不是电磁波C.电磁波在真空中的传播速度等于光速D.不同频率的电磁波在真空中的波长都相等【参考答案】C【详细解析】电磁波既能传递信息,也能传递能量,A错误;Χ射线和γ射线都是电磁波,B错误;电磁波在真空中的传播速度等于光速,C正确;电磁波在真空中传播的速度相等,根据可知不同频率的电磁波的波长不相等,D错误。【名师点睛】解电磁波谱及电磁波的应用类问题,首先要牢记电磁波谱中各类电磁波按照频率或波长大小关系的排列顺序(无线电波、红外线、可见光、紫外线、X射线、γ射线),根据其波长和频率的大小关系,联系其表现为波动性或粒子性,理解记忆其应用。1.电磁波与我们的生活密切相关,下列关于电磁波及其应用的说法正确的是A.电磁波不会产生污染B.电磁波不能在真空中传播C.电饭煲是利用电磁波来加热食物的电器D.雷达是利用电磁波测定物体位置的无线电设备【答案】D【解析】电磁波会产生电磁辐射,过量的辐射也是污染,如光污染、γ射线污染,A错误;电磁波可以在真空中传播,B错误;电饭煲是利用电流的热效应加热食物的,C错误;雷达是利用电磁波测定物体位置的无线电设备,D正确。2.(2018·北京市北京一零一中学高二下学期期中考试)下列有关电磁波的特性和应用,说法正确的是A.红外线和射线都有很高的穿透本领,常用于医学上透视人体B.一切物体都在不停地向外辐射红外线和紫外线C.电磁波中频率最大为射线,最容易用它来观察衍射现象D.红外线容易穿过云雾烟尘是利用它的波长较大,容易发生明显衍射的特性【答案】D【解析】X射线具有很强的穿透本领,常用于医学上的人体透视,而红外线的穿透本领较差,故A错;红外线一切物体都能发出,而紫外线是一切高温物体能够发出,故B错;电磁波衍射现象与波长有关,波长越长,衍射现象越明显,而射线波长最短,则不容易观察到衍射现象,故C错;红外线能够穿过云雾烟尘是利用它的波长较长,容易发生明显衍射的特性,D正确。故选D。1.(2018·陕西省宝鸡市金台区高二(文)第一学期期末质量检测)关于电磁波,下列叙述中正确的是A.电磁波在真空中的传播速度为3×108 m/sB.电磁波和机械波一样依赖于介质传播C.电磁波中每一处电场强度方向和磁感应强度方向相互垂直,与波的传播方向平行D.电磁波发射时需要经过解调,解调的方式有调幅和调频2.(2018·河南省郑州第一〇六中学高二上学期期中考试)下列关于电磁场和电磁波的说法中,正确的是A.电场和磁场总是相互联系的,它们统称为电磁场B.变化的电磁场由发生的区域向远处传播形成电磁波C.在电场周围一定产生磁场,在磁场周围一定产生电场D.电磁波是一种波,声波也是一种波,理论上它们是同种性质的波动3.关于电磁波,下列说法正确的是A.雷达是用X光来测定物体位置的设备[来源:Zxxk.Com]B.使电磁波随各种信号而改变的技术叫做解调C.用红外线照射时,大额钞票上用荧光物质印刷的文字会发出可见光D.变化的电场可以产生变化的磁场4.关于电磁波和电磁场,下列叙述正确的是A.电磁波的能量越大,在真空中传播速度就越大B.电磁波中每一处的电场强度和磁感应强度总是相互垂直的,且与波的传播方向垂直C.电磁波依赖于介质传播D.只要空间某个区域有振荡的电场或磁场,就能产生电磁波5.在下列说法中符合实际的是A.医院里常用X射线对病房和手术室消毒B.医院里常用紫外线对病房和手术室消毒C.在人造地球卫星上对地球进行拍摄是利用紫外线有较好的分辨能力D.在人造地球卫星上对地球进行拍摄是利用红外线有较好的穿透云雾烟尘的能力6.(2018·福建省师大附中高二下学期期中考试)如图所示为某时刻LC振荡电路所处的状态,则该时刻A.振荡电流i在增大B.电容器正在放电C.磁场能正在向电场能转化D.线圈中的磁场在增强7.(2018·浙江省宁波诺丁汉大学附属中学高二下学期期末考试)如图所示的LC振荡电路中,某时刻线圈中磁场方向向上,且电路的电流正在减小,则此时A.a点电势比b点低 B.电容器两极板间场强正在增大C.电路中电场能正在增大 D.线圈中感应电动势正在减小8.实际发射无线电波的过程如图所示。高频振荡器产生高频等幅振荡如图甲所示,人对着话筒说话时产生低频信号如图乙所示。根据以上图象,发射出去的电磁波图象应是ABCD9.太赫兹辐射是指频率从0.1~10 THz(1 THz=1012 Hz),波长介于无线电波中的毫米波与红外线之间的电磁辐射,辐射所产生的T射线在物体成像、医疗诊断、环境检测、通讯等方面具有广阔的应用前景。最近,科学家终于研制出以红外线激光器为基础的首台可产生4.4 THz的T射线激光器,从而使T射线的有效利用成为现实,如图所示,关于4.4 THz的T射线下列说法中正确的是A.它的波长比可见光短B.它是原子内层电子受激发产生的C.与红外线相比,T射线更容易发生衍射现象D.与X射线相比,T射线更容易表现出粒子性10.下列方法中能使平行板电容器的极板间产生磁场的是A.把电容器接在直流电源两端B.把电容器接在交流电源两端C.给电容器充电后保持电荷量不变,将两板间距离匀速增大D.以上说法均不对11.(2018·四川省成都市第七中学高二下学期半期考试)下列有关电磁场、电磁波、电磁波谱的说法中正确的是A.麦克斯韦电磁理论的两个基本假设之一是“变化的磁场能够在周围空间产生变化的电场”B.电磁波谱按波长由长到短的顺序是无线电波、红外线、可见光、紫外线、X射线、γ射线C.一切物体都在不停的发射红外线和紫外线D.振荡电路只须有足够高的振荡频率就可以有效发射电磁波12.如图是现代家庭生活中常见的微波炉,它的作用是快速加热食物,既省时、省电,又安全、卫生。有关微波炉使用的说法中正确的是[来源:Z§xx§k.Com]A.加热食物不能使用金属器皿B.袋装牛奶可直接用微波炉加热C.微波炉的外壳及玻璃门上的屏蔽网都是塑料的D.微波炉加热食物快的原因是电磁波可以深入到食物内部,食物的内、外部几乎同时变热13.(2018·黑龙江省哈尔滨市第三中学高二上学期期中考试)下列关于光和无线电波的说法中正确的是A.光和无线电波在任何介质中的传播速度都是相同的B.光不是电磁波,无线电波是电磁波C.光可以反射,无线电波不会反射D.光和无线电波在真空中的传播速度相同14.(2018·福建省泉州市永春第二中学2018年秋高二物理期中考试题)关于电磁场和电磁波,下列说法中正确的是A.周期性变化的电磁场由发生区域向远处的传播就是电磁波B.在电场的周围总能产生磁场,在磁场的周围总能产生电场C.电磁波是一种物质,只能在真空中传播D.电磁波传播的速度总是3.0×108 m/s[来源:学&科&网Z&X&X&K]15.(2018·江苏南通中学高二必修上期中考)下列说法正确的是A.微波炉中的微波属于红外线B.因为γ射线的能量最大,太阳辐射中能量最集中的是γ射线C.太阳辐射中能量最强的集中在黄光、绿光附近D.红外线具有较高的能量,常常利用其灭菌消毒16.某LC电路的振荡频率为520 kHz,为能提高到1 040 kHz,以下说法正确的是A.调节可变电容,使电容增大为原来的4倍B.调节可变电容,使电容减小为原来的1/4C.调节电感线圈,使线圈匝数增加到原来的4倍D.调节电感线圈,使线圈电感变为原来的1/217.在LC振荡电路中,t1时刻和t2时刻电感线圈中的磁感线和电容器中极板的带电情况分别如图所示,则下列说法中正确的是A.在t1时刻电容器正在充电B.在t2时刻电容器正在充电C.在t1时刻电路中的电流处在增大状态D.在t2时刻电路中的电流处在增大状态18.(2018·山东省乐陵第一中学高三一轮复习)克斯韦电磁场理论的两个基本论点是:变化的磁场可以产生电场;变化的电场可以产生__________,从而预言了空间可能存在电磁波。电磁波按照波长由长到短排列依次是:无线电波、红外线、_________、紫外线、X射线和γ射线。已知电磁波在空气中的传播速度近似等于,南通人民广播电台的“经济、生活”节目的频率是,该电磁波在空气中的波长为___________m。(结果保留2位有效数字)19.(2018·江苏卷)梳子在梳头后带上电荷,摇动这把梳子在空中产生电磁波。该电磁波A.是横波B.不能在真空中传播C.只能沿着梳子摇动的方向传播D.在空气中的传播速度约为20.(2017·浙江卷)下列说法正确的是A.β、γ射线都是电磁波B.原子核中所有核子单独存在时,质量总和大于该原子核的总质量C.在LC振荡电路中,电容器刚放电时电容器极板上电量最多,回路电流最小D.处于n=4激发态的氢原子,共能辐射出四种不同频率的光子21.(2016·新课标全国Ⅱ卷)关于电磁波,下列说法正确的是A.电磁波在真空中的传播速度与电磁波的频率无关B.周期性变化的电场和磁场可以相互激发,形成电磁波C.电磁波在真空中自由传播时,其传播方向与电场强度、磁感应强度均垂直D.利用电磁波传递信号可以实现无线通信,但电磁波不能通过电缆、光缆传输E.电磁波可以由电磁振荡产生,若波源的电磁振荡停止,空间的电磁波随即消失22.(2016·北京卷)下列说法正确的是A.电磁波在真空中以光速c传播B.在空气中传播的声波是横波C.声波只能在空气中传播D.光需要介质才能传播23.(2016·上海卷)各种不同频率范围的电磁波按频率由大到小的排列顺序是A.γ射线、紫外线、可见光、红外线B.γ射线、红外线、紫外线、可见光C.紫外线、可见光、红外线、γ射线D.红外线、可见光、紫外线、γ射线24.(2016·天津卷)我国成功研发的反隐身先进米波雷达堪称隐身飞机的克星,它标志着我国雷达研究又创新的里程碑,米波雷达发射无线电波的波长在1~10 m范围内,则对该无线电波的判断正确的是A.米波的频率比厘米波频率高 B.和机械波一样须靠介质传播C.同光波一样会发生反射现象D.不可能产生干涉和衍射现象25.(2018·北京卷)(1)静电场可以用电场线和等势面形象描述。a.请根据电场强度的定义和库仑定律推导出点电荷Q的场强表达式;b.点电荷的电场线和等势面分布如图所示,等势面S₁、S₂到点电荷的距离分别为r₁、r₂。我们知道,电场线的疏密反映了空间区域电场强度的大小。请计算S₁、S₂上单位面积通过的电场线条数之比N1/N2。(2)观测宇宙中辐射电磁波的天体,距离越远单位面积接收的电磁波功率越小,观测越困难。为了收集足够强的来自天体的电磁波,增大望远镜口径是提高天文观测能力的一条重要路径。2016年9月25日,世界上最大的单口径球面射电望远镜FAST在我国贵州落成启用,被誉为“中国天眼”。FAST直径为500 m,有效提高了人类观测宇宙的精度和范围。a.设直径为100 m的望远镜能够接收到的来自某天体的电磁波功率为P₁,计算FAST能够接收到的来自该天体的电磁波功率P₂;b.在宇宙大尺度上,天体的空间分布是均匀的,仅以辐射功率为P的同类天体为观测对象,设直径为100 m望远镜能够观测到的此类天体数目是N0,计算FAST能够观测到的此类天体数目N。 2.B【解析】根据麦克斯韦电磁场理论知,变化的磁场产生电场,变化的电场产生磁场,变化的电场和变化的磁场是相互联系的,它们统称为电磁场,故A错误;变化的磁场产生电场,变化的电场产生磁场,形成电磁场,电磁场由发生区域向远处传播就是电磁波,故B正确;只有变化的电场周围一定产生磁场,变化的磁场周围才一定产生电场,故C错误;电磁波是一种波,声波也是一种波,它们具有波的共性,但前者是电磁场在空间的传播,后者是机械振动在介质中的传播,不同,故D错误。所以B正确,ACD错误。3.D【解析】雷达是用无线电波来测定物体位置的设备,A错误;使电磁波随各种信号而改变的技术叫做调制,包括调频和调幅两种,B错误;用紫外线照射时,大额钞票上用荧光物质印刷的文字会发出可见光,C错误;非均匀变化的电场可以产生变化的磁场,D正确。4.BD【解析】电磁波在真空中的传播速度等于光速,与电磁波的能量无关,A错误;电磁波是横波,每一处的电场强度和磁感应强度总是相互垂直的,且与波的传播方向垂直,B正确;电磁波能在真空中传播,不需要介质,C错误;只要空间某个区域有振荡的电场或磁场,就能产生电磁波,D正确。5.BD【解析】紫外线具有杀菌、消毒的作用,X射线穿透能力较强,因此医院里常用紫外线对病房和手术室进行消毒,用X射线透视人体,A错误,B正确;在人造地球卫星上对地球进行拍摄是利用射线的衍射能力较强,容易透过云雾烟尘,因而用波长较长的红外线,C错误,D正确。6.C【解析】通过图示电流方向,知电容器在充电,振荡电流减小,电容器上的电荷量正在增大,磁场能正在向电场能转化,线圈中的磁场在减弱,故C正确,ABD错误;故选C。7.BC【解析】根据安培定则,线圈中的电流从b到a,此时电流正在减小,表明电容器正在充电,所以下板带负电,上板带正电,a点电势比b点高,电容器两极板间场强正在增大,电场能在增大,电流放电变快,线圈中感应电动势变大,故BC正确、AD错误。故选BC。学科~网8.B【解析】由图可知,该调制为调幅,即发射信号的振幅随声音信号振幅的变化而变化,选B。9.C【解析】电磁波中波长从长到短依次是:无线电波、红外线、可见光、紫外线、X射线、γ射线,T射线介于无线电波和红外线之间,可见它的波长比可见光长,A错误;原子内层电子受激发产生的是X射线,B错误;波长越长的电磁波,越容易表现出波动性,C正确;波长越短的电磁波,越容易表现出粒子性,D错误。[来源:学科网ZXXK]11.B【解析】A、麦克斯韦电磁理论的两个基本假设之一是“变化的磁场能够在周围空间产生电场”,故A错误;B、电磁波按波长由长到短的排列顺序是无线电波、红外线、可见光、紫外线、X射线、γ射线,故B正确;C、一切物体都在不停地发射红外线,同时也在不断地吸收红外线,但不一定能够发射紫外线,故C错误;D、振荡电路发射电磁波的条件是:有足够高的振荡频率与开放电路,而为了把无线电波发射出去,就要改造LC振荡电路;增大电容器极板间的距离,减小极板的面积,同时减小自感线圈的匝数,以便减小L、C的值,增大振荡频率,同时使电场和磁场扩展到外部空间,故D错误;故选B。13.D【解析】光和无线电波都是电磁波,在真空中的传播速度与光速相同;不同的电磁波在不同介质中的传播速度与其频率有关;故光和无线电波在介质中的传播速度不相同;故AB错误,D正确;光和电磁波均可以发生反射、折射等现象;故C错误;故选D。14.A【解析】周期性变化的磁场产生周期性变化的电场,周期性变化的电场产生周期性变化的磁场,逐渐向外传播,形成电磁波。故A正确。变化的磁场产生电场,变化的电场产生磁场,恒定不变的磁场不会产生电场,同样恒定不变的电场也不会产生磁场,故B错误。电磁场本身就是一种物质,可以不依赖物质传播,也可以在介质中传播。故C错误。电磁波在真空中传播速度是3×108 m/s,故D错误。故选A。15.C【解析】微波炉中的微波属于电磁波,频率比红外线要低,选项A错误;太阳辐射中能量最集中的是可见光,选项B错误;太阳辐射中能量最强的集中在黄光、绿光附近,选项C正确;紫外线具有较高的能量,常常利用其灭菌消毒,选项D错误;故选C。16.B【解析】由LC电路的振荡频率可知,要使频率提高到原来的2倍,则可以只减小电容或只减小电感为原来的1/4,B正确,ACD错误。17.BC【解析】由图可知,t1时刻产生磁场的感应电流方向沿顺时针方向,则此时电容器正在放电,放电电流逐渐增大,A错误,C正确;t2时刻产生磁场的感应电流方向沿顺时针方向,则此时电容器正在充电,充电电流逐渐减小,B正确,D错误。18.磁场 可见光 2.9【解析】麦克斯韦建立了电磁场理论:变化的电场周围产生磁场,变化的磁场周围产生电场;并预言了电磁波的存在,而赫兹用实验证实电磁波存在。电磁波中波长最长的是无线电波,波长最短的是γ射线,电磁波按波长由长到短的排列顺序是无线电波、红外线、可见光、紫外线、x射线、γ射线。由波速公式c=λf得波长为:。19.AD【解析】摇动的梳子在空中产生电磁波,电磁波是横波,选项A正确;电磁波能在真空中传播,选项B错误;电磁波传播的方向与振动方向垂直,选项C错误;电磁波在空气中传播的速度约为光速,选项D正确。21.ABC【解析】电磁波在真空中的传播速度即为真空中的光速,与频率无关,A正确;根据麦克斯韦的电磁场理论,B正确;电磁波是横波,其传播方向与电场强度、磁感应强度均垂直,C正确;电磁波可以通过全反射在光缆中传播,D错误;波源停止振动,波会继续传播,直到能量为零,E错误。22.A【解析】电磁波在真空中的传播速度等于光速,A正确;在空气中传播的声波是纵波,B错误;声波的传播需要介质,可以在空气、液体和固体中传播,C错误;光属于电磁波,其传播不需要介质,可以在真空中传播,D错误。23.A【解析】在电磁波谱中,各电磁波按照频率从小到大的排列顺序是:无线电波、红外线、可见光、紫外线、X射线、γ射线,选A。学科#网24.C【解析】根据可知,波长越长的波频率越低,故米波的频率比厘米波的频率低,A错误;无线电波不需要介质传播,B错误;同光波一样会发生反射现象,C正确;干涉和衍射是波特有的现象,D错误。25.(1)a. b. (2)a. b.【解析】(1)a.在距Q为r的位置放一电荷量为q的检验电荷根据库仑定律检验电荷受到的电场力根据电场强度的定义,得b.穿过每个面的电场线的总条数是相等的,若面积大,则单位面积上分担的条数就少,故穿过两等势面单位面积上的电场线条数之比,(2)a.地球上不同望远镜观测同一天体,单位面积上接收的功率应该相同,因此b.在宇宙大尺度上,天体的空间分布是均匀的。因此一个望远镜能观测到的此类天体数目正比于以望远镜为球心、以最远观测距离为半径的球体体积。设地面上望远镜能观测到此类天体需收集到的电磁波的总功率的最小值为P0,直径为100 m望远镜和FAST能观测到的最远距离分别为L0和L,则可得L=5L0则
相关试卷
这是一份高考物理考点一遍过 考点72 相对论,共14页。试卷主要包含了听要结合写和思考等内容,欢迎下载使用。
这是一份高考物理考点一遍过 考点63 机械振动,共23页。试卷主要包含了听要结合写和思考等内容,欢迎下载使用。
这是一份高考物理考点一遍过 考点55 传感器,共25页。试卷主要包含了听要结合写和思考等内容,欢迎下载使用。

