中考物理一轮微专题复习专题22中考电路及电路图问题(教师版)
展开
这是一份中考物理一轮微专题复习专题22中考电路及电路图问题(教师版),共10页。试卷主要包含了电路的构成,电路的三种状态,电路图,串联电路,并联电路,正确使用电流表的规则等内容,欢迎下载使用。
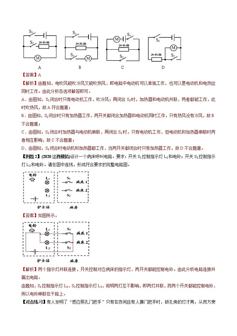
专题22 电路及电路图问题1.电路的构成:电源、开关、用电器、导线。2.电路的三种状态:(1)通路:接通的电路叫通路,此时电路中有电流通过,电路是闭合的。(2)开路(断路):断开的电路叫断路,此时电路不闭合,电路中无电流。(3)短路:不经过用电器而直接用导线把电源正、负极连在一起,电路中会有很大的电流,可能把电源烧坏,或使导线的绝缘皮燃烧引起火灾,这是绝对不允许的。用电器两端直接用导线连接起来的情况也属于短路(此时电流将直接通过导线而不会通过用电器,用电器不会工作)。3.电路图:常用电路元件的符号:符号意义符号意义+交叉不相连的导线电铃交叉相连接的导线电动机(负极)(正极)电池电流表电池组电压表开关电阻小灯泡滑动变阻器 4.串联电路:把电路元件逐个顺次连接起了就组成了串联电路。特点:①电流只有一条路径;②各用电器之间互相影响,一个用电器因开路停止工作,其它用电器也不能工作;③只需一个开关就能控制整个电路。5.并联电路:把电路元件并列地连接起来就组成了并联电路。电流在分支前和合并后所经过的路径叫做干路;分流后到合并前所经过的路径叫做支路。特点:①电流两条或两条以上的路径,有干路、支路之分;②各用电器之间互不影响,当某一支路为开路时,其它支路仍可为通路;③干路开关能控制整个电路,各支路开关控制所在各支路的用电器。电路名称串 联 电 路并 联 电 路电路图 元件连接首尾连接用电器两端并列连接电流路径一条电流路径(无分支)有两条或两条以上电流路径(无分支)用电器工作情况同时工作相互影响可单独工作,互不影响开关控制作用开关控制整个电路,其控制作用于位置无关。干路开关控制整个电路,支路开关控制其所在支路。6.正确使用电流表的规则:①电流表必须和被测的用电器串联。如果电流表与用电器并联,不但测不出流经此用电器的电流,如果电路中没有别的用电器还会因为电流表直接连到电源的两极上使电流过大而烧坏电流表。②“+”“-”接线柱的接法要正确,必须使电流从“+”接线柱流进电流表,从“-”接线柱流出来。否则电流表的指针会反向偏转。③被测电流不能超过电流表量程。若不能预先估计待测电流的大小时,应选用最大量程进行试触。若被测电流超过电流表的量程将使指针转出刻度范围把指针打弯或把电流表烧坏。在试触过程中若指针偏转超过最大值则应断开开关检查;如果指针偏转幅度太小(小于0.6A),会影响读数的准确性,应选用小量程档。④绝对不允许不经过用电器而把电流表直接连到电源的两极上。 否则将烧坏电流表。使用电表前,如果指针不指零,可调整中央调零螺旋使指针调零。【例题1】(2020苏州)有一款“空调扇”既能送常温风,又能送凉风。小明了解到其内部有两个电动机,其中电动机M1,驱动扇叶送风,M2驱动机内水循环使所送的风成为“凉风”,此款风扇不会只有水循环而不送风。小明设计的电路图,符合要求的是( ) A. B. C. D.【答案】C【解析】由图知:A.开关S1闭合,电动机M1和M2串联同时工作;S1、S2都闭合,电动机M1被短路不能工作。故A不合题意;B.开关S1闭合,电动机M1工作,驱动扇叶送风;S2闭合,电动机M2工作驱动机内水循环。水循环和送风互不影响。故B不合题意;C.开关S1闭合,电动机M1工作,驱动扇叶送风;再闭合开关S2,电动机M2工作,驱动机内水循环,使所送的风成为“凉风”;若S1断开,无论S2是否闭合,电动机M2都不能工作。故C符合题意;D.闭合开关S1,电动机M2工作,驱动机内水循环;再闭合开关S1,电动机M1工作,驱动扇叶送风。故D不合题意。【对点练习】家庭常用的电吹风既能吹冷风又能吹热风。下列电路中最符合电吹风工作要求的是( ) A B C D 【答案】A【解析】由题知,电吹风能吹冷风又能吹热风,即电路中电动机可以单独工作,也可以是电动机和电热丝同时工作。由此分析各选项解答即可。A.由图知,S1闭合时只有电动机工作,吹冷风;再闭合S2时,加热器和电动机并联,两者都能工作,此时吹热风,故A符合题意;B.由图知,S1闭合时只有加热器工作,两开关都闭合加热器和电动机同时工作,只有热风没有冷风,故B不合题意;C.由图知,S1闭合时加热器与电动机串联,再闭合S2时,只有电动机工作,但电动机和加热器串联时两者相互影响,故C不合题意;D.由图知,S1闭合时电动机和加热器都工作,当两开关都闭合时只有加热器工作,故D不合题意。【例题2】(2020江西模拟)设计一个病床呼叫电路。要求:开关S1控制指示灯L1和电铃;开关S2控制指示灯L2和电铃。请在图中连线,形成符合要求的完整电路图。 【答案】如图所示。【解析】两个指示灯并联连接,开关控制对应病床的指示灯,两开关都能控制电铃。由此分析电路连接并画出电路。由题知,S1控制指示灯L1,S2控制指示灯L2,说明两灯互不影响,即两灯并联,而两个开关都能控制电铃,所以电铃串联在干路上。【对点练习】有人发明了“感应照孔门把手”只有在夜间且有人摸门把手时,锁孔旁的灯才亮,从而方使夜间开锁,它利用感应开关S1(有人摸门把手时,S1闭合;无人摸门把手,S1断开)以及光敏开关S2(天暗时S2闭合,天亮时S2断开)控制电路,达到目的。请根据上述描述,完成电路连接。 【答案】如图所示。【解析】只有夜间且有人摸门把手时,锁孔旁的灯才亮,否则灯不亮,说明感应开关S1、光敏开关S2不能独立工作、即为串联,共同控制灯,据此进行解答。由题意可知,感应开关S1、光敏开关S2串联共同控制灯。一、选择题1.(2020天津)图所示是一个简化了的玩具警车电路图。若只让电动机M工作,应( )A. 只闭合S1 B. 只闭合S2 C. S1、S2都闭合 D. S1、S2都断开【答案】A【解析】由电路图知,若只让电动机工作,则需闭合开关,断开开关。2.(2020贵州黔东南)常用智能手机是通过指纹开关S1或密码开关S2来解锁的,若其中任一方式解锁失败后,锁定开关S3均会断开而暂停手机解锁功能,S3将在一段时间后自动闭合而恢复解锁功能.若用灯泡L发光模拟手机解锁成功,则符合要求的模拟电路是( )A. B. C. D. 【答案】C【解析】由题意知开关S1或开关S2均可接通电路,所以S1、S2并联,开关S3断开手机解锁功能暂停,说明S3位于电路干路.故C项符合题意.3.如图是某品牌榨汁机,为保障安全,该榨汁机设置了电源开关S和安全开关S1.当杯体放在主机上时,S1自动闭合,此时再闭合S,电动机才能启动,开始榨汁.下列电路图符合上述要求的是( )【答案】B【解析】本题考查串联和并联电路.当杯体放在主机上时,S1自动闭合,再闭合S时,电动机才能启动,开始榨汁,说明一个开关不能单独控制电动机,因此开关S1、S、电动机与电源组成串联电路,故B正确;电路图A中S1与电动机并联,开关S1、S都闭合,电路短路,不符合要求,故A错误;电路图C中,开关S1、S任一个闭合,电动机都转动,不符合要求,故C错误;电路图D中,开关S1、S都闭合,电路短路,不符合要求,故D错误.4.如图所示,汽车装有日间行车灯可以提高行车安全,当汽车启动时,S1闭合,日间行车灯L1立即亮起:再闭合S2车前大灯L2也亮起。符合这一情况的电路图是( ) A B C D 【答案】D【解析】由题意可知,当汽车启动时,S1闭合,日间行车灯L1立即亮起,再闭合S2,近灯光L2也亮起,说明L1与L2可以独立工作、互不影响即为并联,且S1位于干路,S2位于L2支路,据此分析选项得出答案。A.由电路图可知,只闭合S1时,两灯泡均不亮,故A不符合题意;B.由电路图可知,只闭合S1时,两灯泡都亮,再闭合S2时,L1不亮,故B不符合题意;C.由电路图可知,只闭合S1时,近灯光L2亮,再闭合S2时,日间行车灯L1亮,故C不符合题意;D.由电路图可知,只闭合S1时,日间行车灯L1亮,再闭合S2时,近灯光L2亮,故D符合题意。5.实验小组为医院病房设计呼叫电路,在病人需要护理时,闭合床头开关,就能及时通知值班室里的护士,图中最合理的设计方案是( )【答案】B【解析】不同病人对应不同灯泡,病人之间互不影响,开关之间应该并联;电铃起提醒作用,需要连接在干路上。6.公交车后门的两个扶杆上通常各装有一个按钮,每一个按钮都是个开关。当乘客按下任何一个按钮时,驾驶台上的指示灯发光,同时电铃响,提醒司机有人要下车。下列电路图符合上述要求的是( ) A. B. C. D. 【答案】 C 【解析】抓住题干中有用的信息,即电路元件是否可以独立工作(并联),还是相互影响(串联),得出两开关的连接方式,选择最佳答案即可.(1)当乘客按下任何一个按钮时,驾驶台上的指示灯发光,同时电铃响,说明这两个开关可以独立工作、互不影响即为并联,且两个开关都位于干路上,由图示电路图可知,AB其中一个开关在支路上,AB不符合题意,C符合题意。(2)根据题意可知:当乘客按下任何一个按钮时,驾驶台上的指示灯发光,同时电铃响,而D图只有两个开关同时闭合时,灯泡才亮,电铃才响,D不符合题意。 7.如图所示的电路中,闭合开关s1、s2,电流表、灯泡L1和L2均能正常工作.则下列说法正确的是( )A.开关s1闭合,s2断开,电源外部电流流向为a→b→c→dB.开关s1、s2都闭合,灯泡L1和L2并联C.开关s1、s2都闭合,通过灯泡L1的电流一定大于通过灯泡L2的电流D.闭合s1、s2中任意一个开关,都会有灯泡发光【答案】B.【解析】(1)在电源的外部,电流的方向是从电源的正极经过用电器回到负极;(2)把几个用电器首尾相接,连入电路是串联,串联电路中电流处处相等;把几个用电器首首相接、尾尾相接,再连入电路,就是并联,并联电路中,干路电流等于各支路电流之和;(3)串联电路电流处处相等,并联电路干路电流等于各支路电流的和;(4)并联电路干路开关控制所有用电器,支路开关控制本支路.A.由电路图可知,开关s1闭合,s2断开,电源外部电流流向为d→c→b→a,故A错误;B.由电路图知,闭合开关S1和S2,L1与L2首首相连、尾尾相连,两灯是并联的,故B正确;C.开关s1、s2都闭合,L1与L2并联,由于不知道两灯泡的情况,不能判断通过灯泡L1的电流与通过灯泡L2电流的关系,故C错误;D.开关s1在干路上,控制所有用电器,开关s2控制灯泡L1,故只闭合S1,灯泡L2发光,s1、s2都闭合,两灯泡都发光,只闭合s2的两灯泡都不发光,故D错误.8.小明把台灯的插头插在如图甲所示的插座上,插座上有一个开关S1和一个指示灯L1(相当于电阻很大的灯泡).台灯开关和灯泡用S2、L2表示。当只闭合S2时,台灯不发光,当闭合S1时,指示灯发光,再闭合S2时,台灯发光;如果指示灯损坏,S1和S2都闭合,台灯也能发光。下列设计的电路图中符合要求的是( )【答案】C 【解析】解决此题的最好办法是结合表格中的开关闭合和灯泡亮度情况,在选项中的电路图检验,如果一致则选项中的电路图符合题意,否则不符合。A.当闭合开关Sl、断开S2时,灯泡L1不亮,所以不符合题意;B.当闭合开关S2、断开S1时,灯泡L2亮,所以不符合题意;C.当闭合开关Sl、断开S2时,灯泡L1亮,当闭合开关S2、断开S1时,灯泡L2不亮,当Sl、S2都闭合时,两灯都亮,与表格完全一致,符合题意;D.当闭合开关S2、断开S1时,两灯泡都亮,所以不符合题意。19.(2019内蒙古通辽)有一种电动烤地瓜机,将地瓜放在托盘上,盖上锅盖相当于闭合开关S1,托盘旋转,再将温控开关S2闭合,开始加热;若只闭合开关S2,则不能加热。下图M是托盘电动机,R是加热电阻,对其内部电路设计合理的是?( ) A B C D【答案】B【解析】由题知,闭合开关S1,托盘旋转,再将开关S2闭合,开始加热;只闭合开关S2,则不能加热。由此分析解答。由题意知,闭合开关S1,托盘旋转,再将开关S2闭合,开始加热;只闭合开关S2,则不能加热;这说明电动机和加热电阻在工作时互不影响,即两者是并联的,且S1在干路上,S2在加热电阻的支路上,由各选项电路图可知,B符合题意,ACD不合题意。二、填空题10.(2019四川绵阳模拟题)如图为宾馆房间取电房卡。将房卡插入槽中,房间内的用电器才能使用。房卡的作用相当于电路元件中的________。房卡应该连接在________(零线或者火线)上。走出这个房间把房卡取出,目的是为了________。【答案】开关。火线。节约电能。【解析】房卡就是和开关作用相同。房卡要连接在火线上。厨房间取出房卡,关闭用电器,节约电能。11.(能力题)如图所示电路,电路各个元件都正常,要使两个灯泡都同时亮,请你提出两个可行的办法。(1) ;(2) 。 【答案】(1)断开Sl、S3,闭合S2,这时L1、L2串联,两灯泡都亮。(2)闭合S1、S3,断开S2,这时L1、L2并联,两灯泡都亮。【解析】两灯同时亮,说明亮灯串联或者并联。当两灯串联时,需要断开Sl、S3,闭合S2;当两灯并联时,需要闭合S1、S3,断开S2。三、作图题12.如图是简易手动交通信号灯模拟电路的一部分,请补画一根导线,使开关S接1时,只有L1、L2亮,开关接2时,只有灯L3、L4亮.【答案】如图所示。【解析】由图可知,将灯泡L3的右端接线柱与电源正极连接,则可实现开关S接1时,只有L1、L2亮(L1、L2并联),开关接2时,只有灯L3、L4亮(L3、L4并联)。13.许多轿车上设有“安全带未系提示系统”,司机坐在座椅上时,压力开关S1闭合,仪表盘上的指示灯L亮起,提示司机系好安全带,系好安全带则开关S2闭合,指示灯L被短路熄灭。请用笔画线代替导线连接符合上述条件的如图模拟电路。(R为保护电阻) 【答案】如图所示。 【解析】根据题意,两个开关不是串联,S1和灯泡串联,接入电路。S2和灯泡并联。14.(2019武汉模拟题)请根据图中所示的实物图,画出对应的电路图. 【答案】如图所示:【解析】本题考查了根据实物图作电路图,分析电路结构,明确各电路元件的连接方式是正确作图的前提与关键.对于给出电路图,连接实物图也要熟练掌握。根据实物图图可知,两灯泡并联,电流表A2测量干路电流,电流表A1测量L2支路电流.从正极开始连接,依次是开关、电流表A2;然后分支,一支经灯泡L1回到负极;另一支经灯泡L2、电流表A1回到负极。
相关试卷
这是一份中考物理一轮总复习专题22 中考电路及电路图问题(含解析),共11页。试卷主要包含了电路的构成,电路的三种状态,电路图,串联电路,并联电路,正确使用电流表的规则等内容,欢迎下载使用。
这是一份中考物理一轮微专题复习专题42中考动态电路问题(教师版),共13页。
这是一份中考物理微专题复习专题22中考电路及电路图问题学生版,共7页。试卷主要包含了电路的构成,电路的三种状态,电路图,串联电路,并联电路,正确使用电流表的规则等内容,欢迎下载使用。

