四川省雅安市五年(2018-2022)中考化学真题分题型分层汇编-09科普阅读题
展开
这是一份四川省雅安市五年(2018-2022)中考化学真题分题型分层汇编-09科普阅读题,共9页。试卷主要包含了科普阅读题等内容,欢迎下载使用。
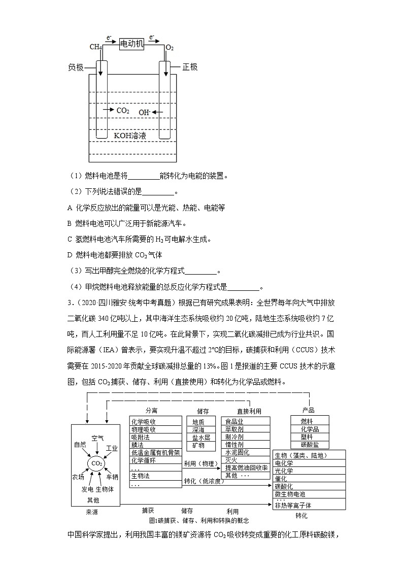
四川省雅安市五年(2018-2022)中考化学真题分题型分层汇编-09科普阅读题 一、科普阅读题1.(2018·四川雅安·中考真题)阅读下列短文,并回答问题。农药是一把“双刃剑”,在为人类带来益处的同时,有的农药也会给人类带来一些负面影响。为了趋利避害,世界上绝大多数国家都对农药实行了严格的管理,普遍建立了农药登记和淘汰退出制度,以最大限度发挥好农药对农业生产的保障作用和防范农药的使用风险。农药在投放市场前,必须申请农药登记。申请登记的农药产品,只有经农药登记部门科学评价,证明其具有预期的效果,对人畜健康或环境无不可接受的风险后,方可取得登记,并在规定的范围内销售、使用;已使用的农药,经风险监测和再评价,发现使用风险增大时,由农药登记部门作出禁用或限用规定。20世纪80年代,我国对六六六、滴滴涕等高残留有机氯农药做出了停产和停用的决定,90年代,禁止生产和使用杀虫脒、除草醚等农药。合理使用农药,可以达到农药使用的利弊平衡,例如有科研人员测定了三唑酮在温室大棚内和室外番茄中降解规律如右下曲线。去皮和烹饪可以去除果蔬中部分农药残留,蒸煮炒均能有效降低黄瓜中的农药残留量,但部分果蔬不适用去皮和烹饪,如橄榄、草莓、樱桃等,因此清洗成为了消费者去除农药残留的方式。由于大多数农药难溶于水,一般在水中加入食盐、面粉、NaHCO3、醋酸等用于提高农药残留的去除效果,也有人研究了利用奶粉等6种方法去除黄瓜中农药残留效果,如下图所示。请回答下列问题:(1)下列说法正确的是_________。A.必须全面禁止使用农药,杜绝农药对人和环境的污染B.合理规范使用农药,既能提高作物产量又能将农药危害降低到合理范围C.滴滴涕、除草醚已经禁止使用(2)奶粉、洗涤盐、比亚酶、洗洁精、清水、洗菜机中除去黄瓜中农药残留效果最好的是_____。(3)温室大棚内种植番茄施用三唑酮后,番茄中残留量最大的是______天,原因是_______。2.(2019·四川雅安·中考真题)阅读短文后回答下列问题。燃料电池(Fuelcell),是一种使用燃料进行化学反应产生电能的装置,最早于1839年由英国的Grove发明。燃料的选择性非常多,包括纯氢气(H2)、甲醇(CH3OH)、乙醇(CH3CH2OH)、天然气,甚至于现在运用最广泛的汽油,都可以作为燃料电池的燃料。这是目前其他所有动力来源无法做到的。而以燃料电池做为汽车的动力,已被公认是二十一世纪必然的趋势。2017年,我国共有8个品牌的10款车型燃料电池汽车在产,总产量为1272辆,2018年国产燃料电池汽车已经超过3000辆。燃料电池是以特殊催化剂作电极使燃料与氧气发生反应,生成二氧化碳和水。因其不需推动涡轮等发电器具,也不需将水加热至水蒸气再经散热变回水,所以能量转换效率高达70%左右,足足比一般发电方法高出了约40%;优点还不只如此,其二氧化碳排放量比一般方法低许多,且水又是无害的生成物,所以燃料电池是一种高效、低污染装置。燃料电池主要由正极、负极、电解质溶液和外部电路4部分组成,其正极和负极分别通入燃料气和氧气(空气),负极上燃料气放出电子,外电路传导电子到正极并与氧气结合生成离子,在电场作用下,离子通过电解质转移到负极上再与燃料气进行反应,最后形成回路产生电能。与此同时,因为燃料自身的反应及电池存在的内阻,燃料电池也要排出一定的热量,以保持电池恒定的工作温度。右图是甲烷燃料电池的工作原理示意图。(1)燃料电池是将_________能转化为电能的装置。(2)下列说法错误的是_________。A 化学反应放出的能量可以是光能、热能、电能等B 燃料电池可以广泛用于新能源汽车。C 氢燃料电池汽车所需要的H2可电解水生成。D 燃料电池都要排放CO2气体(3)写出甲醇完全燃烧的化学方程式_________。(4)甲烷燃料电池释放能量的总反应化学方程式是_________。3.(2020·四川雅安·统考中考真题)根据已有研究成果表明:全世界每年向大气中排放二氧化碳340亿吨以上,其中海洋生态系统吸收约20亿吨,陆地生态系统吸收约7亿吨,而人工利用量不足10亿吨。在此背景下,实现二氧化碳减排已成为行业共识。国际能源署(IEA)曾表示,要实现升温不超过2℃的目标,碳捕获和利用(CCUS)技术需要在2015-2020年贡献全球碳减排总量的13%。图1是报道的主要CCUS技术的示意图,包括CO2捕获、储存、利用(直接使用)和转化为化学品或燃料。中国科学家提出,利用我国丰富的镁矿资源将CO2吸收转变成重要的化工原料碳酸镁,生产示意图如下:国内外利用CO2跟氢气在特殊催化剂作用下合成甲醇(CH3OH),同时生成水。该反应已经在工厂规模化生产,实现减排同时又合成重要化工原料。请回答下列问题:(1)“IEA”的中文含义是________。人类活动排放CO2的主要途径有农场、工业__________(回答一种即可)(2)为控制空气中CO2的含量,以下建议不可行的是___________(填字母序号)A 开发新能源B 禁止使用化石燃料C 大力植树造林D 发展公共交通E 以CO2等为原料,生产碳酸镁、甲醇等产品(3)写出图2中“CO2矿化”的化学方程式____________。(4)利用CO2合成甲醇(CH3OH)的化学方程式___________。4.(2021·四川雅安·统考中考真题)中国提出“二氧化碳排放力争于2030年前达到峰值,努力争取2060年前实现碳中和”。推广氢能等新能源是减少碳排放的重要方式之一、由于自然界不存在可直接开采的氢气资源,所以氢气必须经过化石资源、水和生物质等含氢化合物获取。这些制氢过程均需要输入较高的能量,目前主要由不可再生的化石能源提供,也可由可持续的新能源提供,如图1所示。化石资源、生物质和水是主要的制氢原料,目前常见的生产氢气方法如图2所示,在各类化石资源中,高H/C原子个数比的甲烷是理想的制氢原料。年位于兰州新区的全球首套规模化(千吨级)合成“绿色”甲醇示范装置,不仅可以回收二氧化碳,还能生产“液态阳光”,未来可替代化石能源。“液态阳光”是利用太阳能等可再生能源产生的电力来电解水,生产“绿色”氢能,并将二氧化碳加氢转化为“绿色”甲醇等液体燃料。因此,形象地称为“液态阳光”。氢燃料车辆是氢能体系的重要标志,但研究高效率保存与释放氢气是目前工业上急需突破的技术问题。有文献报道,纳米镁理论储氢量为7.69%(质量分数),形成氢化镁。氢化镁在适当条件下可释放出氢气。请回答下列问题:(1)氢气作为能源的优点是___________。(2)本文中涉及化合物中H/C原子个数比最大的是___________(写化学式)。(3)综合考虑各方面因素,未来以一次能源制氢气最理想的方法是___________。(4)氢化镁的化学式为___________。(5)写出以CH4和CO2在一定条件下反应生产H2的化学方程式___________。5.(2022·四川雅安·统考中考真题)2022年4月16日,神舟十三号载人飞船返回舱在东风着陆场成功着陆,飞行乘组在轨 驻留长达6个月时间,这也是我国迄今为止时间最长的一次载人飞行。为了保障航天员的生 命健康,科学家们精心研制出最新的环境控制和生命保障系统。从载人航天的发展历史来看,空间站环境控制和生命保障系统一般可划分为四种类型:开式系统、改进型开式系统、半闭式系统、闭式系统。开式系统:航天员的代谢产物不作回收再生,而是抛出舱外或封闭起来带回地面,消耗性物质通过天地往返运输系统的周期性输送和补给来保障。如:早期的美国的载人飞船和航 天飞机采用液态超临界压力储存主氧和高压气态储存辅助氧供航天员呼吸,航天员呼出的二 氧化碳由消耗性氢氧化锂吸收;前苏联的载人航天器上则采用超氧化物吸收二氧化碳并同时 放出氧气,使用氢氧化锂来调整吸收二氧化碳和产生氧气的比例关系。我国目前采用的是半闭式系统:在改进型开式系统的基础上进一步加以改进,使水和氧形成闭合回路,使系统无需补给这些消耗性物质,仅供应含水食物和补给舱体泄漏损失所消耗的气体。系统的主要构成如图:载人航天取得优异成绩的基础上,我国探月工程也实现“六战六捷”。未来还将探索在月球建设基地的可能,其中一个前提就是在月球上大规模制造O2,在月球上可以电解熔融月壤(含SiO2、FeO、CaO、Al2O3等)制造氧气。请回答下列问题(1)FeO的名称是_____。(2)下列说法错误的是 。A.我国在宇宙探索的多个领域取得辉煌成就B.半闭式系统需要周期性输送和补给消耗性物质C.电解月壤制造氧气为建设月球基地提供了可能D.水电解系统发生主要反应的化学方程式是:2H2O=2H2↑+O2↑(3)已知氢氧化锂(LiOH)的化学性质与氢氧化钠相似,请写出氢氧化锂吸收二氧化碳的化学方程式____。(4)①二氧化碳收集系统:二氧化碳的吸附剂可以釆用分子筛或固态胺。其中分子筛表面布满孔穴,类似于初中化学实验室常用的____(填物质名称)的结构。②巴蒂尔反应系统:系统的核心部件是萨巴蒂尔反应器。气体在萨巴蒂尔反应器内570〜580K的温度下,以及钉催化剂的作用下反应。试写出萨巴蒂尔反应器中发生反应的化学方程式____。
参考答案:1. BC 奶粉 1 大棚内农药不容易扩散,番茄继续吸收农药造成残留量增加,农药降解(或分解)农药残留量减少【详解】根据所学知识和题中信息知,(1) A、必须合理使用农药,尽量减少农药对人和环境的污染,故A错误;B、合理规范使用农药,既能提高作物产量又能将农药危害降低到合理范围,故B正确;C、滴滴涕、除草醚已经禁止使用,这些农药对人体危害较大,已经停止生产和禁止使用,故C正确。(2)奶粉、洗涤盐、比亚酶、洗洁精、清水、洗菜机中除去黄瓜中农药残留效果最好的是奶粉,由题中图表知,使用奶粉农药残留最小。(3)温室大棚内种植番茄施用三唑酮后,番茄中残留量最大的是1天,原因是棚内农药不容易扩散,番茄继续吸收农药造成残留量增加,农药降解(或分解)农药残留量减少。点睛∶合理使用农药,大多数农药难溶于水,一般在水中加入食盐、面粉、NaHCO3、醋酸等用于提高农药残留的去除效果。2. 化学 D 2CH3OH+3O2 2CO2+4H2O CH4+2O2+2KOHK2CO3+3H2O【详解】(1)根据短文:燃料电池(Fuelcell),是一种使用燃料进行化学反应产生电能的装置,可知燃料电池是将化学能转化为电能的装置。(2)A 化学反应放出的能量可以是光能、热能、电能等,正确;B 据短文可知,燃料电池做为汽车的动力,已被公认是二十一世纪必然的趋势,燃料电池可以广泛用于新能源汽车,正确;C 水电解生成氢气和氧气,氢燃料电池汽车所需要的H2可电解水生成,正确;D、氢燃料电池不会排放二氧化碳气体,故选项说法错误;故选D。(3)甲醇完全燃烧生成二氧化碳和水,方程式为:;(4)甲烷燃料电池的总反应为:通入燃料甲烷的一极为电源的负极,发生氧化反应,由于电解质溶液呈碱性,则负极电极反应式为:,通入氧气的一极为正极,发生还原反应,正极电极反应式为:,电解质溶液为氢氧化钾,两式相加得到总反应方程式为:。3. 国际能源署 车辆(或发电等) B 【分析】从文章中获得信息,“IEA”的中文含义是国际能源署;图1主要CCUS技术的示意图,人类活动排放CO2的主要途径有农场、工业、车辆或发电等。减少二氧化碳的排放。利用信息书写化学方程式,注意反应物、反应条件和生成物。【详解】(1)从文章中知道“IEA”的中文含义是国际能源署;从图1主要CCUS技术的示意图,二氧化碳来源部分知道,人类活动排放CO2的主要途径有农场、工业、车辆或发电等;(2)A、开发新能源,减少二氧化碳的排放,不符合题意;B、禁止使用化石燃料,不可行,虽然使用化石燃料能够产生大量的温室气体--二氧化碳,但是在当前条件下禁止使用化石燃料是不现实的,因为当前开发利用的新能源较少,不能满足人们的能量需求,所以当前仍然以化石燃料为主要能源,符合题意;C、大力植树造林,增大对二氧化碳的吸收,减少二氧化碳的排放,不符合题意;D、发展公共交通,减少私家车的出行,就减少了燃油消耗,减少了二氧化碳的排放,不符合题意;E、以CO2等为原料,生产碳酸镁、甲醇等产品,消耗了二氧化碳,减少二氧化碳的排放,不符合题意。故选B。(3)写出图2中“CO2矿化”的反应物是氢氧化镁和二氧化碳,生成物是碳酸氢镁,所以反应的化学方程式是;;(4)利用CO2合成甲醇(CH3OH)的反应是CO2跟氢气在特殊催化剂作用下合成甲醇(CH3OH),同时生成水,其化学方程式为。4.(1)无污染、资源丰富、热值高等(2)CH4(3)太阳能光解水(4)MgH2(5) 【详解】(1)氢气燃烧产物只有水,比较环保,且资源丰富、热值高,故是比较理想的能源;(2)由化学式及资料可知,本文中涉及化合物中H/C原子个数比最大的是CH4;(3)太阳能光解水制氢,可以节约能源,且无污染,是未来以一次能源制氢气最理想的方法;(4)纳米镁理论储氢量为7.69%(质量分数),形成氢化镁,设氢化镁的化学式为MgxHy,故, y=2x,故氢化镁的化学式为:MgH2;(5)甲烷和二氧化碳在一定条件下反应生成氢气和一氧化碳,该反应的化学方程式为:。5.(1)氧化亚铁(2)B(3)2LiOH+CO2=Li2CO3+H2O(4) 活性炭 CO2+4H2CH4+ H2O 【详解】(1)FeO中铁元素的化合价为-2, FeO的名称是氧化亚铁。(2)A. 我国在宇宙探索的多个领域取得辉煌成就,此选项正确;B. 半闭式系统,在改进型开式系统的基础上进一步加以改进,使水和氧形成闭合回路,使系统无需补给这些消耗性物质,此选项错误;C. 电解月壤制造氧气为建设月球基地提供了可能,此选项正确;D. 水电解系统发生主要反应的化学方程式是:2H2O=2H2↑+O2↑,此选项正确。故选B。(3)已知氢氧化锂(LiOH)的化学性质与氢氧化钠相似,根据质量守恒定律,氢氧化锂吸收二氧化碳的化学方程式为:2LiOH+CO2=Li2CO3+H2O。(4)①二氧化碳收集系统:二氧化碳的吸附剂可以釆用分子筛或固态胺。其中分子筛表面布满孔穴,类似于初中化学实验室常用的活性炭的结构。②巴蒂尔反应系统:系统的核心部件是萨巴蒂尔反应器。气体在萨巴蒂尔反应器内570〜580K的温度下,以及钉催化剂的作用下反应。萨巴蒂尔反应器中发生反应的化学方程式为:CO2+4H2CH4+ H2O。
相关试卷
这是一份辽宁省鞍山市三年(2018-2022)中考化学真题分题型分层汇编-09解答题、科普阅读题,共19页。试卷主要包含了是我国能源结构调整的缩影等内容,欢迎下载使用。
这是一份宁夏五年(2018-2022)中考化学真题分题型分层汇编-09实验题,共11页。试卷主要包含了实验题等内容,欢迎下载使用。
这是一份四川省雅安市五年(2018-2022)中考化学真题分题型分层汇编-07化学实验,共7页。试卷主要包含了单选题等内容,欢迎下载使用。

