- 第十二章 伏安特性曲线与电表内阻的测定 试卷 0 次下载
- 第十二章 实验:电池电动势和内阻的测量 试卷 0 次下载
- 第十二章 章末测试 电能 能量守恒定律 试卷 1 次下载
- 第十二章 能源与可持续发展 试卷 试卷 0 次下载
- 第十二章 闭合电路欧姆定律的应用 试卷 试卷 0 次下载
人教版 (2019)必修 第三册1 电路中的能量转化课堂检测
展开课时跟踪检测(十七) 电路中的能量转化
A组—重基础·体现综合
1.白炽灯的工作原理是利用电流的热效应,电流通过金属丝使温度升高,达到炽热,从而发光。图1家用电器中哪一样电器也是利用电流的热效应工作的( )
图1
解析:选B 微波炉、电风扇、电视机都是非纯电阻元件,而电饭煲是纯电阻元件利用电流的热效应工作,A、C、D错误,B正确。
2.R1和R2分别标有“2 Ω 1.0 A”和“4 Ω 0.5 A”,将它们串联后接入电路中,如图2所示,则此电路中允许消耗的最大功率为( ) 图2
A.1.5 W B.3.0 W
C.5.0 W D.6.0 W
解析:选A 串联电路中各用电器电流相同,最大允许电流应等于0.5 A,由P=I2R,可知R1和R2在最大允许电流时的功率分别为0.5 W、1 W,故A项正确。
3.下列关于电功、电功率和焦耳定律的说法中正确的是( )
A.电流做功越快,电功率越大,电路中产生的焦耳热一定越多
B.在非纯电阻电路中,UI>I2R
C.电功W=UIt只在纯电阻电路中适用
D.电热Q=I2Rt只在纯电阻电路中适用
解析:选B 电流做功越快,电功率越大,但是电路中产生的焦耳热不一定多,一是没有说明时间,二是没有说明电路是不是纯电阻电路,故A错误;在非纯电阻电路中消耗的电能一方面转化为内能,另一方面转化为其他形式的能,即有W电=W其他+Q,其中W电=UIt,Q=I2Rt,所以有W电>Q,即有UIt>I2Rt,所以UI>I2R,故B正确;电功公式W=UIt是对一切电路都适用,故C错误;电热公式Q=I2Rt适用于一切电路,故D错误。
4.HWCP60型无线充电器的输出额定电压为5 V,输出额定电流为2 A,某款手机的电池容量为4 200 mA·h,输入额定电压为3.82 V,则( )
A.无线充电器的内阻为2.5 Ω
B.无线充电器以额定电流工作时,发热功率为10 W
C.手机电池充满电时,储存的化学能约为5.8×104 J
D.将手机电池从零电量充至满电量时,消耗的总电能约为5.8×104 J
解析:选C 充电器的线圈电阻和充电器发热功率无法用题中信息求出,A、B错误;根据公式E化=qU,代入数据解得E化=4.2×60×60×3.82 J=5.8×104 J,C正确;充电过程还有额外的电池发热、充电器发热等,所以消耗的电能大于5.8×104 J,D错误。
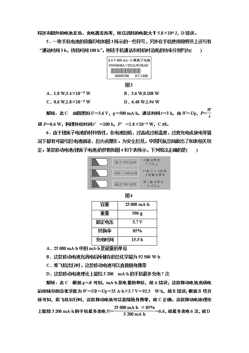
5.一块手机电池的背面印有如图3所示的一些符号,另外在手机使用说明书上还写有“通话时间3 h,待机时间100 h”,则该手机通话和待机时消耗的功率分别约为( )
图3
A.1.8 W,5.4×10-2 W B.3.6 W,0.108 W
C.0.6 W,1.8×10-2 W D.6.48 W,1.94 W
解析:选C 由题图知U=3.6 V,q=500 mA·h,通话时间t=3 h,由W=Uq,P=得P=0.6 W;同理待机时间t′=100 h,P′=1.8×10-2 W,C对。
6.由于锂离子电池的材料特性,在电池短路、过高或过低温度、过度充电或放电等情况下都有可能引起电池漏液、起火或爆炸。为安全起见,中国民航总局做出了如表相关规定。某款移动电池(锂离子电池)的参数如图4和下表所示,下列说法正确的是( )
图4
容量 | 25 000 mA·h |
重量 | 596 g |
额定电压 | 3.7 V |
转换率 | 85% |
充电时间 | 15.5 h |
A.25 000 mA·h中的mA·h是能量的单位
B.这款移动电池充满电后所储存的总化学能为92 500 W·h
C.乘飞机出行时,这款移动电池可以直接随身携带
D.这款移动电池理论上能给3 200 mA·h的手机最多充电7次
解析:选C 根据q=It可知,mA·h是电量的单位,故A错误;这款移动电池充满电后所储存的总化学能为W=UIt=Uq=25 A·h×3.7 V=92.5 W·h,故B错误;根据B项分析可知,乘飞机出行时,这款移动电池可以直接随身携带,故C正确;这款移动电池理论上能给3 200 mA·h的手机最多充电N=≈6.6,故最多充电6次,故D错误。
7.电动平衡车因其便利性被年轻人所喜欢,变成了日常通勤的交通工具。平衡车依靠人体重心的改变,来实现车辆的启动、加速、减速、停止等动作。下表所示为某款电动平衡车的部分参数,若平衡车以最大速度行驶时,电机恰好达到额定功率,则下列说法中正确的是( )
电池输出电压 | 36 V | 电池总容量 | 50 000 mA·h |
电机额定功率 | 900 W | 最大速度 | 15 km/h |
充电时间 | 2~3小时 | 百公里标准耗电量 | 6 kW·h |
A.电池最多输出的电能约为1 800 J
B.充满电的平衡车以额定功率行驶的最长时间约为2 h
C.该平衡车以最大速度行驶时牵引力约为60 N
D.该平衡车在标准情况下能行驶的最大里程约为3 km
解析:选B 电池最多输出的电能为W=qU=50 000×10-3×3 600×36 J=6.48×106 J,故A错误;由储存的电能除以额定功率可求得时间为t= s=7 200 s=2 h,故B正确;根据功率公式,则有F== N=216 N,故C错误;由电池总电量除以百公里标准耗电量即可求得行驶里程x=×100 km=30 km,故D错误。
B组—重应用·体现创新
8.(多选)电饭锅工作时有两种状态:一种是锅内水烧开前的加热状态,另一种是锅内水烧开后保温状态。如图5所示是电饭锅电路原理示意图,K是感温材料制造的开关。下列说法中正确的是( )
图5
A.其中R2是供加热用的电阻丝
B.当开关K接通时电饭锅为加热状态,K断开时为保温状态
C.要使R2在保温状态时的功率为加热状态的一半,则R1∶R2=2∶1
D.要使R2在保温状态时的功率为加热状态时一半,则R1∶R2=(-1)∶1
解析:选ABD 由P=得:当接通K时,电阻变小,功率变大,处于加热状态;当断开K时,电阻变大,功率变小,处于保温状态。由上可知,R2是供加热用的电阻丝,故A、B正确;要使R2在保温状态时的功率为加热状态的一半,由P=I2R可得:电阻R2在保温与加热状态下的电流之比为1∶ ,所以(R1+R2)∶R2=∶1。则R1∶R2=(-1)∶1,故C错误,D正确。
9.如图6,电路中8个电阻的阻值r相同,r=1 Ω,另3个电阻阻值均为R=4 Ω,还有一个电阻阻值R0=2 Ω,将a、b与电源相连,电路中总电流为2 A,则电路消耗的总功率为P,其中R0上消耗的功率为P0,则( )
图6
A.P=24 W,P0= W
B.P=12 W,P0= W
C.P=16 W,P0= W
D.P=16 W,P0= W
解析:选C 2r与R0串联的总电阻为4 Ω,再与R并联的电阻为2 Ω,等于R0的电阻值,依此类推,ab间的总电阻为R总=2r+R0=2R0=4 Ω,根据P=I2R知电路消耗的总功率为P=IR总=22×4 W=16 W;R0的电流与总电流的关系为=××=,则得I0=I总=×2 A= A,R0上消耗的功率为P0=IR0=×2 W=W,故选C。
10.如图7所示为电动机提升重物的装置,电动机线圈电阻为r=1 Ω,电动机两端电压为5 V,电路中的电流为1 A,物体重20 N,不计摩擦力,则( )
图7
A.电动机的机械功率为5 W
B.电动机的电功率为1 W
C.物体匀速上升时的速度为0.2 m/s
D.电动机的热功率为4 W
解析:选C 电动机的热功率P热=I2r=1 W,电动机消耗的总功率P=UI=5 W,电动机的机械功率也就是输出功率P出=P-P热=4 W,故A、B、D错误;电动机的机械功率等于绳子拉力的功率,物体匀速上升时有P出=FTv=mgv,物体匀速上升时的速度为v== m/s=0.2 m/s,故C正确。
11.有一小型直流电动机,把它接入U1=0.3 V的电路中时,电动机不转,测得流过电动机的电流为I1=0.6 A;若把电动机接入U2=3.0 V的电路中时,电动机正常工作,工作电流是I2=1.0 A,求:
(1)电动机正常工作时的输出功率是多少;
(2)如果电动机正常工作时,转子突然被卡住,此时电动机的发热功率是多大。
解析:(1)当U1=0.3 V,I1=0.6 A时,电动机不转,此时电动机为纯电阻,故电动机的内电阻为r==0.5 Ω,
当U2=3.0 V,I2=1.0 A时,电动机正常工作,此时电动机为非纯电阻,则电动机的输出功率为P出=U2I2-Ir=2.5 W。
(2)当电动机正常工作被卡住时,电动机又为纯电阻,其热功率为P热==18 W。
答案:(1)2.5 W (2)18 W
12.(2021·山东聊城检测)太阳能汽车是一种环保型的“绿色汽车”,人们正致力研究着。有一辆玩具汽车靠太阳能电池供电,该电池的太阳能集光板面积为600 cm2,太阳能电池电动势为30 V,内阻为3 Ω。现使玩具汽车在水平路面上匀速行驶,其太阳能集光板正对太阳,测得电流强度为2 A。已知电动机的直流电阻为2 Ω,太阳光垂直照射到地面上单位面积的辐射功率为1.6×103 W/m2。
(1)求玩具汽车匀速行驶时,太阳能集光板把太阳能转化为电能的效率;
(2)这辆玩具汽车的总重为80 N,在水平路面上行驶的阻力是车重的0.2倍,这辆玩具车在水平路面上的最大速度是多大?
解析:(1)玩具汽车匀速行驶时太阳能电池的总功率
P1=EI=30×2 W=60 W
太阳能集光板的接收功率
P2=600×10-4×1.6×103 W=96 W
太阳能集光板把太阳能转化为电能的效率为
η=×100 %=62.5 %。
(2)玩具汽车以最大速度匀速行驶时,f=F=0.2G,
电动机的输出功率为P出=EI-I2(r+R)=Fv,
解得v=2.5 m/s。
答案:(1)62.5% (2)2.5 m/s
人教版 (2019)必修 第三册1 电路中的能量转化同步测试题: 这是一份人教版 (2019)必修 第三册1 电路中的能量转化同步测试题,共5页。
高中物理人教版 (2019)必修 第三册1 电路中的能量转化复习练习题: 这是一份高中物理人教版 (2019)必修 第三册1 电路中的能量转化复习练习题,共8页。
高中物理人教版 (2019)必修 第三册1 电路中的能量转化课时作业: 这是一份高中物理人教版 (2019)必修 第三册1 电路中的能量转化课时作业,共13页。

