所属成套资源:高二物理同步精品讲义(人教版2019选择性必修第二册)
物理选择性必修 第二册第三章 交变电流1 交变电流优秀练习题
展开
这是一份物理选择性必修 第二册第三章 交变电流1 交变电流优秀练习题,文件包含31交变电流解析版docx、31交变电流原卷版docx等2份试卷配套教学资源,其中试卷共40页, 欢迎下载使用。
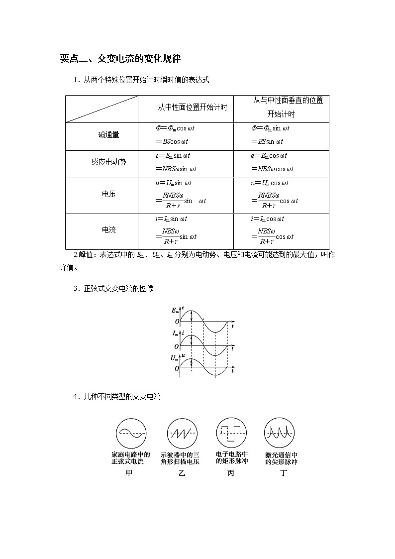
3.1交变电流基础导学要点一、交变电流及其产生1.交变电流(1)交变电流:大小和方向都随时间做周期性变化的电流,简称交流。(2)直流:方向不随时间变化的电流。大小和方向都不随时间变化的电流称为恒定电流。2.交变电流的产生(1)产生条件:在匀强磁场中,矩形线圈绕垂直于磁场方向的轴匀速转动。(2)过程分析(如图所示):(3)中性面:线圈在磁场中转动的过程中,线圈平面与磁场垂直时所在的平面。 要点二、交变电流的变化规律1.从两个特殊位置开始计时瞬时值的表达式 从中性面位置开始计时从与中性面垂直的位置开始计时磁通量Φ=Φmcos ωt=BScos ωtΦ=Φmsin ωt=BSsin ωt感应电动势e=Emsin ωt=NBSωsin ωte=Emcos ωt=NBSωcos ωt电压u=Umsin ωt=sin ωtu=Umcos ωt=cos ωt电流i=Imsin ωt=sin ωti=Imcos ωt=cos ωt2.峰值:表达式中的Em、Um、Im分别为电动势、电压和电流可能达到的最大值,叫作峰值。3.正弦式交变电流的图像4.几种不同类型的交变电流 要点突破突破一:正弦交变电流的产生过程1.产生方法:闭合线圈在匀强磁场中绕垂直于磁场的轴匀速转动.2.过程分析,由图可知 (1)甲、丙位置时线圈中没有电流,乙、丁位置时线圈中电流最大.(2)甲→乙→丙电流方向为DCBA,丙→丁→甲电流方向为ABCD,在甲、丙位置电流改变方向.(3)结论:线圈每转一周,电流方向改变两次,电流方向改变的时刻也就是线圈中无电流的时刻(或者说磁通量最大的时刻).如图中甲、丙位置,我们把线圈平面垂直于磁感线时的位置叫做中性面.【特别提醒】 矩形线圈在匀强磁场中匀速转动,仅是产生交变电流的一种方式,不是唯一方式.任意形状的平面线圈在匀强磁场中绕平面内垂直于磁场的轴匀速转动均可产生正弦交流电.突破二:两个特定位置的特点图示 概念中性面位置与中性面垂直的位置特点B⊥SB∥SΦm=BS最大Φ=0最小e=0最小e=Em=NBSω最大导体不切割,不产生电动势导体垂直切割,产生电动势最大=0最小瞬时值= 最大瞬时值i=0 方向改变i=Im最大,方向不变 【特别提醒】 (1)线圈每经过中性面一次,电流方向就改变一次,线圈每转一周,经过中性面两次,因此线圈每转一周,电流方向改变两次.(2)交变电流的周期等于线圈转动的周期突破三:正弦式交变电流瞬时值、峰值表达式的推导1.瞬时值表达式的推导若线圈平面从中性面开始转动,如上图,则经时间t: 2.峰值表达式Em=NBSω=2NBLv=NΦmω①Im=②Um=ImR′③【特别提醒】 交变电动势最大值,由线圈匝数n,磁感应强度B,转动角速度ω及线圈面积S决定,与线圈的形状无关,与转轴的位置无关,因此下图所示的几种情况,若n、B、S、ω相同,则电动势的最大值相同. 典例精析 题型一:交变电流峰值和瞬时值的计算例一.有一个10匝正方形线框,边长为20 cm,线框总电阻为1 Ω,线框绕OO′轴以10 π rad/s的角速度匀速转动,如右图所示.垂直于线框平面向里的匀强磁场的磁感应强度为0.5 T.以线框转至图中位置时开始计时,问:(1)该线框产生的交变电流的电动势最大值、电流最大值分别是多少?(2)写出感应电动势随时间变化的表达式;(3)线框从图示位置转过60°时,感应电动势的瞬时值是多少? 思路点拨: 解析:(1)交变电流电动势最大值Em=NBSω=10×0.5×0.22×10 π V=6.28 V电流的最大值为Im== A=6.28 A.(2)由于线框转动是从中性面开始计时的,所以e=Emsin ωt=6.28sin 10πt V.(3)线框转过60°时,感应电动势e=Emsin 60°=5.44 V.答案: (1)6.28 V 6.28 A (2)5.44 V(3)e=6.28sin 10πt V【反思总结】求解交变电动势瞬时值的步骤:(1)确定线圈转动是从哪个位置开始计时.(2)确定表达式是正弦还是余弦.(3)确定线圈转动的角速度ω及线圈匝数N、磁感应强度B、线圈面积S等.(4)求出峰值Em=NBSω,写出表达式,代入时间求瞬时值. 变式迁移1:如图所示,一半径为r=10 cm 的圆形线圈共100匝,在磁感应强度B=T 的匀强磁场中,绕垂直于磁场方向的中心轴线OO′以n=600 r/min的转速匀速转动,当线圈转至中性面位置(图中位置)时开始计时.(1)写出线圈内所产生的交变电动势的瞬时值表达式;(2)求线圈从图示位置开始在1/60 s时的电动势的瞬时值. 解析: (1)线圈在匀强磁场中绕垂直于磁场方向的轴线匀速转动时,线圈内产生正弦交变电动势,当线圈平面在中性面时开始计时,其表达式为e=Emsin ωt.因ω=2πn=1 200π/rad/min=20π rad/s,Em=NBSω=100 V,故e=100 sin 20πt V.(2)当t=s时,e=100 sin V=50 V=86.6 V. 题型二:交变电流平均值的计算例二.如图所示,匀强磁场B=0.1 T,所用矩形线圈的匝数N=100,边长lab=0.2 m,lbc=0.5 m,以角速度ω=100 π rad/s绕OO′轴匀速转动.当线圈平面通过中性面时开始计时,试求:(1)线圈中感应电动势的大小;(2)由t=0至t=过程中的平均电动势;(3)若线圈平面平行磁感线时开始计时,求线圈在t=时刻的电动势大小.解析:(1)感应电动势的瞬时值e=NBSωsin ωt,其中S=lab·lbc=0.2×0.5 m2=0.1 m2Em=NBSω=100×0.1×0.1×100π V=314 V所以e=314 sin 100πtV.(2)因=N=N=N= 代入数据得=200 V.(3)由Em=NBSω可知Em=314 V线圈从线圈平面平行磁感线时开始计时,感应电动势的瞬时值表达式为e=Emcos ωt,即e=314cos 100πt V当t=时,e=314 cos V=157 V.答案: (1)314 sin 100πtV (2)200 V (3)157 V【反思总结】 平均感应电动势应由E=N来确定,而不是初、末位置电动势的平均,即E≠. 变式迁移2::如图所示,边长为a的单匝正方形线圈在磁感应强度为B的匀强磁场中,以OO′为轴匀速转动,角速度为ω.转轴与磁场方向垂直,线圈电阻为R,求线圈从图示位置转过的过程中通过线圈某截面的电荷量q.解析: 线圈在磁场中转动时,线圈中产生的是交变电流,计算线圈中通过的电荷量,应根据交变电流的平均值.线圈转过过程中的感应电动势平均值为===感应电流的平均值为==在转动过程中通过线圈某截面的电荷量为q=t=·=.答案: 解析: Em=5 V,ω==100 π,有e=5sin 100πt V(1)当t=100 s时,e=0.(2)当e=2.5 V时,sin 100πt=,有100πt=,故当线圈转到与中性面成角时,感应电动势的瞬时值为最大值的一半.(3)Em=nBSω,有B== T=0.4 T.答案: (1)0 (2)π (3)0.4 T 题型三:交变电流图像的应用 例三.一交流发电机产生的感应电动势随时间变化的图象如下图所示,求:(1)当t=100 s时,电动势的瞬时值.(2)当线圈第一次转到什么位置时,感应电动势的瞬时值为最大值的一半.(3)已知线圈面积为16 cm2,共25匝,那么匀强磁场的磁感应强度B为多少?解析: Em=5 V,ω==100 π,有e=5sin 100πt V(1)当t=100 s时,e=0.(2)当e=2.5 V时,sin 100πt=,有100πt=,故当线圈转到与中性面成角时,感应电动势的瞬时值为最大值的一半.答案: (1)0 (2)π (3)0.4 T【反思总结】图象的分析方法是:一看:看“轴”、看“线”、看“斜率”、看“点”,并理解其物理意义.二变:掌握“图与图”、“图与式”和“图与物”之间的变通关系.三判:在此基础上进行正确的分析和判断. 强化训练一、选择题1、下列图像中不属于交流电的有( )A. B.C. D.【答案】B【解析】交流电的特点是大小、方向随时间做周期性的变化,B图方向没有随时间变化,不属于交流电,B正确。故选B。2、如图所示为演示交变电流产生的装置图,关于这个实验,正确的说法是( )A.线圈经过图示位置时,电流方向发生改变B.图示位置为中性面,线圈中无感应电流C.图示位置边的感应电流方向为D.线圈平面与磁场方向平行时,磁通量变化率为零【答案】C【解析】ABD.图示位置线圈与磁场方向平行,磁通量变化率最大,线圈中的感应电流最大,线圈经过中性面时时,电流方向才发生改变,线圈经过图示位置时,电流方向不变,故ABD错误;C.线圈处于图示位置时,ab边向右运动,由右手定则知,ab边的感应电流方向是a→b,故C正确。故选C。3、如图所示为演示交变电流产生过程的装置图,关于这个实验,正确的说法是( )A.线圈从任意位置转180°的过程,穿过线圈的磁通量变化量一定为零B.图示线圈所处位置为中性面,线圈中无感应电流C.图示位置ab边中的感应电流方向为a→bD.线圈平面与磁场方向平行时,磁通量变化率为零【答案】C【详解】A.磁通量是标量,但有正负,若从一个面穿入为正,则从该面穿出为负,线圈从中性面位置转180°的过程,穿过线圈的磁通量变化量不为零,A错误;B.图示位置线圈与磁场平行,磁通量为零,是中性面的垂面位置,线圈中感应电流最大,B错误;C.由右手定则可判断图示位置ab边中的感应电流方向为a→b,C正确;D.线圈平面与磁场方向平行时,磁通量为零,磁通量变化率最大,D错误。故选C。4、图示为交流发电机模型的示意图。位于磁场中的矩形导线框abcd可绕过其对称轴的轴线(图中虚线)转动。已知在t=0时刻,线框的平面与磁场方向垂直(即图示位置),并从此位置开始以恒定的角速度绕转轴沿逆时针方向转动。若规定通过电阻的电流从e到f为正,则下列i﹣t图象正确的是( )A. B.C. D.【答案】C【详解】线圈在t=0时刻,线圈处于中性面位置,此时产生的感应电动势为零,形成的感应电流为零,根据楞次定律和安培定则可知在前时间内,形成的电流由a指向b,故流过电阻的电流由f到e,与规定的正方向相反。故选C。5、如图所示,是交流发电机的示意图,某时刻,线圈的AB边连在金属滑环K上,CD边连在滑环L上,导体做的两个电刷E、F分别压在两个滑环上,线圈在转动时可以通过滑环和电刷保持与外电路的连接。下列说法正确的是( )A.图示位置磁通量为零B.图示位置,电流表的示数为零C.从图示位置开始,再过,电流方向将发生变化D.用铝框做线圈骨架,电磁阻尼效果好【答案】D【详解】A.图示位置是中性面,磁通量最大,故A错误;B.图示位置,磁通量为最大,磁通量变化率最小,电流表读的是有效值,电流表的示数不为零,故B错误;C.从图示位置开始,再过,电流方向将发生变化,故C错误;D.铝框的电阻小,涡流强,所以用铝框做线圈骨架,电磁阻尼效果好,故D正确。故选D。6、如图所示,是交流发电机的发电过程,线圈的AB边和CD边分别连在金属滑环K和L上,电刷E和F分别压在滑环K和L上,线圈在转动时可以通过滑环和电刷保持与外电路的连接。两磁极之间的磁场视为匀强磁场,A为理想交流电流表,R为定值电阻,线圈电阻为r,其余电阻不计。在线圈绕OO'轴逆时针匀速转动的过程中(甲、丙位置线圈平面竖直,乙、丁位置线圈平面水平),下列说法错误的是( )A.线圈转到图甲和图丙位置时,磁通量的变化率为零B.线圈转到图甲和图丙位置时,交流电流表的示数为零C.线圈转到图乙和图丁位置时,流经电阻R的电流方向相反D.线圈转动一周,R和r上产生的焦耳热之比为R:r【答案】B【分析】【详解】A.线圈转到图甲和图丙位置时,磁通量最大,其变化率为零,故A正确,与题意不符;C.线圈转到图乙和图丁位置时,由楞次定律或右手定则可判定流经电阻R的电流方向相反,C正确,与题意不符;D.电热,因流经R和r的电流总相等,故R和r上产生的焦耳热之比为R:r,D正确,与题意不符;B.交流电流表指示的是交流电的有效值,而非瞬时值,故不为零,B错误与题意相符。故选B。7、已知矩形线圈在匀强磁场中绕垂直于磁感线的轴匀速转动,穿过线圈的磁通量随时间变化的图象如图甲所示,则下列说法正确的是( )A.t=0时刻线圈平面与中性面垂直 B.t=0.01s时刻的变化率达最大C.t=0.02s时刻感应电动势达到最大 D.该线圈相应的感应电动势图象如图乙所示【答案】B【详解】A.t=0时刻磁通量最大,线圈位于中性面位置,故A错误;B.t=0.01s时刻磁通量为零,线圈位于垂直中性面的位置,电动势最大,磁通量的变化率最大,故B正确;C.t=0.02s时刻磁通量最大,磁通量的变化率为零,感应电动势为零,故C错误;D.感应电动势与磁通量的变化率成正比,电动势随时间变化的图象为正弦曲线,D错误.8、如题图所示为交流发电机示意图,线圈的AB边连在金属滑环K上,CD边连在滑环L上,用导体做的两个电刷E、F分别压在两个滑环上,线圈在转动时可以通过滑环和电刷保持与外电路的连接,下列判断正确的是( )A.当线圈平面转到中性面的瞬间,穿过线圈的磁通量最小B.当线圈平面转到中性面的瞬间,线圈中的感应电流最大C.当线圈平面转到跟中性面垂直的瞬间,穿过线圈的磁通量最小D.当线圈平面转到跟中性面垂直的瞬间,线圈中的感应电流最小【答案】C【解析】AB.当线圈平面转到中性面的瞬间,穿过线圈的磁通量最大,磁通量的变化率最小,则感应电动势为零,线圈中的感应电流为零,选项AB错误;CD.当线圈平面转到跟中性面垂直的瞬间,穿过线圈的磁通量为零最小,此时磁通量的变化率最大,即感应电动势最大,线圈中的感应电流最大,选项C正确,D错误。9、教学用交流发电机示意图如图所示。矩形线圈在匀强磁场中绕其中心轴匀速转动,某时刻线圈平面与磁感线垂直。下列说法正确的是( )A.此时产生的感应电流最大 B.此时线圈平面处在中性面上C.此时线圈磁通量变化率最大 D.此时开始再转半个周期,线圈磁通量变化量为零【答案】B【解析】ABC.由图可知,此时线圈平面与磁场方向垂直,穿过线圈的磁通量最大,但此时的磁通量变化率为零,感应电动势为零,感应电流为零,线圈平面处在中性面上,B正确,AC错误;D.假设此时线圈的磁通量为 从此时开始再转半个周期,线圈磁通量变化量为 即线圈磁通量变化量不为零,D错误;10、一只矩形线圈在匀强磁场中绕垂直于磁感线的轴匀速转动,穿过线圈的磁通量随时间变化的图像如图所示,则下列说法中正确的是( )A.t1时刻线圈平面感应电动势达最大 B.t2时刻线圈平面位于中性面C.t3时刻线圈平面磁通量变化率为零 D.t2时刻线圈平面产生的感应电流改变向【答案】C【详解】A.由图可知,t1时刻磁通量最大,此时感应电动势为0,故A错误;B.由图可知,t2时刻磁通量为0,此时线圈平面与磁感线平行,即与中性面垂直,故B错误;C.图象斜率表示磁通量变化率,由图可知,t3时刻线圈平面磁通量变化率为零,故C正确;D.由图可知,t2时刻磁通量为0,此时线圈平面与磁感线平行,此时感应电动势最大,此时电流方向不变,故D错误。故选C。 二、解答题11、某一交变电流的电动势随时间变化的规律如图所示(1)根据图像判断线圈在何处时开始计时?(2)在横轴上已标出的时刻中,线圈在哪些时刻处于与磁场方向垂直的位置?(3),时刻线圈分别处于与中性面的夹角为多大处?【答案】(1)中性面位置;(2)0、、、;(3)45°,90°。【解析】(1)图像为正弦函数图像,说明是从线圈位于中性面位置开始计时的,此时,穿过线圈的磁通量最大,而线圈内的感应电动势为零;(2)当线圈处于与磁场方向垂直的位置(即中性面)时,,所以在0、、、时刻线圈与磁场方向垂直;(3)由图像知,中;当时,,有:当时,,有:。12、如图所示,(a)→(b)→(c)→(d)→(e)过程是交流发电机发电的示意图,线圈的ab边连在金属滑环K上,cd边连在金属滑环L上,用导体制成的两个电刷分别压在两个滑环上,线圈在转动时可以通过滑环和电刷保持与外电路连接。(1)图(a)中,线圈平面与磁感线垂直,磁通量___________,磁通量变化率___________(填“最大”或“零”)。(2)从图(b)开始计时,线圈中电流i随时间t变化的关系是___________(填“i=Imsinωt”填“i=Imcos ωt”)。(3)当线圈转到图(c)位置时,感应电流___________ (填“最小”或“最大”),且感应电流方向___________ (填“改变”或“不改变”)。(4)当线圈转到图(d)位置时,感应电动势___________(填“最小”或“最大”),ab边感应电流方向为___________(填“a→b”或“b→a”)。【答案】 最大 零 i=Imcosωt 最小 改变 最大 b→a【解析】(1)[1][2]图(a)中,线圈平面与磁感线垂直,磁通量最大,磁通量变化率为零。(2)[3]从图(b)开始计时,线圈中电流i随时间t变化的关系是i=Imcos ωt。(3)[4][5]当线圈转到图(c)位置时为中性面,感应电流为零,最小,且感应电流方向发生改变。(4)[6][7]当线圈转到图(d)位置时,磁通量变化率最大,此时感应电动势最大,由右手定则可知,ab边感应电流方向为b→a。
相关试卷
这是一份人教版 (2019)选择性必修 第二册1 交变电流优秀达标测试,文件包含31交变电流原卷版docx、31交变电流解析版docx等2份试卷配套教学资源,其中试卷共28页, 欢迎下载使用。
这是一份高中人教版 (2019)1 交变电流精品课后测评,文件包含31交变电流-2023-2024学年高二物理备课必备讲义人教2019选择性必修第二册解析版docx、31交变电流-2023-2024学年高二物理备课必备讲义人教2019选择性必修第二册原卷版docx等2份试卷配套教学资源,其中试卷共34页, 欢迎下载使用。
这是一份高中物理人教版 (2019)选择性必修 第二册1 交变电流优秀习题,文件包含31交变电流解析版docx、31交变电流原卷版docx等2份试卷配套教学资源,其中试卷共30页, 欢迎下载使用。

