


2023年中考物理高频考点突破——电功和电功率的计算
展开
这是一份2023年中考物理高频考点突破——电功和电功率的计算,共36页。
2023年中考物理高频考点突破——电功和电功率的计算
1.善于观察的小明发现,家中的即热式水龙头使用时冬季水温偏低,夏季水温偏高,还发现水龙头标有“220V;2200W”。于是他增加两个相同的发热电阻R、两个指示灯(电阻不计)设计了如图所示的电路进行改进,其中为改进前水龙头发热电阻。开关可以只与c相连或同时与a、b相连,使其具有两挡工作状态,且冬季与夏季水龙头工作的总电流之比为4∶1。求:
(1)电阻的阻值;
(2)改进前,若水龙头的热效率为90%,正常加热100s提供的热量;
(3)改进后,冬季使用时水龙头工作的总电功率。
2.如图甲所示,是芳芳家新买的一款多功能电饭煲,乙为该电饭煲的工作原理图。R1和R2均为阻值不变的电热丝,S为手动开关,S1为自动控制开关。已知R2=800Ω,多功能电饭煲的主要部分参数如下表所示。求:
品名
多功能电饭煲
额定电压
220V
频率
50Hz
加热档功率
605W
保温档功率
(1)电饭煲正常工作时,电阻R1的阻值;
(2)正常工作的电饭煲处于保温状态时,保温档的功率;
(3)芳芳想了解家里电路的实际电压,她将家里的其他用电器都关闭,只让电饭煲在加热档工作,观察到家里标有“ ”字样的电能表铝盘2min转过50转,则她家的实际电压。
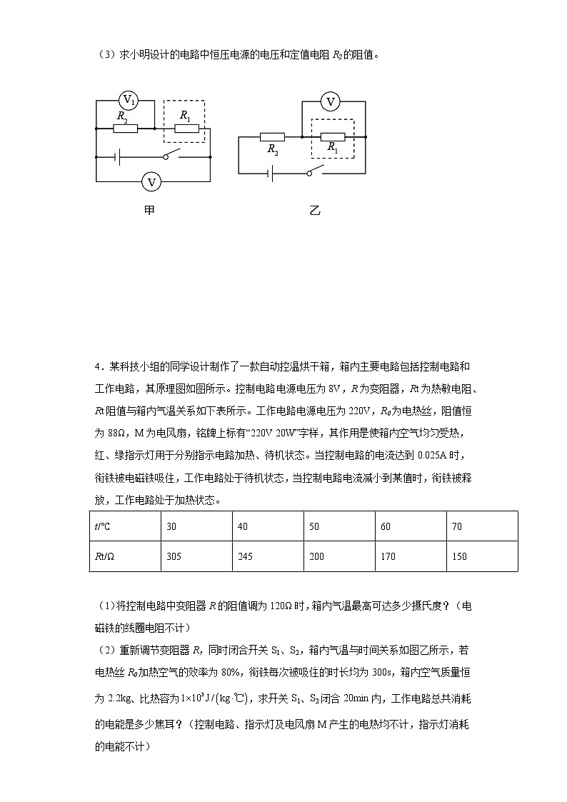
3.新冠疫情期间,进入校园人员要受体温检测,电子体温计是方便快捷的测温仪器,小华与小明从网上查阅说明书得知,电子体温计的探测是热敏电阻,他们买来两个相同的热敏电阻R,放入各自准备的恒温箱内(虚线所示),通过调节恒温箱内的温度,测量热敏电阻在不同温度时的阻值,小华使用阻值为100Ω的电阻R1等器材设计了如图甲所示电路,将实验数据记录于表一中,小华对表一中的数据深感疑惑,老师告诉他,他使用的是实验室中的恒流电源(提供恒定电流的电源),小明则利用恒压电源(提供恒定电压的电源)和定值电阻R2等器材设计了如图乙所示的电路,并将实验数据记录于表二中,回到教室,才发现没有记录电源的电压和R2的阻值。
表一:
t/℃
32
…
…
42
U2/V
2
2
U/V
14
10
表二:
t/℃
32
…
…
42
U1/V
9
8
(1)求热敏电阻分别在32℃和42℃时的阻值;
(2)在表格中记录的温度围内,求小华设计的电路消耗电功率的最大值;
(3)求小明设计的电路中恒压电源的电压和定值电阻R2的阻值。
4.某科技小组的同学设计制作了一款自动控温烘干箱,箱内主要电路包括控制电路和工作电路,其原理图如图所示。控制电路电源电压为8V,R为变阻器,Rt为热敏电阻、Rt阻值与箱内气温关系如下表所示。工作电路电源电压为220V,R0为电热丝,阻值恒为88Ω,M为电风扇,铭牌上标有“220V 20W”字样,其作用是使箱内空气均匀受热,红、绿指示灯用于分别指示电路加热、待机状态。当控制电路的电流达到0.025A时,衔铁被电磁铁吸住,工作电路处于待机状态,当控制电路电流减小到某值时,衔铁被释放,工作电路处于加热状态。
t/℃
30
40
50
60
70
Rt/Ω
305
245
200
170
150
(1)将控制电路中变阻器R的阻值调为120Ω时,箱内气温最高可达多少摄氏度?(电磁铁的线圈电阻不计)
(2)重新调节变阻器R,同时闭合开关S1、S2,箱内气温与时间关系如图乙所示,若电热丝R0加热空气的效率为80%,衔铁每次被吸住的时长均为300s,箱内空气质量恒为2.2kg、比热容为,求开关S1、S2闭合20min内,工作电路总共消耗的电能是多少焦耳?(控制电路、指示灯及电风扇M产生的电热均不计,指示灯消耗的电能不计)
5.在如图所示的电路中,电源电压,小灯泡L标有“4V、1.6W”的字样(电源电压和小灯泡的阻值均保持不变),为定值电阻,滑动变阻器标有 “20Ω 、1A”的字样,电流表A的量程为0~0.6A。求:
(1)小灯泡L的电阻;
(2)当开关闭合断开时,电压表的示数为4V,工作5分钟消耗的电能;
(3)当开关断开闭合时,在电路安全的情况下,小灯泡电功率的变化范围。
6.如图甲所示,电源电压保持不变,小灯泡L正常发光时的电阻为10Ω,闭合开关S,调节滑动变阻器的滑片P从a端滑至b端的过程中,电流表示数与两电压表示数的关系图像如图乙所示。求:
(1)小灯泡的额定功率和定值电阻R0的阻值;
(2)滑动变阻器的最大阻值;
(3)电路总功率的最大值和最小值。
7.学校利用过氧乙酸对教室内的空气进行熏蒸消毒。某学习小组为了测量教室空气中过氧乙酸气体的浓度,设计了如图甲所示的检测仪。已知电源电压为,定值电阻标有“,”字样,过氧乙酸气体传感器的阻值随过氧乙酸气体浓度的变化关系如图乙所示。电压表的量程为,电压表不同的示数对应不同的过氧乙酸气体浓度,请通过计算说明:
(1)按要求,才能达到消毒要求。当电压表的示数为时,教室内过氧乙酸气体的浓度是否达到消毒要求;
(2)若该检测仪处在所能测量的最大值状态下工作了,电路消耗的电功率及消耗的电能;
(3)若检测仪所能测量的最大值调整为,此时电压表指针刚好偏转到最大刻度,则需重新选用哪种规格的定值电阻。
8.如图所示电路,电源电压保持不变,电流表量程0~0.6A,电压表量程0-15V灯泡上标有“6V 3W”字样,R1=18Ω。(a)当开关S2断开,S、S1闭合,滑片移到变阻器中点时,灯泡正常发光。(b)当S1断开,S、S2闭合,滑片移至最大阻值处时,电流表示数为0.3A。求:
(1)灯泡正常发光时的电阻多大?
(2)电源电压多大?
(3)若将R1换成R3=9Ω的定值电阻,闭合开关S、S2,断开S1,电路中的电功率变化范围(结果保留一位小数)?
9.如图甲所示,电源电压为6V,小灯泡L标有“4V 0.5A”的字样(忽略小灯泡电阻的变化)。闭合开关,移动滑动变阻器的滑片,得出滑动变阻器的电功率P与其接入电路的阻值R间的关系如图乙所示。求:
(1)小灯泡的电阻;
(2)当时,滑动变阻器的电功率;
(3)如图乙所示,当滑动变阻器接入电路的阻值分别为、时,滑动变阻器的电功率均为,则与的乘积是多少。
10.下图是小伟做课外实验的实物图,他闭合开关后,把滑动变阻器的滑片从一个端点A移到另一个端点B时,在下表中记录下滑片在这两个端点时电压表V1、V2的信息,滑片在A、B两点时,R1和R2的功率之和相差0.35W。已知灯泡上标有“2.5V 0.5A”的字样,灯的电阻随温度的变化忽略不计,电源电压恒定不变。求:
滑动变阻器的滑片位置
电压表V1的示数U1/V
电压表V2的示数U2/V
A
9U0
9U0
B
6U0
10U0
(1)灯泡正常发光时的电阻;
(2)灯泡正常发光100s消耗的电能;
(3)闭合开关,滑片从端点A移到端点B的过程中电路总功率的最小值。
11.如图所示电路中,电源电压保持不变,R0、R1均为定值电阻,R2为滑动变阻器。闭合开关S,改变R2的阻值,两电压表示数与电流表示数变化关系如图所示,当滑片P在b端时电流表示数为0.3A。
(1)求R2的最大阻值;
(2)若滑片P置于变阻器的中点位置,R2消耗的电功率为1.2W,求电源电压U和R0的阻值;
(3)若滑动变阻器的滑片P从a端向b端每移动lcm阻值改变1Ω,设滑片P从a端移动到b端的距离为xcm,写出R2消耗的电功率P随x变化的关系式。
12.如图所示的部分电路中,R1为定值电阻、R2滑动变阻器,电流表的量程为0~0.6A,电压表的量程为0~3V。电源电压恒定,若将a、b分别接在电源两端,电流表的示数为0.4A,电压表的示数为3V。
(1)只将b、c分别接在电源两端,当滑片滑至中点时,电流表的示数为0.3A,求R2的最大阻值;
(2)只将a、c分别接在电源两端,当滑片滑至最右端时,求电路的总功率;
(3)将b接在电源一端,a、c连接后接在电源的另一端,让滑片P由最右端逐渐向左滑动,求R2允许接入电路的最小阻值。
13.电子秤的应用在我们日常生活中已经十分普遍,下如图所示,是某位同学利用电压表设计的一个简易电子秤示意图。其中,电源的电压为3V,V是电压表(也是电子秤的示数表盘),R0是阻值为6Ω的定值电阻,R是一根长为4cm阻值为12Ω的均匀电阻丝(单位长度的电阻丝的阻值相等),P是与弹簧C连接在一起的金属滑片,弹簧所受压力F与压缩量的关系如下表所示。在不称量重物时,滑片P刚好位于电阻丝R的最上端a处,弹簧处于自然状态。滑片、弹簧的电阻均不计,塑料盘和金属板的重力不计,g=10N/kg。当开关S闭合后,则
弹压缩量/cm
1
2
3
4
弹簧受到的压力F/N
10
20
30
40
(1)该电子秤工作时的电功率是多少?
(2)当电压表的示数为1V时,所称重物的质量是多少?
14.如图甲所示是某家用多功能电炖锅,深受消费者认可和青睐。它有三段温控功能:高温炖,中温煮和低温熬,图乙是它的简化电路图,下表是该电炖锅的部分参数。()
项目
参数
电源电压(V)
220
中温档功率(W)
400
高温档功率(W)
1100
容积(L)
1
(1)开关、处于什么状态,电炖锅为低温档,说明判断依据;
(2)求、的阻值;
(3)在标准大气压下,使用高温档将初温是12℃的一锅水烧开,若电炖锅高温档加热效率为80%,求烧开一锅水需要的时间。
15.郝奇同学周末给外婆整理房间时发现,有一双如图所示的烘鞋器左脚已不通电,右脚还能正常工作。郝奇同学在220V的家庭电路中只接入烘鞋器的右脚,工作3min观察到标有“220V,2000imp/kW.h”的家用电能表指示灯闪烁了1次。再拆开检修时发现左右脚的电阻丝是并联的,左脚的电阻丝已锈蚀,于是他用一根新的电阻丝R1进行替换,然后在220V家庭电路中只接入烘鞋器的两脚,3min内观察到这个电能表的指示灯闪烁了11次,求:
(1)只接入烘鞋器右脚时消耗的电功率;
(2)电阻丝R1的阻值;
(3)为使这套烘鞋器的左右脚的电功率相等,应将左脚替换为阻值为R2的另一新电阻丝,则R1和R2的阻值相差多少?
16.中国茶文化源远流长,如图甲是某款工夫茶保温碟。电路原理如图乙所示,电阻R1为发热体,它的额定电功率为22W且电阻不变。电流通过发热体加热底板使茶汤保温;L为电功率忽略不计的电源指示灯。求:
(1)发热体正常工作时的电流;
(2)当实际电压为198V时,发热体工作100s消耗的电能;
(3)为了适应不同品种茶汤的保温需求,小杨对电路进行重新设计(如图丙),移动滑片可以连续调节发热体的电功率,最低可调至额定功率的四分之一,若发热体产生的热量全部被茶汤吸收,该电路电能利用率的范围是多少?(电能利用率)
17.如图甲,是被大家认可的我国自主品牌混合动力畅销车型“比亚迪秦”。在某次性能测试中,汽车启动时内燃机工作,由内燃机提供能量驱动汽车以v1=50km/h的速度匀速行驶,同时给初始能量为E0=5.6×107J的蓄电池组充电,充电电压U1=400V,充电电流I1=50A;汽车行驶t1=2h、内燃机消耗燃料m=20kg后蓄电池组充电完成,改由电动机提供能量驱动汽车在水平路面上以v2=90km/h的速度匀速行驶,此时蓄电池组加在电动机两端的电压U2=320V,电动机的效率η=80%;已知汽车蓄电池组所储存能量降为E0时即自动切换为内燃机工作。若汽车运动过程中车速v与所受阻力f的关系如图乙所示,所用燃料的热值q=4.5×107J/kg,且燃料完全燃烧。不计汽车电路连接导线的电阻,忽略传动装置消耗的能量。求:
(1)内燃机工作时的效率η1(结果保留一位小数);
(2)汽车蓄电池组储存能量的最大值Em;
(3)充电一次采用纯电动模式以v2=90km/h的速度匀速行驶的最大里程sm。
18.如图所示,电源电压为6 V,电流表的量程为0~0.6 A,电压表的量程为0~15V,R1为12Ω,滑动变阻器R2的规格为“200Ω 1 A”问:
(1)闭合开关S1, 断开开关S2、 S3, 电流表示数为多少?
(2)闭合开关S1、S2和S3, 在电路安全情况下,滑动变阻器R2连入电路的最小电阻阻值为多少?
(3)若把电压为6 V的电源换成电压值更大的电源后,闭合开关S3,断开开关S1、S2,调节滑动变阻器R2,发现电流表的示数从0.1 A变为0.4A,电压表示数改变了9V,则定值电阻R3的电功率改变了多少?
19.某电热水壶铭牌的部分参数如表,忽略温度对电阻的影响.电热水壶在额定电压下工作300s能将1L的水从20℃加热到85℃.求:[c水=4.2×103J/(kg•℃),ρ水=1.0×103kg/m3]
额定电压
220V
额定功率
1000W
最大容量
1.2L
(1)水吸收的热量是多少?
(2)电热水壶的效率是多少?
(3)在用电高峰时,实际加热时间为363s,若与该电热水壶在额定电压下工作300s消耗相同的电能,实际电压多大?
20.如图所示,电源电压U=6V,小灯泡标有“4V 1.6W”字样,定值电阻R2=20Ω,滑动变阻器R3允许通过的最大电流为1A,电流表的最程为0~3A,电压表的量程为0~3V,电源电压和小灯泡的阻值R均保持不变。
(1)求小灯泡的阻值R1;
(2)只闭合开关S2,求电压表的示数;
(3)将滑动变阻器滑片滑到最左端,闭合所有开关,此时电流表示数为0.5A,求滑动变阻器R3的最大阻值;
(4)只闭合开关S3,在电路安全的情况下,求小灯泡电功率的变化范围。
参考答案:
1.(1)22Ω;(2)1.98×105J;(3)4400W
【详解】解:(1)R0的电阻为
(2)改进前,正常加热100s消耗的电能
W=P额t=2200W×100s=2.2×105J
正常加热100s提供的热量
Q=Wη=2.2×105J×90%=1.98×105J
(3)由电路图可知,将开关S1与a、b相连时工作的电路元件,R0和R并联,电路的总电阻最小,由可知,电路的总功率最大,水龙头处于高温状态;将开关S1与c相连时,R与R0串联,总电阻较大,由可知,总功率较小,水龙头处于低温状态;因为冬季与夏季水龙头工作的总电流之比为4∶1,所以两季电流之比
解方程可得
R=22Ω
改进后,冬季使用时水龙头工作的总电流
改进后,冬季使用时水龙头工作的总电功率
P总=UI冬=220V×20A=4400W
答:(1)电阻的阻值是22Ω;
(2)改进前,若水龙头的热效率为90%,正常加热100s提供的热量是1.98×105J;
(3)改进后,冬季使用时水龙头工作的总电功率是4400W。
2.(1)80Ω;(2)55W;(3)200V
【详解】解:(1)由电路图可知,当开关S和S1都闭合时,电路为R1的简单电路,当只闭合开关S、断开S1时,电路为R1与R2串联,根据可知,当开关S和S1都闭合时,电路
中总电阻最小,电饭煲的功率较大,此时为加热挡;当只闭合开关S、断开S1时,电路中的电阻较大,电饭煲功率较小,此时为保温挡;电饭煲正常工作时,即加热档时电阻R1的阻值
(2)当只闭合开关S、断开S1时,R1与R2串联,电路中的电阻较大,电饭煲功率较小,此时为保温挡;正常工作的电饭煲处于保温状态时,保温档的功率
(3)标有“ ”字样的电能表铝盘2min转过50转,消耗的电能
电路消耗的功率
她家的实际电压
答:(1)(1)电饭煲正常工作时,电阻R1的阻值80Ω;
(2)正常工作的电饭煲处于保温状态时,保温档的功率为55W;
(3)家里标有“ ”字样的电能表铝盘2min转过50转,则她家的实际电压200V。
3.(1)600Ω;400Ω;(2)0.28W;(3)12V;200Ω
【详解】解:(1)根据题意知道,小华使用的是实验室中的恒流电源,由表一知道,32℃时电路的电流
此时热敏电阻两端的电压是
U热敏=14V-2V=12V
热敏电阻的阻值
当42℃时的热敏电阻的阻值
(2)由于使用的是实验室中的恒流电源,所以,电压最大时小华设计的电路消耗电功率的有最大值,且为
P最大=U最大I =14V×0.02A =0.28W
(3)由串联电路电压的关系知道,在小明设计的电路
①
代入数据得
解得定值电阻R2的阻值R2=200Ω,由①解得U=12V。
答:(1)热敏电阻分别在32℃和42℃时的阻值分别是600Ω和400Ω;
(2)小华设计的电路消耗电功率的最大值是0.28W;
(3)小明设计的电路中恒压电源的电压是12V和定值电阻R2的阻值是200Ω。
4.(1)50℃;(2)
【详解】解:(1)当控制电路的电流达到0.025A时,衔铁被电磁铁吸住,工作电路处于待机状态,此时电路中的总电阻
将控制电路中变阻器R的阻值调为120Ω时,则热敏电阻的阻值
由表中数据可知,此时箱内气温为50℃,因为随着温度升高,热敏电阻阻值会减小,电流会增大,所以箱内气温最高可达50℃。
(2)由图乙可知,每当温度由60℃降低54℃时,衔铁会被释放,此时电热丝R0会加热空气,空气升高6℃需要吸收的热量
若电热丝R0加热空气的效率为80%,则电热丝R0耗电
电热丝R0的电功率
则电热丝R0的工作时间
因为电风扇的功率为20W,所以每次从54℃加热到60℃需要消耗的电能
因为起始温度是24℃,加热到60℃,空气吸收的热量
此时电热丝R0耗电
此时则电热丝R0的工作时间
则从24℃加热到60℃需要消耗的电能
20min内起初加热到60摄氏度需要180s,因为衔铁每次被吸住的时长均为300s,每次由54℃加热到60℃需要30s,则除了第一次外还需要加热三次,所以消耗的总电能为
答:(1)将控制电路中变阻器R的阻值调为120Ω时,箱内气温最高可达50℃;
(2)开关S1、S2闭合20min内,工作电路总共消耗的电能是。
5.(1)10Ω;(2)240J;(3)
【详解】解(1)小灯泡的电阻为
(2)当开关闭合断开时,电阻与小灯泡L串联,电压表V测量的是小灯泡两端的电压,电阻两端的电压
流过的电流
工作5分钟消耗的电能
(3)当开关断开闭合时,小灯泡L与滑动变阻器串联。小灯泡的额定电流
滑动变阻器允许通过的最大电流为1A,电流表允许通过的最大电流为0.6A,灯泡允许通过的最大电流0.4A,此时电路允许通过的最大电流,小灯泡的最大功率
当滑动变阻器阻值最大时,整个电路的电阻
此时通过小灯泡的最小电流
小灯泡的最小功率
答:(1)小灯泡L的电阻为10Ω;
(2)工作5分钟消耗的电能为240J;
(3)小灯泡电功率的变化范围为。
6.(1)1.6W,10Ω;(2)25Ω;(3)3.2W,1.6W
【详解】解:(1)当闭合开关S,滑动变阻器的滑片P在a端时,滑动变阻器阻值最大,此时滑动变阻器、R0和灯泡串联接入电路中,此时电路中电流最小,电压表V1测量L的电压,示数为1V,电压表V2测量R0和L的总电压,示数为3V,串联电路电流处处相等,所以此时电路中的电流为I=0.2A,L的电压为UL=1V,R0的电压为U0=2V,当闭合开关S,滑动变阻器的滑片P在b端时,滑动变阻器接入电路阻值为0,此时R0和灯泡串联接入电路,根据欧姆定律可知,此时电路中电流最大,根据乙图可知此时电流为0.4A,电压表V1测量L的电压,示数为4V,电压表V2测量R0和L的总电压,示数为8V;所以此时电路中的电流为I'=0.4A,L的电压为UL'=4V,R0的电压为U0'=4V,当闭合开关S,滑动变阻器的滑片P在b端时,根据欧姆定律可知此时灯泡L的电阻为
根据题意,此时灯泡正常发光,所以灯泡的额定功率为
P额=UL'I'=4V×0.4A=1.6W
定值电阻R0的阻值为
(2)当闭合开关S,滑动变阻器的滑片P在b端时,此时滑动变阻器接入阻值为0,此时R0和灯泡串联接入电路中,电源电压
U电=UL'+U0'=4V+4V=8V
滑片在a时,变阻器分压
U滑=U电-U0-UL=8V-2V-1V=5V
滑动变阻器的最大阻值
(3)电路总功率的最大值为
P大=U电I'=8V×0.4A=3.2W
电路总功率的最小值为
P小=U电I=8V×0.2A=1.6W
答:1)小灯泡的额定功率为1.6W,定值电阻R0的阻值为10Ω;
(2)滑动变阻器的最大阻值为25Ω;
(3)电路总功率的最大值为3.2W,电路总功率的最小值为1.6W。
7.(1)达到了消毒要求;(2)2.4W;200J;(3)“5Ω 0.6A”
【详解】(1)由图甲知,定值电阻与过氧乙酸气体传感器串联,电压表测定值电阻的电压,已知电源的电压为6V,当电压表的示数为0.75V时,根据串联电路电压的规律,传感器的电压为
U1=6V-0.75V=5.25V
由分压原理,此时传感器的阻值
R1=×2.5Ω=17.5Ω
由图乙知,过氧乙酸气体浓度大于0.1g/m3,故教室内过氧乙酸气体的浓度达到了消毒要求。
(2)定值电阻标有“,”,故电路中最大电流为0.4A,此时传感器的阻值最小,检测仪处在所能测量的最大值,此时电路消耗的电功率
P= UI =6V0.4A=2.4W
即电路消耗的电功率为2.4W;此状态工作了,消耗的电能
W=U0It=I2R0t = (0.4A)22.5Ω500s=200J
即消耗的电能为200J。
(3)由图乙知,若检测仪所能测量的最大值调整为时,传感器的阻值为5Ω。电压表的量程为,电压表指针刚好偏转到最大刻度,即电压表示数为3V,电源的电压为6V,则过氧乙酸气体传感器两端的电压也为3V,根据串联电路的分压规律可知,定值电阻的阻值电压等于此时过氧乙酸气体传感器的阻值,即定值电阻阻值为5Ω,电路中的最大电流为
I′===0.6A
故需重新选用“5Ω 0.6A”的定值电阻。
答:(1)当电压表的示数为时,教室内过氧乙酸气体的浓度达到了消毒要求;
(2)若该检测仪处在所能测量的最大值状态下工作了,电路消耗的电功率为2.4W;消耗的电能为200J;
(3)若检测仪所能测量的最大值调整为,此时电压表指针刚好偏转到最大刻度,则需重新选用“5Ω 0.6A”的定值电阻。
8.(1);(2);(3)
【详解】解:(1)灯泡正常发光时的电阻
(2)(a)当开关S2断开,S、S1闭合,滑片移到变阻器中点时,灯泡正常发光,灯泡与滑动变阻器R2最大值的一半串联,灯泡正常发光时的电流
设电源电压为U,则有
(b)当S1断开,S、S2闭合,滑片移至最大阻值处时,R1与滑动变阻器R2的最大值串联,电流表示数为0.3A,则有
联立以上两式解得电源电压为
滑动变阻器R2的最大值为
(3)若将R1换成R3=9Ω的定值电阻,闭合开关S、S2,断开S1,R2、 R3串联,当滑动变阻器电阻为0时,电路中电流最大为
因电流表量程0~0.6A,所以电路中的最大电流为
电路的最大功率
当滑动变阻器阻值最大时,电路中的电功率最小为
答:(1)灯泡正常发光时的电阻为;
(2)电源电压9V;
(3)电路中的电功率变化范围为。
9.(1);(2);(3)
【详解】解(1)小灯泡的电阻
(2)当时,电灯泡的电阻也为8Ω,根据串联分压,即电压之比即为电阻之比,而电源电压为6V,故滑动变阻器的电压为3V,故滑动变阻器的电功率为
(3)如图乙所示,当滑动变阻器接入电路的阻值分别为,电路中的电流为
则电功率为
当滑动变阻器接入的电阻时,则电流为
滑动变阻器的电功率均为,则电功率为
整理可得
答:(1)小灯泡的电阻为;
(2)当时,滑动变阻器的电功率为;
(3)与的乘积是。
10.(1);(2);(3)
【详解】解:(1)灯泡正常发光时的电阻
(2)灯泡正常发光100s消耗的电能
(3)当滑片在A点时,两电压表的示数相等,说明在A点时,滑动变阻器的阻值为零,此时电压表的示数为9U0,此时电路中的电流为
此时两电阻的总功率为
还可以根据串联电路电压规律列等式
当滑片在另外一个端点B时,滑动变阻器全部接入,则此时电压表的示数为9U0,此时电路中的电流为
此时两电阻的总功率为
R1和R2的功率之和相差0.35W,则可以列等式
经整理可得
还可以根据串联电路电压规律列等式
联立电源电压公式,可以得到
代入即可求出
则电源电压为
当滑动变阻器在B端时,滑动变阻器的阻值最大,电流最小,最小的电流为
则滑片从端点A移到端点B的过程中电路总功率的最小值
答:(1)灯泡正常发光时的电阻为5Ω;
(2)灯泡正常发光100s消耗的电能为;
(3)闭合开关,滑片从端点A移到端点B的过程中电路总功率的最小值为。
11.(1)15Ω;(2)9V;3Ω;(3)
【详解】解:(1)由题意可知,当滑片P在b端时,R1、R2和R0串联,R2两端的电压
由可得,R2的最大阻值
(2)当滑片P在b端时,由乙图可知加在R1两端的电压
则由可得,R1的电阻
当滑片P在中点时,R1、和R0串联,R2消耗的功率P=1.2W,则由P=I2R得
即
解得此时电路中的电流
由题意得,当滑片P在b端时,电源电压
即
即
①
当滑片P在中点时,电源电压
即
即
②
由①②可得
(3)由P=UI=I2R可得,R2消耗的功率
答:(1)R2的最大阻值为15Ω;
(2)电源电压为9V,R0的阻值为3Ω;
(3)R2消耗的电功率P随x变化的关系式为。
12.(1)20Ω;(2)0.33W;(3)15Ω
【详解】解:(1)由题意知,电源电压恒定,若将a、b分别接在电源两端,电流表的示数为0.4A,电压表的示数为3V,电源电压为3V。电阻R1的阻值为
只将b、c分别接在电源两端,当滑片滑至中点时,电流表的示数为0.3A,则滑动变阻器接入电路的阻值为
则R2的最大阻值为
R2=2R21=2×10Ω=20Ω
(2)只将a、c分别接在电源两端,当滑片滑至最右端时,电路中的总电阻为
R=R1+R2=7.5Ω+20Ω=27.5Ω
则电路的总功率为
(3)将b接在电源一端,a、c连接后接在电源的另一端,此时的电路为R1和R2的并联电路,电压表测量的是电源电压,始终为3V,让滑片P由最右端逐渐向左滑动,干路中允许通过的最大电流为0.6A,此时电路中的总电阻为
根据并联电路电阻的规律
则R2允许接入电路的最小阻值为
答:(1)只将b、c分别接在电源两端,当滑片滑至中点时,电流表的示数为0.3A,R2的最大阻值为20Ω;
(2)只将a、c分别接在电源两端,当滑片滑至最右端时,电路的总功率约为0.33W;
(3)将b接在电源一端,a、c连接后接在电源的另一端,让滑片P由最右端逐渐向左滑动, R2允许接入电路的最小阻值为15Ω。
13.(1)0.5W;(2)2kg
【详解】解:(1)因电压表接在滑片上,且电压表内阻很大,故无论滑片滑到何处,电流要全部流径电阻丝,根据串联电阻的规律,电路的总电阻
该电子秤工作时的电功率是
(2)由欧姆定律,电路中的电流
电压表V测滑片P以下电阻丝的电压,根据欧姆定律,滑片P以下电阻丝的阻值
滑片P以上电阻丝的阻值
因R是一根长为4cm阻值为12Ω的均匀电阻丝,故滑片P以上电阻丝的长度
弹簧的压缩量
由上表可知,此时的压力
根据,重物的质量为2kg。
答:(1)该电子秤工作时的电功率是0.5W;
(2)当电压表的示数为1V时,所称重物的质量是。
14.(1)开关处于断开,接在A,此时两电阻串联,根据,电源电压不变,总电阻最大时,电功率最小,故此时的电炖锅为低温档。
(2)
(3)
【详解】解(1)开关处于断开,接在A,此时两电阻串联,根据,电源电压不变,总电阻最大时,电功率最小,故此时的电炖锅为低温档。
(2)当两开关闭合时,两电阻并联,根据可知,电源电压不变,并联时总电阻最小,故此时电功率最大,为高温档,当开关S1闭合,开关S2断开,只有R1接入,则此时电功率为中温档,此时为400W,则此时电阻R1为
则电阻R2的电功率为
则电阻R2的电阻为
(3)使用高温档将初温是12℃的一锅水烧开,需要吸收的热量为
则消耗的电能为
则高温档工作的时间为
答:(1)开关处于断开,接在A,此时两电阻串联,根据,电源电压不变,总电阻最大时,电功率最小,故此时的电炖锅为低温档;
(2)电阻R1为,电阻R2的电阻为;
(3)高温档工作的时间为。
15.(1)10W;(2)484Ω;(3)4356Ω
【详解】解:(1)只接入烘鞋器右脚时消耗的电能
只接入烘鞋器右脚时消耗的电功率
(2)接入双脚时消耗的电能
总功率
R1的功率
电阻丝R1的阻值
(3)原先左脚的电阻
则R1和R2的阻值相差
答:(1)只接入烘鞋器右脚时消耗的电功率为10W;
(2)电阻丝R1的阻值为484Ω;
(3)则R1和R2的阻值相差4356Ω。
16.(1)0.1A;(2)1782J;(3)50%~100%
【详解】解:(1)电阻R1为发热体,它的额定电功率为22W,闭合开关,发热体两端的电压是220V,根据可知,发热体正常工作时的电流
(2)电阻R1的额定电功率为22W,发热体两端的电压是220V,则根据可知电阻R1的阻值大小
当实际电压为198V时,发热体工作100s,电阻R1阻值不变,那么根据可知消耗的电能
(3)从图丙可以看到,R1和R2串联,再和灯泡L并联,移动滑片可以连续调节发热体的电功率,最低可调至额定功率的四分之一,则这个最低电功率的大小
电阻R1的阻值大小是2200Ω,则根据可知,这情况下流过电阻R1的电流大小
R1和R2串联,这时流过R2的电流是0.05A;根据可知,这情况下电阻R1的电压大小
那么R2的电压
那么这情况下变阻器R2的电功率
这种情况下,由于L为电功率忽略不计的电源指示灯,那么电路消耗的总电能
发热体R1消耗的电能
这种情况下该电路电能利用率
当滑片P滑到最右端b端时,电阻R1的电压最大,是220V,这时它的电功率是额定功率22W,滑动变阻器接入电路的电阻为零,由于L为电功率忽略不计的电源指示灯,则
这情况下该电路电能利用率
综上所述,该电路电能利用率的范围是50%~100%。
答:(1)发热体正常工作时的电流是0.1A;
(2)当实际电压为198V时,发热体工作100s消耗的电能是1782J;
(3)若发热体产生的热量全部被茶汤吸收,该电路电能利用率的范围是50%~100%。
17.(1)20.4%;(2)2×108J;(3)240km
【详解】解:(1)内燃机燃烧完全放出的热量
Q放=qm=4.5×107J/kg×20kg=9×108J
由题图乙可知v1=50 km/h时,汽车受到的阻力
f1=400N
t1时间内克服摩擦力做功
W1=f1s1=f1v1t1=400N×m/s×2×3600s=4×107J
t1时间蓄电池组充完电消耗的能量
W2=U1I1t1=400V×50A×2×3600s=1.44×108J
则内燃机工作时的效率
η1=×100%=×100%≈20.4%
(2)蓄电池组充电的能量
W2=1.44×108J
时,充电完成,则电池组储存能量的最大值
Em=E0+W2=5.6×107J+1.44×108J=2×108J
(3)由题图乙可知,汽车以90km/h的速度行驶时受到的阻力
f2=480N
由题意可知
W2×80%=f2sm
则
sm===2.4×105m=240km
答:(1)内燃机工作时的效率η1为20.4%;
(2)汽车蓄电池组储存能量的最大值Em为2×108J;
(3)充电一次采用纯电动模式以v2=90km/h的速度匀速行驶的最大里程sm为240km。
18.(1) 0.5A;(2) 60Ω;(3) 4.5W
【详解】(1) 闭合开关S1, 断开开关S2、 S3, 电流表示数为
(2) 闭合开关S1、S2和S3时,R3短路,R1和R2并联,电压表选择的是0~15V的量程,电压表安全;电流表选择的是0~0.6 A的量程,滑动变阻器R2的规格为“200Ω 1 A”,所以干路中的最大电流为0.6A,在电路安全情况下,滑动变阻器R2连入电路的最大电流为
滑动变阻器R2连入电路的最小电阻阻值为
(3) 闭合开关S3,断开开关S1、S2,R3和R2串联,当电路中的电流为0.1A时,电压表的读数为
当电路中的电流为0.4A时,电压表的读数为
根据题意可得
解得:R3=30Ω。
定值电阻R3的功率变化量为
答:(1)闭合开关S1, 断开开关S2、 S3, 电流表示数为0.5A;
(2)闭合开关S1、S2和S3, 在电路安全情况下,滑动变阻器R2连入电路的最小电阻阻值为60Ω;
(3)若把电压为6 V的电源换成电压值更大的电源后,闭合开关S3,断开开关S1、S2,调节滑动变阻器R2,发现电流表的示数从0.1 A变为0.4A,电压表示数改变了9V,则定值电阻R3的电功率改变了4.5W。
19.(1)2.73×105J;(2)91%;(3)200V
【详解】(1)水的质量:
m=ρV=1.0×103kg/m3×10-3m3=1kg,
水吸收的热量:
Q吸=cmΔt=4.2×103J/(kg•℃)×1kg×(85℃﹣20℃)=2.73×105J;
(2)电热水壶消耗的电能:
W=Pt=1000W×300s=3×105J,
电热水壶的效率:
η=×100%=91%;
(3)电热水壶电阻:
R==48.4Ω;
电热水壶实际功率:
P实==W,
实际电压:
U实==200V.
答:(1)水吸收的热量是2.73×105J;
(2)电热水壶的效率是91%;
(3)在用电高峰时,实际电压为200V.
20.(1)10Ω;(2)2V;(3)30Ω;(4)0.225W~0.9W
【详解】解:(1)小灯泡标有“4V 1.6W”,由可得,小灯泡的阻值
(2)只闭合开关S2时,灯泡R1与电阻R2串联,电压表测R1两端的电压,串联电路总电阻等于各部分电阻之和,所以电路总电阻
此时通过电路的电流
所以R1两端的电压为
即电压表示数为2V。
(3)将滑动变阻器滑片滑到最左端,闭合所有开关,电阻R2与R3的最大阻值并联,电流表A测干路电流,此时电流表示数为0.5A,并联电路各并联支路两端电压相等,所以通过R2的电流
并联电路干路电流等于各支路电流之和,所以通过滑动变阻器的电流
所以滑动变阻器的最大阻值为
(4)只闭合开关S3时,灯泡R1与滑动变阻器R3串联,电压表测R1两端的电压,当电压表的示数R1′=3V时,灯泡两端的电压最大,其实际功率最大
当滑动变阻器接入电路中的电阻最大时,电路中的电流最小,R1的功率最小,此时电路中的电流
则灯泡的最小功率
所以,小灯泡电功率的变化范围为0.225W~0.9W。
答:(1)小灯泡的阻值R1为10Ω;
(2)只闭合开关S2,求电压表的示数为2V;
(3)滑动变阻器R3的最大阻值为30Ω;
(4)只闭合开关S3,在电路安全的情况下,小灯泡电功率的变化范围为0.225W~0.9W。
相关试卷
这是一份2023年中考物理高频考点突破——欧姆定律的计算,共14页。试卷主要包含了 【答案】等内容,欢迎下载使用。
这是一份初中物理苏科版九年级全册4 功率课时作业,共11页。试卷主要包含了2 倍,8 km,消耗汽油 2 kg, 【答案】 3, 【答案】等内容,欢迎下载使用。
这是一份2023年中考物理高频考点专题强化-电功和电功率的计算,共12页。试卷主要包含了求∶等内容,欢迎下载使用。