所属成套资源:全套2023届高考化学二轮复习专题学案
2023届高考化学二轮复习专题十化学实验基础与综合实验探究学案
展开
这是一份2023届高考化学二轮复习专题十化学实验基础与综合实验探究学案,共49页。
专题十 化学实验基础与综合实验探究
明·课程标准
MINGKECHENGBIAOZHUN 对应学生用书学案P103
1.具有较强的问题意识,能提出化学探究问题,能作出预测和假设。能依据实验目的和假设,设计解决简单问题的实验方案,能对实验方案进行评价。
2.能运用实验基本操作实施实验方案,具有安全意识和环保意识。能观察并如实记录实验现象和数据,进行分析和推理,得出合理的结论。能与同学合作交流,对实验过程和结果进行反思,说明假设、证据和结论之间的关系,用恰当形式表达和展示实验成果。
3.能根据不同类型实验的特点,设计并实施实验。能预测物质的某些性质,并进行实验验证;能运用变量控制的方法初步探究反应规律;能根据物质性质的差异选择物质分离的实验方法;能根据物质的特征反应和干扰因素选取适当的检验试剂;能根据反应原理选取实验装置制取物质。
品·高考真题, PINGAOKAOZHENTI 对应学生用书学案P104
真题细研
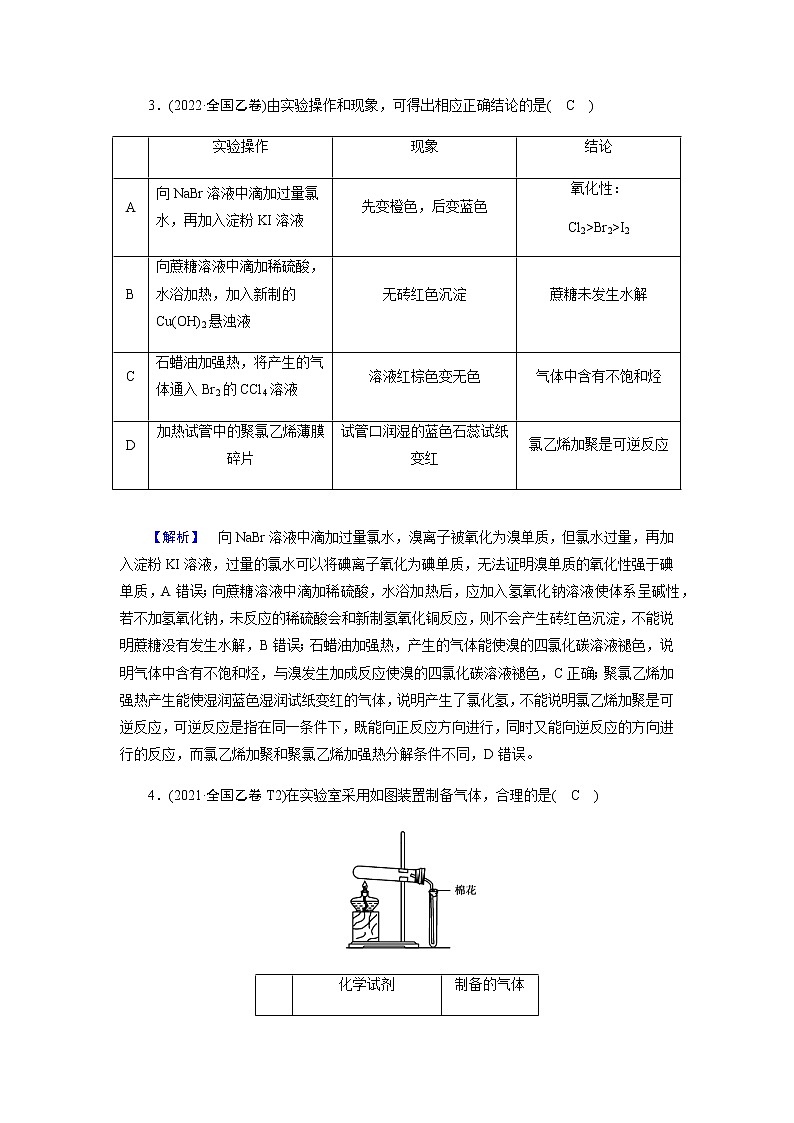
1.(2022·全国甲卷)根据实验目的,下列实验及现象、结论都正确的是( C )
选项
实验目的
实验及现象
结论、
A
比较CH3COO-和HCO的水解常数
分别测浓度均为0.1mol·L-1的CH3COONH4和NaHCO3溶液的pH,后者大于前者
Kh(CH3COO-)
Br2>I2
B
向蔗糖溶液中滴加稀硫酸,水浴加热,加入新制的Cu(OH)2悬浊液
无砖红色沉淀
蔗糖未发生水解
C
石蜡油加强热,将产生的气体通入Br2的CCl4溶液
溶液红棕色变无色
气体中含有不饱和烃
D
加热试管中的聚氯乙烯薄膜碎片
试管口润湿的蓝色石蕊试纸变红
氯乙烯加聚是可逆反应
【解析】 向NaBr溶液中滴加过量氯水,溴离子被氧化为溴单质,但氯水过量,再加入淀粉KI溶液,过量的氯水可以将碘离子氧化为碘单质,无法证明溴单质的氧化性强于碘单质,A错误;向蔗糖溶液中滴加稀硫酸,水浴加热后,应加入氢氧化钠溶液使体系呈碱性,若不加氢氧化钠,未反应的稀硫酸会和新制氢氧化铜反应,则不会产生砖红色沉淀,不能说明蔗糖没有发生水解,B错误;石蜡油加强热,产生的气体能使溴的四氯化碳溶液褪色,说明气体中含有不饱和烃,与溴发生加成反应使溴的四氯化碳溶液褪色,C正确;聚氯乙烯加强热产生能使湿润蓝色湿润试纸变红的气体,说明产生了氯化氢,不能说明氯乙烯加聚是可逆反应,可逆反应是指在同一条件下,既能向正反应方向进行,同时又能向逆反应的方向进行的反应,而氯乙烯加聚和聚氯乙烯加强热分解条件不同,D错误。
4.(2021·全国乙卷T2)在实验室采用如图装置制备气体,合理的是( C )
化学试剂
制备的气体
A
Ca(OH)2+NH4Cl
NH3
B
MnO2+HCl(浓)
Cl2
C
MnO2+KClO3
O2
D
NaCl+H2SO4(浓)
HCl
【解析】 氨气的密度比空气小,不能用向上排空法收集,故A错误;二氧化锰与浓盐酸共热制备氯气为固液加热反应,需要选用固液加热装置,不能选用固固加热装置,故B错误;二氧化锰和氯酸钾共热制备氧气为固固加热的反应,能选用固固加热装置,氧气的密度大于空气,可选用向上排空气法收集,故C正确;氯化钠与浓硫酸共热制备氯化氢为固液加热反应,需要选用固液加热装置,不能选用固固加热装置,故D错误。
5.(2021·全国甲卷)实验室制备下列气体的方法可行的是( D )
气体
方法
A
氨气
加热氯化铵固体
B
二氧化氮
将铝片加到冷浓硝酸中
C
硫化氢
向硫化钠固体滴加浓硫酸
D
氧气
加热氯酸钾和二氧化锰的混合物
【解析】 氯化铵不稳定,加热易分解生成氨气和氯化氢,但遇冷又会化合生成氯化铵固体,所以不能用于制备氨气,A不可行;将铝片加到冷浓硝酸中会发生钝化现象,不能用于制备二氧化氮,B不可行;硫化氢为还原性气体,浓硫酸具有强氧化性,不能用浓硫酸与硫化钠固体反应制备硫化氢气体,因为该气体会与浓硫酸发生氧化还原反应,C不可行;实验室加热氯酸钾和二氧化锰的混合物,生成氯化钾和氧气,二氧化锰作催化剂,可用此方法制备氧气,D可行。
6.(2020·全国卷Ⅰ·9)下列气体去除杂质的方法中,不能实现目的的是( A )
气体(杂质)
方法
A
SO2(H2S)
通过酸性高锰酸钾溶液
B
Cl2(HCl)
通过饱和的食盐水
C
N2(O2)
通过灼热的铜丝网
D
NO(NO2)
通过氢氧化钠溶液
【解析】 SO2和H2S都具有较强的还原性,都可以被酸性高锰酸钾溶液氧化;因此用酸性高锰酸钾溶液除杂质H2S时,SO2也会被吸收,故A项不能实现除杂目的;氯气中混有少量的氯化氢气体,可以用饱和食盐水除去;饱和食盐水在吸收氯化氢气体的同时,也会抑制氯气在水中的溶解,故B项能实现除杂目的;氮气中混有少量氧气,在通过灼热的铜丝网时,氧气可以与之发生反应:2Cu+O22CuO,而铜与氮气无法反应,因此可以采取这种方式除去杂质氧气,故C项能实现除杂目的;NO2可以与NaOH发生反应:2NO2+2NaOH===NaNO3+NaNO2+H2O,NO与NaOH溶液不能发生反应;尽管NO可以与NO2一同跟NaOH发生反应:NO+NO2+2NaOH===2NaNO2+H2O,但由于杂质的含量一般较少,所以也不会对NO的量产生较大的影响,故D项能实现除杂的目的。
7.(2020·全国卷Ⅲ·10)喷泉实验装置如图所示。应用下列各组气体—溶液,能出现喷泉现象的是( B )
气体
溶液
A.
H2S
稀盐酸
B.
HCl
稀氨水
C.
NO
稀H2SO4
D.
CO2
饱和NaHCO3溶液
【解析】 由于硫化氢气体和盐酸不发生反应且硫化氢在水中的溶解度较小,烧瓶内外压强差变化不大,不会出现喷泉现象,A错误;氯化氢可以和稀氨水中的一水合氨发生反应,使烧瓶内外产生较大压强差,能够出现喷泉实验,B正确;一氧化氮不与硫酸发生反应且不溶于水,烧瓶内外不会产生压强差,不能发生喷泉现象,C错误;二氧化碳不会溶于饱和碳酸氢钠溶液中,烧瓶内外不会产生压强差,不能发生喷泉实验,D错误。
8.(2022·全国甲卷)硫化钠可广泛用于染料、医药行业。工业生产的硫化钠粗品中常含有一定量的煤灰及重金属硫化物等杂质。硫化钠易溶于热乙醇,重金属硫化物难溶于乙醇。实验室中常用95%乙醇重结晶纯化硫化钠粗品。回答下列问题:
(1)工业上常用芒硝(Na2SO4·10H2O)和煤粉在高温下生产硫化钠,同时生成CO,该反应的化学方程式为__Na2SO4·10H2O+4CNa2S+4CO↑+10H2O__。
(2)溶解回流装置如图所示,回流前无需加入沸石,其原因是__硫化钠粗品中常含有一定量的煤灰及重金属硫化物等杂质,这些杂质可以直接作沸石__。回流时,烧瓶内气雾上升高度不宜超过冷凝管高度的1/3。若气雾上升过高,可采取的措施是__降低温度__。
(3)回流时间不宜过长,原因是__乙醇与水形成共沸化合物,影响后面硫化钠结晶水合物的形成__。回流结束后,需进行的操作有①停止加热 ②关闭冷凝水 ③移去水浴,正确的顺序为__D__(填标号)。
A.①②③ B.③①②
C.②①③ D.①③②
(4)该实验热过滤操作时,用锥形瓶而不能用烧杯接收滤液,其原因是__防止滤液冷却__。过滤除去的杂质为__重金属硫化物__。若滤纸上析出大量晶体,则可能的原因是__温度逐渐恢复至室温__。
(5)滤液冷却、结晶、过滤,晶体用少量__95%乙醇溶液__洗涤,干燥,得到Na2S·xH2O。
【解析】 (1)工业上常用芒硝(Na2SO4·10H2O)和煤粉在高温下生产硫化钠,同时生产CO,根据得失电子守恒,反应的化学方程式为:Na2SO4·10H2O+4CNa2S+4CO↑+10H2O;(2)由题干信息,生产的硫化钠粗品中常含有一定量的煤灰及重金属硫化物等杂质,这些杂质可以直接作沸石,因此回流前无需加入沸石,若气流上升过高,可直接降低温度,使气压降低;(3)若回流时间过长,乙醇与水形成共沸化合物,影响后面硫化钠结晶水合物的形成;回流结束后,先停止加热,再移去水浴后再关闭冷凝水,故正确的顺序为①③②,答案选D;(4)硫化钠易溶于热乙醇,使用锥形瓶可有效防止滤液冷却,重金属硫化物难溶于乙醇,故过滤除去的杂质为重金属硫化物,由于硫化钠易溶于热乙醇,过滤后温度逐渐恢复至室温,滤纸上便会析出大量晶体;(5)乙醇与水互溶,硫化钠易溶于热乙醇,因此将滤液冷却、结晶、过滤后,晶体可用少量95%乙醇溶液洗涤,再干燥,即可得到Na2S·xH2O。
9.(2022·全国乙卷)二草酸合铜(Ⅱ)酸钾(K2[Cu(C2O4)2])可用于无机合成、功能材料制备。实验室制备二草酸合铜(Ⅱ)酸钾可采用如下步骤:
Ⅰ.取已知浓度的CuSO4溶液,搅拌下滴加足量NaOH溶液,产生浅蓝色沉淀。加热,沉淀转变成黑色,过滤。
Ⅱ.向草酸(H2C2O4)溶液中加入适量K2CO3固体,制得KHC2O4和K2C2O4混合溶液。
Ⅲ.将Ⅱ的混合溶液加热至80~85℃,加入Ⅰ中的黑色沉淀。全部溶解后,趁热过滤。
Ⅳ.将Ⅲ的滤液用蒸汽浴加热浓缩,经一系列操作后,干燥,得到二草酸合铜(Ⅱ)酸钾晶体,进行表征和分析。
回答下列问题:
(1)由CuSO4·5H2O配制Ⅰ中的CuSO4溶液,下列仪器中不需要的是__分液漏斗和球形冷凝管__(填仪器名称)。
(2)长期存放的CuSO4·5H2O中,会出现少量白色固体,原因是__CuSO4·5H2O风化失去结晶水生成无水硫酸铜__。
(3)Ⅰ中的黑色沉淀是__CuO__(写化学式)。
(4)Ⅱ中原料配比为n(H2C2O4)∶n(K2CO3)=1.5∶1,写出反应的化学方程式__3H2C2O4+2K2CO3===2KHC2O4+K2C2O4+2H2O+2CO2↑__。
(5)Ⅱ中,为防止反应过于剧烈而引起喷溅,加入K2CO3应采取__分批加入并搅拌__的方法。
(6)Ⅲ中应采用__水浴__进行加热。
(7)Ⅳ中“一系列操作”包括__冷却结晶、过滤、洗涤__。
【解析】 取已知浓度的CuSO4溶液,搅拌下滴加足量NaOH溶液,产生浅蓝色沉淀氢氧化铜,加热,氢氧化铜分解生成黑色的氧化铜沉淀,过滤,向草酸(H2C2O4)溶液中加入适量K2CO3固体,制得KHC2O4和K2C2O4混合溶液,将KHC2O4和K2C2O4混合溶液加热至80~85℃,加入氧化铜固体,全部溶解后,趁热过滤,将滤液用蒸汽浴加热浓缩、冷却结晶、过滤、洗涤、干燥,得到二草酸合铜(Ⅱ)酸钾晶体。(1)由CuSO4·5H2O固体配制硫酸铜溶液,需用天平称量一定质量的CuSO4·5H2O固体,将称量好的固体放入烧杯中,用量筒量取一定体积的水溶解CuSO4·5H2O,因此用不到的仪器有分液漏斗和球形冷凝管。(2)CuSO4·5H2O含结晶水,长期放置会风化失去结晶水,生成无水硫酸铜,无水硫酸铜为白色固体。(3)硫酸铜溶液与氢氧化钠溶液反应生成蓝色的氢氧化铜沉淀,加热,氢氧化铜分解生成黑色的氧化铜沉淀。(4)草酸和碳酸钾以物质的量之比为1.5∶1发生非氧化还原反应生成KHC2O4、K2C2O4、CO2和水,依据原子守恒可知,反应的化学方程式为:3H2C2O4+2K2CO3===2KHC2O4+K2C2O4+2H2O+2CO2↑。(5)为防止草酸和碳酸钾反应时反应剧烈,造成液体喷溅,可减缓反应速率,将碳酸钾进行分批加入并搅拌。(6)Ⅲ中将混合溶液加热至80~85℃,应采取水浴加热,使液体受热均匀。(7)从溶液获得晶体的一般方法为蒸发浓缩、冷却结晶、过滤、洗涤、干燥,因此将Ⅲ的滤液用蒸汽浴加热浓缩、冷却结晶、过滤、洗涤、干燥,得到二草酸合铜(Ⅱ)酸钾晶体。
10.(2021·全国乙卷T)氧化石墨烯具有稳定的网状结构,在能源、材料等领域有着重要的应用前景,通过氧化剥离石墨制备氧化石墨烯的一种方法如下(装置如图所示):
Ⅰ.将浓H2SO4、NaNO3、石墨粉末在c中混合,置于冰水浴中,剧烈搅拌下,分批缓慢加入KMnO4粉末,塞好瓶口。
Ⅱ.转至油浴中,35℃搅拌1小时,缓慢滴加一定量的蒸馏水。升温至98℃并保持1小时。
Ⅲ.转移至大烧杯中,静置冷却至室温。加入大量蒸馏水,而后滴加H2O2至悬浊液由紫色变为土黄色。
Ⅳ.离心分离,稀盐酸洗涤沉淀。
Ⅴ.蒸馏水洗涤沉淀。
Ⅵ.冷冻干燥,得到土黄色的氧化石墨烯。
回答下列问题:
(1)装置图中,仪器a、c的名称分别是__滴液漏斗__、__三颈烧瓶__,仪器b的进水口是__d__(填字母)。
(2)步骤Ⅰ中,需分批缓慢加入KMnO4粉末并使用冰水浴,原因是__反应放热,防止反应过快__。
(3)步骤Ⅱ中的加热方式采用油浴,不使用热水浴,原因是__反应温度接近水的沸点,油浴更易控温__。
(4)步骤Ⅲ中,H2O2的作用是__2MnO+5H2O2+6H+===2Mn2++8H2O+5O2↑__(以离子方程式表示)。
(5)步骤Ⅳ中,洗涤是否完成,可通过检测洗出液中是否存在SO来判断。检测的方法是__取最后一次洗出液,滴加BaCl2溶液,若没有白色沉淀生成,则洗涤完成,否则没有完成__。
(6)步骤Ⅴ可用pH试纸检测来判断Cl-是否洗净,其理由是__H+与Cl-电离平衡,洗出液接近中性时,可认为Cl-洗净__。
【解析】 (1)由图中仪器构造可知,a的仪器名称为滴液漏斗,c的仪器名称为三颈烧瓶;仪器b为球形冷凝管,起冷凝回流作用,为了使冷凝效果更好,冷却水要从d口进,a口出;(2)反应为放热反应,为控制反应速率,避免反应过于剧烈,需分批缓慢加入KMnO4粉末并使用冰水浴;(3)油浴和水浴相比,由于油的比热容较水小,油浴控制温度更加灵敏和精确,该实验反应温度接近水的沸点,故不采用热水浴,而采用油浴,故答案为反应温度接近水的沸点,油浴更易控温;(4)由滴加H2O2后发生的现象可知,加入的目的是除去过量的KMnO4,则反应的离子方程式为2MnO+5H2O2+6H+===2Mn2++5O2↑+8H2O;(5)该实验中为判断洗涤是否完成,可通过检测洗出液中是否存在SO来判断,检测方法是:取最后一次洗涤液,滴加BaCl2溶液,若没有沉淀说明洗涤完成;(6)步骤IV用稀盐酸洗涤沉淀,步骤V洗涤过量的盐酸,H+与Cl-电离平衡,洗出液接近中性时,可认为Cl-洗净。
11.(2021·全国甲卷)胆矾(CuSO4·5H2O)易溶于水,难溶于乙醇。某小组用工业废铜焙烧得到的CuO(杂质为氧化铁及泥沙)为原料与稀硫酸反应制备胆矾,并测定其结晶水的含量。回答下列问题:
(1)制备胆矾时,用到的实验仪器除量筒、酒精灯、玻璃棒、漏斗外,还必须使用的仪器有__AC__(填标号)。
A.烧杯B.容量瓶C.蒸发皿D.移液管
(2)将CuO加入到适量的稀硫酸中,加热,其主要反应的化学方程式为__CuO+H2SO4CuSO4+H2O__,与直接用废铜和浓硫酸反应相比,该方法的优点是__不会产生二氧化硫且产生等量胆矾消耗硫酸少(硫酸利用率高)__。
(3)待CuO完全反应后停止加热,边搅拌边加入适量H2O2,冷却后用NH3·H2O调pH为3.5~4,再煮沸10min,冷却后过滤。滤液经如下实验操作:加热蒸发、冷却结晶、__过滤__、乙醇洗涤、__干燥__,得到胆矾。其中,控制溶液pH为3.5~4的目的是__除尽铁,抑制硫酸铜水解__,煮沸10min的作用是__破坏氢氧化铁胶体,易于过滤__。
(4)结晶水测定:称量干燥坩埚的质量为m1,加入胆矾后总质量为m2,将坩埚加热至胆矾全部变为白色,置于干燥器中冷至室温后称量,重复上述操作,最终总质量恒定为m3。根据实验数据,胆矾分子中结晶水的个数为____(写表达式)。
(5)下列操作中,会导致结晶水数目测定值偏高的是__①③__(填标号)。
①胆矾未充分干燥
②坩埚未置于干燥器中冷却
③加热时有少量胆矾迸溅出来
【解析】 (1)制备胆矾时,根据题干信息可知,需进行溶解、过滤、结晶操作,用到的实验仪器除量筒、酒精灯、玻璃棒、漏斗外,还必须使用的仪器有烧杯和蒸发皿,A、C符合题意;(2)将CuO加入到适量的稀硫酸中,加热,其主要反应的化学方程式为CuO+H2SO4CuSO4+H2O;直接用废铜和浓硫酸反应生成硫酸铜与二氧化硫和水,与这种方法相比,将CuO加入到适量的稀硫酸中,加热制备胆矾的实验方案具有的优点是:不会产生二氧化硫且产生等量胆矾消耗硫酸少(硫酸利用率高);(3)硫酸铜溶液制硫酸铜晶体,操作步骤有加热蒸发、冷却结晶、过滤、乙醇洗涤、干燥;CuO中含氧化铁杂质,溶于硫酸后会形成铁离子,为使铁元素以氢氧化铁形式沉淀完全,需控制溶液pH为3.5~4,酸性环境同时还可抑制铜离子发生水解;操作过程中可能会生成氢氧化铁胶体,所以煮沸10min,目的是破坏氢氧化铁胶体,使其沉淀,易于过滤;(4)称量干燥坩埚的质量为m1,加入胆矾后总质量为m2,将坩埚加热至胆矾全部变为白色,置于干燥器中冷却至室温后称量,重复上述操作,最终总质量恒定为m3。则水的质量是(m2-m3)g,所以胆矾(CuSO4·nH2O)中n值的表达式为∶=n∶1,解得n=;(5)①胆矾未充分干燥导致所测m2偏大,根据n=可知,最终会导致结晶水数目测定值偏高,符合题意;②坩埚未置于干燥器中冷却,部分白色硫酸铜会与空气中水蒸气结合重新生成胆矾,导致所测m3偏大,根据n=可知,最终会导致结晶水数目测定值偏低,不符合题意;③加热胆矾晶体时有晶体从坩埚中溅出,会使m3数值偏小,根据n=可知,最终会导致结晶水数目测定值偏高,符合题意。
12.(2020·全国卷Ⅱ·27)苯甲酸可用作食品防腐剂。实验室可通过甲苯氧化制苯甲酸,其反应原理简示如下:
名称
相对分子质量
熔点/℃
沸点/℃
密度/(g·mL-1)
溶解性
甲苯
92
-95
110.6
0.867
不溶于水,易溶于乙醇
苯甲
酸
122
122.4(100℃左右开始升华)
248
—
微溶于冷水,易溶于乙醇、热水
实验步骤:
①在装有温度计、冷凝管和搅拌器的三颈烧瓶中加入1.5mL甲苯、100mL水和4.8g(约0.03mol)高锰酸钾,慢慢开启搅拌器,并加热回流至回流液不再出现油珠。
②停止加热,继续搅拌,冷却片刻后,从冷凝管上口慢慢加入适量饱和亚硫酸氢钠溶液,并将反应混合物趁热过滤,用少量热水洗涤滤渣。合并滤液和洗涤液,于冰水浴中冷却,然后用浓盐酸酸化至苯甲酸析出完全。将析出的苯甲酸过滤,用少量冷水洗涤,放在沸水浴上干燥。称量,粗产品为1.0g。
③纯度测定:称取0.122g粗产品,配成乙醇溶液,于100mL容量瓶中定容。每次移取25.00mL溶液,用0.01000mol·L-1的KOH标准溶液滴定,三次滴定平均消耗21.50mL的KOH标准溶液。
回答下列问题:
(1)根据上述实验药品的用量,三颈烧瓶的最适宜规格为__B__(填标号)。
A.100mL B.250mL
C.500mL D.1000mL
(2)在反应装置中应选用__球形__冷凝管(填“直形”或“球形”),当回流液不再出现油珠即可判断反应已完成,其判断理由是__无油珠说明不溶于水的甲苯已经被完全氧化__。
(3)加入适量饱和亚硫酸氢钠溶液的目的是__除去过量的高锰酸钾,避免在用盐酸酸化时,产生氯气__;该步骤亦可用草酸在酸性条件下处理,请用反应的离子方程式表达其原理__2MnO+5H2C2O4+6H+===2Mn2++10CO2↑+8H2O__。
(4)“用少量热水洗涤滤渣”一步中滤渣的主要成分是__MnO2__。
(5)干燥苯甲酸晶体时,若温度过高,可能出现的结果是__苯甲酸升华而损失__。
(6)本实验制备的苯甲酸的纯度为__86.0%__;据此估算本实验中苯甲酸的产率最接近于__C__(填标号)。
A.70% B.60%
C.50% D.40%
(7)若要得到纯度更高的苯甲酸,可通过在水中__重结晶__的方法提纯。
【解析】 (1)加热液体,所盛液体的体积不超过三颈烧瓶的一半,三颈烧瓶中已经加入100mL的水,1.5mL甲苯,4.8g高锰酸钾,应选用250mL的三颈烧瓶;(2)为增加冷凝效果,在反应装置中宜选用球形冷凝管,当回流液中不再出现油珠时,说明反应已经完成,因为没有油珠说明不溶于水的甲苯已经完全被氧化;(3)高锰酸钾具有强氧化性,能将Cl-氧化。加入适量的饱和亚硫酸氢钠溶液是为了除去过量的高锰酸钾,避免在用盐酸酸化时,产生氯气;该步骤亦可用草酸处理,生成二氧化碳和锰盐,离子方程式为:5H2C2O4+2MnO+6H+===2Mn2++10CO2↑+8H2O;(4)由信息甲苯用高锰酸钾氧化时生成苯甲酸钾和二氧化锰,“用少量热水洗涤滤渣”一步中滤渣的主要成分是MnO2;(5)苯甲酸100℃时易升华,干燥苯甲酸时,若温度过高,苯甲酸升华而损失;(6)由关系式C6H5COOH~KOH得,苯甲酸的纯度为0.01000mol·L-1×21.50×10-3L××100%=86.0%;1.5mL甲苯理论上可得到苯甲酸的质量:×122g·mol-1=1.72g,产品的产率为×100%=50%;(7)提纯苯甲酸可用重结晶的方法。
考情预判
化学实验选择题考查点较为分散、涉及面广,试题难度不大,预计在2023年高考中,仍会以图表、装置图或文字描述等形式,考查化学实验的基本操作、仪器的创新使用,以元素化合物知识为基础,以分离、提纯为载体,对物质分离提纯的仪器使用,除杂试剂的选择进行考查,重点考查实验操作、目的、现象和结论之间的逻辑关系判断。
预测2023年高考中,化学实验在非选择题部分仍将结合新情境、新装置图进行综合考查,以物质的制备为载体,结合实验操作、仪器的使用、物质的分离、提纯、检验及纯度计算,对综合实验中某一环节或某一步骤进行方案设计或评价;以探究物质的性质或反应原理为命题主线、涉及性质或反应原理的预测、验证、结论等几个环节;以工艺流程为载体,考查实验操作、仪器的使用、物质的分离、提纯、陌生氧化还原方程式或离子方程式的书写等仍会是高考命题的热点。
悟·核心要点, WUHEXINYAODIAN 对应学生用书学案P107
考点一 化学实验基础
核心知识·整合
1.实验仪器的选择方法
2.常见仪器的“一材多用”
应变换思维角度,注意常用仪器的非常规使用及“一材多用”。例如:干燥管除用于干燥气体外,还可以用于组装防倒吸装置(如图①)、组装类似启普发生器装置(如图②);集气瓶除用于收集气体外,还可用于贮存气体(如图③)、测量气体体积(如图④)、作洗气瓶(如图⑤)等用途,图⑥既可以收集密度比空气大的气体(“长进短出”),也可以收集密度比空气小的气体(“短进长出”),还可以作为安全瓶(“短进长出”)等。
3.实验基本操作与实验安全中的注意点
(1)酸式滴定管不能装碱性溶液,碱式滴定管不能装酸性溶液。
(2)容量瓶不能长期存放溶液,更不能作为反应容器,也不可加热,瓶塞不可互用。
(3)烧瓶、烧杯、锥形瓶不可直接加热。
(4)pH试纸不能直接蘸取待测液。
(5)药品不能入口,也不能用手直接接触,实验剩余药品不能放回原处(K、Na等除外),不能随意丢弃,要放入指定容器中。
(6)中和滴定实验中锥形瓶不能用待装液润洗。
(7)温度计不能代替玻璃棒用于搅拌,测液体温度时不能与容器内壁接触。
(8)用天平称量药品时,药品不能直接放在托盘上。
(9)量筒不能用来配制溶液或进行化学反应,更不能用来加热或量取热的溶液。
(10)试纸不能直接用手拿,要用镊子夹取。
(11)配制一定物质的量浓度的溶液时,定容摇匀后液面低于容量瓶刻度线时不能再补加蒸馏水。
4.物质分离与提纯的四种类型
(1)“固+固”混合物的分离(提纯)
(2)“固+液”混合物的分离(提纯)
(3)“液+液”混合物的分离(提纯)
(4)“气+气”混合物的分离(提纯)
5.物质检验的技巧和要求
(1)先物理后化学。先利用物质的特殊颜色、状态、气味、焰色反应等进行检验,后利用化学反应检验。
(2)先常温后加热。先鉴别出常温下反应的物质,后鉴别加热条件下反应的物质。
(3)先分组后“逐一”。根据阴(阳)离子或官能团的性质分成若干组,然后再逐一鉴别。
(4)检验反应要求具有一定的选择性、典型性和明显性的外部特征。如品红溶液检验SO2,KSCN溶液检验Fe3+,湿润的红色石蕊试纸检验NH3等颜色的改变,或气体的生成,或沉淀的生成和溶解等特征现象。
(5)检验反应时常需排除干扰,如检验SO应排除CO、SO等干扰,检验Fe2+、Fe3+混合溶液中的Fe2+和检验CO2、SO2混合气体中的CO2等。
(6)通过①观察颜色;②反应现象;③共存关系;④电荷守恒;⑤来龙去脉,追踪推断物质组成成分中一定含有、一定不含有、可能含有某物质(离子)。
关键能力·突破
, 考向1 实验仪器与基本操作
典例1(2021·重庆模拟)下列实验中,对应的仪器(夹持装置和加热装置均可满足)、现象和相关说明均正确的是( D )
选项
实验内容
选用仪器
实验说明
A
除去HCl中混有的Cl2
装有饱和食盐水的洗气瓶
利用物质溶解度差异洗气除杂
B
分离硝基苯和苯的混合物
蒸馏烧瓶、直形冷凝管、牛角管、锥形瓶
利用物质沸点差异进行分离操作
C
证明元素的非金属性:Cl>C>Si
盛有稀盐酸的分液漏斗、盛有Na2CO3溶液的试管、盛有Na2SiO3溶液的试管、导管和橡皮塞
应在盛装Na2CO3溶液和Na2SiO3溶液间增加一个盛有NaHCO3的洗气瓶才能达到实验目的
D
比较H2C2O4和H2CO3的酸性
测定常温时,相同物质的量浓度的NaHC2O4溶液与NaHCO3溶液的pH
通过pH(NaHC2O4)<pH(NaHCO3),可以证明酸性:H2C2O4>H2CO3
【解析】 HCl极易溶于水,氯气在饱和氯化钠溶液中的溶解度很小,通过饱和食盐水除去了HCl,不符合除杂原则,故A错误;硝基苯和苯互溶,但沸点不同,可以通过蒸馏分离,蒸馏需要的仪器除了蒸馏烧瓶、直形冷凝管、牛角管、锥形瓶,还需要酒精灯、温度计等,仪器不全,不能完成实验,故B错误;盐酸易挥发,挥发出来的HCl也能与Na2SiO3溶液反应生成白色沉淀,因此需要在盛装Na2CO3溶液和Na2SiO3溶液间增加一个盛有NaHCO3的洗气瓶,但HCl不是Cl元素的最高价含氧酸,不能比较非金属性:Cl>C>Si,故C错误;通过测定常温时,相同物质的量浓度的NaHC2O4溶液与NaHCO3溶液的pH,pH(NaHC2O4)<pH(NaHCO3),根据越弱越水解,可以判断酸性:H2C2O4>H2CO3,实验设计和结论均正确,故D正确。
方法技巧
(1)对仪器的性能和适用范围掌握要透彻,如蒸发皿和坩埚、量筒和容量瓶的适用范围不同。
①具有氧化性的试剂(如溴水、氯水、HNO3溶液)能氧化橡胶,所以不能用带有橡胶塞的试剂瓶保存,也不能用碱式滴定管量取。
②量取液体时要注意精度要求,如量筒只能量取10.0 mL溶液,不能量取10.00 mL溶液。量器[如容量瓶、量筒、酸(碱)式滴定管]:选择规格等于或大于(尽量接近)所需液体的体积,如量取50.0 mL溶液应选取50.0 mL量筒,不能用100.0 mL量筒等。
(2)对物质的性质掌握要透彻,如水与CCl4的相对密度大小,气体的溶解度、液体的挥发性、固体的升华、相似相溶性、乙烯被高锰酸钾酸性溶液氧化的产物是CO2、硫代硫酸钠遇酸发生歧化反应的性质等。
(3)对操作方法掌握要准确透彻。
〔迁移应用〕
1.(2022·蚌埠模拟)实验室制取下列气体,所选反应试剂、制备装置与收集方法合理的是( A )
选项
气体
反应试剂
制备装置
收集方法
A
NH3
Ca(OH)2、NH4Cl
a
e
B
Cl2
MnO2、浓盐酸
c
d
C
NO
Cu、浓硝酸
c
d
D
SO2
Na2SO3、70%硫酸
b
f
【解析】 实验室制取氨气时,可用Ca(OH)2、NH4Cl混合加热制取,氨气的密度小于空气,应选用向下排空气法,故选择装置ae,A合理;MnO2、浓盐酸制取Cl2需加热,发生装置应选择固液加热型装置,即选b,B不合理;Cu与浓硝酸反应生成的是NO2,C不合理;亚硫酸钠和硫酸反应不需要加热,且二氧化硫能和水反应不能用排水法收集,D不合理。
考向2 物质的制备、分离和提纯
典例2(2022·日照模拟)实验室利用下图所示装置制备SbCl5。已知:SbCl3的沸点220.3℃,易水解;SbCl5在常压下沸点约140℃(同时分解),易水解,可与氢氟酸反应制备HSbF6。下列说法错误的是( D )
A.仪器Ⅰ中的a为冷凝水的进水口
B.仪器Ⅱ的主要作用是吸收Cl2和空气中的水蒸气
C.SbCl5制备完成后,可减压蒸馏分离出SbCl5
D.用SbCl5制备HSbF6时,可在玻璃仪器中进行
【解析】 冷凝管中冷凝水应该“低进高出”,仪器Ⅰ中的a为冷凝水的进水口,故A正确;氯气有毒污染空气,SbCl3、SbCl5易水解,仪器Ⅱ中碱石灰的主要作用是吸收Cl2和空气中的水蒸气,故B正确;SbCl5的沸点比SbCl3低,SbCl5在常压下沸点约140 ℃(同时分解),为防止SbCl5分解,制备完成后减压蒸馏分离出SbCl5,故C正确;SbCl5与氢氟酸反应制备HSbF6,玻璃中的二氧化硅和氢氟酸反应,所以不能在玻璃仪器中制备HSbF6,故D错误。
方法技巧
化学方法分离、提纯物质的“四原则”
(1)不增:指不能引入新的杂质
(2)不减:指应尽可能减少被分离与提纯的物质的损失。
(3)易分离:指如果使用试剂除去杂质时,要求反应后的产物跟被提纯的物质容易分离。
(4)易复原:指分离物或被提纯的物质都要容易复原。
〔迁移应用〕
2.利用废蚀刻液(含FeCl2、CuCl2及FeCl3)制备碱性蚀刻液[Cu(NH3)4Cl2溶液]和FeCl3·6H2O的主要步骤:用H2O2氧化废蚀刻液,制备氨气,制备碱性蚀刻液[CuCl2+4NH3===Cu(NH3)4Cl2]、固液分离,用盐酸溶解沉淀并制备FeCl3·6H2O。下列实验原理和装置不能达到实验目的的是( D )
A.用装置甲制备NH3
B.用装置乙制备Cu(NH3)4Cl2并沉铁
C.用装置丙分离Cu(NH3)4Cl2溶液和Fe(OH)3
D.用装置丁将FeCl3溶液蒸干制备FeCl3·6H2O
【解析】 实验室制备氨气,可用氢氧化钙、氯化铵在加热条件下进行,故A正确;氨气易溶于水,注意防止倒吸,氨气与溶液反应生成Cu(NH3)4Cl2和氢氧化铁,故B正确;分离固体和液体,可用过滤的方法,故C正确;应在蒸发皿中蒸发,且避免氯化铁水解,更不能直接蒸干,故D错误。
考向3 微型实验设计与评价
典例3(2022·潍坊模拟)氨基甲酸铵(NH2COONH4)易分解,易水解,难溶于CCl4。某小组设计如图所示装置制备氨基甲酸铵。已知:2NH3(g)+CO2(g)NH2COONH4(s) ΔHFe
C
向苯酚浊液中滴加饱和Na2CO3溶液
浊液变澄清
酸性:苯酚>碳酸
D
分别在20℃、30℃下,取0.1mol·L-1KI溶液,向其中先加入0.1mol·L-1的硫酸,再加入淀粉溶液,发生反应4H++O2+4I-===2I2+2H2O
30℃下出现蓝色的时间短
探究反应速率与温度的关系
【解析】 加热NaI固体和浓磷酸的混合物,由于HI易挥发,浓磷酸不易挥发,会有HI气体生成,A正确;取等物质的量的Al和Fe,分别与足量的稀盐酸反应,Al产生的氢气多,说明Al失去的电子数多,但金属性与失去电子数多少无关,不能比较Al、Fe的金属性,B错误;向苯酚浊液中滴加饱和Na2CO3溶液,反应生成苯酚钠、碳酸氢钠,浊液变澄清,说明酸性:苯酚>碳酸氢根,C错误;若先加硫酸,先发生反应4H++O2+4I-===2I2+2H2O,在20 ℃、30 ℃都会反应生成碘,加入淀粉都会变蓝,应先加入淀粉,再加硫酸进行反应,D错误。
答题模板
解答有关表格分析型实验题的思维模型
〔迁移应用〕
4.(2022·浙江高考)亚硝酸钠俗称“工业盐”,其外观、口感与食盐相似,人若误服会中毒。现将适量某样品(成分为亚硝酸钠或氯化钠)溶于水配成溶液,分别取少量该溶液于试管中进行实验。下列方案设计、现象和结论都正确的是( C )
方案设计
现象和结论
A
先加入少量KClO3溶液,再加AgNO3溶液和足量稀硝酸,振荡
若产生白色沉淀,则样品为亚硝酸钠
B
加到少量KMnO4溶液中,再加硫酸酸化,振荡
若溶液褪色,则样品为亚硝酸钠
C
先加到少量FeCl2溶液中,再加入稀盐酸酸化,振荡
若溶液变黄色,则样品为亚硝酸钠
D
先加入少量Na2SO3溶液,再加入BaCl2溶液和稀硝酸,振荡
若产生白色沉淀,则样品为亚硝酸钠
【解析】 若样品为氯化钠,加入AgNO3溶液和足量稀硝酸后也会产生白色沉淀,不能确定样品为亚硝酸钠,A错误;氯化钠电离出的氯离子也可以被酸性高锰酸钾氧化,而使其褪色,B错误;亚硝酸有氧化性,可以把二价铁氧化为三价铁,溶液变为黄色,C正确;稀硝酸可以把亚硫酸根离子氧化为硫酸根离子,再加入氯化钡可以生成硫酸钡白色沉淀,D错误。
考点二 综合实验设计与评价
核心知识·整合
(一)实验装置的连接与实验条件的控制
1.气体制备装置的选择与连接——“五审”
2.常见实验装置
(1)无机实验
①常见的气体发生装置
②常见的净化装置——用于除去气体中的杂质气体
③常见的气体收集装置
④常见的量气装置——通过排液法测量气体的体积
⑤有毒气体的处理装置
(2)有机实验
①反应装置
②蒸馏装置
③高考真题中出现的实验装置
3.实验条件控制的操作与目的
条件控制是化学实验的重要手段,通过控制条件可以使反应向着实际需要的方向进行与转化。
(1)化学实验中温度控制的目的
①加热的目的:加快化学反应速率或使化学平衡向某方向移动。
②降温的目的:防止某物质在高温时分解或使化学平衡向某方向移动。
③控制温度在一定范围的目的:若温度过低,则反应速率(或溶解速率)较慢;若温度过高,则某物质(如H2O2、氨水、草酸、浓硝酸、铵盐等)会分解或挥发。
④水浴加热的好处:受热均匀,温度可控,且温度不超过100℃。
⑤冰水浴冷却的目的:防止某物质分解或挥发。
⑥趁热过滤的原因:保持过滤温度,防止温度降低后某物质析出。
⑦减压蒸发的原因:减压蒸发降低了蒸发温度,可以防止某物质分解(如浓缩双氧水需减压蒸发低浓度的双氧水溶液)。
(2)化学实验中控制气体流速的操作与目的
①H2还原金属氧化物(如CuO)的实验中,先通入一段时间H2的目的是排尽装置中的空气,防止加热时H2与O2混合发生爆炸。
②测定某铁硫化物(FexSy)的组成实验如下图所示:
实验中通过控制滴加分液漏斗中水的流速来控制产生O2的流速,当实验结束后(即硬质试管中固体质量不再改变时),继续向烧瓶中滴加水,目的是利用产生的O2将装置中的SO2驱赶至D装置中,以保证反应产生的SO2被NaOH溶液完全吸收。
(二)物质的制备与物质的检验
1.熟知物质制备实验的解题流程
分析制
备流程
熟悉重
要仪器
特殊实验
装置分析
①制备在空气中易吸水、潮解以及水解的物质(如Al2S3、AlCl3等),往往在装置的末端再接一个干燥装置,以防止空气中水蒸气的进入。
②用液体吸收气体,若气体溶解度较大,要加防倒吸装置。
③若制备物质易被空气中氧气氧化,应加排空气装置
依据反应
特点作答
加热操作:①使用可燃性气体(如:H2、CO、CH4等),先用原料气赶走系统内的空气,再点燃酒精灯加热,以防止爆炸。
②制备一些易与空气中的成分发生反应的物质(如H2还原CuO的实验),反应结束时,应先熄灭酒精灯,继续通原料气至试管冷却。
有机制备:①有机物易挥发,反应中通常采用冷凝回流装置,以提高原料的利用率和产物的产率。
②在实验中需要控制反应条件,以减少副反应的发生。
③根据产品与杂质的性质特点,选择合适的分离提纯方法
2.物质的检验与鉴别(定)方法
(1)物质检验的一般方法
(2)物质检验中干扰因素的排除
①离子检验中的干扰因素及排除措施(括号中为干扰离子)
②气体检验中干扰因素的排除
先检验出具有干扰作用的气体,并除去该气体,而且要确认该气体已经除尽,再检验其余气体。例如,验证“灼热木炭粉与浓硫酸反应后的气体生成物”流程:
气体→无水CuSO4干燥管检验H2O→品红溶液检验SO2→KMnO4溶液除去SO2→品红试液检验SO2除尽→通入澄清石灰水检验CO2。
(三)物质性质与物质组成探究
1.探究(验证)性质实验设计原则
对物质所具备的性质,从化学实验中寻求证据,设计实验方案的原则是操作简单,现象明显,安全可行。
2.探究性质实验设计依据与评价技巧
分析物质结构的特点或从物质所属类型的代表物去推测物质可能具有一系列性质,提出合理的实验方案,探索物质可能具有的各种性质。
(1)实验简单易行。要尽量避免使用高压和特殊催化剂等实验室难以达到的条件。
(2)实验顺序科学。要对各个实验步骤进行统一的规划和安排,保证实验准确高效,同时要减少副反应的发生和避免实验步骤间的相互干扰。
(3)实验现象直观。如“证明CH3COOH是弱电解质”的实验,可配制一定浓度的CH3COONa溶液,用pH试纸测溶液的pH,通过测定的结果pH>7得出结论,该实验既操作简便又现象明显。
(4)实验结论可靠。要反复推敲实验步骤和多方论证实验结果,做到实验结论准确可靠。
关键能力·突破
考向1 制备型综合实验
典例1(2022·遵义模拟)丙烯腈(CH2===CHCN)是合成纤维、合成橡胶和合成树脂的重要单体,可以由乙炔与HCN反应制得。原理如下CH≡CH+HCNCH2===CHCN
Ⅰ.制备催化剂CuCl2
(1)通过查阅资料有两种方案可以制备
方案1:铜屑与H2O2在浓盐酸中反应
方案2:铜丝在氯气中燃烧
方案1的实验原理如图所示
①器a的名称三颈烧瓶 ;
②请写出方案1的反应原理 Cu+H2O2+2H+===Cu2++2H2O (用离子方程式表达)。
(2)用恒压滴液漏斗分批多次滴加H2O2,且H2O2过量,原因是 H2O2不稳定易分解,让反应更充分,提高CuCl2的产量 。
(3)方案2燃烧后的固体溶于水,过滤后发现一些白色固体X,为检测X的成分,某同学将其溶于稀硫酸,白色固体变为红色,且溶液呈蓝色,推测X为 CuCl 。
Ⅱ.合成丙烯腈
已知:①电石的主要成分是CaC2,还含有少量硫化钙
②HCN易挥发,有毒,具有较强的还原性
(4)HCN的电子式 。
(5)纯净的乙炔是无色、无臭的气体。但用电石制取的乙炔时常伴有臭鸡蛋气味,这种物质是 H2S气体 。
(6)从下列选择装置D中可盛放的溶液 A 。
A.高锰酸钾溶液 B.NaOH溶液
C.饱和食盐水 D.盐酸溶液
(7)工业用200kg含CaC2质量分数80%的电石,生产得到丙烯腈79.5kg,计算产率 60% 。
【解析】 丙烯腈(CH2===CHCN)是通过CH≡CH+HCNCH2===CHCN得到,制备催化剂CuCl2常用铜屑与H2O2在浓盐酸中反应得到或者铜丝在氯气中燃烧得到,制备乙炔时常用电石与饱和食盐水反应得到,由于含有硫化氢杂质,用硫酸铜溶液处理,将乙炔通入到氯化铜和HCN溶液中水浴加热反应生成丙烯腈,由于HCN有毒,因此尾气用高锰酸钾溶液处理。(1)①根据图中得到仪器a的名称三颈烧瓶。②方案1的反应原理是铜屑与H2O2在浓盐酸中反应生成氯化铜和水,其离子方程式为:Cu+H2O2+2H+===Cu2++2H2O。(2)用恒压滴液漏斗分批多次滴加H2O2,且H2O2过量,原因是H2O2不稳定易分解,生成的铜离子对双氧水分解起催化作用,也为了让反应更充分,提高CuCl2的产量。(3)方案2燃烧后的固体溶于水,过滤后发现一些白色固体X,为检测X的成分,某同学将其溶于稀硫酸,白色固体变为红色,且溶液呈蓝色,说明该白色物质在酸性条件下反应生成Cu和铜离子,则根据氧化还原反应原理推测X为CuCl。(4)HCN中碳氮共用三对电子,碳氢共用一对电子,因此HCN的电子式H∶C⋮⋮N∶。(5)纯净的乙炔是无色、无臭的气体。但用电石制取的乙炔时常伴有臭鸡蛋气味,这种物质是H2S气体。(6)HCN易挥发,D装置主要处理挥发出的HCN气体,HCN有毒,具有较强的还原性,因此利用高锰酸钾强氧化性将具有强还原性物质HCN发生氧化还原反应,因此装置D中可盛放的溶液为A。(7)工业用200 kg含CaC2质量分数80%的电石,根据CaC2~CH2===CHCN关系式,理论上得到丙烯腈质量为=132.5 kg,实际生产得到丙烯腈79.5 kg,则丙烯腈的产率×100%=60%。
方法技巧
制备实验方案设计与评价类试题的答题策略
(1)制备方案的实验流程与考法
(2)方案评价:①可行性角度;②绿色化学角度;
③安全性角度;④规范性角度
〔迁移应用〕
1.(2022·合肥模拟)实验室采用三氟化硼(BF3)与氯化铝(AlCl3)加热的方法制备BCl3,装置如图所示(夹持装置及加热装置略)。
已知:Ⅰ.相关物质的沸点如下表
物质
BF3
BCl3
AlCl3
AlF3
沸点
-99.9℃
12.5℃
180℃升华
1276℃升华
Ⅱ.三氯化硼易水解。
回答下列问题:
(1)将氟硼酸钾(KBF4)和硼酐(B2O3)一起研磨均匀加入A中的圆底烧瓶,滴入浓硫酸并加热,除产生气体外,还生成一种酸式盐,则发生反应的化学方程式为 6KBF4+B2O3+6H2SO48BF3↑+6KHSO4+3H2O 。
(2)实验开始时,A、C两处加热装置应先加热A处,原因是排除装置内空气,防止水蒸气干扰实验 。
(3)装置B中浓硫酸的作用除干燥外还有观察气泡,控制气体流速 。
(4)装置C中仪器a的作用是防止产品中混有 AlCl3 (填化学式),影响纯度。
(5)装置D进行冰水浴 (填“冰水浴”或“热水浴”)可得到产品如果缺少装置E,造成的影响为水蒸气进入D中,使BCl3水解 。
(6)C中2.50g无水氯化铝完全反应后,取下U形管并注入水,完全反应生成盐酸和硼酸(H3BO3是一元弱酸),将所得溶液加水稀释到100mL,取10mL加入锥形瓶中滴入2滴酚酞溶液,用0.50mol·L-1的NaOH溶液滴定至终点,消耗NaOH溶液的体积为12.00mL,则BCl3的产率为 80.1 %。
【解析】 本实验的目的是采用三氟化硼(BF3)与氯化铝(AlCl3)加热的方法制备BCl3,装置A中利用氟硼酸钾(KBF4)、硼酐(B2O3)和浓硫酸反应制取BF3气体,经装置B中浓硫酸干燥后进入装置C与AlCl3反应,AlCl3易升华,所以用装置a冷凝回流,装置D中冷凝收集BCl3,为防止BCl3水解,装置E中盛放碱石灰吸收水蒸气,装置F处理尾气。(1)制备BCl3需要BF3,根据题目所给信息可知BF3沸点很低,常温下为气体,所以装置A中应反应生成BF3气体,根据元素守恒生成的酸式盐应是KHSO4,化学方程式为6KBF4+B2O3+6H2SO48BF3↑+6KHSO4+3H2O;(2)BCl3易水解,先加热A处,可以利用A处产生的BF3气体排除装置内空气,防止水蒸气干扰实验;(3)通过观察装置B中产生的气泡,控制气体流速;(4)AlCl3易升华,所以用装置a冷凝回流,防止产品中混有AlCl3;(5)装置D的作用应是冷凝收集BCl3,所以用冰水浴;装置E中盛放碱石灰吸收水蒸气,若缺少装置E,水蒸气进入D中,使BCl3水解,产率降低;(6)2.50 g无水氯化铝为 mol,则理论上制取 mol BCl3,BCl3和水反应的化学方程式为BCl3+3H2O===H3BO3+3HCl,所以得到的溶液中H3BO3和HCl的物质的量之比为1∶3,10 mL待测液共消耗0.50 mol/L×0.012 L=0.006 mol,所以10 mL待测液中含有0.001 5 mol H3BO3,100 mL 待测液中含有0.015 mol H3BO3,根据B元素守恒可知BCl3的物质的量为0.015 mol,所以产率为×100%=80.1%。
考向2 探究评价型综合实验
典例2(2022·芜湖模拟)硫代硫酸钠(Na2S2O3)可用作分析试剂及还原剂,受热、遇酸易分解。某学习小组用如图装置模拟古法制硫酸,同时利用生成的SO2气体制备硫代硫酸钠。
已知:
①绿矾化学式为FeSO4·7H2O,2FeSO4·7H2OFe2O3+SO2↑+SO3↑+14H2O。
②SO3的沸点为44.8℃。
③Na2S2O3中S元素的化合价分别为-2价和+6价。
回答下列问题:
Ⅰ.硫代硫酸钠的制备
(1)检查装置气密性,加入药品。Na2S和Na2CO3混合溶液用煮沸过的蒸馏水配制,煮沸的目的是除去溶解的氧气 ;B装置的作用是除去SO2中的SO3 。
(2)从锥形瓶中得到Na2S2O3晶体需水浴加热浓缩至液体表面出现结晶为止,使用水浴加热的原因是防止温度过高造成硫代硫酸钠分解 。
Ⅱ.产品纯度的测定
①溶液配制:准确称取该硫代硫酸钠样品2.00g,配制成250mL溶液。
②滴定:向锥形瓶中加入20.0mL0.01mol·L-1KIO3溶液,加入过量KI溶液和H2SO4溶液,发生反应:IO+5I-+6H+===3I2+3H2O,然后加入淀粉作指示剂,用硫代硫酸钠样品溶液滴定,发生反应:I2+2S2O===S4O+2I-。
(3)滴定终点的现象为滴入最后一滴硫代硫酸钠样品溶液,溶液由蓝色变为无色,且半分钟内不恢复蓝色 ;消耗样品溶液的用量为25.0mL,则样品纯度为 94.8 %(保留1位小数)。
Ⅲ.硫代硫酸钠性质的探究
①取Na2S2O3晶体,溶解,配成0.2mol·L-1的溶液。
②取4mL所配溶液,向其中加入1mL饱和氯水(pH=2.4),溶液立即出现浑浊,经检验浑浊物为S。
实验小组研究S产生的原因,提出了以下假设:
假设1:Cl2等含氯的氧化性微粒氧化了-2价硫元素。
假设2:酸性条件下,Na2S2O3分解产生S(不考虑空气中氧气氧化)。
依据假设设计实验方案:
所加试剂
现象
第①组
1mL饱和氯水+4mLNa2S2O3溶液
立即出现浑浊
第②组
1mL某试剂+4mLNa2S2O3溶液
一段时间后出现浑浊,且浑浊度比①组小
(4)第②组实验中的某试剂是 1 mL pH=2.4的盐酸 。
(5)依据现象,S产生的主要原因是 S2O+Cl2+H2O===S↓+SO+2H++2Cl- 。(用离子方程式表示)
【解析】 检查装置气密性,加入药品,为防止氧气氧化硫化钠,通入一段时间氮气,排出装置内空气,加热绿矾发生分解反应,生成二氧化硫、三氧化硫、水,用B装置除去三氧化硫,C中二氧化硫和Na2S和Na2CO3混合溶液反应生成Na2S2O3,D装置吸收多余二氧化硫,防止污染。(1)Na2S和Na2CO3混合溶液用煮沸过的蒸馏水配制,Na2S具有还原性,蒸馏水煮沸可以除去溶解的氧气,防止Na2S被氧气氧化;SO3的沸点为44.8 ℃,冰水冷凝可使SO3液化,B装置的作用是除去SO2中的SO3;(2)硫代硫酸钠受热易分解,为防止温度过高造成硫代硫酸钠分解,所以从锥形瓶中得到Na2S2O3晶体需水浴加热浓缩;(3)向锥形瓶中加入20.0 mL 0.01 mol·L-1 KIO3溶液,加入过量KI溶液和H2SO4溶液,发生反应:IO+5I-+6H+===3I2+3H2O,有碘单质生成,加入淀粉作指示剂,溶液变蓝,用硫代硫酸钠样品溶液滴定,滴定终点,碘单质恰好完全反应,溶液由蓝色变为无色,且半分钟内不变蓝;根据IO+5I-+6H+===3I2+3H2O、I2+2S2O===S4O+2I-得关系式IO~~3I2~~6S2O,n(KIO3)=0.02 L×0.01 mol·L-1=0.000 2 mol,所以n(Na2S2O3)=0.000 2 mol×6=0.001 2 mol,则样品纯度为×100%=94.8%;(4)根据控制变量法,与第①组相比,第②组只能缺少氧化性微粒,所以第②组实验中的某试剂是1 mL pH=2.4的盐酸;(5)第①组反应快且生成沉淀多,说明S产生的主要原因是Cl2等含氯的氧化性微粒氧化了-2价硫元素,所以反应的离子方程式为S2O+Cl2+H2O===S↓+SO+2H++2Cl-。
方法技巧
性质探究型实验题的解题思路
(1)巧审题,明确实验目的和原理。实验原理可从题给的化学情境(或题首所给实验目的)并结合元素化合物、化学实验基本操作、化学反应基本原理等有关知识获取。
(2)想过程,理清实验操作的先后顺序。根据实验原理所确定的实验方案中的实验过程,确定实验操作的方法、步骤,把握各步实验操作的要点,理清实验操作的先后顺序。
(3)看准图,分析各项实验装置的作用。在解答过程中,要认真细致地分析图中所示的各项装置,并结合实验目的和原理,确定它们在该实验中的作用。
(4)细分析,得出正确的实验结论。在分析实验现象(或数据)的过程中,要善于找出影响实验成败的关键以及产生误差的原因,或从有关数据中归纳出定量公式,绘制变化曲线等。
〔迁移应用〕
2.高铁酸钾(K2FeO4)为高效净水剂,紫色固体,易溶于水,微溶于KOH溶液;具有强氧化性,在酸性溶液中完全、快速产生O2,在碱性溶液中较稳定。某实验小组制备高铁酸钾并探究其性质。
(1)制备K2FeO4(夹持装置略)
①装置B中所用试剂为饱和食盐水 。
②C中得到紫色固体和溶液,C中发生的主要反应为 3Cl2+2Fe(OH)3+10KOH===2K2FeO4+6KCl+8H2O (用化学方程式表示)。
(2)探究K2FeO4的性质
①将K2FeO4溶液滴入MnSO4和足量H2SO4的混合溶液中,振荡后溶液呈浅紫色,该现象能否证明酸性条件下FeO与MnO氧化性的强弱关系,请说明理由:能,FeO在过量酸的作用下完全转化为Fe3+和O2,溶液浅紫色一定是MnO的颜色(或不能,补充对比实验,向K2FeO4紫色溶液中滴加过量稀H2SO4,观察溶液紫色快速褪去还是显浅紫色) 。
②取C中紫色溶液,加入稀硫酸,产生黄绿色气体,得溶液a,经检验气体中含有Cl2。为证明是否K2FeO4氧化了Cl-而产生Cl2,某同学设计了以下方案:取少量a,滴加KSCN溶液至过量,溶液呈红色。该方案并不完善,因为溶液变红的原因可能是 4FeO+20H+===4Fe3++3O2↑+10H2O , Fe3++3SCN-===Fe(SCN)3 (用离子方程式表示),重新设计实验方案,证明是K2FeO4氧化了Cl-而产生Cl2:将装置C中混合物过滤,将所得固体用KOH溶液充分洗涤,再用KOH溶液将少量固体溶解,得到紫色溶液,向溶液中滴加盐酸,产生黄绿色气体,使湿润的淀粉KI试纸变蓝 。[实验中必须使用的试剂:盐酸、KOH溶液、淀粉碘化钾试纸]
【解析】 (1)①装置A是制备Cl2的装置,装置B为净化装置,用于除去Cl2中的HCl,装置B中所用试剂为饱和食盐水;②在碱性条件下Cl2可以氧化Fe(OH)3制取K2FeO4,反应方程式为3Cl2+2Fe(OH)3+10KOH===2K2FeO4+6KCl+8H2O;(2)①K2FeO4在酸性溶液中具有强氧化性,能将Mn2+氧化成MnO,溶液呈浅紫色证明含有MnO,故理由是:能,FeO在过量酸的作用下完全转化为Fe3+和O2,溶液浅紫色一定是MnO的颜色(或不能,补充对比实验,向K2FeO4紫色溶液中滴加过量稀H2SO4,观察溶液紫色快速褪去还是显浅紫色);②K2FeO4具有强氧化性,在酸性溶液中快速产生O2,滴加KSCN溶液至过量,溶液呈红色是由于Fe3+与SCN-结合成血红色的配合物,用离子方程式表示原因为4FeO+20H+===4Fe3++3O2↑+10H2O,Fe3++3SCN-===Fe(SCN)3;为了证明是K2FeO4氧化了Cl-而产生Cl2:将装置C中混合物过滤,将所得固体用KOH溶液充分洗涤,再用KOH溶液将少量固体溶解,得到紫色溶液,向溶液中滴加盐酸,产生黄绿色气体,由于氯气能够把碘离子氧化为碘单质,所以氯气使湿润的淀粉KI试纸变蓝。
考向3 定量测定型综合实验
典例3(2022·湖南高考)某实验小组以BaS溶液为原料制备BaCl2·2H2O,并用重量法测定产品中BaCl2·2H2O的含量。设计了如下实验方案:
可选用试剂:NaCl晶体、BaS溶液、浓H2SO4、稀H2SO4、CuSO4溶液、蒸馏水
步骤1.BaCl2·2H2O的制备
按如图所示装置进行实验,得到BaCl2溶液,经一系列步骤获得BaCl2·2H2O产品。
步骤2,产品中BaCl2·2H2O的含量测定
①称取产品0.5000g,用100mL水溶解,酸化,加热至近沸;
②在不断搅拌下,向①所得溶液逐滴加入热的0.100mol·L-1H2SO4溶液,
③沉淀完全后,60℃水浴40分钟,经过滤、洗涤、烘干等步骤,称量白色固体,质量为0.4660g。
回答下列问题:
(1)Ⅰ是制取 HCl 气体的装置,在试剂a过量并微热时,发生主要反应的化学方程式为 H2SO4(浓)+NaClNaHSO4+HCl↑ ;
(2)Ⅰ中b仪器的作用是防止倒吸 ;Ⅲ中的试剂应选用 CuSO4溶液 ;
(3)在沉淀过程中,某同学在加入一定量热的H2SO4溶液后,认为沉淀已经完全,判断沉淀已完全的方法是静置,取上层清液于一洁净试管中,继续滴加硫酸溶液,无白色沉淀生成,则已沉淀完全 ;
(4)沉淀过程中需加入过量的H2SO4溶液,原因是使钡离子沉淀完全 ;
(5)在过滤操作中,下列仪器不需要用到的是锥形瓶 (填名称);
(6)产品中BaCl2·2H2O的质量分数为 97.6% (保留三位有效数字)。
【解析】 装置Ⅰ中浓硫酸和氯化钠共热制备HCl,装置Ⅱ中氯化氢与BaS溶液反应制备BaCl2·2H2O,装置Ⅲ中硫酸铜溶液用于吸收生成的H2S,防止污染空气。(1)由分析可知,装置Ⅰ为浓硫酸和氯化钠共热制取HCl气体的装置,在浓硫酸过量并微热时,浓硫酸与氯化钠反应生成硫酸氢钠和氯化氢,发生主要反应的化学方程式为:H2SO4(浓)+NaClNaHSO4+HCl↑。(2)氯化氢极易溶于水,装置Ⅱ中b仪器的作用是:防止倒吸;装置Ⅱ中氯化氢与BaS溶液反应生成H2S,H2S有毒,对环境有污染,装置Ⅲ中盛放CuSO4溶液,用于吸收H2S。(3)硫酸与氯化钡反应生成硫酸钡沉淀,因此判断沉淀已完全的方法是静置,取上层清液于一洁净试管中,继续滴加硫酸溶液,无白色沉淀生成,则已沉淀完全。(4)为了使钡离子沉淀完全,沉淀过程中需加入过量的硫酸溶液。(5)过滤用到的仪器有:铁架台、烧杯、漏斗、玻璃棒,用不到锥形瓶。(6)由题意可知,硫酸钡的物质的量为:=0.002 mol,依据钡原子守恒,产品中BaCl2·2H2O的物质的量为0.002 mol,质量为0.002 mol 244 g/mol=0.488 g,质量分数为:×100%=97.6%。
〔迁移应用〕
3.(2022·马鞍山模拟)化工专家侯德榜发明的侯氏制碱法为我国纯碱工业和国民经济发展做出了重要贡献。某化学兴趣小组在实验室中模拟侯氏制碱法制备NaHCO3,进一步得到产品Na2CO3和NH4Cl两种产品,并测定碳酸钠中碳酸氢钠的含量。过程如下:
Ⅰ.NaHCO3的制备
实验流程及实验装置图如下:
回答下列问题:
(1)a导管末端多孔球泡的作用增大接触面积,提高吸收速率 。
(2)b中通入的气体是氨气 ,写出实验室制取该气体的化学方程式 2NH4Cl+Ca(OH)22NH3↑+CaCl2+2H2O 。
(3)生成NaHCO3的总反应的化学方程式为 NaCl+CO2+NH3+H2O===NaHCO3↓+NH4Cl 。
Ⅱ.Na2CO3中NaHCO3含量测定
ⅰ.称取产品2.500g,用蒸馏水溶解,定容于250mL容量瓶中:
ⅱ.移取25.00mL上述溶液于锥形瓶,加入2滴指示剂M,用0.1000mol·L-1盐酸标准溶液滴定至溶液由浅红色变无色(第一滴定终点),消耗盐酸V1mL;
ⅲ.在上述锥形瓶中再加入2滴指示剂N,继续用0.1000mol·L-1盐酸标准溶液滴定至终点(第二滴定终点),又消耗盐酸V2mL;
ⅳ.平行测定三次,V1平均值为22.25,V2平均值为23.51。
回答下列问题:
(4)指示剂N为甲基橙 ,第二滴定终点的现象是滴入最后一滴标准溶液时,溶液由黄色变橙色,且30 s内不恢复 。
(5)Na2CO3中NaHCO3的质量分数为 4.23% (保留三位有效数字)。
(6)第一滴定终点时,某同学仰视读数,其他操作均正确,则NaHCO3质量分数的计算结果偏小 (填“偏大”“偏小”或“无影响”)。
【解析】 (1)多孔球泡的作用是为了增大固体和液体的接触面积,加快反应速率,使反应更充分;(2)由于氨气在溶液中的溶解度比较大,为了防止倒吸,不能将导管直接插入溶液中,所以该气体为氨气;实验室中用氯化铵和氢氧化钙反应制备氨气,故反应方程式为2NH4Cl+Ca(OH)22NH3↑+CaCl2+2H2O;(3)碳酸氢钠的生成是用氯化钠、氨气、二氧化碳反应制备的,故反应方程式为NaCl+CO2+NH3+H2O===NaHCO3↓+NH4Cl;(4)在第一次滴定时,由于达到滴定终点时溶液显碱性,故选M酚酞做指示剂,在第二次滴定时,由于达到滴定终点时溶液显酸性,故选N甲基橙做指示剂;滴定终点的现象为滴入最后一滴标准溶液时,溶液由黄色变橙色,且30 s内不恢复;(5)进行第一次滴定时,发生的反应为CO+H+===HCO,消耗盐酸的体积为22.25 mL,进行第二次滴定时发生的反应为H++HCO===CO2↑+H2O,消耗盐酸的体积为23.51 mL,故产品中碳酸氢钠消耗盐酸的体积为1.26 mL,物质的量为1.26×10-3 L×0.1 mol/L=1.26×10-4 mol,故NaHCO3的质量分数为×100%=4.23%;(6)若在第一次滴定过程中仰视读数,会导致原物质的碳酸钠含量偏高,碳酸氢钠含量偏小。
热点聚焦
REDIANJUJIAO 对应学生用书学案P116
综合实验大题探究
〔高考必备〕
1.综合实验大题的审题关键点
综合实验探究题是高考实验大题的热点题型。命题类型有物质性质实验探究,物质制备实验探究,定量测定实验探究,或者是上述三种类型的部分综合。主要以化学实验基础知识、元素及其化合物性质为载体,考查实验仪器的使用、基本实验操作、物质的分离提纯和检验方法、实验方案的设计与评价、实验条件的控制、实验数据的分析处理等。
(1)题型特点
规律:→→→
(2)审题、破题秘诀
①审信息;题目中一般会告诉若干条信息,这些信息一定会应用在解题中。
②看步骤:明确实验设计中有哪些步骤。
③判原理:找出实现实验目的的原理。
④找作用:判断各个装置在实验中的作用。
⑤关注量:在计算时要关注题目中有哪些已知量,要计算哪些量。
2.综合实验大题中的常考点
(1)实验装置的组合顺序
一般为:气体发生→除杂→干燥→主体实验→尾气处理。
(2)接口的连接原则
总体上遵循装置的排列顺序,但对于吸收装置应“长”进“短”出;量气装置应“短”进“长”出;洗气装置应“长”进“短”出;干燥管应“大”进“小”出。
(3)实验操作顺序
气体发生一般按:装置选择与连接→气密性检查→装固体药品→加液体药品→开始实验(按程序)→拆卸仪器→其他处理等。
(4)加热操作注意事项
主体实验加热前一般应先通原料气赶走空气后再点燃酒精灯,其目的一是防止爆炸,如H2还原CuO、CO还原Fe2O3;二是保证产品纯度,如制Mg3N2、CuCl2等。反应结束时,应先熄灭酒精灯,继续通原料气直到冷却为止。
(5)尾气处理
有毒气体常采用溶液(或固体)吸收或将其点燃,无毒气体直接排放。
3.高考实验“十大目的”及答题方向
(1)加入某一物质的目的,一般可从洗涤、除杂、溶解、沉淀等方面考虑。
(2)反应前后通入某一气体的目的,一般可从排除气体、提供反应物等方面考虑。
(3)酸(碱)浸的目的,一般可从某些元素从矿物中溶解出来方面考虑。
(4)物质洗涤(水洗、有机物洗)的目的,一般可从洗去杂质离子和减少损耗方面考虑。
(5)趁热过滤的目的,一般可从“过滤”和“趁热”两个方面考虑。
(6)控制温度的目的,一般可从反应速率、平衡移动、溶解度、稳定性、挥发、升华等方面考虑。
(7)控制pH的目的,一般可从酸、碱性对反应的影响方面考虑。
(8)某一实验操作的目的,一般可从除杂、检验、收集、尾气处理、防倒吸、改变反应速率、保证实验安全等方面考虑。
(9)使用某一仪器的目的,一般可从仪器的用途方面考虑,注意一些组合仪器的使用如安全瓶,量气瓶。
(10)控制加入量的目的,一般可从加入的物质与反应体系中的其他物质发生的反应方面考虑。如为了防止发生反应消耗产物或生成其他物质,从而影响产品的产率或纯度。
〔典例探析〕
典例1(2020·全国卷Ⅲ·26)氯可形成多种含氧酸盐,广泛应用于杀菌、消毒及化工领域。实验室中利用下图装置(部分装置省略)制备KClO3和NaClO,探究其氧化还原性质。
回答下列问题:
(1)盛放MnO2粉末的仪器名称是圆底烧瓶 ,a中的试剂为饱和食盐水 。
(2)b中采用的加热方式是水浴加热 ,c中化学反应的离子方程式是 Cl2+2OH-===ClO-+Cl-+H2O ,采用冰水浴冷却的目的是避免生成NaClO3 。
(3)d的作用是吸收尾气(Cl2) ,可选用试剂 AC (填标号)。
A.Na2S B.NaCl
C.Ca(OH)2 D.H2SO4
(4)反应结束后,取出b中试管,经冷却结晶,过滤 ,少量(冷)水洗涤 ,干燥,得到KClO3晶体。
(5)取少量KClO3和NaClO溶液分别置于1号和2号试管中,滴加中性KI溶液。1号试管溶液颜色不变。2号试管溶液变为棕色,加入CCl4振荡,静置后CCl4层显紫 色。可知该条件下KClO3的氧化能力小于 NaClO(填“大于”或“小于”)。
【解析】 (1)根据盛放MnO2粉末的仪器结构可知该仪器为圆底烧瓶;a中盛放饱和食盐水除去氯气中混有的HCl气体;(2)根据装置图可知盛有KOH溶液的试管放在盛有水的大烧杯中加热,该加热方式为水浴加热;c中氯气在NaOH溶液中发生歧化反应生成氯化钠和次氯酸钠,结合元素守恒可得离子方程式为Cl2+2OH-===ClO-+Cl-+H2O;根据氯气与KOH溶液的反应可知,加热条件下氯气可以和强碱溶液反应生成氯酸盐,所以冰水浴的目的是避免生成NaClO3;(3)氯气有毒,所以d装置的作用是吸收尾气(Cl2);A.Na2S可以将氯气还原成氯离子,可以吸收氯气,故A可选;B.氯气在NaCl溶液中溶解度很小,无法吸收氯气,故B不可选;C.氯气可以与Ca(OH)2或浊液反应生成氯化钙和次氯酸钙,故C可选;D.氯气与硫酸不反应,且硫酸溶液中存在大量氢离子会降低氯气的溶解度,故D不可选;(4)b中试管为KClO3和KCl的混合溶液,KClO3的溶解度受温度影响更大,所以将试管b中混合溶液冷却结晶、过滤、少量(冷)水洗涤、干燥,得到KClO3晶体;(5)1号试管溶液颜色不变,2号试管溶液变为棕色,说明1号试管中氯酸钾没有将碘离子氧化,2号试管中次氯酸钠将碘离子氧化成碘单质,即该条件下KClO3的氧化能力小于NaClO;碘单质更易溶于CCl4,所以加入CCl4振荡,静置后CCl4层显紫色。
典例2(2019·全国卷Ⅰ·27)硫酸铁铵[NH4Fe(SO4)2·xH2O]是一种重要铁盐。为充分利用资源,变废为宝,在实验室中探究采用废铁屑来制备硫酸铁铵,具体流程如下:
回答下列问题:
(1)步骤①的目的是去除废铁屑表面的油污,方法是碱煮水洗 。
(2)步骤②需要加热的目的是加快反应速率 ,温度保持80~95℃,采用的合适加热方式是热水浴 。铁屑中含有少量硫化物,反应产生的气体需要净化处理,合适的装置为 C (填标号)。
(3)步骤③中选用足量的H2O2,理由是将Fe2+全部氧化为Fe3+,不引入杂质 。分批加入H2O2,同时为了防止Fe3+水解 ,溶液要保持pH小于0.5。
(4)步骤⑤的具体实验操作有加热浓缩、冷却结晶、过滤(洗涤) ,经干燥得到硫酸铁铵晶体样品。
(5)采用热重分析法测定硫酸铁铵晶体样品所含结晶水数,将样品加热到150℃时失掉1.5个结晶水,失重5.6%。硫酸铁铵晶体的化学式为 NH4Fe(SO4)2·12H2O 。
【解析】 (1)铁屑表面的油污主要是油脂类的物质,所以可以加入热碱液使其水解除去。(2)步骤②需要加热的目的是加快反应速率,加速铁与稀硫酸的反应;温度保持80~95 ℃,在100 ℃以下,所以主要采取的是热水浴的方式进行加热;因硫化物主要产生的是H2S,H2S在水中溶解度不大且易与碱发生反应,所以用NaOH溶液吸收,并采用防止倒吸的装置。(3)步骤②中得到的滤液的主要成分是硫酸亚铁,而步骤③之后溶液的主要成分是硫酸铁,所以加入足量的H2O2的目的是将溶液中的Fe2+转换成Fe3+;当pH过大时,Fe3+会产生沉淀,所以溶液要保持pH小于0.5。(4)步骤⑤主要是将溶液中的固体进行结晶,所以具体实验操作是加热浓缩、冷却结晶、过滤(洗涤),经干燥得到硫酸铁铵晶体样品。(5)设硫酸铁铵的化学式为NH4Fe(SO4)2·xH2O,其相对分子质量为266+18x,1.5个水分子的相对分子质量为1.5×18=27,则×100%=5.6%,解得x=12,则硫酸铁铵的化学式为NH4Fe(SO4)2·12H2O。
〔预测演练〕
1.(2022·西安模拟)硫化锂(Li2S)易潮解,加热条件下易被空气中的O2氧化。某小组选择下列装置(装置可重复使用)制备Li2S。回答下列问题:
已知:①粗锌中含少量Cu和FeS;
②装置C中发生的反应为Li2SO4+4H2Li2S+4H2O。
(1)装置A的名称是启普发生器 ,停止装置A中反应的操作是关闭 (填“打开”或“关闭”)K。
(2)气流从左至右,导管口连接顺序是a→ g → f → b → c →d→e→ b → c 。
(3)其他条件相同,粗锌与稀硫酸反应比纯锌快 (填“快”或“慢”),实验中观察到装置D中产生黑色沉淀,其离子方程式为 Cu2++H2S===CuS↓+2H+ 。
(4)实验完毕后,选择图1、图2装置对装置A中混合物进行分离。先选择图1装置过滤,再将滤液进行蒸发浓缩、降温结晶,再选择图2装置过滤,得到粗皓矾(ZnSO4·7H2O)。
下列有关说法正确的是 AD (填标号)。
A.选择图1装置过滤的优点是避免析出ZnSO4·7H2O
B.选择图1装置过滤,主要是分离ZnSO4·7H2O和ZnSO4溶液
C.粗皓矾中可能含胆矾
D.选择图2装置过滤的优点是过滤速率快
(5)探究产品成分:
实验
操作与现象
结论
Ⅰ
取少量Li2S样品溶于水,滴加足量的稀盐酸,将气体通入品红溶液中,溶液褪色
样品中含
Li2SO3
Ⅱ
向实验Ⅰ的溶液中滴加BaCl2溶液,产生白色沉淀
样品中含
Li2SO4
①由实验Ⅱ知,Li2S样品中还含有 Li2SO4 (填化学式),产生该杂质的可能原因是 B (填标号)。
A.通入的氢气过量
B.Li2SO4未反应完
C.温度过高
②测定产品纯度:向wg样品(设杂质只有Li2SO3)中加入过量的V1mLc1mol·L-1稀硫酸,充分反应后(设没有S单质生成),煮沸溶液以除去残留的酸性气体;滴加的酚酞溶液做指示剂,用标准c2mol·L-1的NaOH溶液滴定过量的硫酸,消耗NaOH溶液V2mL。Li2S样品的纯度为×46×100% (列出计算式)。
【解析】 由实验装置图可知,装置A中锌粒与稀硫酸反应制备氢气,由于锌粒含有硫化亚铁,硫化亚铁与稀硫酸反应生成的H2S气体会混入制得的H2中,装置D中盛有的硫酸铜溶液用于除去H2S气体,装置B中盛有的浓H2SO4用于干燥氢气,装置C中氢气与硫酸锂共热反应制备硫化锂,为防止空气中氧气进入C中导致硫化锂被氧化,装置C后应连接一个B装置,防止空气中的氧气加入,则装置的连接顺序为ADBCB,导管口连接顺序为a→g→f→b→c→d→e→b→c,该装置的设计缺陷是没有氢气的尾气处理装置,据此答题。(1)①装置A的名称为启普发生器;②实验时关闭活塞K,用反应生成的氢气增大装置中的压强,使液面与锌粒脱离就能停止装置A中反应;(2)A为发生装置,B为干燥装置,D为除杂装置,由分析可知,气流从左至右,导管口连接顺序是a→g→f→b→c→d→e→b→c;(3)①粗锌与稀硫酸反应构成原电池,原电池会加快反应速率,则粗锌反应速率大于纯锌;②D为除杂装置,CuS为黑色沉淀,反应的离子方程式为:Cu2++H2S===CuS↓+2H+;(4)A.由锌粒的成分可知,实验完毕后,装置A中可能得到含有铜、锌、硫酸锌、硫酸亚铁的混合物,在加热条件下过滤混合物,可以增大硫酸锌在溶液中的溶解度,避免析出七水硫酸锌,A项正确;B.同时可以除去铜和未反应的锌,B项错误;C.铜与稀硫酸不反应,则制得的七水硫酸锌中不可能含有胆矾,C项错误;D.用抽滤的方法得到粗皓矾可以加快过滤的速率,防止七水硫酸锌溶解造成产率降低,D项正确;答案选AD;(5)①由实验Ⅱ可知,加入足量盐酸硫化锂转化为氯化锂,加入氯化钡溶液产生白色沉淀,则制得的硫化锂中混有未反应的Li2SO4;硫酸锂未完全反应产生该杂质的可能的原因为Li2SO4未反应完或通入氢气量不足或温度不高等,答案选B;②Li2S+H2SO4===Li2SO4+H2S↑,Li2SO3+H2SO4===Li2SO4+SO2↑+H2O,2NaOH+H2SO4===Na2SO4+2H2O,Li2S和Li2SO3消耗硫酸的物质的量为c1V1×10-3-×10-3,设样品中Li2S为a mol、Li2SO3为b mol,由样品的质量可得:46a+94b=w,由消耗稀硫酸的体积可得:a+b=×10-3,解得48a=94×10-3-w,a=,Li2S的质量为×46测得的Li2S样品的纯度为×46×100%。
2.(2022·咸阳模拟)三氯氧磷(POCl3)可用作半导体掺杂剂及光导纤维原料,是能推进中国半导体产业链发展壮大的一种重要的化工原料。工业上可以直接氧化PCl3制备POCl3,反应原理为:P4(白磷)+6Cl2===4PCl3,2PCl3+O2===2POCl3。
已知:PCl3、POCl3的部分性质如下:
熔点/℃
沸点/℃
相对分子质量
其他
PCl3
-112
75.5
137.5
遇水生成H3PO3和HCl
POCl3
2
105.3
153.5
遇水生成H3PO4和HCl
某化学兴趣小组模拟该工艺设计实验装置如图(某些夹持装置和加热装置已略去):
(1)检查装置气密性并加入纯净的白磷,先制取一种气体,缓慢地通入C中,直至C中的白磷完全消失后,再通入另一种气体。仪器a的名称为(球形)冷凝管 ,b中盛放的药品是碱石灰 。
(2)装置E反应的离子方程式为 MnO2+4H++2Cl-Mn2++Cl2↑+2H2O 。
(3)C反应温度控制在60~65℃,不能过高或过低的原因是温度过低,反应速率慢,温度过高,PCl3易挥发,利用率降低 。分离提纯获得POCl3的实验方法是蒸馏 。
(4)通过测定三氯氧磷产品中氯元素含量,可进一步计算产品的纯度,实验步骤如下:
①取ag产品置于盛50.00mL蒸馏水的水解瓶中,摇动至完全水解,将水解液配成100.00mL溶液,预处理排除含磷粒子的影响。
②取10.00mL溶液于锥形瓶中,向其中加入c0mol·L-1的AgNO3溶液V0mL,使Cl-完全沉淀,再加入20mL硝基苯,振荡,使沉淀表面被有机物覆盖;然后选择Fe(NO3)3,指示剂,用c1mol·L-1NH4SCN溶液滴定过量Ag+至终点,记下所用体积为V1mL。
[已知:Ksp(AgCl)=3.2×10-10,Ksp(AgSCN)=2.0×10-12]
滴定终点的现象:滴入最后一滴(或半滴)标准液,溶液变红,30 s不变色 。实验过程中加入硝基苯的目的是使生成的AgCl沉淀与溶液隔离,避免滴定过程中SCN-与AgCl反应 ,若无此操作,则所测POCl3的含量将偏高 (填“偏高”“偏低”或“不变”)。
(5)产品中POCl3的质量分数为% 。
【解析】 装置A中用黑色固体和液态物质反应制氧气,装置B可以干燥O2,瓶口的长颈漏斗可以平衡气压,还可以观察氧气的流速;装置E为固液混合加热制备氯气,装置D干燥生成的氯气;在装置C中发生P4(白磷)+6Cl2===4PCl3,2PCl3+O2===2POCl3。(1)根据装置图仪器a结构可知其名称为球形冷凝管;装置b为干燥管,其盛放的试剂可以吸收未反应的Cl2,同时还可防止空气中的水蒸气进入装置中,该固体试剂可以是碱石灰;(2)装置E为固液混合加热制备氯气,实验室中采用二氧化锰与浓盐酸加热制取氯气,反应的离子方程式为:MnO2+4H++2Cl-Mn2++Cl2↑+2H2O;(3)在装置C中发生反应:P4(白磷)+6Cl2===4PCl3,2PCl3+O2===2POCl3。C中反应温度控制在60~65 ℃,不能过高或过低,这是由于温度过低,反应速率慢;温度过高,PCl3易挥发,利用率降低;由PCl3、POCl3的熔沸点信息可知其在常温下为液态,分离混溶的液态混合物应采用蒸馏法;(4)SCN-与铁离子会反应使溶液变为红色,故滴定终点现象为滴入最后一滴(或半滴)标准液,溶液变红,30 s不变色;由Ksp(AgCl)=3.2×10-10,Ksp(AgSCN)=2.0×10-12可知,AgSCN更难溶,实验过程中加入硝基苯的目的是使生成的AgCl沉淀与溶液隔离,避免滴定过程中SCN-与AgCl反应;若无此操作,则V2偏大,根据POCl3的含量计算公式可知:计算所测POCl3的含量将偏高。(5)根据元素守恒可得关系式:POCl3~3Cl-~3Ag+,与Cl-反应的Ag+的物质的量为n(Ag+)=(c0V0-c1V1)×10-3 mol×=(c0V0-c1V1)×10-2mol,则n(PCl3)+n(POCl3)=n(Ag+)=×(c0V0-c1V1)×10-2 mol,假设n(PCl3)、n(POCl3)的物质的量分别是x、y,则x+y=×(c0V0-c1V1)×10-2 mol,根据质量关系可得137.5x+153.5y=a,解得y= mol,所以POCl3的质量分数为:×100%=%。
相关学案
这是一份2023届高考化学二轮复习专题六实验原理与方法选择题突破十化学实验基础学案,共31页。
这是一份高考化学二轮复习专题12化学综合实验设计与评价学案,共34页。
这是一份专题十 化学实验基础与综合实验探究 (解析版),共52页。

