初中物理中考复习 专题22 探究斜面机械效率的实验题(解析版)1
展开
这是一份初中物理中考复习 专题22 探究斜面机械效率的实验题(解析版)1,共10页。试卷主要包含了探究斜面的机械效率实验操作要求等内容,欢迎下载使用。
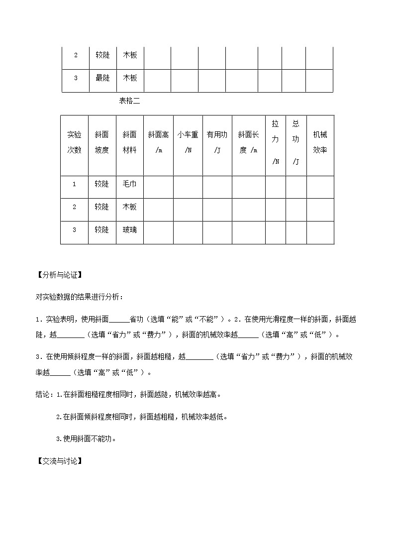
专题22 探究斜面机械效率的实验题 一、探究斜面的机械效率需要学习的基础知识【提出问题】斜面也是一种机械,那么使用斜面能否省功,若不能省功斜面的机械效率与哪些因素有关?它的省力情况与机械效率又有什么关系呢?我们该如何测量并探究斜面的机械效率呢?【猜想与假设】1.使用斜面不能省功。2.斜面的机械效率跟它的倾斜程度有关。斜面倾斜程度越大,机械效率越高。3.斜面的机械效率与斜面粗糙程度有关,斜面越粗糙,机械效率越高。【设计实验】要证明同学们的猜想是否正确,最好的办法就是做实验,但是在做实验之前,我们必须先设计好实验方案。讨论完成以下问题:(1)当一个物理量与几个因素有关时,我们用 控制变量方法来进行实验。(2)探究斜面的机械效率,需要测量哪些物理量:物重G、拉力F、重物上升的距离h、弹簧测力计移动的距离S。(3)我们需要哪些测量仪器:弹簧测力 计刻度尺。(4)斜面的机械效率表式: (5)你准备怎样测量拉力大小沿斜面匀速向上拉动物体时的拉力。 【实验器材】一块长木板、小车、弹簧测力计、刻度尺、几块不相等的木块、毛巾、玻璃、细绳。【实验过程】 1.用弹簧测力计测得小车的重力G。2.用长木板和木块装置成如图所示的斜面,把小车通过细绳与弹簧测力计连接,沿斜面拉动弹簧测力计,把小车匀速拉上斜面。3.分别从弹簧测力计上读出拉力F,并用刻度尺测出小车移动的距离S和升高的高度h。4.保持斜面的长度不变,换用不同高度的木块,逐渐增加斜面的高度,做3次实验。分别将实验数据记录在表格中。5.保持斜面的高度不变,换用不同的材料铺在木板上,改变斜面的粗糙程度,做3次实验。分别将实验数据记录在表格中。【设计实验表格】 表格一实验次数斜面坡度斜面材料斜面高/m小车重/N有用功/J斜面长度 /m拉力/N总功/J机械效率1较缓木板 2较陡木板 3最陡木板 表格二实验次数斜面坡度斜面材料斜面高 /m小车重 /N有用功 /J斜面长度 /m拉力/N总功/J机械效率1较陡毛巾 2较陡木板 3较陡玻璃 【分析与论证】对实验数据的结果进行分析:1.实验表明,使用斜面______省功(选填“能”或“不能”)。2.在使用光滑程度一样的斜面,斜面越陡,越________(选填“省力”或“费力”),斜面的机械效率越______(选填“高”或“低”)。3.在使用倾斜程度一样的斜面,斜面越粗糙,越________(选填“省力”或“费力”),斜面的机械效率越______(选填“高”或“低”)。结论:1.在斜面粗糙程度相同时,斜面越陡,机械效率越高。2.在斜面倾斜程度相同时,斜面越粗糙,机械效率越低。3.使用斜面不能功。【交流与讨论】1.实验中还有哪些不足?是否存在以下问题:测量拉力的时候,不能保证匀速拉动物体,而且弹簧测力计不是固定的,而是运动的,不便于读数,拉力的测量误差比较大。斜面长度和斜面高度的测量也存在一些误差。所以我们在测量的时候,都要非常的细心,这样才能提高实验的成功率。2.新的猜想:“斜面的机械效率还可能与在斜面上被提升的物体重有关”,于是他们选用了体积相同长方体的木块、铁块和一个斜面,类似上述实验步骤进行了实验探究,并根据实验数据归纳了结论。请你对小明一组的同学的实验设计进行评价。评价:他们选用了体积相同长方体的木块、铁块和一个斜面器材,进行实验虽然改变了被提升的物体重,但是由于木块和斜面的摩擦与铁块和斜面的摩擦是不相等的,没有控制摩擦这个物理量相等,因此说实验探究的结论是不可信的。二、探究斜面的机械效率实验操作要求1.观察并记录弹簧测力计的量程、分度值、竖直放置时指针是否指“0”刻线。2.将木质滑块挂在弹簧测力计的挂钩上,保持视线与弹簧测力计的刻度面板垂直,并与指针相平。记录木质滑块所受重力的大小。3.用长木板、铁架台搭成斜面,将木质滑块放在长木板的下端。将弹簧测力计的挂钩挂在木质滑块的挂钩上,记录木质滑块对应的斜面上的初位置A。4.沿斜面向上匀速(缓慢即可)拉动弹簧测力计,记录弹簧测力计的示数。5.将木质滑块匀速拉到适当位置后停止,记录木质滑块对应在斜面上的末位置B。6.用刻度尺测量滑块升高的距离h,同时测量木质滑块移动的距离s(如果斜面上有长度标识,可以不必测量s),填入实验报告。7.改变斜面的倾斜程度,重复上述实验步骤2~5,记录实验数据。8.计算并记录有用功、总功和机械效率。9.根据实验数据进行分析,斜面的倾斜程度对斜面的机械效率与它的省力情况有何影响?10.取下弹簧测力计,将实验器材放回原位。三、探究斜面的机械效率实验强化记忆的知识(1)原理:η=W有/W总(2)应测物理量:拉力F、斜面长度L、物体重力G、斜面的高h。(3)器材:刻度尺、弹簧测力计。(4)注意:必须匀速拉动弹簧测力计使物体从斜面底端匀速到达顶端。目的是保证测力计示数大小不变。(5)结论:影响斜面机械效率高低的主要因素有:摩擦力、斜面倾斜角。 【例题1】物理学习兴趣小组的同学们利用如下图所示的装置探究了斜面的机械效率跟什么因素有关。下表是他们在同一斜面上沿斜面拉动木块匀速向上运动时得到的数据和根据数据计算出的机械效率,请你利用这些数据计算和回答下列问题。实验次数木块(粗糙程度相同)木块重G/N木块上升的高度h/m沿斜面拉力F/N木块移动的距离L/m斜面的机械效率η1木块12.00.31.6138%2木块12.00.51.9153%3木块22.00.53.81 (1)若第1次实验中木块由斜面底端匀速移动到顶端,移动1m的距离所用的时间为5s,求木块移动的速度及拉力对木块做功的功率;(2)计算第3次实验斜面的机械效率;(3)比较实验结果可以得出:在接触面粗糙程度和木块沿斜面移动的距离相同的情况下,影响斜面机械效率的因素是________________________。【答案】(1)0.2m/s 0.32W(2)53%(3)斜面的倾斜度等 【解析】本实验属于收集实验数据,进行分析论证。(1)v=s/t=1m/5s=0.2m/sP=Fv=1.6N× 0.2m/s=0.32W (2)有用功W有用=Gh W总=Fs η=W有用/W总= Gh / Fs=2N×0.5m/ 3.8N× 1m=26.3%(3)在接触面粗糙程度和木块沿斜面移动的距离相同的情况下,影响斜面机械效率的因素是斜面的倾斜度。 1.在探究“斜面机械效率”实验中,数据记录如表,分析实验数据:(1)你认为斜面省力情况与斜面倾斜程度的关系是:斜面越陡,越______.(2)你对斜面机械效率的问题可获得的初步结论是:______.(3)你认为在完成本实验过程中,主要的困难是______;由以上的数据,小慧还发现木块受到木块的摩擦力与斜面的倾斜程度有关,你认为两者的关系是:______(4)若要验证斜面的机械效率跟物体的重力的关系,应控制斜面的长、斜面的倾斜程度和斜面粗糙程度不改变,这时应用的物理科学方法是______.【答案】(1)费力;(2)当斜面长和斜面粗糙程度一定时,斜面的倾斜程度越陡,斜面的机械效率越高;(3)拉着物体做匀速直线运动;斜面越陡,摩擦力越小;(4)控制变量法.【解析】(1)提升物体重力相同,拉力越大越费力,拉力越小越省力,从第1次到第3次,斜面倾斜程度逐渐变大,拉力也逐渐变大,说明斜面越陡,越费力.(2)这三次实验选用的是同一斜面,粗糙程度是一定的,提升的物重也是一样的,从第1次到第3次可以看出,当斜面的粗糙程度相同时,用斜面提升相同的重物,斜面越陡,机械效率越高.(3)此实验需要保持物体做匀速直线运动,分析实验数据可以得出斜面越陡,摩擦力越小;(4)实验要验证斜面的机械效率跟物体重力关系,应该控制斜面的长、倾斜程度和粗糙程度一致,改变物体重力大小,观察测力计示数,此实验方法为控制变量法.2.如图是某一学习小组探究“斜面的机械效率”实验装置及实验数据记录表:(1)沿斜面拉动木块时,为使测力计的示数稳定,应尽量使木块做______运动.(2)比较表中“物块重”和“______”两栏对应的数据,可知斜面是一种______(选填“省力”或“费力”)的简单机械.(3)本实验研究了______对斜面机械效率的影响,其影响规律是______.(4)分析第1次实验的数据可知,斜面的有用功为______J,总功为______J,斜面对物体摩擦力为______N.【答案】(1)匀速;(2)沿斜面拉力;省力;(3)斜面的倾斜程度;其它条件不变时,斜面的倾斜程度越大机械效率越高;(4)1,5,4.【解析】(1)沿斜面拉动木块时,为使测力计的示数稳定,应尽量使木块做匀速直线运动.(2)比较表中“物块重”和“沿斜面的拉力”两栏对应的数据,由实验数据可知,在同一次实验中,拉力总是小于重力,由此可知斜面是一种省力的简单机械.(3)由表中实验数据可知,实验控制了斜面长度不变而高度不断变化,斜面的倾斜程度不断变化,实验研究的是斜面倾斜程度对斜面机械效率的影响,由表中实验数据可知:斜面长度不变时,斜面越高,斜面的效率越大;(4)第1次实验的数据可知,斜面的有用功为:W有=Gh=10N×0.1m=1J;W总=Fs=5.0N×1m=5J;则额外功W外=W总-W有=5J-1J=4J,因此摩擦力f=W外/s =4J/1m=4N.3.在探究“斜面机械效率”实验中,数据记录如表,分析实验数据:(1)你认为斜面省力情况与斜面倾斜程度的关系是:斜面越陡,越______.(2)你对斜面机械效率的问题可获得的初步结论是:______.(3)你认为在完成本实验过程中,主要的困难是______;由以上的数据,小慧还发现木块受到木块的摩擦力与斜面的倾斜程度有关,你认为两者的关系是:______(4)若要验证斜面的机械效率跟物体的重力的关系,应控制斜面的长、斜面的倾斜程度和斜面粗糙程度不改变,这时应用的物理科学方法是______.【答案】(1)费力;(2)当斜面长和斜面粗糙程度一定时,斜面的倾斜程度越陡,斜面的机械效率越高;(3)拉着物体做匀速直线运动;斜面越陡,摩擦力越小;(4)控制变量法.【解析】(1)提升物体重力相同,拉力越大越费力,拉力越小越省力,从第1次到第3次,斜面倾斜程度逐渐变大,拉力也逐渐变大,说明斜面越陡,越费力.(2)这三次实验选用的是同一斜面,粗糙程度是一定的,提升的物重也是一样的,从第1次到第3次可以看出,当斜面的粗糙程度相同时,用斜面提升相同的重物,斜面越陡,机械效率越高.(3)此实验需要保持物体做匀速直线运动,分析实验数据可以得出斜面越陡,摩擦力越小;(4)实验要验证斜面的机械效率跟物体重力关系,应该控制斜面的长、倾斜程度和粗糙程度一致,改变物体重力大小,观察测力计示数,此实验方法为控制变量法.
相关试卷
这是一份初中物理中考复习 专题22 探究斜面机械效率的实验题(原卷版)1,共7页。试卷主要包含了探究斜面的机械效率实验操作要求等内容,欢迎下载使用。
这是一份初中物理中考复习 专题21 探究滑轮组机械效率的实验题(原卷版),共7页。试卷主要包含了原理,应测物理量,器材,注意,结论,00等内容,欢迎下载使用。
这是一份初中物理中考复习 专题21 探究滑轮组机械效率的实验题(解析版),共10页。试卷主要包含了原理,应测物理量,器材,注意,结论,0% C,00等内容,欢迎下载使用。

