初中物理中考复习 2021届中考物理一轮复习实验大通关 (4)探究影响压力作用效果的因素
展开2021届中考物理一轮复习力学实验大通关 (4)探究影响压力作用效果的因素
1.如图所示,在“探究影响压力作用效果的因素”的实验中,下列说法正确的是( )
①甲、乙两次实验中,小桌对海绵压力的大小相等
②甲图中小桌对海绵压力作用的效果比乙图中的明显
③甲、乙两次实验,说明压力作用的效果跟压力的大小有关
④为了完成整个实验,可以将乙图中的砝码取下来,并将看到的实验现象和甲图中的对比
A.①② B.①②④ C.①③④ D.②③④
2.如图是“探究影响压力作用效果的因素”实验,通过实验得出( )
A.压力的作用效果只与压力大小有关
B.压力的作用效果只与受力面积有关
C.压力的作用效果与压力大小和受力面积都有关
D.压力的作用效果与压力大小和受力面积都无关
3.在“探究压力的作用效果与受力面积的关系”时,如图甲所示,将铅笔挤压在两手指间,会感觉按压__________(选填“笔尖”或“笔尾”)的手指较疼,铅笔静止时,两手指对铅笔压力的大小__________;若将铅笔按如图乙所示方式竖直放置,则不能得出正确的结论,原因是________________________________________。
4.小东同学在探究“压力作用效果与受力面积的关系”时,利用铁架台、烧瓶夹、煮熟去皮的鸡蛋、包装带进行实验。实验步骤如下:
①如图7-1-11甲所示,他把鸡蛋放到了铁架台的烧瓶夹上,手拿比较宽的包装带切鸡蛋,没有切开;
②他换用同种材料的细包装带再次切该鸡蛋,如图乙所示,鸡蛋被切开了。
小东同学因此得出结论“压力的作用效果与受力面积有关”。
(1)小东同学的探究过程中存在的问题是:____________________。
(2)为解决该问题,你认为需要补充的器材是____________________。写出改进措施:____________________。
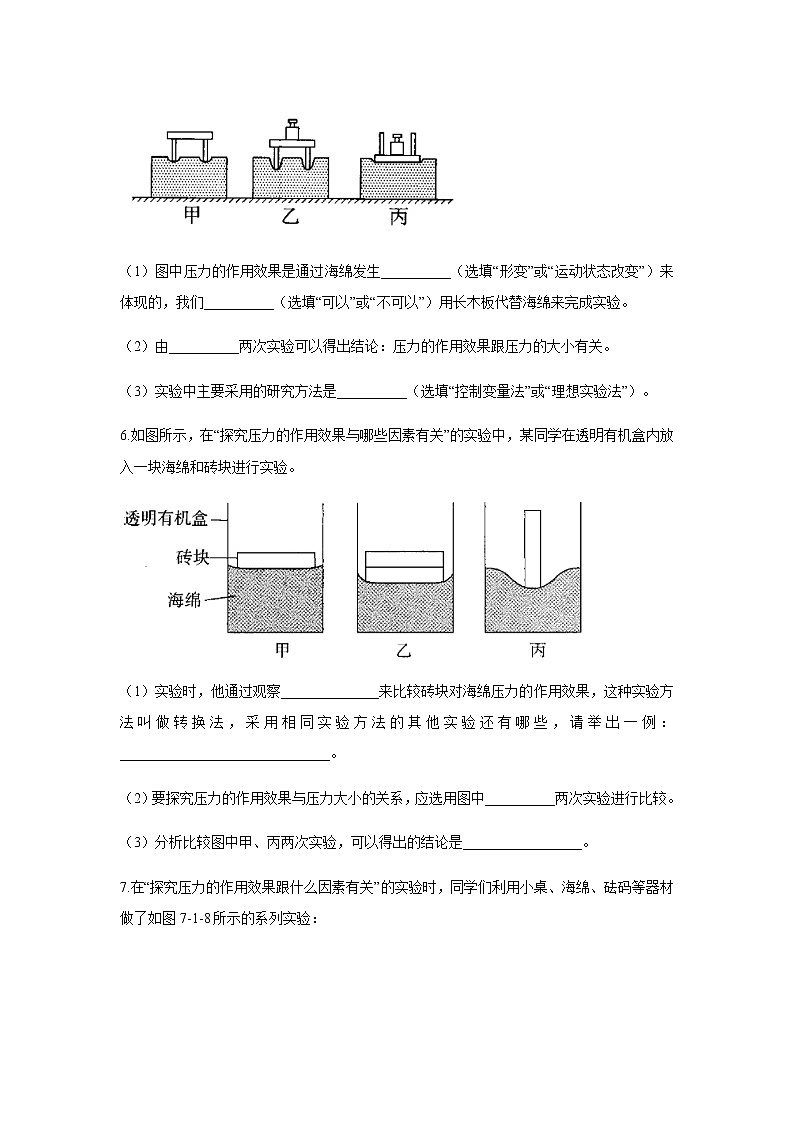
5.利用小桌、海绵、砝码等探究影响压力的作用效果的因素,如图甲至图丙所示:
(1)图中压力的作用效果是通过海绵发生__________(选填“形变”或“运动状态改变”)来体现的,我们__________(选填“可以”或“不可以”)用长木板代替海绵来完成实验。
(2)由__________两次实验可以得出结论:压力的作用效果跟压力的大小有关。
(3)实验中主要采用的研究方法是__________(选填“控制变量法”或“理想实验法”)。
6.如图所示,在“探究压力的作用效果与哪些因素有关”的实验中,某同学在透明有机盒内放入一块海绵和砖块进行实验。
(1)实验时,他通过观察______________来比较砖块对海绵压力的作用效果,这种实验方法叫做转换法,采用相同实验方法的其他实验还有哪些,请举出一例:______________________________。
(2)要探究压力的作用效果与压力大小的关系,应选用图中__________两次实验进行比较。
(3)分析比较图中甲、丙两次实验,可以得出的结论是_________________。
7.在“探究压力的作用效果跟什么因素有关”的实验时,同学们利用小桌、海绵、砝码等器材做了如图7-1-8所示的系列实验:
(1)同学们是根据______来比较压力的作用效果的,这主要体现了物理实验研究方法中的______法。
(2)观察比较图甲、乙所示的情况可以得到的结论是:受力面积一定时,______,压力的作用效果越明显。
(3)要探究压力的作用效果跟受力面积的关系,应比较_______两图的实验,得到的结论是:压力一定时,_______,压力的作用效果越明显。
(4)物理学中,用压强描述压力的作用效果。以下设计中,主要为了增大压强的是_______。
A.铁轨铺在枕木上 B.书包带做得很宽
C.注射针头又尖又细 D.在皮带传动中把皮带张紧
8.如图甲、乙、丙所示,小明利用小桌、海绵、砝码等探究影响压力作用效果的因素。
(1)本实验是通过观察__________来比较压力作用效果的。实验中用到的研究方法有__________和转换法。
(2)通过比较图甲、乙,说明_________________,压力的作用效果越明显。
(3)通过比较图__________(填序号),说明压力一定时,受力面积越小,压力的作用效果越明显。
(4)将该小桌和砝码放在如图丁所示的木板上,则图丙中海绵受到的压强和图丁中木板受到的压强的大小关系为___________(选填“>”“<”或“=”)。
答案以及解析
1.答案:A
解析:甲、乙两次实验中,小桌对海绵压力的大小没变,①的表述是正确的。从甲、乙两图可以看出,压力作用效果更明显的是甲,②的表述正确。甲、乙两次实验,压力不变,变化量是受力面积,所以甲、乙两次实验不能说明压力作用效果跟压力大小有关,③表述是错误的。如果将乙图中的砝码取下来,则与甲图相比,受力面积发生变化,压力也发生变化,而物理探究实验要采用控制变量法,所以④表述是错误的。故选A。
2.答案:C
解析:
3.答案:笔尖;相等;没有控制压力的大小相等
解析:铅笔水平挤压在两手指间,压力大小相同,笔尖的受力面积小,压力作用效果明显(即压强大),会感觉按压笔尖的手指较疼;图甲中铅笔静止时,两手指对铅笔的压力是一对平衡力,故大小相等;若将铅笔如图乙竖直放置,因铅笔受重力的作用,故笔的下端对手指的压力大一些,所以压力的大小不相同,因此不能得出压力的作用效果与受力面积大小的关系。
4.答案:(1)没有控制压力保持不变
(2)见解析
解析:本题通过观察物理现象,提出物理问题,根据已有的科学探究方案,使用基本的器材对探究方案进行改进,考查学生的“科学探究”能力。
(1)在探究“压力作用效果与受力面积的关系”时需要控制压力不变,显然小东的方案不能保证两次的压力相同。
(2)为解决该问题,需补充的器材是质量较大的钩码(或重物);为控制压力不变,应在①和②中不用手拿包装带切剥好的熟鸡蛋,而是通过在包装带上加挂相同个数的钩码或相同的重物来切该鸡蛋。
5.答案:(1)形变;不可以(2)甲、乙(3)控制变量法
解析:(1)力的作用效果之一是使物体发生形变,其他条件相同时,力越大,物体的形变就越大,所以可以通过观察海绵发生的形变程度来比较压力的作用效果;长木板受压后形变不明显,故不可以用长木板代替海绵来完成实验。(2)研究压力的作用效果跟压力大小的关系,要控制受力面积相同,改变压力的大小,故由甲、乙两次实验可以得出结论:压力的作用效果跟压力的大小有关。(3)本实验中主要采用的研究方法是控制变量法。
6.答案:(1)海绵的凹陷程度;“探究响度与什么因素有关”的实验
(2)甲、乙
(3)压力相同时,受力面积越小,压力的作用效果越明显
解析:(1)实验中,是通过观察海绵的凹陷程度来比较砖块对海绵压力的作用效果的,这种实验方法是转换法,在探究响度与什么因素有关时,将正在发声的音叉轻触系在细绳上的乒乓球,通过乒乓球弹开的幅度来反映音叉振动的幅度,采用的也是转换法;(2)要探究压力的作用效果与压力大小的关系,要控制受力面积大小相同,只改变压力大小,可选用甲、乙两次实验;(3)分析图甲、丙实验,压力相同,丙中受力面积小,压力作用效果明显,可得到结论是:压力相同时,受力面积越小,压力的作用效果越明显。
7.答案:(1)海绵的凹陷程度;转换
(2)压力越大
(3)乙、丙;受力面积越小
(4)C
解析:(1)同学们是根据海绵的凹陷程度来比较压力的作用效果的,这种方法叫转换法;
(2)观察比较图甲、乙所示的情况可知,受力面积相同,压力的大小不同,且压力越大,海绵凹陷得越深,压力的作用效果越明显,可以得到的结论是:受力面积一定时,压力越大,压力的作用效果越明显;
(3)探究压力的作用效果与受力面积的关系时,应控制压力的大小不变,而受力面积不同,故应比较乙、丙两图的实验,得到的结论是:压力一定时,受力面积越小,压力的作用效果越明显;
(4)铁轨铺在枕木上,是通过增大受力面积来减小压强;书包带做得很宽,是通过增大受力面积来减小压强;注射针头又尖又细,是通过减小受力面积来增大压强;在皮带传动中把皮带张紧,是通过增大压力来增大摩擦,与压强无关。
8.答案:(1)海绵的凹陷程度;控制变量法(2)受力面积一定时,压力越大(3)乙、丙(4)=
解析:(1)本实验是通过观察海绵的凹陷程度来比较压力作用效果的,这种实验方法叫做转换法;此外,本实验中研究受力面积和压力大小对压力作用效果的影响,还要运用到控制变量法;
(2)通过比较图甲、乙知,受力面积一定,乙中压力大,海绵的凹陷程度大,这说明受力面积一定时,压力越大,压力的作用效果越明显;
(3)探究压力的作用效果与受力面积的关系时,应控制压力的大小不变,而受力面积不同,故应该比较图乙、丙;
(4)将该小桌和砝码放在如图丁所示的木板上,与图丙相比,因压力大小和受力面积都相同,则根据可知,图丙中海绵受到的压强和图丁中水板受到的压强的大小关系为。
中考物理二轮复习实验专项练习实验10 探究压力作用效果的影响因素实验(含解析): 这是一份中考物理二轮复习实验专项练习实验10 探究压力作用效果的影响因素实验(含解析),共9页。
中考物理二轮复习实验通关练习 (4)探究影响压力作用效果的因素 (含答案): 这是一份中考物理二轮复习实验通关练习 (4)探究影响压力作用效果的因素 (含答案),共8页。
初中物理中考复习 实验10 探究压力作用效果的影响因素实验(解析版): 这是一份初中物理中考复习 实验10 探究压力作用效果的影响因素实验(解析版),共9页。

