


还剩9页未读,
继续阅读
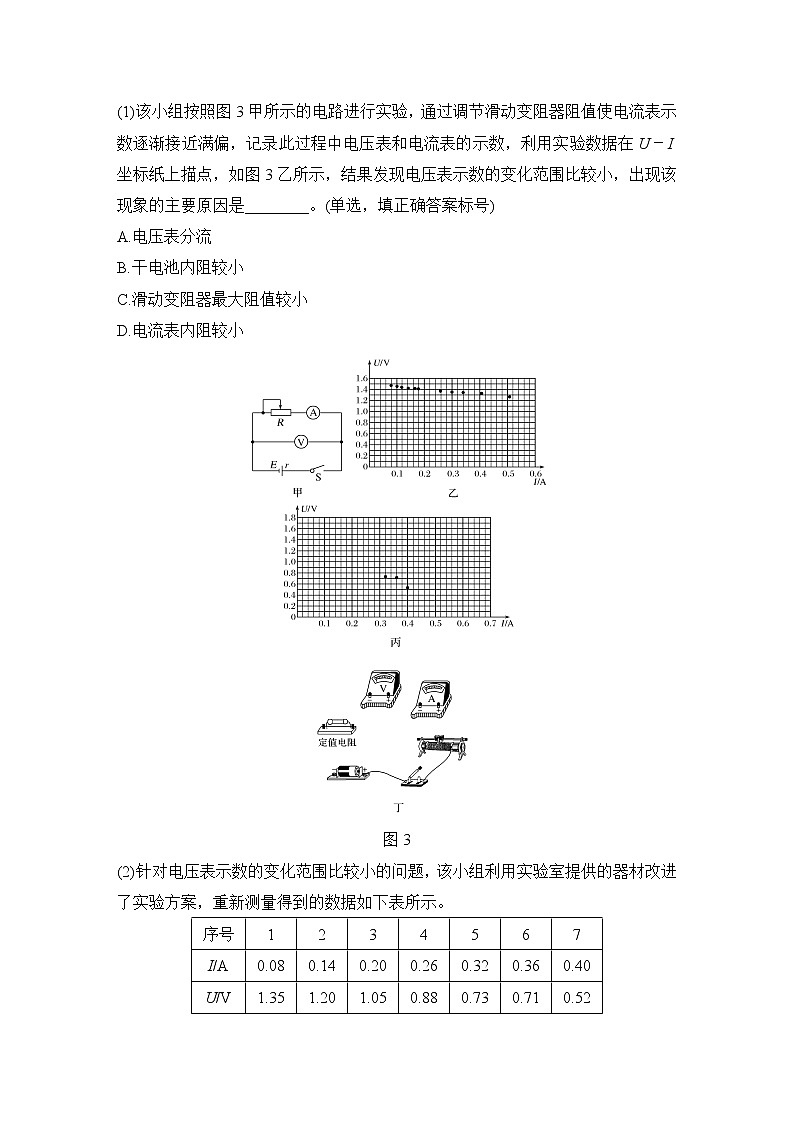
高中物理高考 实验十三 测量电源的电动势和内阻
展开
这是一份高中物理高考 实验十三 测量电源的电动势和内阻,共12页。
相关试卷
新高考物理一轮复习讲义第9章 电路及其应用 实验十三 测量电源的电动势和内阻 (含解析):
这是一份新高考物理一轮复习讲义第9章 电路及其应用 实验十三 测量电源的电动势和内阻 (含解析),文件包含人教版物理九年级全册同步精品讲义153串联和并联原卷版doc、人教版物理九年级全册同步精品讲义153串联和并联教师版doc等2份试卷配套教学资源,其中试卷共35页, 欢迎下载使用。
专题实验10 测量电源的电动势和内阻-备战2023年高考物理实验专题突破:
这是一份专题实验10 测量电源的电动势和内阻-备战2023年高考物理实验专题突破,文件包含专题实验10测量电源的电动势和内阻-备战2023年高考物理实验专题突破解析版docx、专题实验10测量电源的电动势和内阻-备战2023年高考物理实验专题突破原卷版docx等2份试卷配套教学资源,其中试卷共44页, 欢迎下载使用。
高考物理模型全归纳 第72讲 测量电源的电动势和内阻实验设计与误差分析:
这是一份高考物理模型全归纳 第72讲 测量电源的电动势和内阻实验设计与误差分析,文件包含第72讲测量电源的电动势和内阻实验设计与误差分析解析版docx、第72讲测量电源的电动势和内阻实验设计与误差分析原卷版docx等2份试卷配套教学资源,其中试卷共34页, 欢迎下载使用。
