


物理九年级上册第一章 分子动理论与内能3 比热容同步训练题
展开
这是一份物理九年级上册第一章 分子动理论与内能3 比热容同步训练题,共6页。试卷主要包含了选择题等内容,欢迎下载使用。
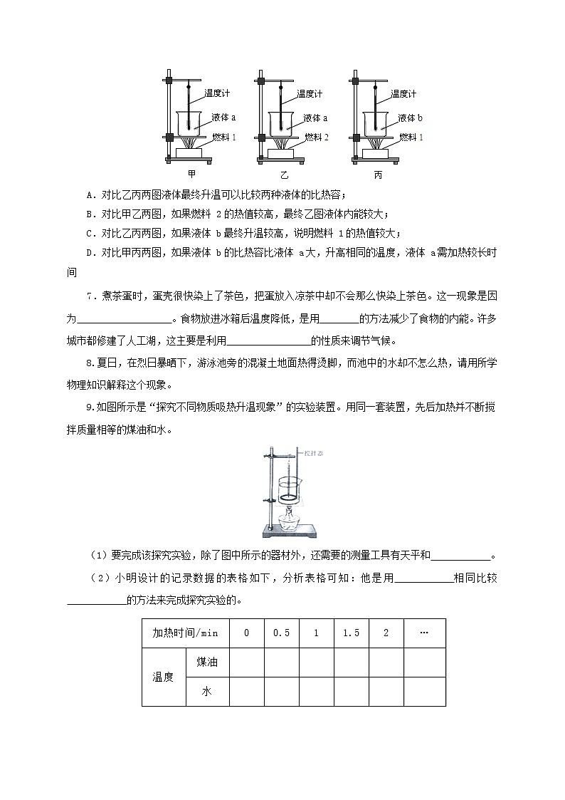
课时1.3 比热容(备作业)(原卷版)一、选择题1.两个物体互相接触没有发生热传递,是因为它们具有相同的( )。A.比热容 B.质量 C.温度 D.热量2.由同种物质组成的甲、乙两个物体,质量之比为2:1,它们降低的温度之比为1:4,则它们的比热之比是( )。A.2:1 B.1:2 C.1:1 D.1:43.才下舌尖,又上心头的《舌尖上的中国2》让海内外观众领略了中华饮食之美。如图所示,通过煎、蒸、炒、拌烹调的四种美食中所包含的物理知识,认识错误的是( )。A.煎:烙煎饼的鏊(ào)子一般用铁制造,主要是利用了铁的比热容大;B.蒸:蟹黄和烧麦是通过热传递和高温水蒸气液化放热蒸熟的;C.炒:藜蒿和腊肉主要是通过热传递的方式增加了内能;D.拌:香椿和豆腐相拌后的入味是分子无规则热运动的结果4.一纸杯开水,从刚倒入杯中到可以喝的这一段时间内,放出的热量大约是( )。A.5×106J B.5×105J C.5×104J D.5×103J5.目前石油、煤炭消耗量的迅速增长,易导致能源危机。因此,开发和利用新能源,成为全世界最为关注的问题之一。小明家的太阳能热水器内装有100kg、25℃的水,经过一天照射后,温度升高了50℃。则水吸收的热量及至少可以节约煤的质量分别是( )。[水的比热容是4.2×103J/(kg•℃),煤的热值是3.0×107J/kg]A.1.05×107J,0.35kg B.2.1×107J,0.35kgC.1.5×107J,0.7kg D.2.1×107J,0.7kg6.如图所示,甲、乙、丙三图的装置完全相同,燃料的质量相同,烧杯内液体的初温与质量也相同,不考虑热量损失。下列选项正确的是( )。A.对比乙丙两图液体最终升温可以比较两种液体的比热容;B.对比甲乙两图,如果燃料 2的热值较高,最终乙图液体内能较大;C.对比乙丙两图,如果液体 b最终升温较高,说明燃料 1的热值较大;D.对比甲丙两图,如果液体 b的比热容比液体 a大,升高相同的温度,液体 a需加热较长时间7.煮茶蛋时,蛋壳很快染上了茶色,把蛋放入凉茶中却不会那么快染上茶色。这一现象是因为 。食物放进冰箱后温度降低,是用 的方法减少了食物的内能。许多城市都修建了人工湖,这主要是利用 的性质来调节气候。8.夏日,在烈日暴晒下,游泳池旁的混凝土地面热得烫脚,而池中的水却不怎么热,请用所学物理知识解释这个现象。9.如图所示是“探究不同物质吸热升温现象”的实验装置。用同一套装置,先后加热并不断搅拌质量相等的煤油和水。(1)要完成该探究实验,除了图中所示的器材外,还需要的测量工具有天平和 。(2)小明设计的记录数据的表格如下,分析表格可知:他是用 相同比较 的方法来完成探究实验的。(3)实验结束后,小明查表知道水的比热容为4.2×l03J/(kg•℃),则500g水温度升高20℃吸收的热量是 J;若这些热量由酒精完全燃烧获得,则至少要消耗 g酒精。(酒精的热值为3.0×107J/kg)(4)在受太阳照射的条件相同时,内陆地区昼夜温差比沿海地区 ,这是因为干泥土和水相比, 较小。一、选择题1.依据表格中的数据,下列说法正确的是( )。物质比热容c/ 【J/(kg·°C)-1】水4.2×103煤油2.1×103砂石约0.92×103A. 一杯水倒出一半,杯内剩余水的比热容变小;B. 水和砂石放出相等热量,水的温度降低得较多;C. 水的比热容表示水的温度升高1°C吸收的热量是4.2×103J;D. 质量相等的水和煤油,吸收相等热量,煤油温度升高得较多2.己知水的比热容是4.2×103J/(kg·℃),用如图所示的家用电热水壶烧开一壶自来水,水吸收的热量约为( )。A. 6×104J B. 6×105J C. 6×106J D. 6×107J3.关于热现象,下列说法正确的是( )。A.液体很难被压缩,说明分子间有引力B.内能和温度有关,0℃的冰块没有内能C.常用水作冷却剂,是利用了水比热容大这一性质D.四冲程内燃机工作时,压缩冲程将机械能转化为内能4.下表列出一些物质的比热容,根据表中数据,下列判断止确的是( )。物质水煤油冰铝铜比热容/( J˙kg-1˙℃-1)4.2×1032.1×1032.l×lO30.88×1030.39×103A.不同物质的比热容一定不同;B.物质的物态发生变化,比热容不变;C.质屋相等的铝和铜升高相同的温度,铝吸收的热量更多;D.质量相等的水和煤油吸收相同的热量,水升高的温度更多5.经常下厨的小关发现,同时用相同的锅和燃气灶加热质量相等、初温相同的水和食用油,油的温度总是升高得快些。这是因为( )。A.水的比热容小,吸热后温度升高得快;B.油的比热容小,吸热后温度升高得快;C.在相同的时间内,水吸收的热量较多;D.在相同的时间内,油吸收的热量较多6.如图所示,2020年5月5日,我国长征五号B运载火箭成功发射。火箭使用的燃料是液态氢,这是利用了液态氢 的特点,装载的2t的液态氢完全燃烧放出的热量是 J.发射台下方建有水池,通过水 (填物态变化名称)吸收热量,使发射时发射台不至于温度过高被烧坏。火箭高速运动过程中,与空气摩擦而温度急剧升高,这是以 的方式改变火箭内能。(q氢=1.4×108J/kg)7.沿海地区昼夜温差比内陆地区昼夜温差小是因为水______。质量为10kg的水温度升高20℃所吸收热量为______J(c水=4.2×103J/(kg·℃))。8.小明在燃气灶上煲汤,将质最为2kg初始温度为20℃的汤,升高了80℃,汤吸收了 J的热量。这是通过 方式来改变汤的内能。[C汤=4×103J/(kg·℃)]9.如图所示的一种学生饮用奶,在饮用前加热的过程中,温度升高,内能_________ (选填“增大”或“减小”);若其中奶的质量为0.25kg,奶的比热容是,当把它从10°C加热到40°C需要吸收__________J 的热量。10.将刚烧开的2L热水倒入保温瓶中,两天后小明估测水温约为50℃,则热水的质量为______kg,保温瓶散失的热量约为______J。11.质量相同的水、沙石和铜(已知c水>c沙石>c铜),放出了相同的热量,温度下降最大的是______。12.小红在实验室用酒精灯把质量是0.1kg,初温是60℃的水加热到100℃,则水吸收的热量是_____J;该过程中是利用了_______方式使水的内能增加。[c水=4.2×103J/(kg·℃)]。13.为了探究相同质量的不同物质在升高相同温度时,吸收热量的多少是否相同,某实验小组取相同质量的水和煤油放入两个相同的容器中,用同样的热源分别对它们加热,比较它们升高相同温度时吸收热量的多少。实验装置如图11所示。 (1)加热时,某一时刻在水中的温度计示数如图12所示,则此时水的温度是________℃。(2)实验数据记录如下表:液体名称液体质量m/g液体初温t1/℃液体末温t2/℃加热时间t/min水200203012煤油20020306分析以上实验数据可得:相同质量的不同种物质,升高相同的温度,吸收的热量________(选填“相同”或“不同”),________的吸热本领更强(选填“水”或“煤油”)。(3)根据以上表格的数据计算,当加热时间为12min时,这些水吸收的热量是________J。[水的比热容为4.2×103J/(kg·℃)]。14.小明利用图甲装置研究某燃料热值。他取少量燃料置于燃烧皿中,测出总质量为30g,点燃后对100g的热水加热4min立即熄灭燃料,再测得燃料和燃烧皿总质量,天平平衡时砝码数量和游码位置如图乙所示,并根据实验数据绘制的水温随时间变化的图象如图丙中a线所示。(1)如图甲所示,组装实验器材时为了能使温度计液泡与液体充分接触,应依次调节图中A、B两铁环,应先调节 (选填“A”、“B”)铁环。(2)实验时水面上方的气压 (选填“大于”、“等于”或“小于”)1标准大气压。在第2~4min的过程中,水 (选填“吸”或“不吸”)热。(3)已知此过程中燃料均匀燃烧放热,所放热量仅60%能被水吸收,则该燃料的热值为 J/kg。[水的比热容为4.2×103J/(kg•℃),整个过程中忽略水的质量变化](4)若实验装置和热损失比例均不变,利用该燃料加热另一杯水绘出了如图丙中b线,则另一杯水的质量 (选填“大于”、“等于”或“小于”)上一杯水质量。
相关试卷
这是一份初中物理教科版九年级上册1 磁现象课时练习,共4页。试卷主要包含了关于地磁场,下列说法错误的是等内容,欢迎下载使用。
这是一份教科版九年级上册1 电功课时作业,共5页。试卷主要包含了选择题等内容,欢迎下载使用。
这是一份初中物理教科版九年级上册1 电流同步达标检测题,共3页。
