所属成套资源:【期末专题复习】2022-2023学年物理九年级上学期期末实验探究+专题演练
【期末专题复习】2022-2023学年 物理九年级上学期-专题演练04:探究串联电路和并联电路中电压的特点实验
展开
这是一份【期末专题复习】2022-2023学年 物理九年级上学期-专题演练04:探究串联电路和并联电路中电压的特点实验,文件包含期末专题复习2022-2023学年物理九年级上学期-专题演练04探究串联电路和并联电路中电压的特点实验解析版docx、期末专题复习2022-2023学年物理九年级上学期-专题演练04探究串联电路和并联电路中电压的特点实验原卷版docx等2份试卷配套教学资源,其中试卷共17页, 欢迎下载使用。
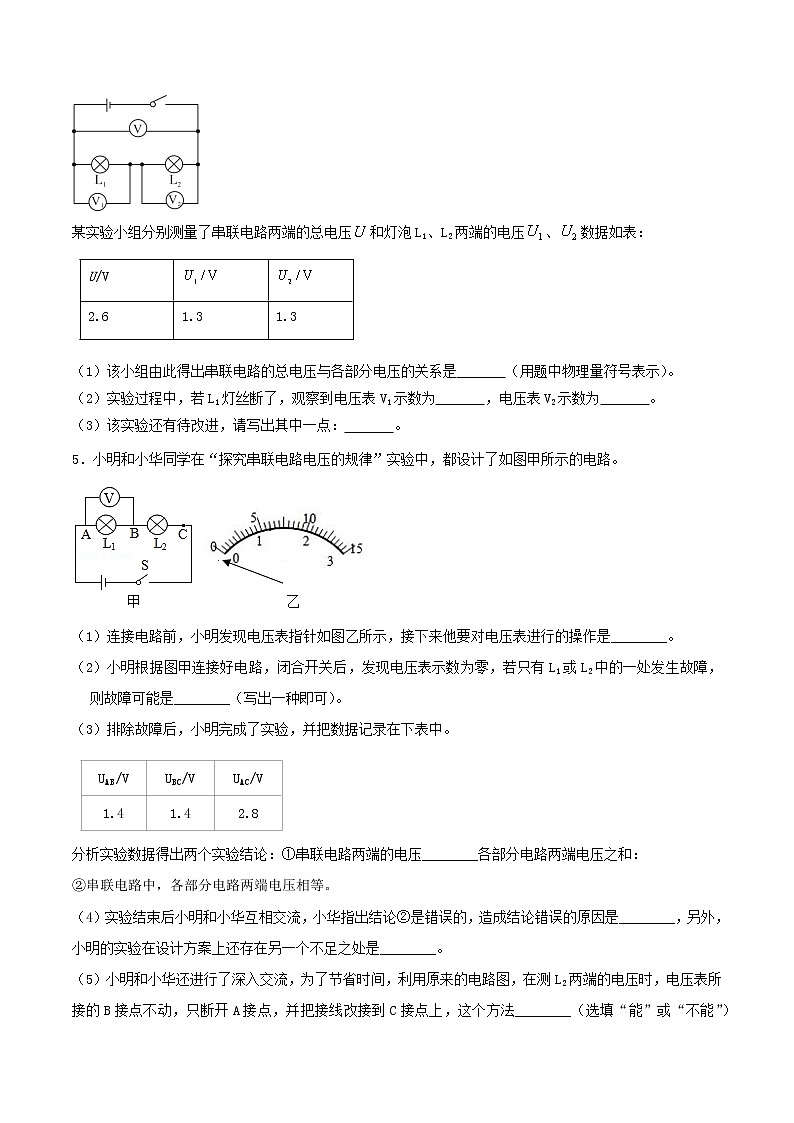
2022—2023年度上学期9年级物理期末必考实验探究专题演练专题04探究串联电路和并联电路中电压的特点实验1.小芳在“探究串联电路电压特点”的实验中,连接好了的实物电路图如图甲所示,请你协助完成:(1)在方框内画出与图甲对应的电路图,并在电路图中标上L1、L2。(2)在某次测量时,电压表的示数如图乙所示,此时灯L1两端的电压为 V。(3)闭合开关后,小芳发现L1、L2均不发光,电压表有示数且大小接近3V,则电路中出现的故障可能是L1发生了 (选填“短路”或“断路”)。(4)排除故障后,小芳在测量了灯L1两端的电压后,断开开关,然后将导线AE的A端松开,接到D接线柱上,测量灯L2两端的电压,这一做法会造成 。【答案】(1)见解析图;(2)1.9;(3)断路;(4)电压表的正负接线柱接反。【解析】(1)从实物图中可以看出,电流从正极流出,依次经过开关、灯泡L2、L1,然后回到电源负极,电压表并联在灯泡L1两端。(2)据实物图判断出电压表的量程,而后判断出分度值,进而读出电压表的示数即可;(3)闭合开关灯泡不亮,原因有两个:断路或短路。具体原因从电流表、电压表有无示数判断故障;(4)电学实验中,电压表并联在待测电路两端,电流从“+”接线柱流入,从“﹣”接线柱流出,不能接反了解:(1)由实物图分析可知,两盏灯串联,开关控制整个电路,电压表测量灯泡L1两端电压,画出相应的电路图如下:(2)由图甲可知,电源由2节干电池串联组成,则电源电压大约3V,因此图乙电压表选用的是小量程,其分度值是0.1V,此时电压表的示数是1.9V。(3)闭合开关S后,灯L1、L2均不发光,说明电路中可能有断路故障,而电压表的示数大小接近电源电压3V,说明此时电压表的正负接线柱与电源两极相连,故灯L1发生断路。(4)如图,如果将AE导线的A端松开,接到D接线柱上来测量灯L2两端的电压,这样电流从电压表的“﹣”接线柱流入,从“+”接线柱流出了,即会造成电压表的正负接线柱接反。2.我们已经学习了串联电路电压的规律,那么串联的各部分电路如何分配电源电压呢?小明利用以下实验器材进行实验:阻值不同的定值电阻若干、电压表、电压为3V的电源、开关及导线。请回答下列问题:实验次数AB间电阻/ΩCD间电阻/Ω11052201033015(1)连接电路时,应将开关处于 状态(选填:“断开”或“闭合”);(2)如图甲所示,小明将阻值为10Ω和5Ω的电阻分别接入电路中AB和CD两位置,闭合开关,电压表的示数如图乙所示,则AB间电压为 V.比较两电阻阻值和所分电压值可得初步结论:串联电路中,电阻值越大,其所分电压 ;(3)为了进一步探究电压的分配规律,小明更换电阻完成了上表中2、3两次实验,观察到每次实验电压表示数几乎不变。分析实验数据发现AB间和CD间的电压之比与其对应电阻阻值之比相等,于是得出:“串联电路中各部分电路按其阻值之比分配电源电压”的结论。根据这一实验过程得出的结论是否可信? (选填:“可信”或“不可信”),你的理由是: 。【答案】(1)断开;(2)2;越大;(3)不可信;要得到普遍性规律,实验中每次实验的电阻比值应不同【解析】(1)连接电路时,开关处于断开状态。(2)电压表使用0~3V量程,每一个大格代表1V,每一个小格代表0.1V,10Ω两端的电压是2V,电阻10Ω通过的电流为:I===0.2A,串联电路中电流处处相等,所以5Ω电阻两端的电压为:U2=IR2=0.2A×5Ω=1V,所以串联电路中,电阻值越大,其所分电压越大。(3)实验过程中,三次实验的电阻比都是2:1,具有偶然性,实验中每次实验的电阻比值不同,才能得到普遍性结论,所以这一实验过程得到的结论不可信。3.在“探究串联电路的电压规律”的实验时,小玲同学议计了如图所示的电路。(1)实验中应选择规格 (选填“相同”或“不同”)的小灯泡;(2)开关闭合后,电压表测灯L1两端的电压;为了测量BC两点间的电压,小玲将接A点的线端改接到C点,闭合开关后,发现 (填字母);A.电压表无示数B.示数超过电压表量程C.电压表指针反偏(3)小玲通过观察发现,只需在原实物图中改动一根导线,就可测得两灯的总电压。请你在实物图中用“×”号指出需改动的导线,并在原图中画出正确的电路连线。【答案】(1)不同;(2)C;(3)【解析】(1)探究串联电路的电压特点,为了寻找规律,必须换用不同规格的小灯泡进行多次实验,这样得出的规律才有说服力;(2)图中电压表测L1两端电压,电流电压表右侧流入,左侧流出,若保持电压表的B接点不动,只断开A接点,并改接到C接点上,这样流入方向与前面相反,即正负接线柱反接了,所以这样不能测L2两端电压,故选C;(3)要测电路中的总电压,应将电压表联联在L1、L2两端,把B接线柱改接到C接线柱,如图所示:;4.在“探究串联电路电压的特点”实验中:某实验小组分别测量了串联电路两端的总电压和灯泡L1、L2两端的电压、数据如表:U/V2.61.31.3 (1)该小组由此得出串联电路的总电压与各部分电压的关系是 (用题中物理量符号表示)。(2)实验过程中,若L1灯丝断了,观察到电压表V1示数为 ,电压表V2示数为 。(3)该实验还有待改进,请写出其中一点: 。【答案】(1) (2) 0 (3)换不同规格的小灯泡再进行多次实验 【解析】(1)由图表可知,由此得出串联电路的总电压与各部分电压的关系(2)实验过程中,若L1灯丝断了,电压表V1测量电源电压,电压表V1示数为2.6V;由于电路断路,电压表V2测灯L2两端的电压,示数为0V。(3)为了使实验具有普遍性,电路中换不同规格的小灯泡再进行多次实验。5.小明和小华同学在“探究串联电路电压的规律”实验中,都设计了如图甲所示的电路。(1)连接电路前,小明发现电压表指针如图乙所示,接下来他要对电压表进行的操作是________。(2)小明根据图甲连接好电路,闭合开关后,发现电压表示数为零,若只有L1或L2中的一处发生故障,则故障可能是________(写出一种即可)。(3)排除故障后,小明完成了实验,并把数据记录在下表中。UAB/VUBC/VUAC/V1.41.42.8 分析实验数据得出两个实验结论:①串联电路两端的电压________各部分电路两端电压之和:②串联电路中,各部分电路两端电压相等。(4)实验结束后小明和小华互相交流,小华指出结论②是错误的,造成结论错误的原因是________,另外,小明的实验在设计方案上还存在另一个不足之处是________。(5)小明和小华还进行了深入交流,为了节省时间,利用原来的电路图,在测L2两端的电压时,电压表所接的B接点不动,只断开A接点,并把接线改接到C接点上,这个方法________(选填“能”或“不能”)测出L2两端的电压,理由是________。【答案】(1)对电压表进行调零;(2)L2断路(或L1短路);(3)等于;(4)选用相同规格的灯泡做实验;只测出了一组实验数据,实验次数太少,得出的实验结论具有偶然性和片面性;(5)不能;电压表的正负接线柱接反了。【解析】(1)由图知,连接电路前,在检查实验器材时发现电压表指针没有指在零刻度线上,则应对电压表进行调零,使指针指在零刻度线上;(2)由电路图知,两灯泡串联,电压表测灯泡L1两端的电压;闭合开关S后,电压表示数为零,且只有L1或L2中的一处发生故障;若灯L1、L2均不亮,说明电路发生断路,而电压表没有示数,说明电压表的两端不能与电源连通,则是L2断路;若L2亮、L1不亮,而电压表没有示数,则可能是灯L1短路;(3)由表中实验数据可知,串联电路的总电压等于各部分电路电压之和。(4)由实验数据可知,各部分电路两端电压相等,该结论是错误的,造成结论错误的原因是选用了规格相同的灯泡做实验;由实验数据可知,只测出了一组实验数据,实验次数太少,得出的实验结论具有偶然性和片面性,为得出普遍结论,应改变灯泡的规格进行多次实验或改变电源电压进行多次实验;(5)为了节省时间,利用原来的电路图,在测L2两端的电压时,电压表所接的B接点不动,只断开A接点,并把接线改接到C接点上,这样做不能测出L2两端的电压,因为根据电路图分析可以看出,直接改接一端连线,会造成电压表的正负接线柱接反了;6.“探究串联电路的电压关系”的实验电路如图甲所示。(1)为了使探究得出的结论具有普遍意义, L1、 L2应该选择 (选填“相同”或“不同”)的小灯泡。(2)小明根据图甲连接好电路,闭合开关,电压表示数如图乙所示,为了使实验结果更准确,接下来他应该 。(3)测出L1两端的电压后,小明断开开关,准备拆下电压表,改接在B、C之间。小聪认为小明的操作太麻烦,只需将与A点相连的导线改接到C点即可。小聪的办法是否正确?答: 。(4)测量完成后,进行小组交流讨论。下表选录了四个小组的数据,你认为这些数据是否合理,请说明理由。答: 。实验小组L1两端电压/VL2两端电压/V串联总电压/V11.43.14.523.01.34.431.11.72.941.81.23.0 【答案】(1)不相同(2)换用小量程,重做实验(3)错误(或不正确)(4)因为实验存在误差,所以四组数据都合理【解析】(1)两灯泡串联,要实相同的灯泡,两端电压相同,串联总电压等于一个灯泡两端电压的2倍。选择不同的灯泡,得出的结论是总电压等于两个灯泡两端电压之和,这样的结论有普遍意义。(2)电压表有两个量程,在灯泡两端电压不超过量程时,可以换用另一个小量程做实验,这样指针偏转明显,便于读数,结果更准确。(3)电压表接入电路中,必须让它的正接线柱与电源正极方向相接,负接线柱与电源负极方向相接。(4)实验中测量的数据都是有误差的,只要电路正确、操作正确,按照要求真确读数,测量结果都是合理的。【点拨】在解决“探究串联电路的电压关系”的实验时,主要把握电压表使用与读数;会根据实验表格归纳总结结论。对误差概念要正确认识。7.为探究并联电路中电压的规律,实验室提供的器材有:干电池组(电压为3V)、电压表、多个小灯泡、开关、导线若干。(1)请用笔画线代替导线,在图甲中把电路连接完整,要求电压表测量灯L1两端的电压。(2)电路连接正确后进行实验,某小组分别测出灯L1、L2两端的电压和并联电路的总电压,电压表示数相同,如图乙所示,其值为 V。根据这组数据,该小组得出并联电路中电压的规律.你认为实验的疏漏之处是 。(3)小华发现,实验中电压表示数明显小于电源电压,他认为产生这一现象的原因是导线有电阻.为了验证猜想是否正确,闭合开关后,小华又测出了电池组两端的电压为2.65V.由此可以判断,导线有电阻 (选填“是”或“不是”)电压表示数明显小于电源电压的主要原因,理由是 。【答案】(1)如图所示 (2)2.6 应更换灯泡,多次实验 (3)不是 闭合电路后,电池组两端的电压和并联电路的总电压相差很小【解析】(1)两个灯泡的灯座右端两个接线柱用一根导线连接上。电压表带3的接线柱与下面L1、所在灯座做短接线柱连接。(2)电压表示数为2.6V。实验中应该更换灯泡,多次实验。 (3)导线有电阻不是电压表示数明显小于电源电压的主要原因,理由是闭合电路后,电池组两端的电压和并联电路的总电压相差很小。8.在“探究串联电路电压的特点”活动中。(1)如右图所示,连接电路时,至少需要 根导线;实验中应选择规格 (选填“相同”或“不同”)的小灯泡。(2)在测L1两端电压时,闭合开关,发现电压表示数为零,原因可能是 (填出一种即可)。(3)小芳保持电压表的B四连接点不动,只断开A连接点,并改接到C连接点上,测量L2两端电压。她能否测出L2两端电压? ,理由是: 。(4)小明分别出AB、BC、AC间的电压并记录在如下表格中,分析实验数据得出结论:串联电路总电压等于各部分电路两端电压之和。请对小明的做法进行评价: ,改进方法是 。UAB/VUBC/VUAC/V2.61.84.4 【答案】见解析。【解析】(1)根据电路图和元件的数量确定导线的数量,为了让实验具有普遍性,应该使用不同规格的灯泡进行实验。根据电路图可知:至少需要6根导线;实验中应该选择规格不同的小灯泡。(2)此时可能是灯泡L1短路或者L2断路。在测L1两端电压时,闭合开关,发现电压表示数为零,原因可能是灯泡L1短路、L2断路、电压表接触不良等;(3)这样操作会让电压表的正负接线柱接反,导致电压表的指针反偏。不能测量L2两端的电压;因为此时电压表的正负接线柱接反了,电压表的指针会反偏。(4)为了使实验结论具有普遍性,应该更换不同规格的灯泡进行多次实验。小明只测量了一次,实验数据没有普遍性,应该换用不同规格的灯泡,重复测量两次以上。
相关试卷
这是一份2024年中考物理二轮热点题型归纳与变式演练实验14 探究串联电路和并联电路中电压的特点-(全国通用),文件包含实验14探究串联电路和并联电路中电压的特点原卷版docx、实验14探究串联电路和并联电路中电压的特点解析版docx等2份试卷配套教学资源,其中试卷共24页, 欢迎下载使用。
这是一份实验04 探究串联电路和并联电路中电压特点-【实验课试题】2023-2024学年九年级物理全一册教材实验大盘点,文件包含实验04探究串联电路和并联电路中电压的特点原卷版docx、实验04探究串联电路和并联电路中电压的特点解析版docx等2份试卷配套教学资源,其中试卷共15页, 欢迎下载使用。
这是一份中考物理二轮复习必考重点实验专题12 探究串联电路和并联电路中电流、电压的特点(含解析),共11页。

