


高考化学二轮复习讲义+分层训练解密11化学实验(讲义)
展开解密11 化学实验
【考纲导向】
1.了解化学实验是科学探究过程中的一种重要方法。了解实验探究的一般过程。
2.了解化学实验的绿色化和安全性要求,树立绿色化学思想,形成环境保护的意识。能识别化学品安全使用标识。了解实验室一般事故的预防和处理方法。
3.了解中学化学实验室常用仪器的主要用途和使用方法。初步掌握天平、酸碱滴定管等仪器的使用方法。初步了解中和滴定的原理和方法。
4.了解对物质进行定性研究和定量分析的基本方法。
5.了解常见气体和一些简单化合物的制备原理和方法。
6.认识反应条件控制在化学实验研究中的意义,初步掌握控制反应条件的方法。
7.掌握一定溶质质量分数、物质的量浓度溶液的配制方法。初步掌握测定溶液pH的方法。
8.能根据物质的特性,运用过滤、蒸发、蒸馏、结晶、萃取等方法分离和提纯常见的物质。了解层析是一种分离和提纯物质的方法。
9.能对常见的物质进行检验和分析。初步了解常见物质的组成和结构的检测方法,并初步掌握其操作技能。
10.能发现生产、生活和化学实验研究中有意义的化学问题。
11.能绘制和识别简单的实验仪器装置图。能根据具体情况设计解决化学问题的实验方案,并能对设计的实验方案进行分析、比较、优化和改进。
12.能通过化学实验收集有关数据和事实,并科学地进行分析和处理。
【命题分析】
通过近几年的高考实验研究发现,以物质的制备流程、物质的性质探究为载体,考查化学实验的设计及评价能力已成为高考实验的首选。近年高考综合实验试题往往是在教材实验、演示实验或考生已有实验知识的基础上进行改进,创设新情镜,提出新问题,考查考生的创新意识和对实验过程的评价能力。主要体现在以下几个方面:(1)根据题干给予的新信息,预测实验现象等。(2)药品使用创新、仪器功能拓展、实验操作改变创新和实验操作新途径开辟等。(3)面对新情境,能够正确提取并处理信息(准确提炼规律、严密推理分析、做出合理解释等)。(4)面对新问题,能够全面深入思考,合理优化结构,准确深刻评价等。
核心考点一 常用仪器的用途和使用
1.可加热仪器
仪器
名称
使用方法和注意事项
可直接加热的仪器
试管
加热液体时,液体体积不能超过其容积的;加热固体时,试管口应略向下倾斜
蒸发皿
蒸发浓缩时要用玻璃棒搅拌,且液体体积不超过其容积的
坩埚
用于灼烧固体物质,把坩埚放在三脚架上的泥三角上加热,取放坩埚必须使用坩埚钳,加热完的坩埚应放在石棉网上冷却
需垫石棉网加热的仪器
圆底烧瓶
液体体积不超过其容积的,且不少于
锥形瓶
振荡时瓶内液体不能溅出
烧杯
溶解固体时要用玻璃棒搅拌
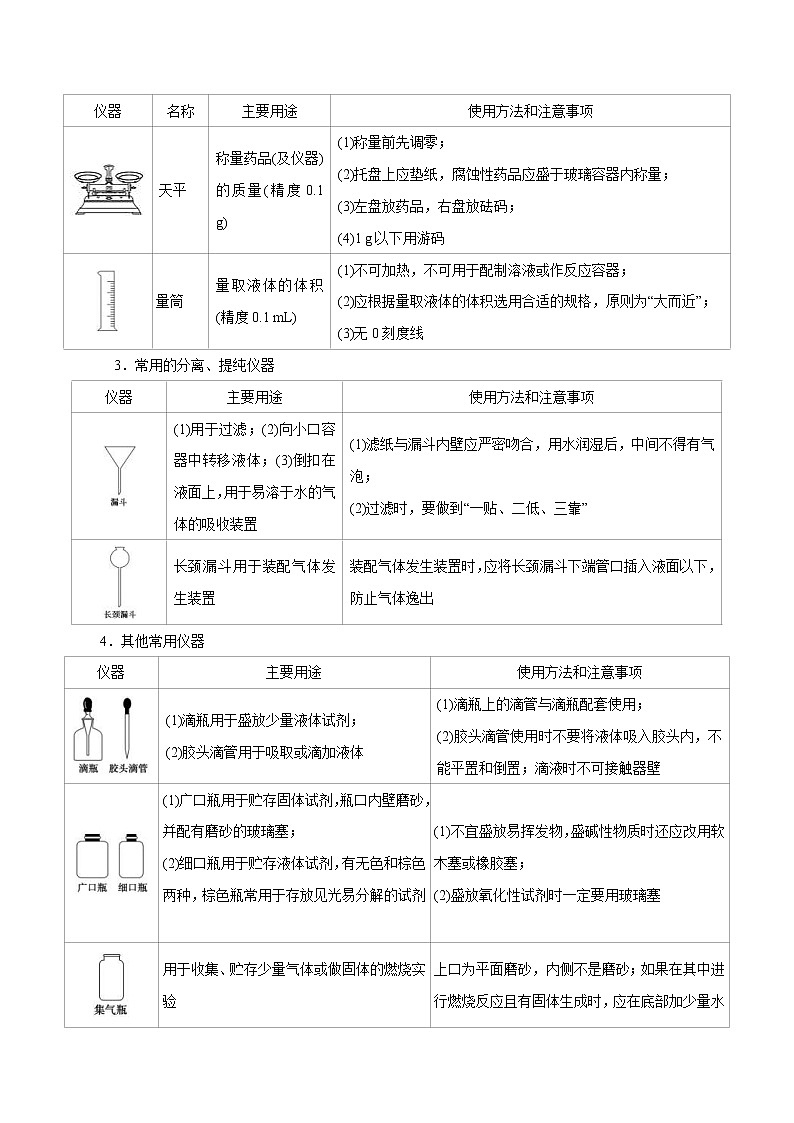
2.计量仪器
仪器
名称
主要用途
使用方法和注意事项
天平
称量药品(及仪器)的质量(精度0.1 g)
(1)称量前先调零;
(2)托盘上应垫纸,腐蚀性药品应盛于玻璃容器内称量;
(3)左盘放药品,右盘放砝码;
(4)1 g以下用游码
量筒
量取液体的体积(精度0.1 mL)
(1)不可加热,不可用于配制溶液或作反应容器;
(2)应根据量取液体的体积选用合适的规格,原则为“大而近”;
(3)无0刻度线
3.常用的分离、提纯仪器
仪器
主要用途
使用方法和注意事项
(1)用于过滤;(2)向小口容器中转移液体;(3)倒扣在液面上,用于易溶于水的气体的吸收装置
(1)滤纸与漏斗内壁应严密吻合,用水润湿后,中间不得有气泡;
(2)过滤时,要做到“一贴、二低、三靠”
长颈漏斗用于装配气体发生装置
装配气体发生装置时,应将长颈漏斗下端管口插入液面以下,防止气体逸出
4.其他常用仪器
仪器
主要用途
使用方法和注意事项
(1)滴瓶用于盛放少量液体试剂;
(2)胶头滴管用于吸取或滴加液体
(1)滴瓶上的滴管与滴瓶配套使用;
(2)胶头滴管使用时不要将液体吸入胶头内,不能平置和倒置;滴液时不可接触器壁
(1)广口瓶用于贮存固体试剂,瓶口内壁磨砂,并配有磨砂的玻璃塞;
(2)细口瓶用于贮存液体试剂,有无色和棕色两种,棕色瓶常用于存放见光易分解的试剂
(1)不宜盛放易挥发物,盛碱性物质时还应改用软木塞或橡胶塞;
(2)盛放氧化性试剂时一定要用玻璃塞
用于收集、贮存少量气体或做固体的燃烧实验
上口为平面磨砂,内侧不是磨砂;如果在其中进行燃烧反应且有固体生成时,应在底部加少量水或细砂
(1)搅拌(固体溶解或液体蒸发时);
(2)引流(过滤或向容量瓶中注入溶液时);
(3)蘸取试液或黏附试纸
搅拌时不得碰击容器壁
加热仪器(热源)
(1)酒精量不超过其容积的,不能少于;
(2)用外焰加热,禁止用燃着的酒精灯去引燃另一盏酒精灯;
(3)用后用灯帽盖灭,不可用嘴吹灭
考法一 常见仪器的识别
【典例1】 (2021年1月浙江选考)蒸馏操作中需要用到的仪器是( )
A. B. C. D.
【解析】蒸馏过程中需要用到蒸馏烧瓶、温度计、酒精灯、冷凝管、牛角管、锥形瓶等仪器,分液漏斗、蒸发皿、容量瓶不用于蒸馏操作,故选A。
【答案】A
考法二 常见仪器的使用及注意事项
【典例2】下列有关仪器使用方法或实验操作正确的是( )
A.洗净的锥形瓶和容量瓶可以放进烘箱中烘干
B.酸式滴定管装标准溶液前,必须先用该溶液润洗
C.酸碱滴定实验中,用待滴定溶液润洗锥形瓶以减小实验误差
D.用量筒量取一定体积的浓H2SO4并向其中加水稀释成稀硫酸
解析 锥形瓶和容量瓶都是定量实验仪器,洗净后自然晾干,不能放进烘箱中烘干,A项错误;酸式滴定管用于准确量取溶液的体积,先用蒸馏水洗净后,再用待装溶液润洗2~3次,否则将导致待装溶液的浓度偏小,影响实验结果,B项正确;锥形瓶用蒸馏水洗涤后,直接加入待滴定溶液,若用待滴定溶液润洗,所含溶质的物质的量增大,消耗标准溶液的体积增大,测得实验结果偏高,C项错误;一是量筒不能作为稀释溶液的容器,二是稀释浓H2SO4时应将浓H2SO4慢慢注入水中并不断搅拌,D项错误。
【答案】B
考法三 实验仪器的选择
【典例3】(2020•天津卷)下列实验仪器或装置的选择正确的是( )
配制50.00mL0.1000mol.L-1Na2CO3溶液
除去Cl2中的HCl
蒸馏用冷凝管
盛装Na2SiO3溶液的试剂瓶
A
B
C
D
【解析】A项,配制50.00mL0.1000mol.L-1Na2CO3溶液需要用容量瓶,不能使用量筒配置溶液,故A错误;B项,除去氯气中的氯化氢气体使用饱和氯化钠溶液,可以吸收氯化氢气体,根据氯气在水中的反应:Cl2+H2OH++Cl-+HClO,饱和氯化钠溶液中的氯离子使氯气溶于水的平衡逆向移动,降低氯气在水中的溶解度,洗气瓶长进短出,利于除杂,故B正确;C项,蒸馏要使用直形冷凝管,不能使用球形冷凝管,故C错误;D项,硅酸钠溶液呈碱性,硅酸钠溶液是一种矿物胶,能将玻璃塞与试剂瓶的瓶口粘在一起,盛装Na2SiO3溶液的试剂瓶不能使用玻璃塞,应使用橡胶塞,故D错误。故选B。
【答案】B
考法四 仪器的组合与创新使用
【典例4】用如图装置(加热及夹持仪器已略去)进行的实验,不能达到相应实验目的的是( )
A.利用装置①可以验证Na2O2与水的反应是放热反应
B.装置②可用于收集H2、CO2、Cl2、HCl、NO2
C.利用装置③制取SO2,并验证其还原性
D.利用装置④验证KHCO3和K2CO3的热稳定性,X中应放的物质是K2CO3
解析 若右边烧杯中有气泡产生,则说明Na2O2与水的反应为放热反应,A项能达到实验目的;收集气体时若气体密度大于空气密度,则b口进a口出,若气体密度小于空气密度,则a口进b口出,B项能达到实验目的;大试管中Cu与浓硫酸反应生成SO2气体,若小试管中酸性KMnO4溶液褪色,则证明SO2具有还原性,C项能达到实验目的;X中应放的物质是KHCO3,D项不能达到实验目的。
【答案】D
化学计量仪器使用时的五个注意要点
1.滴定管的精确度为0.01 mL,滴定管的“零”刻度在滴定管的上部(但不在最上部),量取液体的体积时液面不一定要在“零”刻度,也可在“零”刻度以下。
2.量筒的精确度为0.1 mL,量筒没有“零”刻度。
3.托盘天平的精确度为0.1 g,托盘天平的“零”刻度在标尺的最左边,天平在使用时应先调“零”,使用后要回“零”。
4.温度计的规格不同,精确度也有所不同,温度计的零刻度在温度计的中下部。
5.容量瓶没有“零”刻度,只有一条刻度线,液面达到刻度线时,溶液的体积即为容量瓶的容量值。
3.(2020•浙江1月选考)萃取碘水中的碘并分液,需要用到的仪器是( )
A. B. C. D.
【答案】A
【解析】萃取碘水中的碘并分液,需要用到的仪器是分液漏斗;A项,该仪器为分液漏斗,故A正确;B项,该仪器为容量瓶,故B错误;C项,该仪器为直形冷凝管,故C错误;D项,该仪器为漏斗,故D错误;故选A。
2.(2020•浙江7月选考)固液分离操作中,需要用到的仪器是( )
A. B. C. D.
【答案】C
【解析】A项,该仪器是干燥管,不能用于固液分离,A不符合题意;B项,该仪器为蒸馏烧瓶,不能用于固液分离,B不符合题意;C项,该仪器为普通漏斗,常用于过滤以分离固液混合物,C符合题意;D.该仪器为牛角管,又叫接液管,连接在冷凝管的末端以收集蒸馏产生的蒸气所冷凝成的液体,不能用于固液分离,D不符合题意。故选C。
3.仅用下表提供的仪器(夹持仪器和试剂任选)不能达到相应实验目的的一组是( )
选项
实验目的
仪器
A
用溴水和CCl4除去NaBr溶液中少量NaI
烧杯、玻璃棒、胶头滴管、分液漏斗
B
配制100 mL 1.0 mol·L-1的NaOH溶液
药匙、天平、量筒、烧杯、玻璃棒、胶头滴管、100 mL的容量瓶
C
从食盐水中获得NaCl晶体
酒精灯、玻璃棒、坩埚、泥三角
D
用盐酸除去BaSO4中混有的少量BaCO3
漏斗、烧杯、玻璃棒、胶头滴管、滤纸
【答案】C
【解析】A项,用溴水和CCl4除去NaBr溶液中少量NaI,应该向用溴和NaI溶液反应,然后采用萃取、分液方法分离,所以需要的仪器是烧杯、玻璃棒、胶头滴管、分液漏斗,所以能实现实验目的,A正确;B项,根据配制一定物质的量浓度的溶液的步骤是计算、量取、稀释、移液、洗涤、定容、摇匀可知所需的仪器有药匙、天平、量筒、100mL容量瓶、烧杯、玻璃棒、胶头滴管,B正确;C项,从食盐水中获取食盐晶体应该采用蒸发结晶的方法,盛放泥三角的仪器是三脚架,所以缺少三脚架,并且用蒸发皿,而不能用坩埚,不能实现实验目的,C错误;D项,碳酸钡和稀盐酸反应生成可溶性的氯化钡,硫酸钡和稀盐酸不反应,然后采用过滤方法分离,最后洗涤、干燥即可,需要的仪器是漏斗,烧杯、玻璃棒、胶头滴管、滤纸,所以能实现实验目的,D正确。故选C。
4.(2020•北京卷)用下列仪器或装置(图中夹持略)进行相应实验,不能达到实验目的的是( )
A
B
C
D
配制一定物质的量浓度的氯化钠溶液
检验浓硫酸与铜反应产生的二氧化硫
检验溴乙烷消去产物中的乙烯
分离酒精和水
【答案】D
【解析】A.图示为配制一定量浓度溶液的转移操作,图示操作正确,故A 能达到实验目的;B.浓硫酸和铜在加入条件下反应生成二氧化硫,二氧化硫具有漂白性,通入到品红溶液中,若品红褪色,则证明生成二氧化硫,二氧化硫气体是大气污染物,不能排放到空气中,试管口用浸有氢氧化钠溶液的棉花团吸收二氧化硫,图示正确,故B能达到实验目的;C.溴乙烷在氢氧化钠醇溶液加热作用下发生消去反应生成乙烯,由于乙醇易挥发,制得的乙烯中含有乙醇蒸汽,先通过水,使乙醇溶于水,在将气体通入酸性高锰酸钾溶液中,若酸性高锰酸钾溶液褪色,则可以证明反应中产生乙烯,故C能达到实验目的;D.乙醇和水任意比互溶,分液操作无法分离,故D不能达到实验目的;故选D。
核心考点二 化学基本操作和实验安全
1.药品取用
(1)根据药品的形状和用量选择取用方法
(2)图示向仪器中加入药品的操作方法
①向容器内加固体药品
②向容器内加液体药品
2.常见试纸的使用
(1)试纸的类型和使用范围:
(2)试纸的使用方法:
①检验液体:取一小块试纸放在表面皿或玻璃片上,用洁净玻璃棒蘸取待测液点在试纸的中部,观察试纸颜色的变化。
②检验气体:一般先将试纸用蒸馏水湿润,粘在玻璃棒的一端,并使其接近出气口,观察颜色的变化。
3.物质的溶解
(1)固体的溶解
常用仪器:烧杯、试管、玻璃棒等。
促溶方法:加热、研细、搅拌或振荡等。
(2)气体物质的溶解或吸收
①溶解度不大的气体,如CO2、Cl2、H2S等,用如图a所示装置;
②极易溶于水的气体,如NH3、HCl等,用如图b所示装置。
(3)液体物质的溶解(稀释):一般把密度较大的液体加入到密度较小的液体中,如浓硫酸的稀释、浓硫酸与浓硝酸的混合。
4.仪器的洗涤
(1)方法:使用毛刷,用去污剂和水冲洗。
(2)洗净的标准:玻璃仪器内壁附着均匀的水膜,既不聚成滴,也不成股流下。
(3)常见残留物的洗涤
残留物
洗涤剂
容器里附有的油污
NaOH溶液或热的纯碱溶液
容器壁上附着的硫
CS2或热的NaOH溶液
试管上的银镜
稀HNO3
AgCl
氨水
容器内残留的MnO2
热的浓盐酸
5.仪器的安装、连接
(1)安装顺序:一般从热源开始,按先下后上、从左到右的顺序。
(2)连接顺序:洗气时,“长进短出”,如图a;量气装置“短进长出”,如图b;干燥管除杂时“大进小出”,如图c。
6.特殊试剂的存放
保存依据
保存方法
典型实例
防氧化
(1)密封或用后立即盖好
(2)加入还原剂
(3)隔绝空气
(1)Na2SO3、Na2S、KI溶液等用后立即盖好
(2)FeSO4溶液中加少量铁屑
(3)K、Na保存在煤油里,白磷保存在水里,Li保存在石蜡里
防潮解(或防与水反应)
密封保存
NaOH、CaCl2、CuSO4、CaC2、P2O5等固体,浓硫酸等密封保存
防与CO2反应
密封保存,减少露置时间
NaOH、Na2CO3溶液、石灰水、Na2O2固体等密封保存
防挥发
(1)密封,置于阴凉处
(2)液封
(1)浓盐酸、浓氨水等密封置于阴凉处
(2)液溴用水封
防燃烧
置于冷暗处,不与氧化剂混合贮存,严禁火种
苯、汽油、酒精等
防分解
保存在棕色瓶中,置于冷暗处
浓硝酸、KMnO4溶液、AgNO3溶液、氯水等
防水解
加入酸(碱)抑制水解
FeCl3溶液中加稀盐酸
防腐蚀
(1)能腐蚀橡胶的物质用玻璃塞或塑料盖
(2)能腐蚀玻璃的物质用塑料容器
(1)浓硝酸、KMnO4溶液、氯水、溴水等腐蚀橡胶;汽油、苯、CCl4等能使橡胶溶胀
(2)氢氟酸保存在塑料瓶中
防黏结
碱性溶液用橡胶塞
NaOH、Na2CO3、Na2SiO3溶液等
防变质
现用现配
银氨溶液等
7.常见危险品的标识
8.常见意外事故的处理
意外事故
处理方法
碱洒在皮肤上
用大量水冲洗,最后涂上稀硼酸溶液
少量浓H2SO4洒在皮肤上
先用干布拭去,再用大量水冲洗,最后涂上稀NaHCO3溶液
苯酚、液溴洒在皮肤上
用酒精洗涤
水银洒在桌面上
用硫粉覆盖
酸液(或碱液)溅到眼中
用大量水冲洗,边洗边眨眼睛
酒精等有机物在实验台上着火
用湿抹布盖灭
误食重金属盐
服用大量牛奶、蛋清或豆浆
金属Na、K等着火
用沙土覆灭,不能用泡沫灭火器和干粉灭火器扑灭
4.常见实验安全装置
(1)防倒吸装置。
(2)防堵塞安全装置。
(3)防污染安全装置。
①实验室制取Cl2时,尾气的处理可采用b装置。
②制取CO时,尾气处理可采用a、c装置。
③制取H2时,是否需尾气处理? 需要。若需要可采取a、c装置。
考法一 化学实验基本操作
【典例1】(2020•浙江7月选考)下列有关实验说法不正确的是( )
A.萃取Br2时,向盛有溴水的分液漏斗中加入CCl4,振荡、静置分层后,打开旋塞,先将水层放出
B.做焰色反应前,铂丝用稀盐酸清洗并灼烧至火焰呈无色
C.乙醇、苯等有机溶剂易被引燃,使用时须远离明火,用毕立即塞紧瓶塞
D.可用AgNO3溶液和稀HNO3区分NaCl、NaNO2和NaNO3
【解析】A项,CCl4的密度比水的密度大,故萃取Br2时,向盛有溴水的分液漏斗中加入CCl4,振荡、静置分层,打开旋塞,先将CCl4层放出,A操作错误;B项,做焰色反应前,先将铂丝用稀盐酸清洗并灼烧至无色的目的是排除铂丝上粘有其它金属元素,对待检测金属元素的干扰,B操作正确;C项,乙醇、苯等有机溶剂属于易燃物品,故使用时必须远离明火和热源,用毕立即塞紧瓶塞,防止失火,C操作正确;D项,氯化银、亚硝酸银都是难溶于水的白色固体,所以硝酸银滴入氯化钠溶液和亚硝酸钠溶液中都有白色沉淀生成,但是氯化银不溶于稀硝酸,而亚硝酸银溶于稀硝酸;硝酸银溶液滴入硝酸钠溶液中没有明显现象,故D操作正确。故选A。
【答案】A
考法二 化学实验操作目的
【典例2】下列实验操作正确且能达到相应实验目的的是( )
实验目的
实验操作
A
称取2.0 g NaOH固体
先在托盘上各放1张滤纸,然后在右盘上添加2 g砝码,左盘上添加NaOH固体
B
配制FeCl3溶液
将FeCl3固体溶于适量蒸馏水
C
检验溶液中是否含NH
取少量试液于试管中,加入NaOH溶液并加热,用湿润的红色石蕊试纸检验产生的气体
D
验证铁的吸氧腐蚀
将铁钉放入试管中,用盐酸浸没
【解析】A项,由于NaOH易吸潮、具有腐蚀性,不能直接在滤纸片上称量,而应该用小烧杯称量,错误;B项,FeCl3属于强酸弱碱盐,易发生水解反应,为抑制FeCl3水解,配制FeCl3溶液时应将FeCl3固体溶解于适量浓盐酸中,然后再加水稀释至所需浓度,错误;C项,将少量试液与NaOH溶液混合并加热,若能产生使湿润的红色石蕊试纸变蓝的气体,该气体一定为氨气,则原溶液中含NH,否则不含有,正确;D项,铁在碱性、中性或弱酸性条件下发生吸氧腐蚀,在酸性较强的条件下发生析氢腐蚀,故应将铁钉放入试管中,用食盐水部分浸没来验证铁的吸氧腐蚀,错误。
【答案】C
考法三 化学试剂的存放
【典例3】实验室保存下列试剂,其中保存方法和理由描述都正确的是( )
选项
试剂
保存方法
理由
A
钠
保存在煤油中
防止与空气中水、氧气接触发生反应
B
液溴
密封保存在细口瓶中
防止升华
C
浓硝酸
密封保存在铁质容器中
避免见光分解
D
烧碱
存放在带有磨口玻璃塞的广口瓶中
防止与空气中氧气接触被氧化
【解析】B项,液溴为防止挥发,放在棕色细口瓶中,错误;C项,浓硝酸放在棕色细口瓶中,错误;D项,烧碱放在橡皮塞的试剂瓶中,错误。
【答案】A
考法四 化学实验操作安全
【典例4】对下列事故或药品的处理正确的是( )
A.取用一小块钠后,剩余的钠放到垃圾桶里
B.燃着的酒精灯被打翻,引起失火,应立即用水浇灭
C.少量浓硫酸沾在皮肤上,应立即用氢氧化钠溶液冲洗
D.有大量的氯气泄漏时,应用肥皂水浸湿的软布捂住鼻孔,并迅速离开现场
【解析】未用完的金属钠应放回原试剂瓶中,A项错误;燃着的酒精灯被打翻,引起失火,应用湿抹布盖灭,B项错误;少量浓硫酸沾在皮肤上,应先用干布拭去,再用大量水冲洗,再涂上3%~5%的碳酸氢钠溶液,C项错误。
【答案】D
五大基本操作
(1)沉淀剂是否过量的判断方法
静置,取上层清液适量于另一洁净试管中,向其中加入少量与沉淀剂作用产生沉淀的试剂,若产生沉淀,证明沉淀剂已过量,否则沉淀剂不过量。
(2)洗涤沉淀操作
把蒸馏水沿着玻璃棒注入到过滤器中至浸没沉淀,静置,使蒸馏水滤出,重复2~3次即可。
(3)判断沉淀是否洗净的操作
取最后一次洗涤液,滴加……(试剂),若没有……现象,证明沉淀已经洗净。
(4)装置气密性检查
①简易装置:将导气管一端放入水中(液封气体),用手捂热试管,观察现象:若导管口有气泡冒出,冷却到室温后,导管口有一段稳定的水柱,表明装置气密性良好。
②有长颈漏斗的装置如图:用止水夹关闭烧瓶右侧的导气管,向长颈漏斗中加入适量水,漏斗中会形成一段液柱,停止加水,过一段时间后,若长颈漏斗中的液柱无变化,则装置气密性良好。
(5)从某物质稀溶液中结晶的实验操作
①溶解度受温度影响较小的:蒸发→结晶→过滤。
②溶解度受温度影响较大或带结晶水的:蒸发浓缩→冷却结晶→过滤。
1.(2020·山东新高考卷)实验室中下列做法错误的是( )
A.用冷水贮存白磷 B.用浓硫酸干燥二氧化硫
C.用酒精灯直接加热蒸发皿 D.用二氧化碳灭火器扑灭金属钾的燃烧
【答案】D
【解析】A项,白磷着火点低,易自然,且密度比水大,常保存在冷水中,A正确;B项,浓硫酸有吸水性且不与SO2反应,可用浓硫酸干燥SO2,B正确;C项,蒸发皿可直接加热,蒸发操作时,用酒精灯直接加热蒸发皿,C正确;D项,K燃烧有K2O2、KO2生成,K2O2、KO2和CO2反应产生O2助燃,所以不能用CO2灭火器扑灭金属钾的燃烧,D错误。故选D。
2.(2021年1月浙江选考)下列说法不正确的是( )
A.用纸层析法分离Fe3+和Cu2+,将滤纸上的试样点完全浸入展开剂可提高分离效果
B.将CoCl2·6H2O晶体溶于95%乙醇,加水稀释,溶液颜色由蓝色逐渐转变为粉红色
C.乙酰水杨酸粗产品中加入足量碳酸氢钠溶液,充分反应后过滤,可除去聚合物杂质
D.某些强氧化剂(如:氯酸钾、高锰酸钾)及其混合物不能研磨,否则可能引起爆炸
【答案】A
【解析】A项,用纸层析法分离Fe3+和Cu2+时,滤纸上的试样点不能浸入展开剂中,试样点浸入展开剂会溶解在展开剂中无法分离,A错误;B项,CoCl2在水溶液中存在平衡[Co(H2O)6]2+(粉红色)+4Cl-[CoCl4]2-(蓝色)+6H2O,95%乙醇中水很少,CoCl2·6H2O晶体溶于95%乙醇得到的溶液中主要含[CoCl4]2-,溶液呈蓝色,加水稀释,平衡逆向移动,得到主要含[Co(H2O)6]2+的粉红色溶液,B正确;C项,用水杨酸与乙酸酐反应制备乙酰水杨酸(乙酰水杨酸的结构简式为)、同时生成副产物聚水杨酸,乙酰水杨酸的结构中含羧基和酯基,向其粗产品中加入足量NaHCO3溶液,乙酰水杨酸转化成可溶于水的乙酰水杨酸钠,聚水杨酸难溶于水,过滤后可除去聚合物杂质,向过滤后的滤液中加入盐酸可将乙酰水杨酸钠转化为乙酰水杨酸,C正确;D项,KClO3、KMnO4等强氧化剂及其混合物研磨时会发生反应产生气体引起爆炸,D正确;故选A。
3.(2020•浙江1月选考)下列有关实验说法,不正确的是( )
A.碱液不慎溅到手上,先用大量水冲洗,再用饱和硼酸溶液洗,最后用水冲洗
B.KCl和MnO2的混合物经溶解、过滤、洗涤、干燥,可分离出MnO2
C.用容量瓶配制溶液,定容时若加水超过刻度线,立即用滴管吸出多余液体
D.火柴头的浸泡液中滴加AgNO3溶液、稀HNO3和NaNO2溶液,可检验火柴头是否含有氯元素
【答案】C
【解析】A项,若皮肤不慎沾上少量碱液,应先用大量水冲洗,再用2%醋酸溶液或饱和硼酸溶液洗,避免皮肤受损,故A正确;B项,二氧化锰不溶于水,氯化钾可溶于水,所以混合物经溶解、过滤,洗涤、干燥,可分离出MnO2,故B正确;C项,滴管吸出的液体中含有溶质,因此会导致所配溶液浓度偏小,正确操作应该是重新配制,故C错误;D项,火柴头中含有KClO3,检验氯元素,应把ClO3-还原为4Cl-,酸性条件下,NO2-具有还原性,向少量的火柴头浸泡液中滴加AgNO3、稀HNO3和NaNO2,发生的离子反应为:ClO3-+3NO2-+Ag+═AgCl↓+3NO3-,出现白色沉淀,证明含有氯元素,故D正确;故选C。
4.(2019•天津卷)下列实验操作或装置能达到目的的是( )
A
B
C
D
混合浓硫酸和乙醇
配制一定浓度的溶液
收集NO2气体
证明乙炔可使溴水褪色
【答案】B
【解析】A、乙醇的密度小于浓硫酸,混合时应将浓硫酸沿烧杯壁倒入乙醇中,边倒边搅拌,故A错误;B、容量瓶上的刻度与凹液面的最低处相切,胶头滴管垂直位于容量瓶的正上方,故B正确;C、二氧化氮的密度大于空气,集气瓶中的导气管就长进短出,故C错误;D、乙炔中的H2S等杂质也能使溴水褪色,应先通过一个盛碱的洗气瓶,将杂质除去,故D错误;故选B。
5.利用下列装置和操作不能达到实验目的的是( )
A.从含碘CCl4溶液中提取碘和回收CCl4溶剂
B.萃取操作过程中的放气
C.定量测定化学反应速率
D.比较KMnO4、Cl2、S的氧化性
【答案】C
【解析】I2和CCl4互溶但沸点差距较大,所以可以根据两者沸点的差别进行蒸馏来分离,A项正确;振荡过程中产生大量气泡,增加了分液漏斗内的压强,所以为了防止活塞被顶出,要中途放气,B项正确;要用分液漏斗,气体会从长颈漏斗管口逸出,缺少秒表,C项错误;高锰酸钾能氧化浓盐酸生成氯气,反应中高锰酸钾作氧化剂,氧化产物是氯气,所以高锰酸钾的氧化性大于氯气;氯气和硫离子反应生成硫单质,氯气是氧化剂,硫是氧化产物,所以氯气的氧化性大于硫,由此得出高锰酸钾的氧化性大于氯气,氯气的氧化性大于硫,D项正确。
6.下列实验操作规范且能达到目的的是( )
目的
操作
A.
取20.00 mL盐酸
在50 mL酸式滴定管中装入盐酸,调整初始读数为30.00 mL后,将剩余盐酸放入锥形瓶
B.
清洗碘升华实验所用试管
先用酒精清洗,再用水清洗
C.
测定醋酸钠溶液pH
用玻璃棒蘸取溶液,点在湿润的pH试纸上
D.
配制浓度为0.010 mol·L-1的KMnO4溶液
称取KMnO4固体0.158 g,放入100 mL容量瓶中,加水溶解并稀释至刻度
【答案】B
【解析】A项,滴定管最大刻度至尖嘴部分液体不在刻度内,若把30 mL刻度处的液体全部放出,其放出液体体积大于20 mL,错误;B项,碘易溶于酒精,故可用酒精清洗碘升华实验所用的试管,正确;C项,pH试纸测定溶液pH时不能用水润湿,否则溶液被稀释,导致测定结果不准确,错误;D项,配制一定体积一定物质的量浓度溶液时,应在烧杯中溶解固体,不能直接把固体放在容量瓶中溶解,错误。
7.实验室中不同的试剂有不同的保存方法,下列保存方法中不正确的是( )
A.保存硫酸亚铁溶液需加入铁钉和少量硫酸
B.金属钠保存在装有煤油的玻璃塞广口瓶中
C.溴化银固体保存在棕色玻璃塞广口瓶中
D.保存浓硝酸需用带橡胶塞的棕色细口瓶
【答案】D
【解析】硫酸亚铁易被空气中的氧气氧化成Fe2(SO4)3。加入铁钉后可防止FeSO4被氧化,同时FeSO4在水中存在水解平衡FeSO4+2H2OFe(OH)2+H2SO4,加入少量H2SO4,可抑制FeSO4的水解,A项正确;Na易与空气中的O2及水蒸气反应,保存在煤油中可隔绝空气,B项正确;AgBr见光易分解,应保存在棕色广口瓶中,C项正确;浓硝酸具有强氧化性,保存时不能使用橡胶塞,D项错误。
核心考点三 物质的分离、提纯
1.分离、提纯的含义
2.混合物分离、提纯常用物理方法
(1)图①装置名称:过滤
适用范围:固液分离
(2)图②装置名称:蒸发结晶
适用范围:固液分离(固体溶于液体)
注意事项
(3)图③装置名称:分液
适用范围
注意事项
(4)图④装置名称:蒸馏
适用范围:分离沸点相差较大的液体混合物
注意事项
(5)图⑤装置名称:升华
适用范围:某种组分易升华的混合物,利用物质升华的性质在加热条件下分离的方法。
考法一 物质的提纯
【典例1】(2020•新课标Ⅰ卷)下列气体去除杂质的方法中,不能实现目的的是( )
气体(杂质)
方法
A
SO2(H2S)
通过酸性高锰酸钾溶液
B
Cl2(HCl)
通过饱和的食盐水
C
N2(O2)
通过灼热的铜丝网
D
NO(NO2)
通过氢氧化钠溶液
【解析】A项,SO2和H2S都具有较强的还原性,都可以被酸性高锰酸钾溶液氧化;因此在用酸性高锰酸钾溶液除杂质H2S时,SO2也会被吸收,故A项不能实现除杂目的;B项,氯气中混有少量的氯化氢气体,可以用饱和食盐水除去;饱和食盐水在吸收氯化氢气体的同时,也会抑制氯气在水中的溶解,故B项能实现除杂目的;C项,氮气中混有少量氧气,在通过灼热的铜丝网时,氧气可以与之发生反应:2Cu+O22CuO,而铜与氮气无法反应,因此可以采取这种方式除去杂质氧气,故C项能实现除杂目的;D项,NO2可以与NaOH发生反应:2NO2+2NaOH= NaNO3+NaNO2+H2O,NO与NaOH溶液不能发生反应;尽管NO可以与NO2一同跟NaOH发生反应:NO+NO2+2NaOH= 2NaNO2+H2O,但由于杂质的含量一般较少,所以也不会对NO的量产生较大的影响,故D项能实现除杂的目的;故选A。
【答案】A
【典例2】(2019• 北京卷)下列除杂试剂选用正确且除杂过程不涉及氧化还原反应的是( )
物质(括号内为杂质)
除杂试剂
A
FeCl2溶液(FeCl3)
Fe粉
B
NaCl溶液(MgCl2)
NaOH溶液、稀HCl
C
Cl2(HCl)
H2O、浓H2SO4
D
NO(NO2)
H2O、无水CaCl2
【解析】A.FeCl3与Fe反应生成FeCl2,2FeCl3+Fe=2FeCl2,此过程中Fe的化合价发生变化,涉及到了氧化还原法应,故A不符合题意;B.MgCl2与NaOH溶液发生复分解反应MgCl2+2NaOH=Mg(OH)2 +2NaCl,过量的NaOH溶液可用HCl除去HCl+NaOH=NaCl+H2O ,此过程中没有元素化合价发生变化,未涉及氧化还原反应,故B符合题意;C.部分氯气与H2O 发生反应生成氯化氢和次氯酸,反应过程中氯元素化合价变化,涉及到了氧化还原法应,故C不符合题意;D.NO2 与水反应生成硝酸和NO。反应过程中氮元素化合价发生变化,涉及到了氧化还原法应,故D不符合题意;故选B。
【答案】B
考法二 物质的分离
【典例3】下列有关物质的分离说法正确的是( )
A.可用加热法分离NH4Cl(s)和I2(s)
B.碘水中加CCl4振荡静置后,上层为紫色,下层几乎为无色
C.工业上制无水酒精通常是将生石灰与95%酒精混合后蒸馏
D.蒸馏、分馏和干馏都是利用组分沸点不同而分离的方法
【解析】A项,加热时,NH4Cl(s)分解生成NH3和HCl气体,I2(s)升华为I2(g),无法分离;B项,CCl4密度大于水,下层为紫色,上层几乎为无色,错误;C项,CaO和水反应生成Ca(OH)2,蒸馏时乙醇变为蒸气逸出,正确;D项,干馏是化学变化,错误。
【答案】C
【典例4】(2020•山东卷)实验室分离Fe3+和Al3+的流程如下:
知Fe3+在浓盐酸中生成黄色配离子(FeCl4),该配离子在乙醚(Et2O,沸点34.6℃)中生成缔合物 。下列说法错误的是( )
A.萃取振荡时,分液漏斗下口应倾斜向下
B.分液时,应先将下层液体由分液漏斗下口放出
C.分液后水相为无色,说明已达到分离目的
D.蒸馏时选用直形冷凝管
【解析】A项,萃取振荡时,分液漏斗下口应倾斜向上,A错误;B项,分液时,密度大的液体在下层,密度小的液体在上层,下层液体由分液漏斗下口放出,下层液体放完后,密度小的上层液体从分液漏斗上口倒出,B正确;C项,Fe3+在浓盐酸中生成黄色配离子,该离子在乙醚中生成缔合物,乙醚与水不互溶,故分液后水相为无色,则水相中不再含有Fe3+,说明已经达到分离目的,C正确;D项,蒸馏时选用直形冷凝管,能使馏分全部转移到锥形瓶中,而不会残留在冷凝管中,D正确;故选A。
【答案】A
考法三 物质的分离提纯的综合运用
【典例5】用下列实验装置进行有关实验,能达到实验目的的是( )
A.用装置甲制取少量SO2
B.用装置乙蒸发FeCl3溶液制取FeCl3晶体
C.用装置丙分离CH3COOH和CH3COOCH2CH3的混合液
D.用装置丁除去Cl2中混有的少量HCl气体
【解析】A项,Cu与浓H2SO4反应,需要加热,错误;B项,Fe3+会水解,生成HCl挥发,再经蒸干得Fe(OH)3,不可以直接蒸发FeCl3溶液,错误;C项,CH3COOH和CH3COOCH2CH3互溶,不可以用分液法分离,应用蒸馏法,错误;D项,HCl极易溶于水,而Cl2在饱和NaCl溶液中的溶解度小,正确。
【答案】D
【典例6】超临界状态下的CO2流体溶解性与有机溶剂相似,可提取中药材的有效成分,工艺流程如下。
下列说法中错误的是( )
A.浸泡时加入乙醇有利于中草药有效成分的浸出
B.高温条件下更有利于超临界CO2流体萃取
C.升温、减压的目的是实现CO2与产品分离
D.超临界CO2流体萃取中药材具有无溶剂残留、绿色环保等优点
【解析】高温条件下,二氧化碳为气态,而萃取是利用超临界状态下的CO2流体,故高温条件下不利于超临界CO2流体萃取,B项错误。
【答案】B
物质分离提纯的化学方法
方法
原理
举例
洗气法
将气体混合物通过洗气装置而除去杂质气体
让混合气体通过盛有饱和食盐水的洗气瓶除去Cl2中的少量HCl
沉淀法
将杂质离子转化为沉淀
Cl-、SO、CO及能形成弱碱的金属阳离子
气化法
将杂质离子转化为气体
CO、HCO、SO、HSO、NH等
热分解法
用加热法除去固体混合物中易分解的物质
除去NaCl中的NH4Cl
酸碱溶解法
利用酸或碱将杂质溶解除去
用盐酸除去SiO2中的CaCO3
氧化还原法
利用氧化还原反应除去杂质
用酸性KMnO4溶液除去CO2中SO2
水解法
利用水解反应除去杂质
可用CuO、Cu(OH)2等除去CuCl2溶液中的FeCl3
电解法
利用电解原理分离和提纯物质
电解精炼铜,将含杂质的粗铜作阳极、精铜作阴极,电解液为含铜离子的溶液
1.(2020•山东卷)下列操作不能达到实验目的的是( )
目的
操作
A
除去苯中少量的苯酚
加入适量NaOH溶液,振荡、静置、分液
B
证明酸性:碳酸>苯酚
将盐酸与NaHCO3混合产生的气体直接通入苯酚钠溶液
C
除去碱式滴定管胶管内的气泡
将尖嘴垂直向下,挤压胶管内玻璃球将气泡排出
D
配制用于检验醛基的氢氧化铜悬浊液
向试管中加入2mL10%NaOH溶液,再滴加数滴2%CuSO4溶液,振荡
【答案】BC
【解析】A项,苯酚可与氢氧化钠溶液反应生成可溶于水的苯酚钠,最后与苯混合后互不相溶,分层,该操作能达到实验目的,故A正确;B项,盐酸易挥发,若将盐酸与碳酸氢钠溶液混合产生的气体直接通入苯酚钠,可能挥发的HCl会与苯酚钠反应生成常温下难溶于水的苯酚,不能证明是二氧化碳与其发生的反应,达不到实验目的,应该先除去二氧化碳中可能挥发的HCl再进行实验操作,故B错误;C项,除去碱式滴定管胶管内气泡时,尖嘴不应该垂直向下,应向上挤压橡胶管,利用空气排出,该实验操作达不到实验目的,故C错误;D项,为检验醛基,配制氢氧化铜悬浊液时,碱需过量,保证醛基是在碱性条件下发生反应,该操作可达到实验目的,故D正确;故选BC。
2.海带、紫菜等藻类植物中含有丰富的碘元素。下图是以海带为原料提取碘单质的部分装置,不能达到实验目的的是( )
A.用装置甲灼烧碎海带 B.用装置乙过滤海带灰的浸泡液
C.用装置丙萃取分离混合液中的I2 D.用装置丁分离提纯I2
【答案】A
【解析】A项,灼烧碎海带应在坩埚中加热灼烧成灰,符合题意,A正确;B项,用过滤的方法分离海带灰和溶液,则用装置乙过滤海带灰的浸泡液,与题意不符,B错误;C项,用萃取的方法,富集单质碘,则用装置丙萃取分离混合液中的I2,与题意不符,C错误;D项, 碘和四氯化碳的沸点不同,则用装置丁分离提纯I2,与题意不符,D错误;故选A。
3.(2019•江苏卷)下列实验操作能达到实验目的的是( )
A.用经水湿润的pH试纸测量溶液的pH
B.将4.0 g NaOH固体置于100 mL容量瓶中,加水至刻度,配制1.000 mol·L−1NaOH溶液
C.用装置甲蒸干AlCl3溶液制无水AlCl3固体
D.用装置乙除去实验室所制乙烯中的少量SO2
【答案】D
【解析】A.用水润湿的PH试纸测量溶液的PH会出现人为误差,实验数据不准,故A项错误;B.将氢氧化钠直接置于容量瓶中,加水后氢氧化钠溶于水会放热引起实验误差或炸裂容量瓶,故B选项错误;C.用甲装置蒸干氯化铝溶液所得的产物因氯离子会发生水解,加热后水解程度增大,蒸发所得的产物为氢氧化铝固体,故C错误。
4.下列有关实验装置进行的相应实验,能达到实验目的的是( )
A.利用图1装置可从氯化铵溶液中直接蒸发结晶获得氯化铵晶体
B.利用图2装置可分离石油,得到汽油、煤油和柴油等各种馏分
C.利用图3装置可分离CH3CH2OH和CH3COOC2H5混合液
D.利用图4装置可进行酸碱中和滴定
【答案】D
【解析】A项,由于氯化铵水解生成NH3·H2O和氯化氢,加热氨水、氯化氢挥发,最终得不到固体,错误;B项,蒸馏装置中温度计水银球应放在蒸馏烧瓶支管口附近,错误;C项,乙醇与乙酸乙酯互溶无法分液,错误。
5.下列有关除杂的实验操作不合理的是( )
A.除去酸性MgCl2溶液中少量的FeCl3:加入足量的Mg(OH)2并过滤
B.除去NaCl溶液中少量的Na2S:加入AgCl后再过滤
C.除去石英中的少量碳酸钙:用稀盐酸溶解后过滤
D.除去氯化钠固体中的少量纯碱:加入足量氯化钙,过滤、蒸发、结晶
【答案】D
【解析】Mg(OH)2和H+反应促进Fe3+水解形成Fe(OH)3沉淀,通过过滤即可除去Fe(OH)3,A项正确;Na2S和AgCl反应生成Ag2S沉淀和NaCl,过滤除去Ag2S和剩余的AgCl,即可除去NaCl溶液中的Na2S,B项正确;碳酸钙能够溶解于稀盐酸生成可溶的CaCl2,通过过滤可得到纯净的石英,C项正确;能除去杂质纯碱,但又引入了新的杂质CaCl2,D项错误。
6.下表中除去物质中杂质选用的试剂或操作方法正确的一组是( )
序号
物质
杂质
除去杂质选用的试剂或操作方法
①
KNO3溶液
KOH
加入适量FeCl3溶液,并过滤
②
FeSO4溶液
CuSO4
加入过量铁粉,并过滤
③
H2
CO2
通过盛有足量NaOH溶液的洗气瓶,再通过盛有浓硫酸的洗气瓶
④
NaNO3
CaCO3
溶解、过滤、蒸发
A.①②③ B.①③④ C.②③④ D.①②④
【答案】C
【解析】加入氯化铁会引入杂质Cl-。故①不正确;加入铁粉置换出铜,通过过滤除去铜及过量的铁粉,故②正确;利用氢氧化钠溶液吸收二氧化碳气体,再用浓硫酸干燥氢气,故③正确;碳酸钙不溶于水,溶解后过滤,再蒸发即可得到纯净的NaNO3,故④正确。故选C。
7.(2020•山东卷)以菱镁矿(主要成分为MgCO3,含少量SiO2,Fe2O3和A12O3)为原料制备高纯镁砂的工艺流程如下:
已知浸出时产生的废渣中有SO2,Fe(OH)3和Al(OH)3。下列说法错误的是( )
A.浸出镁的反应为MgO+2NH4Cl=MgCl2+2NH3↑+H2O
B.浸出和沉镁的操作均应在较高温度下进行
C.流程中可循环使用的物质有NH3、NH4Cl
D.分离Mg2+与Al3+、Fe3+是利用了它们氢氧化物Ksp的不同
【答案】B
【解析】菱镁矿煅烧后得到轻烧粉,MgCO3转化为MgO,加入氯化铵溶液浸取,浸出的废渣有SiO2、Fe(OH)3、Al(OH)3,同时产生氨气,则此时浸出液中主要含有Mg2+,加入氨水得到Mg(OH)2沉淀,煅烧得到高纯镁砂。A项,高温煅烧后Mg元素主要以MgO的形式存在,MgO可以与铵根水解产生的氢离子反应,促进铵根的水解,所以得到氯化镁、氨气和水,化学方程式为MgO+2NH4Cl=MgCl2+2NH3↑+H2O,故A正确;B项,一水合氨受热易分解,沉镁时在较高温度下进行会造成一水合氨大量分解,挥发出氨气,降低利用率,故B错误;C项,浸出过程产生的氨气可以回收制备氨水,沉镁时氯化镁与氨水反应生成的氯化铵又可以利用到浸出过程中,故C正确;D项,Fe(OH)3、Al(OH)3的Ksp远小于Mg(OH)2的Ksp,所以当pH达到一定值时Fe3+、Al3+产生沉淀,而Mg2+不沉淀,从而将其分离,故D正确;故选B。
核心考点四 物质的制备
1.制备一种物质的一般过程
2.重要物质的制备实验方案的设计过程
3.无机物的制备解题策略
4.制备过程中反应条件的控制和对应设问的解答
看方法
想目的
调节溶液的pH
常用于使某些金属离子形成氢氧化物沉淀
控制温度
根据需要升温或降温,改变反应速率或使平衡向需要的方向移动
控制压强
改变速率,影响平衡
使用合适的催化剂
改变反应速率,控制达到平衡所需要的时间
趁热过滤
防止某物质降温时析出
冰水洗涤
洗去晶体表面的杂质离子,并减少晶体在洗涤过程中的溶解损耗
控制溶液的pH
①调节溶液的酸碱性,使某些金属离子形成氢氧化物沉淀析出(或抑制水解)
②“酸作用”还可除去氧化物(膜)
③“碱作用”还可除去油污,除去铝片氧化膜,溶解铝、二氧化硅等
④特定的氧化还原反应需要的酸性条件(或碱性条件)
加过量试剂
使反应完全进行(或增大其它反应物转化率、产率)等
加氧化剂
氧化某物质,生成目标产物或除去某些离子
控制温度(常用水浴、冰浴或油浴)
①防止副反应的发生
②使化学平衡移动;控制化学反应的方向
③控制固体的溶解与结晶
④控制反应速率;使催化剂达到最大活性
⑤升温:促进溶液中的气体逸出,使某物质达到沸点挥发
⑥加热煮沸:促进水解,聚沉后利于过滤分离
⑦趁热过滤:减少因降温而析出的溶质的量
⑧降温:防止物质高温分解或挥发;降温(或减压)可以减少能源成本,降低对设备的要求
提高原子利用率
绿色化学(物质的循环利用、废物处理、原子利用率、能量的充分利用)
在空气中或在其他气体中进行的反应或操作
要考虑O2、H2O、CO2或其他气体是否参与反应或能否达到隔绝空气,防氧化、水解、潮解等目的
考法1 装置的选择
【典例1】(2020•江苏卷)实验室以CaCO3为原料,制备CO2并获得CaCl2﹒6H2O晶体。下列图示装置和原理不能达到实验目的的是( )
A.制备CO2 B.收集CO2
C.滤去CaCO3 D.制得CaCl2﹒6H2O
【解析】A项,碳酸钙盛放在锥形瓶中,盐酸盛放在分液漏斗中,打开分液漏斗活塞,盐酸与碳酸钙反应生成氯化钙、二氧化碳和水,故A正确;B项,二氧化碳密度比空气大,用向上排空气法收集二氧化碳气体,故B正确;C项,加入的盐酸与碳酸钙反应后,部分碳酸钙未反应完,碳酸钙是难溶物,因此用过滤的方法分离,故C正确;D项,CaCl2∙6H2O易失去结晶水,因此不能通过加热蒸发皿得到,可由氯化钙的热饱和溶液冷却结晶析出六水氯化钙结晶物,故D错误。故选D。
【答案】D
考法2 气体的制备
【典例2】(2020•新课标Ⅲ卷)喷泉实验装置如图所示。应用下列各组气体—溶液,能出现喷泉现象的是( )
气体
溶液
A.
H2S
稀盐酸
B.
HCl
稀氨水
C.
NO
稀H2SO4
D.
CO2
饱和NaHCO3溶液
【解析】能够发生喷泉实验,需要烧瓶内外产生明显的压强差;产生压强差可以通过气体溶于水的方法,也可以通过发生反应消耗气体产生压强差。A项,由于硫化氢气体和盐酸不发生反应且硫化氢在水中的溶解度较小,烧瓶内外压强差变化不大,不会出现喷泉现象,A错误;B项,氯化氢可以和稀氨水中的一水合氨发生反应,使烧瓶内外产生较大压强差,能够出现喷泉实验,B正确;C项,一氧化氮不与硫酸发生反应且不溶于水,烧瓶内外不会产生压强差,不能发生喷泉现象,C错误;D项,二氧化碳不会溶于饱和碳酸氢钠溶液中,烧瓶内外不会产生压强差,不能发生喷泉实验,D错误;故选B。
【答案】B
考法3 操作和现象的分析
【典例3】(2019•新课标Ⅰ卷)实验室制备溴苯的反应装置如下图所示,关于实验操作或叙述错误的是( )
A. 向圆底烧瓶中滴加苯和溴的混合液前需先打开K
B. 实验中装置b中的液体逐渐变为浅红色
C. 装置c中的碳酸钠溶液的作用是吸收溴化氢
D. 反应后的混合液经稀碱溶液洗涤、结晶,得到溴苯
【解析】在溴化铁作催化剂作用下,苯和液溴反应生成无色的溴苯和溴化氢,装置b中四氯化碳的作用是吸收挥发出的苯和溴蒸汽,装置c中碳酸钠溶液呈碱性,能够吸收反应生成的溴化氢气体,倒置漏斗的作用是防止倒吸。A项、若关闭K时向烧瓶中加注液体,会使烧瓶中气体压强增大,苯和溴混合液不能顺利流下。打开K,可以平衡气压,便于苯和溴混合液流下,故A正确;B项、装置b中四氯化碳的作用是吸收挥发出的苯和溴蒸汽,溴溶于四氯化碳使液体逐渐变为浅红色,故B正确;C项、装置c中碳酸钠溶液呈碱性,能够吸收反应生成的溴化氢气体,故C正确;D项、反应后得到粗溴苯,向粗溴苯中加入稀氢氧化钠溶液洗涤,除去其中溶解的溴,振荡、静置,分层后分液,向有机层中加入适当的干燥剂,然后蒸馏分离出沸点较低的苯,可以得到溴苯,不能用结晶法提纯溴苯,故D错误。故选D。
【答案】D
考法4 无机物的制备综合分析
【典例4】(2020•山东卷)某同学利用Cl2氧化K2MnO4制备KMnO4的装置如下图所示(夹持装置略):
已知:锰酸钾(K2MnO4)在浓强碱溶液中可稳定存在,碱性减弱时易发生反应:
3MnO42-+2H2O=2MnO4-+MnO2↓+4OH-
回答下列问题:
(1)装置A中a的作用是______________;装置C中的试剂为________________;装置A中制备Cl2的化学方程为______________。
(2)上述装置存在一处缺陷,会导致KMnO4产率降低,改进的方法是________________。
(3)KMnO4常作氧化还原滴定的氧化剂,滴定时应将KMnO4溶液加入___________(填“酸式”或“碱式”)滴定管中;在规格为50.00mL的滴定管中,若KMnO4溶液起始读数为15.00mL,此时滴定管中KMnO4溶液的实际体积为______________(填标号)。
A.15.00 mL B.35.00mL C.大于35.00mL D.小于15.00m1
(4)某FeC2O4﹒2H2O样品中可能含有的杂质为Fe2(C2O4)3、H2C2O4﹒2H2O,采用KMnO4滴定法测定该样品的组成,实验步骤如下:
Ⅰ.取mg样品于锥形瓶中,加入稀H2SO4溶解,水浴加热至75℃。用 c mol﹒L-1的KMnO4溶液趁热滴定至溶液出现粉红色且30s内不褪色,消耗KMnO4溶液V1mL。
Ⅱ.向上述溶液中加入适量还原剂将Fe3+完全还原为Fe2+,加入稀H2SO4酸化后,在75℃继续用KMnO4溶液滴定至溶液出现粉红色且30s内不褪色,又消耗KMnO4溶液V2mL。样品中所含H2C2O4·2H2O(M=126 g·mol-1 )的质量分数表达式为_________________。
下列关于样品组成分析的说法,正确的是__________(填标号)。
A.时,样品中一定不含杂质
B.越大,样品中H2C2O4·2H2O含量一定越高
C.若步骤I中滴入KMnO4溶液不足,则测得样品中Fe元素含量偏低
D.若所用KMnO4溶液实际浓度偏低,则测得样品中Fe元素含量偏高
【解析】(1)装置A为恒压分液漏斗,它的作用是平衡气压,使浓盐酸顺利滴下,C的作用是吸收反应不完的Cl2,可用NaOH溶液吸收,Ca(ClO)2和浓盐酸在A中发生归中反应产生Cl2,反应的化学方程式为Ca(ClO)2+4HCl=CaCl2+2Cl2↑+2H2O;(2)锰酸钾在浓强碱溶液中可稳定存在,碱性减弱时易发生3MnO42-+2H2O=2MnO4-+MnO2↓+4OH-,一部分MnO42-转化为了MnO2,导致最终KMnO4的产率低,而浓盐酸易挥发,直接导致B中NaOH溶液的浓度减小,故改进措施是在装置A、B之间加装盛有饱和食盐水的洗气瓶吸收挥发出来的HCl;(3)高锰酸钾有强氧化性,强氧化性溶液加入酸式滴定管,滴定管的“0”刻度在上,规格为50.00mL的滴定管中实际的体积大于(50.00-15.00)mL,即大于35.00mL;(4)设FeC2O4·2H2O的物质的量为xmol,Fe2(C2O4)3的物质的量为ymol,H2C2O4·2H2O的物质的量为zmol,步骤I中草酸根和Fe2+均被氧化,结合得失电子守恒有:2KMnO4~5H2C2O4(C2O42-),KMnO4~5Fe2+,所以,步骤II中Fe2+被氧化,由KMnO4~5Fe2+可知,,联立二个方程解得:z=2.5(cV1-3V2)×10-3,所以H2C2O4·2H2O的质量分数==。关于样品组成分析如下:A项,时,H2C2O4·2H2O的质量分数==0,样品中不含H2C2O4·2H2O,由和可知,y≠0,样品中含Fe2(C2O4)3杂质,A错误;B项,越大,由H2C2O4·2H2O的质量分数表达式可知,其含量一定越大,B正确;C项,Fe元素的物质的量=,若步骤I中KMnO4溶液不足,则步骤I中有一部分Fe2+没有被氧化,不影响V2的大小,则cV2×10-3不变,则对于测得Fe元素的含量无影响,C错误;D项,结合C可知:若KMnO4溶液浓度偏低,则消耗KMnO4溶液的体积V1、V2均偏大,Fe元素的物质的量偏大,则测得样品中Fe元素含量偏高,D正确。
【答案】(1)平衡气压,使浓盐酸顺利滴下 NaOH溶液
Ca(ClO)2+4HCl=CaCl2+2Cl2↑+2H2O
(2)在装置A、B之间加装盛有饱和食盐水的洗气瓶
(3)酸式 C (4) BD
考法5 有机物的制备综合分析
【典例5】(2020•新课标Ⅱ卷)苯甲酸可用作食品防腐剂。实验室可通过甲苯氧化制苯甲酸,其反应原理简示如下:
+KMnO4→+ MnO2+HCl→+KCl
名称
相对分子质量
熔点/℃
沸点/℃
密度/(g·mL−1)
溶解性
甲苯
92
−95
110.6
0.867
不溶于水,易溶于乙醇
苯甲酸
122
122.4(100℃左右开始升华)
248
——
微溶于冷水,易溶于乙醇、热水
实验步骤:
(1)在装有温度计、冷凝管和搅拌器的三颈烧瓶中加入1.5 mL甲苯、100 mL水和4.8 g(约0.03 mol)高锰酸钾,慢慢开启搅拌器,并加热回流至回流液不再出现油珠。
(2)停止加热,继续搅拌,冷却片刻后,从冷凝管上口慢慢加入适量饱和亚硫酸氢钠溶液,并将反应混合物趁热过滤,用少量热水洗涤滤渣。合并滤液和洗涤液,于冰水浴中冷却,然后用浓盐酸酸化至苯甲酸析出完全。将析出的苯甲酸过滤,用少量冷水洗涤,放在沸水浴上干燥。称量,粗产品为1.0 g。
(3)纯度测定:称取0. 122 g粗产品,配成乙醇溶液,于100 mL容量瓶中定容。每次移取25. 00 mL溶液,用0.01000 mol·L−1的KOH标准溶液滴定,三次滴定平均消耗21. 50 mL的KOH标准溶液。
回答下列问题:
(1)根据上述实验药品的用量,三颈烧瓶的最适宜规格为______(填标号)。
A.100 mL B.250 mL C.500 mL D.1000 mL
(2)在反应装置中应选用______冷凝管(填“直形”或“球形”),当回流液不再出现油珠即可判断反应已完成,其判断理由是______。
(3)加入适量饱和亚硫酸氢钠溶液的目的是___________;该步骤亦可用草酸在酸性条件下处理,请用反应的离子方程式表达其原理__________。
(4)“用少量热水洗涤滤渣”一步中滤渣的主要成分是_______。
(5)干燥苯甲酸晶体时,若温度过高,可能出现的结果是_______。
(6)本实验制备的苯甲酸的纯度为_______;据此估算本实验中苯甲酸的产率最接近于_______(填标号)。
A.70% B.60% C.50% D.40%
(7)若要得到纯度更高的苯甲酸,可通过在水中__________的方法提纯。
【解析】(1)加热液体,所盛液体的体积不超过三颈烧瓶的一半,三颈烧瓶中已经加入100m的水,1.5mL甲苯,4.8g高锰酸钾,应选用250mL的三颈烧瓶,故选B;(2)为增加冷凝效果,在反应装置中宜选用球形冷凝管,当回流液中不再出现油珠时,说明反应已经完成,因为:没有油珠说明不溶于水的甲苯已经完全被氧化;(3)高锰酸钾具有强氧化性,能将Cl-氧化。加入适量的饱和亚硫酸氢钠溶液是为了除去过量的高锰酸钾,避免在用盐酸酸化时,产生氯气;该步骤亦可用草酸处理,生成二氧化碳和锰盐,离子方程式为:5H2C2O4+2MnO4-+6H+=2Mn2++10CO2↑+8H2O;(4)由信息甲苯用高锰酸钾氧化时生成苯甲酸钾和二氧化锰,“用少量热水洗涤滤渣”一步中滤渣的主要成分是:MnO2;(5)苯甲酸100℃时易升华,干燥苯甲酸时,若温度过高,苯甲酸升华而损失;(6)由关系式C6H5COOH~KOH得,苯甲酸的纯度为: ×100%=86.0%;1.5mL甲苯理论上可得到苯甲酸的质量: =1.72g,产品的产率为 ×100%=50%;(7)提纯苯甲酸可用重结晶的方法。
【答案】(1)B (2)球形 无油珠说明不溶于水的甲苯已经被完全氧化
(3)除去过量的高锰酸钾,避免在用盐酸酸化时,产生氯气
2 MnO4-+5H2C2O4+6H+=2Mn2++10CO2↑+8H2O
(4)MnO2 (5)苯甲酸升华而损失 (6)86.0% C (7)重结晶
(1)试剂的选择:以实验室常用药品为原料,依据反应原理,选择方便经济安全的试剂,尽量做到有适宜的反应速率,且所得物质比较纯净。如用锌粒与酸制取氢气,一般选择稀硫酸,不用盐酸,原因盐酸是挥发性酸,制取的氢气中混有HCl气体。
(2)装置的选择:由反应物的状态,反应条件和所制备气体的性质、量的多少决定。装置应根据实验设计的思路分为:发生装置→除杂装置→干燥装置→主体实验装置(收集)→尾气处理装置等。
(3)仪器的装配:装配仪器的原则:在装配仪器时,应从下而上,从左至右,先塞好后固定;先检验装置的气密性再加入试剂;加入试剂时,先固后液;实验开始时,先验纯,再点灯;在连接导管时,对于洗气装置应“长”进“短”出;量气装置应“短”进“长”出;干燥管应“大”进“小”出;先净化后干燥。
(4)物质的除杂(以气体为例)
a.除杂顺序:先除杂,后除水,加热除氧放末尾。
b.解题步骤:①首先判断气体中的杂质,气体中杂质的判断方法:凡是反应物中有易挥发性液体,如盐酸、浓硝酸、溴水等,制得的气体中一定含有相应的杂质如HCl、HNO3、溴蒸气及水蒸气等。还有一些发生副反应的如用酒精和浓硫酸反应制乙烯时,由于副反应的发生而使乙烯中含有杂质SO2、CO2和水蒸气。②根据杂质选择合适的试剂。③根据试剂选择合适的装置。
(5)尾气处理:有毒污染环境的气体需处理,无毒不污染环境的气体直接排空。常见的处理方法:燃烧法(如CH4、C2H2、H2、CO等),碱液吸收(如Cl2、NO2、H2S、SO2等),水溶法(如HCl、NH3等)。
1.(2018•江苏卷)下列有关从海带中提取碘的实验原理和装置能达到实验目的的是( )
A.用装置甲灼烧碎海带
B.用装置乙过滤海带灰的浸泡液
C.用装置丙制备用于氧化浸泡液中I−的Cl2
D.用装置丁吸收氧化浸泡液中I−后的Cl2尾气
【答案】B
【解析】A、灼烧碎海带应用坩埚,错误;B、海带灰的浸泡液用过滤法分离,以获得含I-的溶液,正确;C、MnO2与浓盐酸常温不反应,MnO2与浓盐酸反应制Cl2需要加热,反应的化学方程式为MnO2+4HCl(浓)MnCl2+Cl2↑+2H2O,错误;D、Cl2在饱和NaCl溶液中溶解度很小,不能用饱和NaCl溶液吸收尾气Cl2,尾气Cl2通常用NaOH溶液吸收,错误。
2.(2019•上海等级考)用镁带和稀硫酸反应产生氢气来测定氢气的气体摩尔体积,所用的步骤有①冷却至室温,②调节使水准管和量气管液面持平,③读数。正确的顺序是( )
A. ①②③ B. ①③② C. ③①② D. ③②①
【答案】A
【解析】因为排出的气体是需要用排出的水的体积衡量的,而镁带和稀硫酸是放热反应,反应前后的量筒温度是不同的,因此,反应后应先将待体系恢复到室温时,再将量筒下移以调节量筒内的液面与水准管一致,此时量筒内气体压强也为大气压,读数才是正确的;所以正确的操作顺序为:(1)冷却至室温;(2)调节使水准管和量气管液面持平 ;(3)读取量筒内气体的体积,故选A。
3.(2018•新课标Ⅰ卷)在生成和纯化乙酸乙酯的实验过程中,下列操作未涉及的是( )
【答案】D
【解析】A项,反应物均是液体,且需要加热,因此试管口要高于试管底,A正确;B项,生成的乙酸乙酯中含有乙酸和乙醇,乙酸乙酯不溶于水,因此可以用饱和碳酸钠溶液吸收,注意导管口不能插入溶液中,以防止倒吸,B正确;C项,乙酸乙酯不溶于水,分液即可实现分离,C正确;D项,乙酸乙酯是不溶于水的有机物,不能通过蒸发实现分离,D错误。
4.(2019•新课标Ⅱ卷)咖啡因是一种生物碱(易溶于水及乙醇,熔点234.5℃,100℃以上开始升华),有兴奋大脑神经和利尿等作用。茶叶中含咖啡因约1%~5%、单宁酸(Ka约为10−6,易溶于水及乙醇)约3%~10%,还含有色素、纤维素等。实验室从茶叶中提取咖啡因的流程如下图所示。
索氏提取装置如图所示。实验时烧瓶中溶剂受热蒸发,蒸汽沿蒸汽导管2上升至球形冷凝管,冷凝后滴入滤纸套筒1中,与茶叶末接触,进行萃取。萃取液液面达到虹吸管3顶端时,经虹吸管3返回烧瓶,从而实现对茶叶末的连续萃取。回答下列问题:
(1)实验时需将茶叶研细,放入滤纸套筒1中,研细的目的是______________,圆底烧瓶中加入95%乙醇为溶剂,加热前还要加几粒______________。
(2)提取过程不可选用明火直接加热,原因是______________,与常规的萃取相比,采用索氏提取器的优点是______________。
(3)提取液需经“蒸馏浓缩”除去大部分溶剂。与水相比,乙醇作为萃取剂的优点是______________。“蒸馏浓缩”需选用的仪器除了圆底烧瓶、蒸馏头、温度计、接收管之外,还有______________(填标号)。
A.直形冷凝管 B.球形冷凝管 C.接收瓶 D.烧杯
(4)浓缩液加生石灰的作用是中和_______和吸收_______。
(5)可采用如图所示的简易装置分离提纯咖啡因。将粉状物放入蒸发皿中并小火加热,咖啡因在扎有小孔的滤纸上凝结,该分离提纯方法的名称是______________。
【答案】(1)增加固液接触面积,提取充分 沸石
(2)乙醇易挥发,易燃 使用溶剂量少,可连续萃取(萃取效率高)
(3)乙醇沸点低,易浓缩 AC (4)单宁酸 水 (5)升华
【解析】(1)萃取时将茶叶研细可以增加固液接触面积,从而使提取更充分;由于需要加热,为防止液体暴沸,加热前还要加入几粒沸石;(2)由于乙醇易挥发,易燃烧,为防止温度过高使挥发出的乙醇燃烧,因此提取过程中不可选用明火直接加热;根据题干中的已知信息可判断与常规的萃取相比较,采用索式提取器的优点是使用溶剂量少,可连续萃取(萃取效率高);(3)乙醇是有机溶剂,沸点低,因此与水相比较乙醇作为萃取剂的优点是乙醇沸点低,易浓缩;蒸馏浓缩时需要冷凝管,为防止液体残留在冷凝管中,应该选用直形冷凝管,而不需要球形冷凝管,A正确,B错误;为防止液体挥发,冷凝后得到的馏分需要有接收瓶接收馏分,而不需要烧杯,C正确,D错误,故选AC。(4)由于茶叶中还含有单宁酸,且单宁酸也易溶于水和乙醇,因此浓缩液中加入氧化钙的作用是中和单宁酸,同时也吸收水;(5)根据已知信息可知咖啡因在100℃以上时开始升华,因此该分离提纯方法的名称是升华。
5.(2019•新课标Ⅲ卷)乙酰水杨酸(阿司匹林)是目前常用药物之一。实验室通过水杨酸进行乙酰化制备阿司匹林的一种方法如下:
水杨酸
醋酸酐
乙酰水杨酸
熔点/℃
157~159
-72~-74
135~138
相对密度/(g·cm﹣3)
1.44
1.10
1.35
相对分子质量
138
102
180
实验过程:在100 mL锥形瓶中加入水杨酸6.9 g及醋酸酐10 mL,充分摇动使固体完全溶解。缓慢滴加0.5 mL浓硫酸后加热,维持瓶内温度在70 ℃左右,充分反应。稍冷后进行如下操作。
①在不断搅拌下将反应后的混合物倒入100 mL冷水中,析出固体,过滤。
②所得结晶粗品加入50 mL饱和碳酸氢钠溶液,溶解、过滤。
③滤液用浓盐酸酸化后冷却、过滤得固体。
④固体经纯化得白色的乙酰水杨酸晶体5.4 g。
回答下列问题:
(1)该合成反应中应采用__________加热。(填标号)A.热水浴B.酒精灯C.煤气灯D.电炉
(2)下列玻璃仪器中,①中需使用的有______(填标号),不需使用的___________(填名称)。
(3)①中需使用冷水,目的是________________________________。
(4)②中饱和碳酸氢钠的作用是_________________________________,以便过滤除去难溶杂质。
(5)④采用的纯化方法为____________。
(6)本实验的产率是_________%。
【答案】(1)A (2)BD 分液漏斗、容量瓶
(3)充分析出乙酰水杨酸固体(结晶)(4)生成可溶的乙酰水杨酸钠
(5)重结晶 (6)60
【解析】(1)因为反应温度在70℃,低于水的沸点,且需维温度不变,故采用热水浴的方法加热;(2)操作①需将反应物倒入冷水,需要用烧杯量取和存放冷水,过滤的操作中还需要漏斗,则答案为:BD;分液漏斗主要用于分离互不相容的液体混合物,容量瓶用于配制一定浓度的溶液,这两个仪器用不到。(3)反应时温度较高,所以用冷水的目的是使得乙酰水杨酸晶体充分析出;(4)乙酰水杨酸难溶于水,为了除去其中的杂质,可将生成的乙酰水杨酸与碳酸氢钠反应生成可溶性的乙酰水杨酸钠,以便过滤除去杂质;(5)每次结晶过程中会有少量杂质一起析出,可以通过多次结晶的方法进行纯化,也就是重结晶;(6)水杨酸分子式为C7H6O3,乙酰水杨酸分子式为C9H8O4,根据关系式法计算得:
C7H6O3~ C9H8O4
138 180
6.9g m
m( C9H8O4)=(6.9g×180)/138=9g,则产率为。
6.(2019•海南卷)干燥的二氧化碳和氨气反应可生成氨基甲酸铵固体,化学方程式为:2NH3(g)+CO2(g)NH2COONH4(s) △H<0,在四氯化碳中通入二氧化碳和氨制备氨基甲酸铵的实验装置如下图所示,回答下列问题:
(1)装置1用来制备二氧化碳气体:将块状石灰石放置在试管中的带孔塑料板上,漏斗中所加试剂为____;装置2中所加试剂为____;
(2)装置4中试剂为固体NH4Cl和Ca(OH)2,发生反应的化学方程式为________;试管口不能向上倾斜的原因是__________。装置3中试剂为KOH,其作用为______________。
(3)反应时三颈瓶需用冷水浴冷却,其目的是_______________________。
【答案】(1)稀盐酸 浓H2SO4
(2)Ca(OH)2+2NH4ClCaCl2+2NH3↑+2H2O
防止冷凝水倒流到管底部使试管破裂 干燥剂(干燥氨气)
(3)降低温度,使平衡正向移动提高产量
【解析】(1)装置1用来制备二氧化碳气体,反应方程式为CaCO3+2HCl=CaCl2+CO2↑+H2O,在试管的带孔塑料板上放置块状CaCO3,在长颈漏斗中放置稀盐酸;装置2中所加试剂为浓硫酸,作用是干燥CO2气体;(2)在装置4中试剂为固体NH4Cl和Ca(OH)2,二者混合加热发生反应制取氨气,发生反应的化学方程式为Ca(OH)2+2NH4ClCaCl2+2NH3↑+2H2O;试管口不能向上倾斜的原因是:防止冷凝水倒流到管底部使试管破裂。装置3中试剂为KOH,其作用为干燥氨气。(3)反应时三颈瓶需用冷水浴冷却,原因是2NH3(g)+CO2(g)NH2COONH4(s) △H<0的正反应是放热反应,降低温度,化学平衡向放热的正反应方向移动,从而可提高产物的产量。
4.(2020•浙江7月选考)硫代硫酸钠在纺织业等领域有广泛应用。某兴趣小组用下图装置制备Na2S2O3·5H2O。
合成反应:SO2+Na2CO3Na2SO3+CO2 2Na2S+3SO22Na2SO3+3S
Na2SO3+SNa2S2O3
滴定反应:I2+2Na2S2O32NaI+Na2S4O6
已知:Na2S2O3·5H2O易溶于水,难溶于乙醇,50℃开始失结晶水。
实验步骤:
Ⅰ Na2S2O3·5H2O制备:装置A制备的SO2经过单向阀通入装置C中的混合溶液,加热、搅拌,至溶液pH约为7时,停止通入SO2气体,得产品混合溶液。
Ⅱ 产品分离提纯:产品混合溶液经蒸发浓缩、冷却结晶、过滤、洗涤、干燥,得到Na2S2O3·5H2O产品。
Ⅲ 产品纯度测定:以淀粉作指示剂,用Na2S2O3·5H2O产品配制的溶液滴定碘标准溶液至滴定终点,计算Na2S2O3·5H2O含量。
请回答:
(1) 步骤Ⅰ 单向阀的作用是________;装置C中的反应混合溶液pH过高或过低将导致产率降低,原因是________。
(2) 步骤Ⅱ 下列说话正确的是________。
A.快速蒸发溶液中水分,可得较大晶体颗粒
B.蒸发浓缩至溶液表面出现品膜时,停止加热
C.冷却结晶后的固液混合物中加入乙醇可提高产率
D.可选用冷的Na2CO3溶液作洗涤剂
(3) 步骤Ⅲ
①滴定前,有关滴定管的正确操作为(选出正确操作并按序排列):
检漏→蒸馏水洗涤→(____)→(____)→(____)→(____)→(____)→开始滴定。
A.烘干 B.装入滴定液至零刻度以上
C.调整滴定液液面至零刻度或零刻度以下
D.用洗耳球吹出润洗液 E.排除气泡
F.用滴定液润洗2至3次 G.记录起始读数
②装标准碘溶液的碘量瓶(带瓶塞的锥形瓶)在滴定前应盖上瓶塞,目的是________。
③滴定法测得产品中Na2S2O3·5H2O含量为100.5%,则Na2S2O3·5H2O产品中可能混有的物质是________。
【答案】(1) 防止倒吸
pH过高,Na2CO3、Na2S反应不充分;pH过低,导致Na2S2O3转化为S和SO2
(2) BC
(3) ①F、B、E、C、G ②防止碘挥发损失
③Na2SO3 失去部分结晶水的Na2S2O3·5H2O
【解析】(1)SO2会与装置C中混合溶液发生反应,且导管进入液面以下,需要防倒吸的装置,单向阀可以防止发生倒吸;Na2CO3、Na2S水解都会使溶液显碱性,所以pH过高,说明Na2CO3、Na2S反应不充分;而pH过低,又会导致Na2S2O3发生歧化反应转化为S和SO2,所以pH过高或过低都会导致产率降低;(2)A项,蒸发结晶时,快速蒸发溶液中的水分,可以得到较小的晶体颗粒,故A错误;B项,为防止固体飞溅,蒸发浓缩至溶液表面出现晶膜时,停止加热,故B正确;C项,Na2S2O3·5H2O难溶于乙醇,所以冷却结晶后的固液混合物中可以加入适量乙醇降低Na2S2O3的溶解度,析出更多的晶体,提高产率,故C正确;D项,用碳酸钠溶液洗涤会使晶体表面附着碳酸钠杂质,Na2S2O3·5H2O难溶于乙醇,可以用乙醇作洗涤剂,故D错误;故选BC;(3)①滴定前应检查滴定管是否漏液,之后用蒸馏水洗涤滴定管,为防止稀释滴定液使测定结果不准确,需用滴定液润洗2至3次,之后装入滴定液至零刻度以上,排除装置中的气泡,然后调整滴定液液面至零刻度或零刻度以下,并记录起始读数,开始滴定,所以正确的操作和顺序为:捡漏→蒸馏水洗涤→F→B→E→C→G→开始滴定;②碘容易挥发,所以装标准碘溶液的碘量瓶在滴定前应盖上瓶塞,防止碘挥发损失;③测定的产品中Na2S2O3·5H2O含量大于100%,说明产品中混有失去部分结晶水的Na2S2O3·5H2O。
核心考点五 实验方案的设计与评价
1.化学实验设计
化学实验题包括的题型很多,其中比较典型的有物质性质探究型、化学现象探究型、物质制备和应用探究型等, 化学实验设计时遵循的原则:①科学性:实验原理准确,实验流程合理;②安全性:保护人身、保护环境、保护仪器;③可行性:条件允许,效果明显,操作方便;④简约性:做到步骤少、时间短、节省药品、效果好等基本要求。通常有一下实验设计步骤:
[来源:学+科+网]
(1)明确目的、原理
首先必须认真审题,明确实验的目的及要求,弄清题目有哪些新的信息,综合已学过的知识,通过类比、迁移、分析,从而明确实验原理。
(2)选择仪器、药品
根据实验的目的和原理,以及反应物和生成物的性质、反应条件,如反应物和生成物的状态,能否腐蚀仪器、反应是否加热及温度是否控制在一定的范围等,从而选择合理的化学仪器和药品。
(3)设计装置、步骤
根据实验目的和原理,以及所选用的仪器和药品,设计出合理的实验装置和实验操作步骤。学生应具备识别和绘制典型的实验仪器装置图的能力,实验步骤应完整而又简明。
(4)记录现象、数据
根据观察,全面而准确地记录实验过程中的现象和数据。
(5)分析得出结论
根据实验观察的现象和记录的数据,通过分析、计算、图表、推理等处理,得出正确的结论。
2.化学实验方案设计的分类
(1)物质制备实验方案的设计
发生装置→净化装置→干燥装置→收集装置→尾气处理装置
(2)物质性质实验方案的设计是从物质的结构特点和所属类型的典型代表物去推测物质可能具有的一系列性质,然后据此设计出合理的实验方案,去探索它可能具有的性,质。我们推测的物质的性质不一定准确,所以进行实验时要注意分析实验现象,从而得出正确结论。可分为:探索性性质实验方案的设计,分析物质的结构特点或从所属类型的典型代表物去推测物质可能具有的一系列性质,而后据此设计合理实验方案,探索可能具有的性质;验证性性质实验方案的设计,对物质具备的性质进行求证,关键是设计出简捷的实验,操作简单安全,实验现象明显。
3.化学实验方案的评价
对几个实验方案的正确与错误、严密与不严密、准确与不准确做出判断。要考虑是否完全合理、有无干扰现象、经济上是否合算和对环境有无污染等。
(1)从可行性方面对实验方案做出评价
科学性和可行性是设计实验方案的两条重要原则,在对实验方案进行评价时,要分析实验方案是否科学可行,实验方案是否遵循化学理论和实验方法要求,在实际操作时能否做到可控易行。评价时,从以下4个方面分析:实验原理是否正确、可行;实验操作是否安全、合理;实验步骤是否简单、方便;实验效果是否明显等。
(2)从“绿色化学”视角对实验方案做出评价
“绿色化学”要求设计安全的、对环境友好的合成线路,降低化学工业生产过程中对人类健康和环境的危害,减少废弃物的产生和排放。据此,对化学实验过程或方案从以下4个方面进行综合评价:反应原料是否易得、安全、无毒;反应速率是否较快;原料利用率以及生成物质的产率是否较高;实验过程中是否造成环境污染。
(3)从“安全性”方面对实验方案做出评价
化学实验从安全角度常考虑的主要因素如下:净化、吸收气体及熄灭酒精灯时要防液体倒吸;进行某些易燃易爆实验时要防爆炸(如H2还原CuO应先通H2,气体点燃先验纯等);防氧化(如H2还原CuO后要“先灭灯再停氢”,白磷切割宜在水中等);防吸水(如实验取用、制取易吸水、潮解、水解的物质时宜采取必要措施,以保证达到实验目的);冷凝回流(有些反应中,为减少易挥发液体反应物的损耗和充分利用原料,需在反应装置上加装冷凝回流装置,如长玻璃管、竖装的干燥管及冷凝管等);易挥发液体产物(导出时可为蒸气)的及时冷却;仪器拆卸的科学性与安全性(也从防污染、防氧化、防倒吸、防爆炸、防泄漏等角度考虑);)其他(如实验操作顺序、试剂加入顺序、实验方法使用顺序等)。
考法1 选择题中设计与评价
【典例1】(2021年1月浙江选考)下列方案设计、现象和结论都正确的是( )
目的
方案设计
现象和结论
A
检验某无色溶液中是否含有NO2-
取少量该溶液于试管中,加稀盐酸酸化,再加入FeCl2溶液
若溶液变黄色且试管上部产生红棕色气体,则该溶液中含有NO2-
B
探究KI与FeCl3反应的限度
取5 mL 0.1 mol·L-1KI溶液于试管中,加入1 mL 0.1 mol·L-1 FeCl3溶液,充分反应后滴入5滴15% KSCN溶液
若溶液变血红色,则KI与FeCl3的反应有一定限度
C
判断某卤代烃中的卤素
取2 mL卤代烃样品于试管中,加入5 mL 20% KOH水溶液混合后加热,再滴加AgNO3溶液
若产生的沉淀为白色,则该卤代烃中含有氯元素
D
探究蔗糖在酸性水溶液中的稳定性
取2mL20%的蔗糖溶液于试管中,加入适量稀 H2SO4后水浴加热5 min;再加入适量新制Cu(OH)2悬浊液并加热
若没有生成砖红色沉淀 ,则蔗糖在酸性水溶液中稳定
【解析】A项,原溶液中存在硝酸根可以和Fe2+反应生成Fe3+,故不能验证原溶液中含有亚硝酸根,A错误;B项,向KI溶液中滴加FeCl3,若FeCl3没有剩余说明反应是完全的,因此向反应后的溶液中加入KSCN溶液,若溶液变红,则说明该反应是有限度的,B正确;C项,溶液中加入KOH后体系中剩余大量的OH-,再加入硝酸银溶液后OH-也可以使Ag+生产白色沉淀,C错误;D项,蔗糖为二糖,在酸性条件下可以水解生产单糖,验证单糖中是否存在拳击,应向水解液中加入NaOH溶液使体系呈碱性,再加入新制Cu(OH)2悬浊液,D错误;故选B。
【答案】B
【典例2】(2020•江苏卷)根据下列实验操作和现象所得到的结论正确的是( )
选项
实验操作和现象
结论
A
向淀粉溶液中加适量20%H2SO4溶液,加热,冷却后加NaOH溶液至中性,再滴加少量碘水,溶液变蓝
淀粉未水解
B
室温下,向0.1mol·L-1HCl溶液中加入少量镁粉,产生大量气泡,测得溶液温度上升
镁与盐酸反应放热
C
室温下,向浓度均为0.1mol·L-1的BaCl2和CaCl2混合溶液中加入Na2CO3溶液,出现白色沉淀
白色沉淀是BaCO3
D
向0.1mol·L-1H2O2溶液中滴加0.1mol·L-1KMnO4溶液,溶液褪色
H2O2具有氧化性
【解析】A项,加入碘水后,溶液呈蓝色,只能说明溶液中含有淀粉,并不能说明淀粉是否发生了水解反应,故A错误;B项,加入盐酸后,产生大量气泡,说明镁与盐酸发生化学反应,此时溶液温度上升,可证明镁与盐酸反应放热,故B正确;C项,BaCl2、CaCl2均能与Na2CO3反应,反应产生了白色沉淀,沉淀可能为BaCO3或CaCO3或二者混合物,故C错误;D项,向H2O2溶液中加入高锰酸钾后,发生化学反应2KMnO4+3H2O2=2MnO2+2KOH+2H2O+3O2↑等(中性条件),该反应中H2O2被氧化,体现出还原性,故D错误;故选B。
【答案】B
【典例3】(2019•新课标Ⅱ卷)下列实验现象与实验操作不相匹配的是( )
实验操作
实验现象
A
向盛有高锰酸钾酸性溶液的试管中通入足量的乙烯后静置
溶液的紫色逐渐褪去,静置后溶液分层
B
将镁条点燃后迅速伸入集满CO2的集气瓶
集气瓶中产生浓烟并有黑色颗粒产生
C
向盛有饱和硫代硫酸钠溶液的试管中滴加稀盐酸
有刺激性气味气体产生,溶液变浑浊
D
向盛有FeCl3溶液的试管中加过量铁粉,充分振荡后加1滴KSCN溶液
黄色逐渐消失,加KSCN后溶液颜色不变
【解析】A项,乙烯被酸性高锰酸钾氧化生成二氧化碳无机小分子,则实验现象中不会出现分层,A项错误;B项,将镁条点燃后迅速伸入集满二氧化碳的洗气瓶,发生反应为:CO2+2Mg2MgO+C,则集气瓶因反应剧烈冒有浓烟,且生成黑色颗粒碳单质,实验现象与操作匹配,B项正确;C项,向盛有饱和硫代硫酸钠溶液的试管中滴加稀盐酸,则发生氧化还原反应,其离子方程式为:S2O32-+2H+=S↓+SO2↑+H2O,则会有刺激性气味产生,溶液变浑浊,实验现象与操作匹配,C项正确;D项,向盛有氯化铁溶液的试管中加过量的铁粉,铁粉会将溶液中所有的铁离子还原为亚铁离子,使黄色逐渐消失,充分震荡后,加1滴KSCN溶液,因震荡后的溶液中无铁离子,则溶液不会变色,实验现象与操作匹配,D项正确;故选A。
【答案】B
考法2 非选择题中设计与评价
【典例4】(2020•北京卷)探究Na2SO3固休的热分解产物。
资料:①4Na2SO3Na2S+3Na2SO4②Na2S能与S反应生成Na2Sx,Na2Sx与酸反应生成S和H2S。③BaS易溶于水。
隔绝空气条件下,加热无水Na2SO3固体得到黄色固体A,过程中未检测到气体生成。黄色固体A加水得到浊液,放置得无色溶液B。
(1)检验分解产物Na2S:取少量溶液B,向其中滴加CuSO4溶液,产生黑色沉淀,证实有S2-。反应的离子方程式是____。
(2)检验分解产物Na2SO4:取少量溶液B,滴加BaCl2溶液,产生白色沉淀,加入盐酸,沉淀增多(经检验该沉淀含S),同时产生有臭鸡蛋气味的气体(H2S),由于沉淀增多对检验造成干扰,另取少量溶液B,加入足量盐酸,离心沉降(固液分离)后,____(填操作和现象),可证实分解产物中含有SO42-。
(3)探究(2)中S的来源。
来源1:固体A中有未分解的Na2SO3,在酸性条件下与Na2S反应生成S。
来源2:溶液B中有Na2Sx,加酸反应生成S。
针对来源1进行如图实验:
①实验可证实来源1不成立。实验证据是__________________________________。
②不能用盐酸代替硫酸的原因是____________________________________________。
③写出来源2产生S的反应的离子方程式:__________________________。
(4)实验证明Na2SO3固体热分解有Na2S,Na2SO4和S产生。运用氧化还原反应规律分析产物中S产生的合理性:____________________________________________________。
【详解】(1)Na2S和CuSO4溶液反应生成硫化铜和硫酸钠,反应的离子方程式是S2-+Cu2+=CuS↓;(2)根据题干资料:Na2S能与S反应生成Na2Sx,Na2Sx与酸反应生成S和H2S,取少量溶液B,滴加BaCl2溶液,产生白色沉淀,加入盐酸,沉淀增多(经检验该沉淀含S),同时产生有臭鸡蛋气味的气体(H2S),说明B溶液中含有Na2Sx,Na2Sx与酸反应生成S和H2S,由于沉淀增多对检验造成干扰,另取少量溶液B,加入足量盐酸,离心沉降(固液分离)后,滴加BaCl2溶液,产生白色沉淀,可证实分解产物中含有SO42-;(3)①实验可证实来源1不成立。根据分析,溶液2为H2SO3,向溶液2中加入少量KMnO4溶液,H2SO3具有还原性,酸性条件下KMnO4具有强氧化性,二者混合和后应发生氧化还原反应,KMnO4溶液应该褪色,但得到的仍为紫色,说明溶液B中不含Na2SO3; ②不能用盐酸代替硫酸的原因是盐酸中Cl元素为-1价,是Cl元素的最低价,具有还原性,会与KMnO4溶液发生氧化还原反应,使KMnO4溶液应该褪色,干扰实验现象和实验结论;③来源2认为溶液B中有Na2Sx,加酸反应生成S,反应的离子方程式:Sx2-+2H+=H2S↑+(x-1)S↓;(4)根据已知资料:4Na2SO3Na2S+3Na2SO4,亚硫酸钠中硫为+4价,硫酸钠中硫为+6价,硫化钠中硫为-2价,根据反应可知Na2SO3发生歧化反应,其中的S元素化合价即可升高也可降低,能从+4价降为-2价,也应该可以降到0价生成硫单质。
【答案】(1)S2-+Cu2+=CuS↓ (2)滴加BaCl2溶液,产生白色沉淀
(3) ①向溶液2中加入KMnO4溶液,溶液没有褪色 ②盐酸中Cl元素为-1价,是Cl元素的最低价,具有还原性,会与KMnO4溶液发生氧化还原反应,使KMnO4溶液应该褪色,干扰实验现象和实验结论 ③Sx2-+2H+=H2S↑+(x-1)S↓
(4)根据反应4Na2SO3Na2S+3Na2SO4可知,Na2SO3发生歧化反应,其中的S元素化合价即可升高也可降低,能从+4价降为-2价,也应该可以降到0价生成硫单质
(1)实验方案要可行。要尽量避免使用高压和特殊催化剂等实验室难以达到的条件,实验方案要简单易行。
(2)实验顺序要科学。要对各个实验步骤进行统一的规划和安排,保证实验准确且高效。同时要减少副反应的发生和避免实验步骤间的干扰。
(3)实验现象要直观。如“证明醋酸是弱电解质”的实验,可配制一定浓度的CH3COONa溶液,用pH试纸测溶液的pH,通过测定的结果pH>7从而得出结论,既操作简便又现象明显。
(4)实验结论要可靠。要反复推敲实验步骤和多方论证实验结果,保证实验结论准确可靠。
1.(2019•江苏卷)室温下进行下列实验,根据实验操作和现象所得到的结论正确的是( )
选项
实验操作和现象
结论
A
向X溶液中滴加几滴新制氯水,振荡,再加入少量KSCN溶液,溶液变为红色
X溶液中一定含有Fe2+
B
向浓度均为0.05 mol·L−1的NaI、NaCl混合溶液中滴加少量AgNO3溶液,有黄色沉淀生成
Ksp(AgI)> Ksp(AgCl)
C
向3 mL KI溶液中滴加几滴溴水,振荡,再滴加1mL淀粉溶液,溶液显蓝色
Br2的氧化性比I2的强
D
用pH试纸测得:CH3COONa溶液的pH约为9,NaNO2溶液的pH约为8
HNO2电离出H+的能力比CH3COOH的强
【答案】C
【解析】A项,先滴加氯水,再加入KSCN溶液,溶液变红,说明加入KSCN溶液前溶液中存在Fe3+,而此时的Fe3+是否由Fe2+氧化而来是不能确定的,所以结论中一定含有Fe2+是错误的,错误;B项,黄色沉淀为AgI,说明加入AgNO3溶液优先形成AgI沉淀,AgI比AgCl更难溶,AgI与AgCl属于同种类型,则说明Ksp(AgI)
编号
实验目的
实验过程
A
配制0.4000 mol·L−1的NaOH溶液
称取4.0 g固体NaOH于烧杯中,加入少量蒸馏水溶解,转移至250 mL容量瓶中定容
B
探究维生素C的还原性
向盛有2 mL黄色氯化铁溶液的试管中滴加浓的维生素C溶液,观察颜色变化
C
制取并纯化氢气
向稀盐酸中加入锌粒,将生成的气体依次通过NaOH溶液、浓硫酸和KMnO4溶液
D
探究浓度对反应速率的影响
向2支盛有5 mL不同浓度NaHSO3溶液的试管中同时加入2 mL 5%H2O2溶液,观察实验现象
【答案】B
【解析】A项,氢氧化钠溶于水放热,因此溶解后需要冷却到室温下再转移至容量瓶中,错误;B项,氯化铁具有氧化性,能被维生素C还原为氯化亚铁,从而使溶液颜色发生变化,所以向盛有2 mL黄色氯化铁溶液的试管中滴加浓的维生素C溶液,通过观察颜色变化可以探究维生素C的还原性,正确;C项,向稀盐酸中加入锌粒,生成氢气,由于生成的氢气中含有氯化氢和水蒸气,因此将生成的气体依次通过NaOH溶液、浓硫酸即可,不需要通过KMnO4溶液,或者直接通过碱石灰,错误;D项,反应的方程式为HSO3-+H2O2=SO42-+H++H2O,这说明反应过程中没有明显的实验现象,因此无法探究浓度对反应速率的影响,错误。
3.(2019•新课标Ⅲ卷)下列实验不能达到目的的是( )
选项
目的
实验
A
制取较高浓度的次氯酸溶液
将Cl2通入碳酸钠溶液中
B
加快氧气的生成速率
在过氧化氢溶液中加入少量MnO2
C
除去乙酸乙酯中的少量乙酸
加入饱和碳酸钠溶液洗涤、分液
D
制备少量二氧化硫气体
向饱和亚硫酸钠溶液中滴加浓硫酸
【答案】A
【解析】A项,氯气与碳酸钠溶液反应生成氯化钠、次氯酸钠和碳酸氢钠,不能制备次氯酸,不能达到实验目的,A选;B项,过氧化氢溶液中加入少量二氧化锰作催化剂,加快双氧水的分解,因此可以加快氧气的生成速率,能达到实验目的,B不选;C项,碳酸钠溶液与乙酸反应,与乙酸乙酯不反应,可以除去乙酸乙酯中的乙酸,能达到实验目的,C不选;D项,根据较强酸制备较弱酸可知向饱和亚硫酸钠溶液中滴加浓硫酸可以制备二氧化硫,能达到实验目的,D不选;故选A。
4.(2018•天津卷)由下列实验及现象推出的相应结论正确的是( )
实验
现象
结论
A.某溶液中滴加K3[Fe(CN)6]溶液
产生蓝色沉淀
原溶液中有Fe2+,无Fe3+
B.向C6H5ONa溶液中通入CO2
溶液变浑浊
酸性:H2CO3>C6H5OH
C.向含有ZnS和Na2S的悬浊液中滴加CuSO4溶液
生成黑色沉淀
Ksp(CuS)
②再加足量盐酸
①产生白色沉淀
②仍有白色沉淀
原溶液中有SO42-
【答案】B
【解析】A项,溶液中滴加K3[Fe(CN)6]溶液,产生蓝色沉淀,说明溶液中有Fe2+,但实验无法证明是否有Fe3+,错误;B项,向苯酚钠溶液中通入CO2,溶液变浑浊,说明生成苯酚,利用酸性强的制取酸性弱的,推出碳酸的酸性强于苯酚,正确;C项,ZnS为难溶物,Na2S为易溶物,向含有ZnS和Na2S的悬浊液中滴加CuSO4溶液,发生CuSO4+Na2S=CuS↓+Na2SO4,不能说明Ksp(CuS)与Ksp(ZnS)大小,错误;D项,NO3-在酸性条件下具有强氧化性,能把SO32-氧化成SO42-,因此SO32-对SO42-的检验产生干扰,错误。
5.(2018•江苏卷)根据下列实验操作和现象所得出的结论正确的是( )
选项
实验操作和现象
结论
A
向苯酚浊液中滴加Na2CO3溶液,浊液变清
苯酚的酸性强于H2CO3的酸性
B
向碘水中加入等体积CCl4,振荡后静置,上层接近无色,下层显紫红色
I2在CCl4中的溶解度大于在水中的溶解度
C
向CuSO4溶液中加入铁粉,有红色固体析出
Fe2+的氧化性强于Cu2+的氧化性
D
向NaCl、NaI的混合稀溶液中滴入少量稀AgNO3溶液,有黄色沉淀生成
Ksp(AgCl) >Ksp(AgI)
【答案】B
【解析】A、向苯酚浊液中加入Na2CO3溶液,浊液变清,发生反应+Na2CO3→+NaHCO3,酸性:H2CO3HCO3-,错误;B、向碘水中加入等体积CCl4,振荡后静置,上层接近无色,下层显紫红色,说明CCl4将I2从碘水中萃取出来,I2在CCl4中的溶解度大于在水中的溶解度,正确;C、向CuSO4溶液中加入铁粉,有红色固体析出,发生的反应为Fe+Cu2+=Fe2++Cu,根据同一反应中氧化性:氧化剂氧化产物,故氧化性Cu2+Fe2+,错误;D、向NaCl、NaI的混合稀溶液中滴入少量稀AgNO3溶液,有黄色沉淀生成,说明先达到AgI的溶度积,但由于NaCl、NaI的浓度未知,不能由此判断AgCl、AgI溶度积的相对大小,错误。
6.(2020•天津卷)为测定CuSO4溶液的浓度,甲、乙两同学设计了两个方案。回答下列问题:
Ⅰ.甲方案
实验原理:
实验步骤:
(1)判断SO42-沉淀完全的操作为____________。
(2)步骤②判断沉淀是否洗净所选用的试剂为_____________。
(3)步骤③灼烧时盛装样品的仪器名称为__________。
(4)固体质量为wg,则c(CuSO4)=________mol‧L-1。
(5)若步骤①从烧杯中转移沉淀时未洗涤烧杯,则测得c(CuSO4)_________(填“偏高”、“偏低”或“无影响”)。
Ⅱ.乙方案
实验原理:Zn+CuSO4= ZnSO4 +Cu,Zn+H2SO4= ZnSO4 +H2↑
实验步骤:
①按右图安装装置(夹持仪器略去)
②……
③在仪器A、B、C、D、E…中加入图示的试剂
④调整D、E中两液面相平,使D中液面保持在0或略低于0刻度位置,读数并记录。
⑤将CuSO4溶液滴入A中搅拌,反应完成后,再滴加稀硫酸至体系不再有气体产生
⑥待体系恢复到室温,移动E管,保持D、E中两液面相平,读数并记录
⑦处理数据
(6)步骤②为___________。
(7)步骤⑥需保证体系恢复到室温的原因是________(填序号)。
a.反应热受温度影响 b.气体密度受温度影响 c.反应速率受温度影响
(8)Zn粉质量为ag,若测得H2体积为bmL,已知实验条件下,则c(CuSO4)______mol‧L-1(列出计算表达式)。
(9)若步骤⑥E管液面高于D管,未调液面即读数,则测得c(CuSO4)________(填“偏高”、“偏低”或“无影响”)。
(10)是否能用同样的装置和方法测定MgSO4溶液的浓度:_________(填“是”或“否”)。
【答案】(1)向上层清液中继续滴加BaCl2溶液,无白色沉淀生成,则沉淀完全
(2)AgNO3溶液 (3)坩埚 (4) (5)偏低
(6)检查装置气密性 (7)b (8) (9) 偏高 (10) 否
【解析】Ⅰ.(1)硫酸根离子的检验是滴加氯化钡溶液,若产生白色沉淀,证明溶液中含有硫酸根离子,故判断SO42-沉淀完全的操作向上层清液中继续滴加BaCl2溶液,无白色沉淀生成,则沉淀完全;(2)步骤②判断沉淀是否洗净所选用的试剂为AgNO3溶液,硫酸钡沉淀中可能附着有氯化钡,为了证明还有没氯离子,需要加入硝酸银溶液,若产生白色沉淀,证明没有洗净;(3)步骤③灼烧时盛装样品的仪器为坩埚;(4)固体质量为wg,为硫酸钡的质量,硫酸钡的物质的量为n=,根据硫酸根守恒可知,CuSO4~BaSO4,则c(CuSO4)===mol‧L-1;(5)若步骤①从烧杯中转移沉淀时未洗涤烧杯,会使固体的质量偏小,物质的量偏小,根据可知,则测得c(CuSO4)偏低。
Ⅱ.(6)加入药品之前需检查装置的气密性;步骤②为检查装置气密性;(7)气体的体积受温度和压强的影响较大,气体的质量不随温度和压强的变化而改变,密度也受温度和压强的影响,步骤⑥需保证体系恢复到室温的原因是气体密度受温度影响;反应热不受温度的影响,只与反应物和生成物自身的能量有关,不随温度压强而改变;反应速率受温度影响,温度越高,反应速率越快,步骤⑥需保证体系恢复到室温与反应速率无关;(8)Zn粉质量为ag,若测得H2体积为bmL,已知实验条件下,氢气的质量=,利用氢气的质量得到氢气的物质的量n=,根据Zn+H2SO4= ZnSO4 +H2↑,与酸反应的锌的物质的量为,锌的总物质的量为,与硫酸铜反应的锌的物质的量为,根据Zn+CuSO4= ZnSO4 +Cu,则c(CuSO4)=;(9)若步骤⑥E管液面高于D管,未调液面即读数,得到氢气的体积偏小,与硫酸反应的锌的质量偏小,与硫酸铜反应的锌的质量偏大,则测得c(CuSO4)偏高;(10) 不能用同样的装置和方法测定MgSO4溶液的浓度,硫酸镁不和锌发生置换反应。
高考化学二轮复习解密11 化学实验(讲义)(含解析): 这是一份高考化学二轮复习解密11 化学实验(讲义)(含解析),共39页。
高考化学二轮复习讲义+分层训练解密13有机化学基础(讲义): 这是一份高考化学二轮复习讲义+分层训练解密13有机化学基础(讲义),共58页。
高考化学二轮复习讲义+分层训练解密12实验化学(讲义): 这是一份高考化学二轮复习讲义+分层训练解密12实验化学(讲义),共77页。