2021-2022学年北京市朝阳区九年级(上)期末物理试卷(选用)(含答案解析)
展开2021-2022学年北京市朝阳区九年级(上)期末物理试卷(选用)
1. 在电路中,绝缘体和导体一样重要。通常情况下,下列物体中属于绝缘体的是( )
A. 橡胶 B. 铜丝 C. 保险丝 D. 铁夹子
2. 下列家用电器中,主要利用电流热效应工作的是( )
A. 电冰箱 B. 电风扇 C. 电饭锅 D. 洗衣机
3. 下列生活实例中,通过做功改变物体内能的是( )
A. 入冬用暖气供热,使房屋暖和 B. 用天然气烧水,使水沸腾
C. 海鲜放在冰上,为海鲜降温 D. 两手相互摩擦,手的温度升高
4. 下列选项符合安全用电要求的是( )
A. 控制灯的开关可以安装在火线或零线上
B. 更换灯泡时先断开电源开关
C. 用湿布擦拭正在工作的电视机
D. 零线和地线都与大地相连,因此在家庭电路中可以不安装地线
5. 如图所示为一些与电和磁有关的事例,下列说法中正确的是( )
A. 如图中,磁体能够吸引铜、铁、铝等所有金属
B. 如图中,司南的长柄指南是由于受到地磁场的作用
C. 如图中,闭合开关导体ab运动时,机械能转化为电能
D. 如图中,电磁铁是利用电磁感应的原理制成的
6. 下列说法中正确的是( )
A. 正电荷定向移动的方向规定为电流的方向
B. 只要电荷发生移动就能形成电流
C. 汽油机消耗的燃料越多,它的效率就越低
D. 在汽油机的压缩冲程中,内能转化为机械能
7. 某同学按照如图甲所示连接好电路。闭合开关前,小磁针的指向如图甲所示;闭合开关,小磁针的偏转情况如图乙中箭头所示;只改变电源的正负极,再次进行实验,小磁针的偏转情况如图丙中箭头所示。下列说法中正确的是( )
A. 由甲、乙两图可得导体的周围一定存在着磁场
B. 由甲、乙两图可得电流的磁场方向与电流方向有关
C. 由乙、丙两图可得电流的磁场强弱与电流大小有关
D. 由乙、丙两图可得电流的磁场方向与电流方向有关
8. 依据表中的数据,下列说法中正确的是( )
物质
比热容c/[J⋅(kg⋅℃)−1]
水
4.2×103
干泥土
约0.84×103
A. 质量为1kg的干泥土,具有的内能约为0.84×103J
B. 质量为1kg的水,温度为1℃时,具有的热量为4.2×103J
C. 质量为1kg的水,温度升高1℃,吸收的热量为4.2×103J
D. 质量相等的水和干泥土,吸收相同的热量,水温升高较多
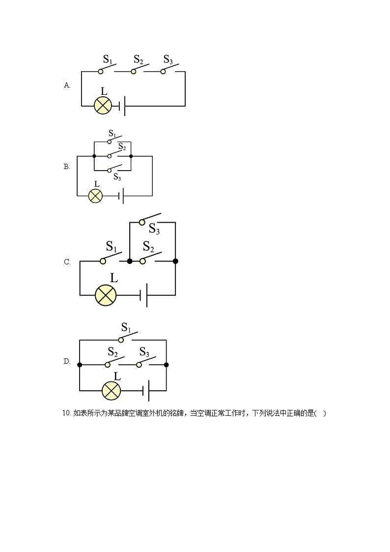
9. 现代智能手机通常支持多种解锁方式,如数字解锁、图案解锁、指纹解锁、人脸解锁等,我们可以任选一种方式解锁,解锁成功后即可正常使用手机。在如图所示的模拟电路中,S1表示数字解锁开关,S2表示图案解锁开关,S3表示指纹解锁开关,灯泡L发光表示手机解锁成功,则下列模拟电路中符合上述要求的是( )
A.
B.
C.
D.
10. 如表所示为某品牌空调室外机的铭牌,当空调正常工作时,下列说法中正确的是( )
额定电压
220V
额定频率
50Hz
制冷/制热额定功率
800/900W
最大输入功率
970W
制冷剂名称及注入量
R22/0.6kg
防水等级
IPX4
室外机质量
24kg
A. 空调制热时比制冷时消耗的电能多 B. 空调制冷时每小时耗电为800kW⋅h
C. 室外机消耗的电能最大可达970W D. 空调制热时比制冷时电流做功更快
11. 如图所示,电源电压恒定不变,开关都闭合后,电路正常工作。当断开开关S1时,下列判断中正确的是( )
A. 电流表示数变大 B. 电压表示数变大 C. 电路的总电阻变小 D. 电路的总功率变小
12. 如图所示的电路中,电源电压恒定不变,开关S1和S2为联动开关(同时断开或闭合),R1、R2、R3为三个定值电阻,其中R1:R2=1:3;R2=R3。闭合开关S后,当联动开关断开时,通过R1和R2的电流分别为I1、I2,R1和R2两端的电压分别为U1、U2,R1和R2的电功率分别为P1、P2;当联动开关闭合时,通过R1和R3的电流分别为I3、I4,R1和R3两端的电压分别为U3、U4,R1和R3的电功率分别为P3、P4。下列关系中正确的是( )
A. I3:I4=1:3 B. U1:U3=1:3
C. P1:P4=1:16 D. P2:P3=3:16
13. 如图所示,下列说法中正确的是( )
A. 如图所示,该实验说明液体扩散快慢程度与温度有关
B. 如图所示,该实验主要说明固体分子间存在相互作用的引力
C. 如图所示,该实验中水蒸气的内能转化为橡胶塞的机械能
D. 如图所示,该设计表明人类可以制造出永动机
14. 小阳在探究利用磁场产生感应电流条件的实验时,将如图所示的实验装置放在水平台面上。下列说法中正确的是( )
A. 该实验揭示了发电机的工作原理
B. 导线ab竖直向上运动可以产生感应电流
C. 导线ab水平向左运动可以产生感应电流
D. 只要导线ab在支架上静止不动就不会产生感应电流
15. 将定值电阻R1、滑动变阻器R2、电压表、电流表和电压恒定的电源按如图1所示连接电路。闭合开关,移动滑动变阻器的滑片,不断改变电压表和电流表示数,并利用所得数据绘制出如图2所示的图象。由上述信息可得( )
A. 电源两端的电压大小 B. 定值电阻R1的阻值大小
C. 滑动变阻器R2的最大阻值大小 D. 电路中消耗的最大电功率的大小
16. 如图所示电能表的示数为______kW⋅h。
17. 根据图中的电流方向,可知通电螺线管的______ (选填“A”或“B”)端是N极。
18. 在量筒里装一半清水,用细管在水的下面注入硫酸铜的水溶液。由于硫酸铜溶液比水的密度大,会沉在量筒的下部,因此可以看到无色的清水与蓝色硫酸铜溶液之间明显的界面。静放几天,界面就逐渐变得模糊不清了(如图所示)。请你用分子动理论的观点解释这个现象。
19. 小阳利用如图1所示电路图测量额定电压为2.2V小灯泡的额定功率。
(1)小阳利用如图1所示电路图正确地连接好实验电路后,闭合开关S,发现电压表和电流表的指针都有微小的偏转,小灯泡不发光。出现此现象的原因可能是______。
(2)调节滑动变阻器的滑片P,使电压表示数为2.2V,此时电流表示数如图2所示,电流表的示数为______ A,则小灯泡的额定功率为______ W。
20. 在“比较不同物质的吸热情况“实验中,小阳准备了两个相同的烧杯,其中分别盛有初温相同、质量相等的水和食用油,两个额定功率相同的电热器和两支温度计分别浸在液体中的适当位置,如图所示。
(1)根据提供的器材,请你写出比较不同物质的吸热情况是否存在差异的方法:______。
(2)下列事实能用比热容知识解释的是______。
A.通常沿海地区昼夜温差比内陆地区小
B.用盐水腌蛋,一段时间后蛋会变咸
C.火箭发动机用氢作为燃料
21. 小阳在探究通电螺线管外部磁场的分布时,组装了如图甲所示的电路。
(1)在螺线管周围的有机玻璃板上均匀撒有铁屑,闭合开关后,轻敲玻璃板,铁屑静止时的分布情况如图乙所示。观察可知通电螺线管的外部磁场与______的磁场相似。
A.条形磁体
B.蹄形磁体
C.同名磁极间
(2)把两个小磁针放在螺线管两端,闭合开关后,小磁针(黑色一端为N极)静止时的指向如图丙所示,则通电螺线管的右端为______极。
(3)若用磁感线描述本次实验中通电螺线管的外部磁场,则图丁所示中正确的是______。
22. 小阳想利用一块电压表和阻值已知的电阻R0测量待测电阻Rx的阻值。他设计了如图所示的电路图。小阳的主要实验步骤如下:
(1)按照电路图用电压恒定的电源和满足实验要求的器材连接实验电路,记录定值电阻的阻值R0。
(2)闭合开关S、S1,断开开关S2,记录电压表的示数U1。
(3)______,记录电压表的示数U2。
(4)用U1、U2和R0表示出Rx,Rx=______,计算出待测电阻的阻值。
23. 学习电流的热效应时,在烧瓶内装上一定质量的煤油,将阻值不变的电阻丝R浸没在煤油中,并插好温度计,再将此装置连入实验电路中,如图1所示。
(1)该实验可以通过温度计的示数变化来反映电流通过电阻丝产生热量的多少,写出这样做的依据及推理过程:______。
(2)闭合开关S后,观察到随着持续通电,温度计的示数不断上升,说明电流通过导体产生热量的多少与______有关。
(3)为了探究电流通过电阻产生热量的多少与电流大小是否有关,请在图2方框内画出实验数据记录表格。
24. 小阳用如图中的实验器材及多个阻值已知的定值电阻,探究通过导体的电流跟电阻的关系。他连接了如图所示的实验电路,同组的小朝检查电路时,发现电流表与电压表的位置接反了。
(1)只需改动一根导线,就可使电路连接正确。请在错接的导线上打“×”,并以笔代线,画出导线的正确连接。
(2)小阳改正电路连接后,对器材进行了正确的调节。请写出他们接下来的主要实验步骤。
(3)分析如表中的实验数据,归纳出实验结论:______。
R/Ω
5
10
15
20
25
30
I/A
0.48
0.24
0.16
0.12
0.10
0.08
25. 漏电保护器
自从人类大量使用电器以来,电给我们带来很多方便,但同时也可能给人带来灭顶之灾。大量经验表明,不高于36V的电压一般对人体是安全的,称为安全电压。而我国家庭电路的电压是220V,工厂和工地的动力电路电压是380V,高压输电线路的电压可达500kV,都远远高于安全电压。因此,为了使人们能够安全地利用电能,尽量避免不必要的损失,诞生了各式各样的保护装置。
漏电保护器就是其中的一类,漏电保护器是当人体触电或电器漏电时自动切断电源保护生命的设备,它在反应触电和漏电保护方面具有灵敏度高且反应动作快速的特点,这是其他保护装置,如保险丝、自动开关等无法比拟的。漏电保护器的种类繁多,按其保护功能和用途进行分类,一般可分为漏电保护继电器、漏电保护开关和漏电保护插座三种。
漏电保护开关(如图所示)被接入家庭电路的主干路中,零线和火线同时从漏电保护开关内部穿过,推上开关后,当电路处于正常工作状态时,零线和火线中的电流一样大,漏电保护开关感觉不到电流,开关保持接通状态。在电路或用电器绝缘皮受损导致火线外露,若此时发生漏电,当漏电电流大于人体的安全电流(一般认为是30mA)时,漏电保护开关内部零线中的电流小于火线中的电流,其内部的电磁铁就会在0.1s内使开关“跳闸”,切断电路,从而起到保护作用。
漏电保护器在低压供电系统中的应用,可以大幅度地提高供电系统运行的安全性,对进一步保证人身和用电设备的安全具有极为重要的作用。
请根据上述阅读材料,回答下列问题:
(1)漏电保护器具有______的特点,可以有效地保护人身和用电设备的安全。
(2)下列情形中一定导致漏电保护开关“跳闸”的是______(多选)。
A.电路的总功率过大
B.电冰箱中的火线碰到了地线
C.导线的绝缘皮破损
D.站在地面上的人触碰到了裸露的火线
(3)小阳在家中不小心触电了,假设他的电阻为5000Ω,请通过计算说明漏电保护开关(如图所示)能否起到保护作用。
26. 如图所示,电源两端的电压为6V且保持不变,定值电阻R1的阻值为20Ω。闭合开关S,当滑动变阻器R2的滑片处于某位置时,电流表的示数为0.4A,求:
(1)滑动变阻器R2接入电路的阻值;
(2)10s内电流通过电阻R1做的功。
27. 如图1所示为某款家用电热取暖器,它有一个可调温控开关S,可以通过旋钮设定取暖器工作时的最高温度,当取暖器的表面温度达到设定温度时,温控开关自动断开,当温度降到某数值温控开关又会自动闭合;两个挡位开关S1和S2,可以独立操作,分别控制电热丝R1和R2的工作状态,其内部电路可简化为图2所示,工作参数如表。求:
额定电压
220V
额定功率
电热丝R1
550W
电热丝R2
1100W
(1)电热丝R1的阻值;
(2)该款取暖器以最大功率工作时,通过它的电流。
答案和解析
1.【答案】A
【解析】容易导电的物体被称为导体,不容易导电的物体被称为绝缘体,属于导体的是:铜丝、保险丝、铁夹子;属于绝缘体的是:橡胶。
故选:A。
导体是容易导电的物体,包括:各种金属、人体、大地、石墨、酸碱盐的水溶液等;
绝缘体是不容易导电的物体,包括:陶瓷、橡胶、塑料、干木、玻璃等。
此题考查导体和绝缘体的区分,属于识记的内容,比较简单。
2.【答案】C
【解析】A、电冰箱利用电动机带动工作,利用了电流的磁效应。故A错误;
B、电风扇利用电动机带动工作,利用了电流的磁效应,故B错误;
C、电饭锅是利用了电流的热效应,来给食物加热的,故C正确。
D、洗衣机利用电动机带动工作,利用了电流的磁效应。故D错误;
(1)当电流通过电阻时,电流做功而消耗电能,产生了热量,这种现象叫做电流的热效应。一方面,利用电流的热效应可以为人类的生产和生活服务;另一方面,电流的热效应也有一些不利因素。
(2)任何通有电流的导线,都可以在其周围产生磁场的现象,称为电流的磁效应。
主要考查电流的热效应、电流的磁效应和电流的化学效应在生活中的应用实例,只有认真把握它们的定义,才能真正区分它们利用的是哪一个效应。体现了物理来源于生活,又服务于社会的理念。
3.【答案】D
【解析】A、入冬用暖气供热,使房屋暖和,房屋从暖气吸收热量,属于热传递改变物体的内能,故A不符合题意;
B、用天然气烧水,使水沸腾,水吸收热量,属于热传递改变物体的内能,故B不符合题意;
C、海鲜放在冰上,为海鲜降温,是海鲜和冰之间发生了热传递,属于热传递改变物体的内能,故C不符合题意;
D、两手相互摩擦,手的温度升高,是因为克服摩擦做功,使手的内能增加,属于做功改变物体的内能,故D符合题意。
故选:D。
改变物体内能的方式有两种:做功和热传递,热传递过程是能量的转移过程,而做功过程是能量的转化过程。
做功和热传递虽然都能改变物体内能,但热传递是能量的转移,而做功是能量的转化,两者的实质不一样。
4.【答案】B
【解析】A、家庭电路中,控制各个灯具的开关都应安装在火线上,断开开关,保证用电安全,故A错误;
B、更换灯泡、搬动电器时容易碰到金属部分,切断电源可以保证金属部分不带电,故B正确;
C、生活用水是导体,用湿抹布擦正在工作的用电器时,可能会因湿抹布导电而发生触电事故,故C错误。
D、有金属外壳的用电器,要接地线,故D错误;
(1)为保证用电安全,控制家用电器的开关应该安装在火线上;
(2)更换灯泡、搬动电器时不要带电操作,要切断电源;
(3)生活用水是导体,不用湿手触摸开关,不用湿布擦拭正在使用的用电器;
(4)有金属外壳的用电器,要接地线。
本题考查的是日常生活中的一些安全用电常识。只要同学们牢记安全用电常识,并正确规范操作,就不会有危险发生。
5.【答案】B
【解析】A、磁体不能够吸引铜等金属,故A错误;
B、地球是一个大磁体,其周围存在地磁场,司南的长柄端指南是由于受到地磁场的作用,故B正确;
C、该装置中有电源,导体通电后会在磁场中受力而运动,电能转化为机械能,故C错误;
D、电磁铁是利用通电导线周围存在磁场工作的,故D错误。
故选:B。
(1)磁体是一种能够吸引铁、钴、镍的铁磁性物质;
(2)司南实际上就是一个磁铁,磁体静止时,指南的叫南极,用字母S表示,指北的叫北极,用字母N表示;
(3)发电机原理图描述了线圈给外界的用电器供电,电动机原理图描述了电源给线圈或导体供电;
(4)电磁感应现象装置图中没有电源,磁场对电流的作用装置图中有电源。
本题考查了电磁铁和地磁场等的有关知识,属于识记性知识,将课本内容记忆清楚是关键。
6.【答案】A
【解析】AB、只有电荷发生定向移动才能形成的电流。物理学规定正电荷定向移动的方向为电流的方向,故A正确、B错误;
C、汽油机消耗的燃料越多,总功越大,但不知道有用功为多少,所以效率不一定越低,故C错误;
D、汽油机压缩冲程中,将机械能转化为内能,故D错误。
(1)物理学上规定正电荷定向移动的方向为电流方向;
(2)电流是电荷发生定向移动形成的;
(3)热机消耗的燃料越多,总功越大,但效率不一定越低;
(4)汽油机压缩冲程中,将机械能转化为内能。
此题考查了电流的形成和方向、热机的效率及工作过程中的能量转化,属于基础知识的考查。
7.【答案】D
【解析】AB、甲中开关是断开的,电路中无电流,乙中开关是闭合的,电路中有电流;前后两种情况下,小磁针发生偏转,说明通电导体周围存在磁场;又没有改变导体中的电流方向,不能说明电流产生的磁场跟电流方向有关,故AB错误;
CD、乙、丙只是改变了电流方向,没有改变电流大小,不能说明磁场强弱跟电流大小有关;电流方向改变,小磁针的偏转方向发生了变化,这说明电流的磁场方向与电流方向有关,故C错误,D正确。
电流周围存在磁场,磁场方向与电流方向有关。
此题主要考查了奥斯特实验的现象及结论,一定要掌握电流的磁效应。同时考查了学生利用所学知识解决问题的能力。
8.【答案】C
【解析】A、物体内部所有分子热运动的动能和分子势能的总和叫做内能,内能与物体的质量和温度有关,故A错误;
B、热量是过程量不能说含有或具有,故B错误;
C、物质的比热容是指1kg某种物质温度升高(或降低)1℃时,吸收(或放出)的热量的多少,水的比热容为4.2×103J⋅(kg⋅℃)−1,即质量为1kg的水,温度升高1℃,吸收的热量为4.2×103J,故C正确;
D、质量相等的水和干泥土,吸收相同的热量,由表中的数据可知,水的比热容大于干泥土的比热容,所以水温升高较少,故D错误。
故选:C。
(1)物体内部所有分子热运动的动能和分子势能的总和叫做内能,内能与物体的质量和温度有关;
(2)热量是过程量;
(3)物质的比热容是指1kg某种物质温度升高(或降低)1℃时,吸收(或放出)的热量的多少;
(4)质量相等的水和干泥土,吸收相同的热量,比热容大的温度升高得较少。
本题考查内能、热量、比热容等有关知识,难度不大。
9.【答案】B
【解析】由题意可知,数字解锁开关S1,图案解锁开关S2,指纹解锁开关S3,都可以解锁手机,即都使灯泡L发光,说明三个开关可以独立工作,互不影响,即为并联,灯泡在干路上。
由各选项电路图知,ACD不符合要求,B符合要求。
本题考查电路的设计,掌握好串联和并联电路特点,正确分析开关的连接方式是关键。
10.【答案】D
【解析】A、由W=Pt可知,要比较消耗电能多少,需要知道电功率、时间,不知道制热、制冷时间,无法比较消耗电能多少,故A错误;
B、空调制冷时每小时消耗的电能W=P冷t=0.8kW×1h=0.8kW⋅h,故B错误;
C、室外机消耗的电能的单位是J或kW⋅h,瓦特(W)是电功率的单位,故C错误;
D、空调制热时功率比制冷时功率大,说明空调制热时比制冷时电流做功更快,故D正确。
故选:D。
(1)知道电功率、时间,利用W=Pt可以比较消耗电能多少;
(2)利用W=Pt计算空调制冷时每小时消耗的电能;
(3)室外机消耗的电能的单位是J或kW⋅h,瓦特(W)是电功率的单位;
(4)电功率是表示电流做功快慢的物理量,电功率大表示电流做功快。
本题考查了消耗电能的计算和比较、电功率的物理意义、电功和电功率的单位,能从铭牌得出相关信息是关键。
11.【答案】D
【解析】根据实物图可知,开关都闭合后,该电路为并联电路,电压表测量电源的电压,电流表测量干路中的电流;当断开开关S1时,电路为R0的简单电路,电压表测量电源电压,电流表测量电路中的电流;
由于电源电压不变,所以电压表的示数不变;
根据并联电路的电流规律可知,断开开关S1时,干路中的电流变小,电流表示数变小;根据R=UI可知,电路的总电阻变大;
根据P=UI可知,电路的总功率变小;
综上所述,D正确,ABC错误。
故选:D。
根据实物图可知,开关都闭合后,该电路为并联电路,电压表测量电源的电压,电流表测量干路中的电流;当断开开关S1时,电路为R0的简单电路,电压表测量电源电压,电流表测量电路中的电流;根据并联电路电流的规律判定电流表示数的变化,根据P=UI分析总功率的变化;根据欧姆定律判定总电阻的变化。
本题考查了电路的动态分析,涉及欧姆定律和电功率公式的应用,分清电路的连接方式和电表所测的电路元件是关键。
12.【答案】D
【解析】A、当联动开关断开时,电路为R1、R2的串联电路,当联动开关闭合时,R2被短路,电路为R1、R3的并联电路;
设电源电压为U,当R1、R2串联时,因为串联电路电流处处相等,根据欧姆定律,流过R1、R2的电流相等,且R1:R2=1:3,即,
I1=I2=UR1+R2=U13R2+R2=3U4R2,
当联动开关闭合时,R1、R3并联,且R2=R3,根据欧姆定律,流过R1的电流为:I3=UR1=U13R2=3UR2,
流过R3的电流为:I4=UR3=UR2,
则I3:I4=3UR2:UR2=3:1,故A错误;
B.串联电路中,电压之比等于电阻之比,故当R1、R2串联时,
U1:U2=R1:R2=1:3,U=U1+U2,
则U1=14U,
当联动开关闭合时,R2被短路,电路为R1、R3的并联电路,故U3=U4=U,故
U1:U3=14U:U=1:4,故B错误;
CD.当R1、R2串联时,根据P=UI可得,R1、R2的电功率分别为:
P1=U1I1=14U×3U4R2=316×U2R2,P2=U2I2=34U×3U4R2=916×U2R2,
R1、R3并联时,根据P=UI可得,R1、R3的电功率分别为:
P3=U3I3=U×3UR2=3×U2R2,P4=U4I4=U×UR2=U2R2,
所以,P1:P4=316×U2R2:U2R2=3:16,故C错误;
P2:P3=916×U2R2:3×U2R2=3:16,故D正确。
由图可知,当联动开关断开时,电路为R1、R2的串联电路,当联动开关闭合时,R2被短路,电路为R1、R3的并联电路;
(1)利用串联电路的电流特点和欧姆定律表示出电流和电压进而求出电流、电压之比;
(2)利用P=UI表示出电功率,进而求出电功率之比。
本题考查电路分析、欧姆定律的应用及电功率的计算,关键是弄清楚开关在不同状态下的电路连接。
13.【答案】ABC
【解析】A、如图所示,墨水在热水中扩散得快,说明液体扩散快慢程度与温度有关,故A正确;
B、两个铅块相互压紧后,能悬挂重物而不分开,说明固体分子间存在相互作用的引力,故B正确;
C、在橡胶塞被冲出试管口的过程中,水蒸气的内能转化为橡胶塞的机械能,故C正确;
D、由于在能量的转化和转移中遵循能量守恒定律,因此永动机是不能制造出来的,故D错误。
(1)分子处于永不停息的运动状态,温度越高,分子运动越剧烈;
(2)分子之间存在相互作用的引力和斥力;
(3)气体膨胀对外做功,内能减小,内能转化为机械能;
(4)从能量转化的角度分析可做出判断。
本题考查了分子动理论的基本知识与应用,同时也考查了能量转化与守恒的理解,属基础知识的考查,难度不大。
14.【答案】AC
【解析】A、由图知,该电路是闭合电路,有磁场、灵敏电流计,没有电源,故这个实验研究的是电磁感应现象,发电机的工作原理是电磁感应现象,故A正确;
BC、让导体ab在竖直方向上下运动时,导体ab没有切割磁感线运动,导体中没有感应电流产生;导线ab水平向左运动,导体ab切割磁感线运动,导体中有感应电流产生,故C正确,B错误;
D、导线ab在支架上静止不动,左右移动磁体,导体ab会做切割磁感线运动,导体中有感应电流产生,故D错误。
(1)闭合电路的一部分导体在磁场中做切割磁感线运动,导体中才有感应电流产生,这种现象叫电磁感应现象。
(2)发电机是根据电磁感应原理制成的。
产生感应电流要抓住以下条件:闭合电路、一部分导体、切割磁感线运动,三个条件缺一不可。
15.【答案】ABD
【解析】AB、闭合开关,两电阻串联接入电路,电流表测通过电路的电流,电压表测滑动变阻器两端的电压,
由图2可知当通过电路的电流为0.1A时,滑动变阻器两端的电压为5V,
串联电路总电压等于各部分电压之和,根据欧姆定律可得电源电压:U=IR1+U2=0.1A×R1+5V------①,
当通过电路的电流为0.5A时,滑动变阻器两端的电压为2V,根据串联电路电压规律和欧姆定律可得电源电压:U=I′R1+U2′=0.5A×R1+2V------②,
①②联立可得电源两端的电压大小和定值电阻R1的阻值大小,故AB正确;
C、当滑动变阻器接入电路的阻值最大时,根据串联电路电阻规律和欧姆定律可知通过电路的电流最小,从图2看不出最小电流,所以无法求出滑动变阻器R2的最大阻值大小,故C错误;
D、电源电压U和定值电阻R1的阻值大小可求出,根据电功率公式P=U2R可知,当滑动变阻器的滑片移到最左端时,即滑动变阻器的电阻为0时,电路中消耗的电功率最大,故D正确。
AB、闭合开关,两电阻串联接入电路,电流表测通过电路的电流,电压表测滑动变阻器两端的电压,由图2读取两组对应的电压和电流值,根据串联电路电阻规律结合欧姆定律可表示电源电压,列出方程可得电源两端的电压大小和定值电阻R1的阻值大小;
C、当滑动变阻器接入电路的阻值最大时,根据串联电路电阻规律和欧姆定律可知通过电路的电流最小,从图2看不出最小电流,故不能确定滑动变阻器R2的最大阻值;
D、电源电压U和定值电阻R1的阻值大小可求出,再根据电功率公式P=U2R可计算出电路中消耗的最大电功率的大小。
本题考查欧姆定律、串联电路特点、电功率公式的灵活运用,正确读取图中信息是解题的关键。
16.【答案】2457.4
【解析】电能表的读数:数字方框中最后一位是小数,单位是kW⋅h,
则由图可知,电能表的示数为:2457.4kW⋅h。
本题考查电能表的读数,关键是知道数字方框中最后一位是小数。
17.【答案】A
【解析】如图,电流从通电螺线管的右端进入,从左端流出,根据安培定则可以判断通电螺线管的A端是N极,则通电螺线管的B端是S极。
通电螺线管的N极和S极通过安培定则进行判断:用右手握住螺线管,四指弯曲的方向跟螺线管中电流的方向一致,则大拇指所指的那端是通电螺线管的N极。
知道螺线管的电流方向、磁极、小磁针的磁极、磁感线中的任意一个,都可以根据磁场性质和安培定则判断另外几个。
18.【答案】答:刚开始时,水与硫酸铜溶液界面分明。由分子动理论可知,水分子和硫酸铜分子在不停地做无规则运动,所以上面的水分子要向下运动,进入到硫酸铜溶液中,同理硫酸铜分子向上运动,进入到上面的水中,时间越长,两者混合的越均匀。
【解析】一切物质的分子都在不停地做无规则运动。
本题考查扩散现象,扩散现象不但说明了分子在不停地做无规则运动。
19.【答案】(1)滑动变阻器接入电路中的阻值最大;(2)0.3;0.66
【解析】(1)闭合开关时,滑动变阻器接入电路中的阻值最大,电压表和电流表的指针都正常偏转,但示数较小,灯泡不亮,说明灯泡的实际功率太小,则下一步操作是移动滑片,减小滑动变阻器接入电路中的阻值;
(2)调节滑动变阻器的滑片P,使电压表示数为2.2V,此时电流表示数如图2所示,电流表选用小量程,分度值为0.02A,则电流表的示数为0.3A,
小灯泡的额定功率为:P=UI=2.2V×0.3A=0.66W。
(1)小灯泡不发光,电压表、电流表正常偏转,说明电路不存在断路与短路,电路正常;偏角较小,说明电路电阻太大,应调节滑动变阻器滑片,观察小灯泡是否正常发光;
(2)根据电流表选用小量程确定分度值读数,根据P=UI求出小灯泡的额定功率;
本题是测定额定电压是2.2V的小灯泡的额定功率的实验,考查故障分析、电流表读数和功率计算,属于常考命题点,难度不大。
20.【答案】(1)相同质量的水和食用油升高相同的温度,加热时间不同,吸收热量不同(或相同质量的水和食用油加热时间相同,吸收热量相同,升高的温度不同);(2)A
【解析】(1)两个相同的烧杯中分别盛有初温相同、质量相等的水和食用油,用两个额定功率相同的电热器加热液体,在相同的时间内,物质吸收的热量相同,温度升高的不同;若水和食用油升高相同的温度,水和食用油的加热时间不同,吸收的热量不同;
(2)A、在沿海地区,水是比较多的,因为水的比热容较大,白天,相同质量的水和沙石比较,吸收相同的热量,水的温度升高的少;夜晚,放出相同的热量,水的温度降低的少,使得昼夜的温差小;而内陆地区温差变化比较大,故A能够用比热容知识解释;
B、用盐水腌蛋,是盐分子运动到蛋的里面,蛋变咸,属于扩散现象,是分子无规则运动的结果,故B不能用比热容的知识解释;
C、火箭发动机采用液态氢作为火箭的燃料,原因是液态氢具有较高的热值,完全燃烧相同质量的氢和其他燃料比较,可以释放出更多的热量,故C不能用比热容的知识解释;
(1)比较物质吸热能力的2种方法:
①使相同质量的不同物质升高相同的温度,比较吸收的热量(即比较加热时间),吸收热量多的吸热能力强;
②使相同质量的不同物质吸收相同的热量(即加热相同的时间),比较温度的变化,温度变化小的吸热能力强;
(2)水的比热容大的理解:相同质量的水和其他物质比较,吸收或放出相同的热量,水的温度升高或降低的少;升高或降低相同的温度,水吸收或放出的热量多;组成物质的分子都在不停地做无规则运动;氢的热值较大。
本题考查了比较物质吸热能力的方法、水的比热容大的应用、热值、分子动理论等知识,难度不大。
21.【答案】(1)A;(2)N;(3)B
【解析】(1)由图乙可知,通电螺线管周围的磁场与条形磁体的磁场相似;
(2)异名磁极相互吸引,通电螺线管的左端吸引小磁针的N极,所以通电螺线管的左端为S极,右端为N极;
(3)通电螺线管的右端为N极,磁体周围的磁感线是从N极出来,回到S极的,所以B图正确。
(1)根据图乙可知,通电螺线管周围的磁场与条形磁体的磁场相似;
(2)根据磁极间的相互作用规律判定螺线管的极性;
(3)磁体周围的磁感线是从N极出来,回到S极的。
本题考查了通电螺线管的磁场,要会根据现象分析并得到结论。
22.【答案】(3)闭合开关S、S2,断开开关S1;(4)U2−U1U1R0。
【解析】(2)闭合开关S、S1,断开开关S2,两电阻串联,电压表测量R0两端的电压,记录电压表的示数U1,根据欧姆定律可知电路电流I=U1R0;
(3)闭合开关S、S2,断开开关S1,两电阻串联,电压表测量电源电压,记录电压表的示数U2,根据串联电路的电压特点可知Rx两端的电压Ux=U2−U1;
(4)根据欧姆定律可知Rx=UxI=U2−U1U1R0=U2−U1U1R0。
(2)闭合开关S、S1,断开开关S2,两电阻串联,电压表测量R0两端的电压,记录电压表的示数U1,根据欧姆定律可知电路电流;
(3)闭合开关S、S2,断开开关S1,两电阻串联,电压表测量电源电压,记录电压表的示数U2,根据串联电路的电压特点可知Rx两端的电压;
(4)根据欧姆定律可知Rx的阻值。
本题为测电阻的实验,考查实验步骤和电阻的计算,有一定难度。
23.【答案】(1)当电阻丝通电后,电流产生热量使煤油温度升高,从而使温度计示数上升,因此可根据温度计示数的变化大小反映电阻丝产生热量的多少;
(2)通电时间;
(3)表格如下所示:
实验次数
电流大小I/A
电阻大小R/Ω
通电时间t/s
煤油的初温t0/℃
煤油的末温t1/℃
1
2
3
【解析】(1)当电阻丝通电后,电流产生热量使煤油温度升高,从而使温度计示数上升,因此可根据温度计示数的变化大小反映电阻丝产生热量的多少;
(2)由图可知,电阻R与滑动变阻器串联在电路中,通过R的电流不变,R的电阻不变,持续通电,温度计的示数不断上升,这表明电阻产生的热量越多,所以该装置可以探究电流产生热量跟通电时间的关系;
(3)探究电流通过电阻产生热量的多少与电流大小是否有关时,需要控制导体的电阻不变,通电时间不变,改变电流的大小,通过温度计升高的示数来反映产生热量的多少,表格如下所示:
实验次数
电流大小I/A
电阻大小R/Ω
通电时间t/s
煤油的初温t0/℃
煤油的末温t1/℃
1
2
3
(1)由焦耳定律可知,瓶中电阻丝发热后放出热量,使瓶内液体温度升高,根据温度计示数变化的大小体现出来;
(2)(3)电流产生的热量跟电流大小、电阻大小、通电时间有关,根据控制变量法分析。
本题主要考查了电流产生的热量与哪些因素有关,主要应用了控制变量法与转换法。
24.【答案】(1);
(2)将5Ω的电阻接入电路,闭合开关S,调节滑片P到适当位置,使电压表的示数为2.4V,读出电流表示数记入表中;断开开关S,分别用10Ω、15Ω、20Ω、25Ω、30Ω的电阻替换5Ω的电阻,闭合开关S,移动滑动变阻器的滑片,使电压表的示数为2.4V不变,分别读出电流表的示数,记录在表格中;
(3)在电压一定时,通过导体的电流跟导体电阻成反比
【解析】(1)电流表应与定值电阻串联,电压表应并联在定值电阻两端,故定值电阻和电流表的“0.6”接线柱相连的导线错误,应将定值电阻的右端接线柱与电压表的“-”接线柱相连,如图:
(2)根据欧姆定律可知,定值电阻两端的电压UV=I1R1=0.48A×5Ω=2.4V,实验中应控制定值电阻两端的电压不变,故实验步骤为:
将5Ω的电阻接入电路,闭合开关S,调节滑片P到适当位置,使电压表的示数为2.4V,读出电流表示数记入表中;
断开开关S,分别用10Ω、15Ω、20Ω、25Ω、30Ω的电阻替换5Ω的电阻,闭合开关S,移动滑动变阻器的滑片,使电压表的示数为2.4V不变,分别读出电流表的示数,记录在表格中;
(3)分析如表中的实验数据,可知:
定值电阻两端的电压UV=IR=0.48A×5Ω=......0.08A×30Ω=2.4V,
归纳出实验结论为:在电压一定时,通过导体的电流跟电阻成反比。
本题为探究通过导体的电流跟电阻的关系的实验,考查电路连接、实验步骤和实验结论等知识,其中改接电路,写出实验步骤是本题的难点。
25.【答案】(1)灵敏度高且反应动作快速;
(2)BD;
(3)小阳在家中不小心触电了,假设他的电阻为5000Ω,通过小阳的电流为:I=UR=220V5000Ω=0.044A=44mA>30mA,所以漏电保护器会断开电路。
【解析】(1)根据文中的内容可知,漏电保护器是当人体触电或电器漏电时自动切断电源保护生命的设备,它在反应触电和漏电保护方面具有灵敏度高且反应动作快速的特点;
(2)A.电路的总功率过大会造成电路中的电流过大,但通过零线和火线的电流相同,漏电保护器不会断开电路,故A错误;
B.电冰箱中的火线碰到了地线,通过零线和火线的电流不相同,漏电保护器会断开电路,故B正确;
C.导线的绝缘皮破损,火线和零线接触形成短路,会造成电路中的电流过大,但通过零线和火线的电流相同,漏电保护器不会断开电路,故C错误;
D.站在地面上的人触碰到了裸露的火线,通过零线和火线的电流不相同,漏电保护器会断开电路,故D正确;
故选BD;
(3)小阳在家中不小心触电了,假设他的电阻为5000Ω,通过小阳的电流为:I=UR=220V5000Ω=0.044A=44mA>30mA,所以漏电保护器会断开电路。
(1)根据文中的内容分析;
(2)漏电保护器只有在电路发生漏电或有人触电时才会切断电源;
(3)根据欧姆定律计算出通过人体的电流,根据电流的大小判定漏电保护器是否会断开电路。
本题考查了学生获取信息解决实际问题的能力,涉及欧姆定律的应用等,根据题意得出漏电保护器的工作原理是关键。
26.【答案】解:(1)闭合开关S,定值电阻和滑动变阻器并联,电流表测量干路电流。
根据欧姆定律可知通过R1的电流I1=UR1=6V20Ω=0.3A,
根据并联电路的电流特点可知通过滑动变阻器的电流I2=I−I1=0.4A−0.3A=0.1A,
根据欧姆定律可知滑动变阻器R2接入电路的阻值R2=UI2=6V0.1A=60Ω;
(2)10s内电流通过电阻R1做的功W=UI1t=6V×0.3A×10s=18J。
答:(1)滑动变阻器R2接入电路的阻值为60Ω;
(2)10s内电流通过电阻R1做的功为18J。
【解析】(1)闭合开关S,定值电阻和滑动变阻器并联,电流表测量干路电流。
根据欧姆定律可知通过R1的电流,根据并联电路的电流特点可知通过滑动变阻器的电流,
根据欧姆定律可知滑动变阻器R2接入电路的阻值;
(2)根据W=UI1t得出10s内电流通过电阻R1做的功。
本题考查欧姆定律的应用和并联电路的特点,难度不大。
27.【答案】解:(1)根据P=U2R可知R1=U2P1=(220V)2550W=88Ω;
(2)三个开关都闭合时,两电阻并联,根据电阻并联的特点可知总电阻最小,电源电压不变,根据P=U2R可知总功率最大,
该款取暖器以最大功率工作时,总功率P=P1+P2=550W+1100W=1650W,
根据P=UI可知通过它的电流I=PU=1650W220V=7.5A。
答:(1)电热丝R1的阻值为88Ω;
(2)该款取暖器以最大功率工作时,通过它的电流为7.5A。
【解析】(1)已知电热丝R1的额定功率为550W,根据P=U2R可知R1的阻值;
(2)三个开关都闭合时,两电阻并联,根据电阻并联的特点可知总电阻最小,电源电压不变,根据P=U2R可知总功率最大,
该款取暖器以最大功率工作时,根据P=P1+P2得出总功率,根据P=UI可知通过它的电流。
本题考查电功率的计算,关键是电路分析,难度不大。
北京市朝阳区2023-2024学年九年级上学期期末物理试卷(选用): 这是一份北京市朝阳区2023-2024学年九年级上学期期末物理试卷(选用),共8页。
2021-2022学年北京市密云区九年级(上)期末物理试卷(含答案解析): 这是一份2021-2022学年北京市密云区九年级(上)期末物理试卷(含答案解析),共24页。试卷主要包含了L2并联的电路是等内容,欢迎下载使用。
2021-2022学年北京市海淀区九年级(上)期末物理试卷(含答案解析): 这是一份2021-2022学年北京市海淀区九年级(上)期末物理试卷(含答案解析),共30页。试卷主要包含了5A,5V和3,8Ω,高温挡的功率为900W,【答案】A,【答案】D,【答案】B,【答案】C等内容,欢迎下载使用。

