所属成套资源:全套人教版高考一轮复习课时练习含答案
人教版高考一轮复习课时练习6钠及其化合物含答案
展开
这是一份人教版高考一轮复习课时练习6钠及其化合物含答案,共8页。试卷主要包含了选择题,不定项选择题,非选择题等内容,欢迎下载使用。
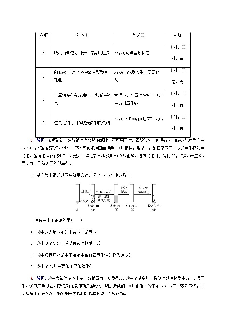
钠及其化合物(建议用时:40分钟)一、选择题(每小题只有一个选项符合题意)1.(2020·泰安模拟)关于钠及其化合物的化学用语正确的是( )A.钠原子的结构示意图:B.过氧化钠的电子式:Na NaC.碳酸氢钠的电离方程式:NaHCO3===Na++H++COD.工业上用Na制取K:Na+KClNaCl+K↑D 解析:A项中示意图为钠离子的结构示意图,故A错误;过氧化钠是离子化合物,其电子式为Na+[]2-Na+,故B错误;碳酸氢钠的电离方程式:NaHCO3===Na++HCO,故C错误;工业上用Na制取K:Na+KClNaCl+K↑,故D正确。2.分别向CuSO4溶液和FeSO4溶液中加入等量的金属钠,下列说法一定正确的是( )A.两溶液中均有金属单质析出B.CuSO4溶液中最终有蓝色沉淀生成C.FeSO4溶液中最终有白色沉淀生成D.钠在CuSO4溶液中的反应更剧烈B 解析:钠是活泼的金属,投入盐溶液中首先与水反应生成NaOH和H2,则两溶液中均没有金属单质析出,A项错误;CuSO4溶液中最终有蓝色沉淀Cu(OH)2生成,B项正确;FeSO4溶液中首先产生白色沉淀Fe(OH)2,最终转化为红褐色沉淀Fe(OH)3,C项错误;钠在溶液中反应的剧烈程度与溶液中的 c(H+)有关,不能确定两溶液中的c(H+),故不能比较二者反应的剧烈程度,D项错误。3.为鉴别K2CO3和NaHCO3两种白色固体,有4位同学分别设计了下列四种不同的方法,其中不可行的是( )A.分别加入1 mol/L的盐酸,看气泡产生的快慢B.分别取样在试管中加热,将可能产生的气体通入澄清石灰水中,观察有无白色浑浊C.分别取样配成溶液,滴加Ba(OH)2溶液,观察有无白色沉淀D.分别配成溶液,做焰色试验,观察火焰的颜色C 解析:A项,因K2CO3与盐酸反应分步进行,先生成碳酸氢钾,盐酸过量时才生成气体,故可行;B项,K2CO3受热不分解,NaHCO3受热分解产生CO2,故可行;C项,二者与Ba(OH)2溶液反应都产生白色沉淀BaCO3,故不可行;D项,钾的焰色为紫色(透过蓝色钴玻璃观察),钠的焰色为黄色,故可行。4.如图所示,两圆圈相交的部分表示圆圈内的物质相互发生的反应。已知钠及其氧化物的物质的量均为0.1 mol,水的质量为100 g。下列说法正确的是( )A.Na2O2中只含离子键B.反应①的离子方程式为Na+2H2O===Na++2OH-+H2↑C.反应③最多能产生0.05 mol O2D.①、②、③充分反应后所得溶液的溶质质量分数从大到小的顺序:①>②>③C 解析:Na2O2中阴离子是O,存在非极性共价键,A错误;反应①的离子方程式为2Na+2H2O===2Na++2OH-+H2↑,题中电荷不守恒,B错误;反应③2Na2O2+2H2O===4Na++4OH-+O2↑中,0.1 mol Na2O2产生0.05 mol O2,C正确;Na、Na2O、Na2O2与H2O反应的化学方程式分别为2Na+2H2O=== 2NaOH+H2↑,Na2O+H2O===2NaOH,2Na2O2+2H2O===4NaOH+O2↑,通过计算可知溶液的溶质质量分数从小到大的顺序:①<②=③,D错误。5.下表中,对陈述Ⅰ、Ⅱ的正确性及两者间是否具有因果关系的判断都正确的是( ) 选项陈述Ⅰ陈述Ⅱ判断A碳酸钠溶液可用于治疗胃酸过多Na2CO3可与盐酸反应Ⅰ对,Ⅱ对,有B向Na2O2的水溶液中滴入酚酞变红色Na2O2与水反应生成氢氧化钠Ⅰ对,Ⅱ错,无C金属钠保存在煤油中,以隔绝空气常温下,金属钠在空气中会生成过氧化钠Ⅰ对,Ⅱ对,有D过氧化钠可用作航天员的供氧剂Na2O2能和CO2、H2O反应生成O2Ⅰ对,Ⅱ对,有D 解析:A项错误,碳酸钠具有较强的碱性,不可用于治疗胃酸过多;B项错误,Na2O2与水反应生成NaOH,使酚酞变红,但又迅速将其氧化漂白而褪色;C项错误,常温下,钠在空气中生成的氧化物为氧化钠,金属钠保存在煤油中,是为了隔绝氧气和水蒸气;D项正确,过氧化钠可以消耗CO2、H2O,产生O2,因此可用作航天员的供氧剂。6.某实验小组通过下图所示实验,探究Na2O2与水的反应:下列说法中不正确的是( )A.②中的大量气泡的主要成分是氢气B.③中溶液变红,说明有碱性物质生成C.④中现象可能是由于溶液中含有强氧化性的物质造成的D.⑤中MnO2的主要作用是作催化剂A 解析:②中大量气泡的主要成分是氧气,A项错误;③中溶液变红,说明有碱性物质生成,B项正确;④中红色褪去,应该是由溶液中的强氧化性物质造成的,C项正确;⑤中加入MnO2产生较多气泡,说明溶液中存在H2O2,MnO2的主要作用是作催化剂,D项正确。7.(2021·辛集模拟)将7.4 g Na2CO3·10H2O 和NaHCO3组成的混合物溶于水配成100 mL溶液,其中c(Na+)=0.6 mol/L。若将等质量的混合物加热至恒重,残留物的质量是( )A.3.18 g B.2.12 gC.4.22 g D.5.28 gA 解析:Na2CO3·10H2O 和 NaHCO3组成的混合物溶于水配成100 mL溶液,其中c(Na+)=0.6 mol/L,则有n(Na+)=0.1 L×0.6 mol/L=0.06 mol。将等质量的混合物加热至恒重,得到Na2CO3固体,据Na+守恒可知,n(Na2CO3)=×0.06 mol=0.03 mol,m(Na2CO3)=0.03 mol×106 g/mol=3.18 g。8.(2020·葫芦岛模拟)将1.46 g NaOH和Na2CO3混合物配成溶液,向溶液中滴加0.1 mol/L 稀盐酸。加入盐酸的体积和生成CO2的物质的量的关系如图所示,则混合物中NaOH和Na2CO3的物质的量之比为( )A.1∶1 B.2∶1C.1∶2 D.2∶3A 解析:题图中AB段发生反应:HCO+H+===CO2↑+H2O,消耗100 mL 0.1 mol/L稀盐酸,则消耗0.01 mol HCO;据碳原子守恒推知,原混合物中含有0.01 mol Na2CO3,其质量为 0.01 mol×106 g/mol=1.06 g,则有 m(NaOH)=1.46 g-1.06 g=0.40 g,n(NaOH)=0.01 mol,故NaOH和Na2CO3的物质的量之比为 0.01 mol∶0.01 mol=1∶1。二、不定项选择题(每小题有一个或两个选项符合题意)9.过氧化钾与水的反应类似于过氧化钠与水的反应,其化学方程式为2K2O2+2H2O===4KOH+O2↑,当0.5 mol KO2与足量H2O完全反应后,下表对生成物O2的叙述中错误的是( )选项KO2的质量O2的叙述A57 gO2的质量为9 gB57 g生成标准状况下O2的体积为5.6 LC114 gO2的摩尔质量是32 g/molD57 g生成0.5 mol O2CD 解析:反应的化学方程式为2KO2+2H2O===2KOH+2K18OH+18O2↑,故生成的氧气的摩尔质量是36 g/mol,标准状况下生成的氧气的物质的量为0.25 mol,体积为5.6 L,其质量为 9 g,故C、D错误。10.向100 mL NaOH溶液中通入一定量的CO2气体,充分反应后,再向所得溶液中逐滴加入0.2 mol/L的盐酸,产生CO2的体积与所加盐酸的体积之间的关系如图所示。下列判断正确的是 ( )A.原NaOH溶液的浓度为0.2 mol/LB.通入CO2在标准状况下的体积为336 mLC.通入CO2后,所得溶液的溶质成分的物质的量之比为n(NaOH)∶n(Na2CO3)=1∶3D.通入CO2后,所得溶液的溶质成分的物质的量之比为n(NaHCO3)∶n(Na2CO3)=1∶1AB 解析:当向100 mL NaOH溶液中通入一定量的CO2气体时,反应有两种可能情况:2NaOH+CO2===Na2CO3+H2O或NaOH+CO2===NaHCO3。再加入盐酸100 mL时,无论是NaOH、NaHCO3还是Na2CO3都会生成NaCl,当盐酸体积为100 mL时,n(Na+)=n(Cl-),所以 n(NaOH)=n(HCl)=0.02 mol,溶质为NaCl时所用NaOH溶液和盐酸的体积相同,那么浓度也相同,即原NaOH溶液的浓度为0.2 mol/L,A项正确。盐酸由25 mL滴至100 mL时,发生的反应为 NaHCO3+HCl===NaCl+CO2↑+H2O,消耗盐酸0.015 mol,生成CO2 0.015 mol,故通入CO2后溶液的溶质为Na2CO3和NaHCO3;设通入CO2后所得溶液中的Na2CO3为x mol,NaHCO3 为 y mol,根据原子守恒,得2x+y=0.02、x+y=0.015,解得x=0.005,y=0.01,所得溶液的溶质成分的物质的量之比为 n(NaHCO3)∶n(Na2CO3)=2∶1,C、D项错误。根据碳原子守恒,通入的CO2在标准状况下的体积为0.015 mol×22.4 L/mol=0.336 L=336 mL,B项正确。三、非选择题11.某课外活动小组做了如下关于钾的探究实验。(1)钾与水反应实验中钾常会着火燃烧,并发生轻微爆炸,由此现象可以得出的结论是______________(任写一个),该反应的离子方程式是___________________。(2)钾与氯气反应该实验中可选用如下方案制备氯气,其中最合理的是________(填标号)。方案所用试剂净化剂干燥剂AMnO2、稀盐酸饱和食盐水浓硫酸BCa(ClO)2、浓盐酸饱和食盐水浓硫酸C氯酸钾、浓盐酸饱和Na2CO3溶液浓硫酸DKMnO4、浓盐酸水碱石灰你所选取的最合理的方案中一定会用到的仪器是________(填标号)。A.长颈漏斗 B.圆底烧瓶C.酒精灯 D.洗气瓶(3)钾与氧气反应的实验经查找资料知:钾与氧气反应可能生成K2O、K2O2、KO2。a.取一定量的钾在空气中点燃,使其充分反应;b.将生成物研成细粉备用;c.常温下,利用如图所示装置探究生成物的成分及其含量。据此回答下列问题:①使细粉末与水反应的操作是____________________________________。②测量气体体积时应注意的事项是_______________________________________________________________________________________________。③若钾与氧气燃烧的产物为K2O2、KO2,取燃烧产物3.94 g 进行上述实验,测得气体的体积为868.0 mL,则KO2的质量分数约为________(已知:常温下,气体的摩尔体积为24.8 L/mol)。解析:(2)MnO2与稀盐酸不反应;Cl2能与饱和Na2CO3溶液反应生成CO2、NaCl和NaClO等;水、碱石灰均能吸收Cl2,故方案A、C、D均不合理。(3)③设样品中K2O2物质的量为x mol,KO2物质的量为y mol,根据反应2K2O2+2H2O===4KOH+O2↑,4KO2+2H2O===4KOH+3O2↑,则有联立(Ⅰ)(Ⅱ)得x=0.01,y=0.04,故KO2的质量分数为×100%≈72.08%。答案:(1)钾与水反应放热(其他合理答案也可) 2K+2H2O===2K++2OH-+H2↑ (2)B D(3)①将仪器A向左倾斜,使水与样品充分接触②将气体冷却至室温;移动量筒使量筒内外液面相平,使量筒内的气体压强与大气压强相等;平视读数 ③72.08%12.将2.5 g碳酸钠、碳酸氢钠和氢氧化钠的固体混合物完全溶于水,制成稀溶液,然后向该溶液中逐滴加入1 mol/L的盐酸,所加入盐酸的体积与产生CO2的体积(标准状况)关系如图所示:(1)写出OA段所发生反应的离子方程式:____________________________________________________________________________________________。(2)当加入35 mL盐酸时,产生CO2的体积为________mL(标准状况)。(3)原混合物中NaOH的质量为________g,碳酸钠的质量分数为________。解析:(1)结合H+的能力:OH->CO>HCO,因此OA段发生反应的离子方程式为OH-+H+===H2O,CO+H+===HCO。(2)25~35 mL时,发生的离子方程式为HCO+H+===H2O+CO2↑,因此产生CO2的体积为(35-25)×10-3 L×1 mol/L×22.4 L/mol=0.224 L=224 mL。(3)设原混合物中NaOH物质的量为x mol,Na2CO3物质的量为y mol,NaHCO3物质的量为z mol,根据题意有40x+106y+84z=2.5,y+z=(45-25)×10-3×1,x+y=25×10-3×1,三式联立解得x=0.015,y=z=0.01,因此氢氧化钠的质量为0.015 mol×40 g/mol=0.6 g,碳酸钠的质量分数为0.01 mol×106 g/mol÷2.5 g×100%=42.4%。答案:(1)OH-+H+===H2O,CO+H+===HCO(2)224 (3)0.6 42.4%
相关试卷
这是一份人教版高考化学一轮总复习课时质量评价6钠及其化合物含答案,共8页。试卷主要包含了选择题,不定项选择题,非选择题等内容,欢迎下载使用。
这是一份2022届高考化学一轮复习作业6钠及其化合物含解析,共9页。
这是一份2022届高考化学一轮复习作业6钠及其化合物含解析,共9页。

