


2022-2023学年天津三中高一(上)期中物理试卷(含答案解析)
展开
这是一份2022-2023学年天津三中高一(上)期中物理试卷(含答案解析),共10页。试卷主要包含了【答案】D,【答案】C,【答案】CD,【答案】BD,【答案】BC,【答案】A0等内容,欢迎下载使用。
2022-2023学年天津三中高一(上)期中物理试卷 横跨杭州湾的嘉绍大桥是世界上最长、最宽的多塔斜拉桥,全长公里,设计速度为100公里/小时。某辆汽车通过嘉绍大桥的记录显示:17:33分进入嘉绍大桥,17:43分离开大桥。下列说法正确的是( )
A. 该汽车经过嘉绍大桥的位移是
B. “设计速度为100公里/小时”该速度为平均速度
C. 研究该汽车通过嘉绍大桥的时间时,可以将该汽车视为质点
D. 该汽车通过嘉绍大桥的平均速度约为 如图所示,“马踏飞燕”是汉代艺术家高度智慧、丰富想象、浪漫主义精神和高超的艺术技巧的结晶,是我国古代雕塑艺术的稀世之宝。飞奔的骏马之所以能用一只蹄稳稳地踏在飞燕上,是因为马的重心位置和飞燕视为质点在一条竖直线上。下列关于重力和重心的说法中正确的是( )A. 只有静止的物体才受到重力作用
B. 这件艺术品的重力大小总是恒定的
C. 物体挂在弹簧测力计下,弹簧测力计的示数一定等于物体的重力
D. 质量分布均匀形状规则物体的重心一定在其几何中心,但不一定在物体上 如图所示为A、B两物体运动的位移-时间图像,下列说法中不正确的是( )
A. A、B两物体开始运动时相距100m,同时相向运动
B. B物体做匀速直线运动,速度大小为
C. A、B两物体运动8s时,在距A的出发点60m处相遇
D. A物体在运动过程中停止了6s 在平直公路上有甲、乙两辆汽车沿着同一方向运动,它们的图象如图所示,则( )A. 时,甲车在乙车的前面
B. 时,甲乙两车相遇
C. 乙车比甲车迟1s出发
D. 甲车的加速度大于乙车的加速度 一质点做速度逐渐增大的匀加速直线运动,在时间间隔t内位移为s,速度变为原来的3倍。该质点的加速度为( )A. B. C. D. 如图所示,水平力F把一个物体紧压在竖直的墙壁上静止不动,下列说法中正确的是( )
A. 作用力F与墙壁对物体的压力是一对作用力与反作用力
B. 作用力F与物体对墙壁的压力是一对平衡力
C. 物体的重力与墙壁对物体的静摩擦力是一对平衡力
D. 物体对墙壁的压力与墙壁对物体的压力是一对作用力与反作用力 中国书法历史悠久,是中华民族优秀传统文化之一。在楷书笔画中,长横的写法要领如下;起笔时一顿,然后向右行笔,收笔时略向右按,再向左上回带。该同学在水平桌面上平铺一张白纸,为防打滑,他在白纸的左侧靠近边缘处用镇纸压住。则在向右行笔的过程中( )
A. 镇纸受到向左的摩擦力 B. 毛笔受到向左的摩擦力
C. 白纸只受到向右的摩擦力 D. 桌面受到向右的摩擦力 如图所示,物体A放在水平桌面上,通过定滑轮悬挂一个重为10N的物体B,且已知物体A与桌面间的最大静摩擦力为4N。要使A静止,需加一水平向左的力,则力的取值可以为( )
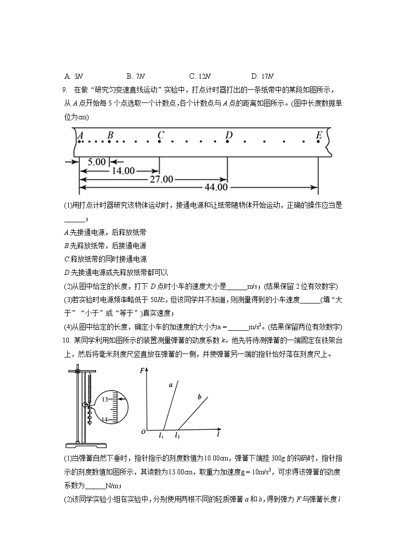
A. 3N B. 7N C. 12N D. 17N 在做“研究匀变速直线运动”实验中,打点计时器打出的一条纸带中的某段如图所示,从A点开始每5个点选取一个计数点,各个计数点与A点的距离如图所示。图中长度数据单位为
用打点计时器研究该物体运动时,接通电源和让纸带随物体开始运动,正确的操作应当是______;
A.先接通电源,后释放纸带
B.先释放纸带,后接通电源
C.释放纸带的同时接通电源
D.先接通电源或先释放纸带都可以
从图中给定的长度,打下D点时小车的速度大小是______;结果保留2位有效数字
若实验时电源频率略低于50Hz,但该同学并不知道,则测量得到的小车速度______填“大于”“小于”或“等于”真实速度;
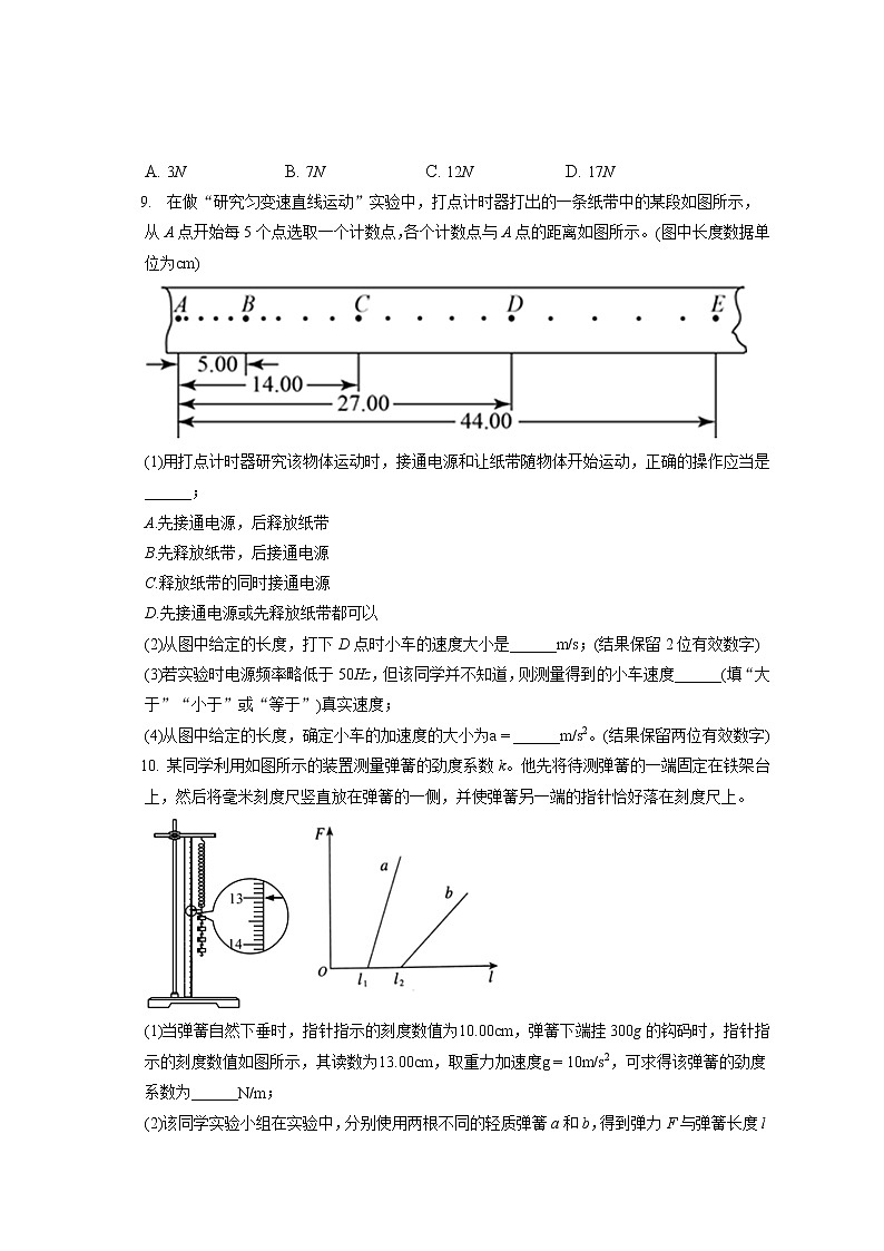
从图中给定的长度,确定小车的加速度的大小为______。结果保留两位有效数字某同学利用如图所示的装置测量弹簧的劲度系数k。他先将待测弹簧的一端固定在铁架台上,然后将毫米刻度尺竖直放在弹簧的一侧,并使弹簧另一端的指针恰好落在刻度尺上。
当弹簧自然下垂时,指针指示的刻度数值为,弹簧下端挂300g的钩码时,指针指示的刻度数值如图所示,其读数为,取重力加速度,可求得该弹簧的劲度系数为______;
该同学实验小组在实验中,分别使用两根不同的轻质弹簧a和b,得到弹力F与弹簧长度l的图像如图所示,下列选项正确的是______。
A.弹簧a的原长比b的长
B.弹簧a的劲度系数比b的大
C.弹簧a的劲度系数比b的小
D.弹簧的弹力与弹簧的长度成正比如图所示,将弹性小球以的速度从距地面2m处的A点竖直向下抛出,小球落地后竖直反弹经过距地面高的B点时,向上的速度为,从A到B,小球共用时,则此过程中:
小球发生的位移的大小?
小球速度变化量的大小?
小球平均速度的大小?
小球平均加速度的大小?
一滑块以初速度开始从斜面顶端匀加速下滑,第4s末的速度为,求:
滑块下滑时的加速度;
第3s末的速度;
第3s内的位移。如图所示,在游乐场中,有一种大型游戏机械叫“跳楼机”。参加游戏的游客被安全带固定在座椅上,由电动机将座椅沿光滑的竖直轨道提升到离地面120m的高处,然后由静止释放。为研究方便,可以认为座椅沿轨道做自由落体运动3s后,开始受到恒力制动,做匀减速运动,且下落到离地面速度刚好减小到零。然后再让座椅以相当缓慢的速度稳稳落下,将游客送回地面,取。求:
座椅在自由下落结束时刻的速度是多大?
座椅在匀减速阶段的加速度是多少?
求游客从静止释放到稳稳落地整个过程的平均速度?
答案和解析 1.【答案】C 【解析】解:A、是车的路程,不是位移。故A错误;
B、设计速度为100公里/小时为平均速率,不是平均速度。故B错误;
C、研究该汽车通过嘉绍大桥的时间时,汽车的大小可以忽略不计,可以将该汽车视为质点。故C正确;
D、是车的路程,不是位移,由于不知道位移的大小,在不能汽车车的平均速度。故D错误
故选:C。
位移表示质点在空间的位置的变化,用有向线段表示,位移的大小等于有向线段的长度,位移的方向由初位置指向末位置,物体能看作质点的条件是:物体的形状和大小对所研究的问题没有影响或影响可以忽略不计。结合平均速度的定义分析。
本题考查对质点这个物理模型的理解。质点不一定是体积很小的物体,但一定是体积和形状可以忽略不计的物体。
2.【答案】D 【解析】解:A、物体是否受到重力与运动状态无关,地面附近一切物体无论处于何种运动状态,都受到重力的作用,故A错误;
B、在地球上不同位置重力加速度不同,故重力不同,故B错误;
C、物体挂在弹簧测力计下,竖直处于平衡状态时,弹簧测力计的示数等于物体的重力,当弹簧测力计和物体有加速度时,示数不等于物体的重力,故C错误;
D、质量分布均匀形状规则物体的重心一定在其几何中心,但不一定在物体上,故D正确;
故选:D。
物体是否受到重力与运动状态无关;在地球上不同位置重力加速度不同;物体挂在弹簧测力计下处于平衡状态时,弹簧测力计的示数等于物体的重力;质量分布均匀形状规则物体的重心一定在其几何中心,但不一定在物体上。
本题考查重力和重心,知道重力的产生与运动状态无关,知道重力的大小、方向和作用点。
3.【答案】D 【解析】解:A、根据位移-时间图像知A开始运动时坐标位置为,B开始运动时坐标位置为,故A、B两物体开始运动时相距100m。位移-时间图像的斜率表示物体运动的速度,斜率正负表示速度方向,则知A的速度为正,B的速度为负,两物体的速度方向相反,是相向运动,故A正确;
B、位移-时间图像的斜率表示速度,知B物体做匀速直线运动,速度大小为,故B正确;
C、时两图线相交,表示A、B两物体运动8s时,在距A的出发点60m处到达同一位置,即相遇,故C正确;
D、内,物体A位置坐标不变,保持静止,即停止了4s,故D错误。
本题选不正确的,
故选:D。
根据位移-时间图像直接读出A、B两物体开始运动时相距距离;根据图像的斜率大小等于速度的大小,斜率的正负表示速度方向,两图线的交点表示相遇。
本题是位移-时间图像问题,可直接读出小车开始运动的时刻和位置,根据铁斜率表示速度,分析小车的运动情况。
4.【答案】C 【解析】解:AB、由于出发位置不确定,故无法判断时甲乙的位置关系,也不可能判断出时的位置关系,故AB错误;
C、由图可知,甲比乙早出发1s,故C正确;
D、在图象中,斜率代表加速度,故乙的加速度大于甲的加速度,故D错误
故选:C。
由于出发点不确定,故无法判断任意时刻甲乙的位置关系,在图象中,斜率代表加速度即可判断
解决本题的关键是要理解速度时间图线表示的物理意义,知道图线与时间轴围成的面积表示位移
5.【答案】D 【解析】解:设初速度为,末速度为,则位移为:,联立解得:。
据加速度公式,故ABC错误,D正确。
故选:D。
由题意知,速度变为原来的3倍,结合平均速度,可分别求出初速度和末速度,再由加速度的定义求得质点的加速度。
本题是匀变速直线运动规律的直接运用,解答此题的关键是用好题目给定的条件:在时间间隔t内位移为s,速度变为原来的3倍。
6.【答案】CD 【解析】【分析】
解答本题关键应分析物体的受力情况:
物体竖直方向受到重力和墙壁对物体的静摩擦力,是一对平衡力;
物体对墙壁的压力与墙壁对物体的压力是物体与墙壁之间的相互作用力,不是平衡力;
作用力F跟墙壁对物体的压力是平衡力关系;
作用力F跟物体对墙壁的压力没有直接关系。
解答本题的关键是分析受力情况,结合平衡条件分析力是否是一对平衡力.物体间的相互作用力才是一对作用力与反作用力。
【解答】
A.物体在水平方向受到作用力F跟墙壁对物体的压力两个力,它们是一对平衡力,不是一对作用力和反作用力,故A错误。
B.作用力F与物体对墙壁的压力不是作用在同一个物体上,不是平衡力;故B错误。
C.物体竖直方向受到重力和墙壁对物体的静摩擦力两个作用,物体处于静止状态,则这两个力是一对平衡力,故C正确。
D.物体对墙壁的压力与墙壁对物体的压力是一对作用力与反作用力。故D正确。
故选:CD。 7.【答案】BD 【解析】解:A、白纸始终处于静止状态,所以镇纸始终不受摩擦力,故A错误;
B、白纸始终处于静止状态,毛笔相对于纸向右运动的过程中受到纸的摩擦力的方向向左,故B正确;
C、白纸始终处于静止状态,则白纸在水平方向受到的毛笔对白纸的向右摩擦力与桌面对白纸的向左摩擦力处于平衡状态;故C错误;
D、桌面对白纸的摩擦力向左,根据牛顿第三定律可知,白纸对桌面的摩擦力的方向向右,故D正确。
故选:BD。
毛笔对纸的压力与毛笔的重力无关;对镇纸进行受力分析即可;对白纸进行受力分析,判断白纸受到的摩擦力;结合对白纸的受力分析判断桌面受到的摩擦力的方向。
判断摩擦力的有无以及摩擦力的方向是摩擦力一类题目中的难点,在该题中,对镇纸的作用的理解是解答的关键。
8.【答案】BC 【解析】解:由于物体B的重力为,以B为研究对象,则A和B之间的绳子拉力为;
以A为研究对象,当A受到的摩擦力方向向右达到最大时,拉力F最大,则有:;
当A受到的摩擦力方向向左达到最大时,拉力F最小,则有:;
所以要使系统静止,拉力的取值范围为:,故AD错误,BC正确。
故选:BC。
判断出临界情况的静摩擦力的方向和大小,然后根据平衡条件求解出的范围进行选择。
解决本题的关键静摩擦力大小和方向的可变性,能够确定研究对象,根据共点力的平衡条件进行解答。
9.【答案】大于 【解析】解:打点计时器在刚接通电源的时候打点并不稳定,且做实验的纸带长度有限,若先释放纸带再接通电源就会出现打点不稳定,打点数量不够等问题,所以需要先接通电源并稍等一会在释放纸带,故A正确,BCD错误。
故选:A。
由题意从A点开始每5个点选取一个计数点可知,相邻的两个计数点之间的时间间隔为,
根据中间时刻的瞬时速度等于该段时间的平均速度可知,,
若实验时电源频率略低于50Hz,会导致实际的打点周期会大于,打出的质点的点的间距要变大,但是在计算时还是认为打点周期为,由可知,测量得到的小车速度大于真实值,
根据逐差法公式可知,。
故答案为:大于
根据实验操作步骤即可分析,
根据中间时刻的瞬时速度等于该段时间的平均速度列式即可求解,
根据电源频率发生变化后会影响打点的时间间隔,再根据即可分析误差,
根据逐差法公式代入数据即可求解。
本题借助实验考查了匀变速直线的规律以及推论的应用,在平时练习中要加强基础知识的理解与应用,提高解决问题能力。要注意理解打点计时器的工作原理、电压、打点时间间隔以及操作的先后顺序。
10.【答案】100 B 【解析】解:指针指示的刻度数值是,弹簧下端挂300g的钩码时,弹簧的形变量是
根据胡克定律可得:
、根据图像可知,图像与横轴的交点表示弹簧的原长,则弹簧a的原长比b的短,故A错误;
BC、图像的斜率表示弹簧的劲度系数,则弹簧a的劲度系数比b的大,故B正确,C错误;
D、由胡克定律可知弹簧的弹力与弹簧的形变量成正比,与弹簧的长度是一次函数关系,故D错误;
故选:B。
故答案为:;
根据胡克定律得出弹簧的劲度系数;
根据实验原理结合图像的物理意义完成分析。
本题主要考查了胡克定律的相关应用,根据实验原理掌握正确的实验操作,结合图像的物理意义即可完成分析。
11.【答案】解:以竖直向下方向为正方向,
小球发生的位移为;
小球速度变化量为,即速度变化量的大小为;
小球平均速度;
小球平均加速度,即平均加速度的大小为。
答:小球发生的位移的大小为;
小球速度变化量的大小为;
小球平均速度的大小为;
小球平均加速度的大小为。 【解析】根据位移、速度变化量、平均速度、平均加速度的定义式,代入数据即可求解。注意几个物理量均为矢量,正负号表示方向。
本题考查位移、速度变化量、平均速度、平均加速度的定义式,注意矢量的正负号表示方向,不表示大小。
12.【答案】解:由可得,
根据可得,第3s末的速度;
根据可得,前2s内的位移
前3s内的位移,
第3s内的位移
答:滑块下滑时的加速度为;
第3s末的速度为;
第3s内的位移为。 【解析】根据匀变速直线运动的速度时间公式求出滑块下滑时的加速度。
根据速度时间公式求出第3s末的速度。
根据匀变速直线运动的位移时间公式求出前3s内的位移。
解决本题的关键掌握匀变速直线运动的速度时间公式、位移时间公式,并能灵活运用,基础题。
13.【答案】解:座椅做自由落体运动的时间为3s,根据
可得座椅在自由下落结束时刻的速度:
座椅做自由落体运动的位移为:
所以座椅做匀减速直线运动的位移为:
匀减速直线运动过程中的初速度为,末速度为0,位移为75m,所以根据位移-速度公式可得:
即减速运动的加速度大小为,方向向上。
减速过程中的运动时间为:
所以整个运动过程中的总时间为
所以整个过程中的平均速度为
答:座椅在自由下落结束时刻的速度是;
座椅在匀减速阶段的加速度大小是,方向向上;
求游客从静止释放到稳稳落地整个过程的平均速度是。 【解析】根据自由落体速度-时间关系求解速度;
求出自由下落的高度,由位移关系得出减速下落过程中的位移,根据位移-速度公式求出加速度;
求出减速下落的时间,根据平均速度的定义式即可求出。
该题结合自由落体运动考查匀变速直线运动的公式的应用,掌握匀变速直线运动的规律是解决问题的基础。
相关试卷
这是一份2022-2023学年天津三中高一(下)期中物理试卷(含解析),共15页。
这是一份2022-2023学年天津一中高一(上)期末物理试卷(含答案解析)
这是一份2022-2023学年天津市和平区高一(上)期末物理试卷(含答案解析)