





























2022年全国职业院校技能大赛高职组 集成电路开发及应用赛项模拟赛题(Word版)
展开集成电路开发及应用赛项来源于集成电路行业真实工作任务,由“集成电路设计与仿真”、“集成电路工艺仿真”、“集成电路测试”及“集成电路应用”四部分组成。
第一部分 集成电路设计与仿真
使用集成电路版图设计软件,根据下面计数器功能要求(计数器初值和进制随机抽取),使用指定工艺PDK,设计集成电路原理图和版图,并进行功能仿真。
设计要求如下:
芯片引脚:1个CP时钟输入端;4个信号输出端Q3、Q2、Q1、Q0;1个VCC电源端;1个GND接地端。
功能要求:输出端Q3、Q2、Q1、Q0由高到低组成状态S(Q3Q2Q1Q0),CP上升沿计数,每次计数S的值增加1,S为(1111)2时计数后变为(0000)2,计数次数达到进制值S变为初始状态S0。初始状态S0由比赛现场裁判长抽取的任务参数确定,进制值由比赛现场裁判长抽取的任务参数从3~7之中确定。
仿真设置:VCC为+5V,CP为1kHz。
通过DRC检查和LVS验证。
使用MOS管数量应尽量少。
所设计版图面积应尽量小。
现场评判要求:
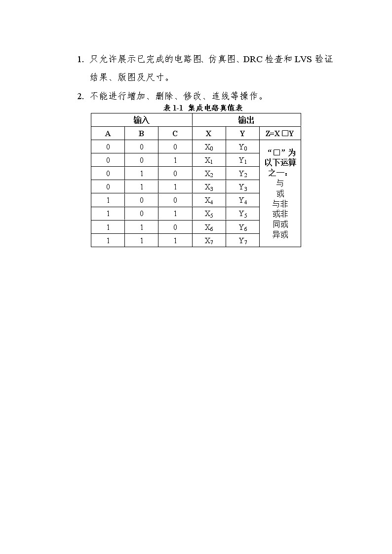
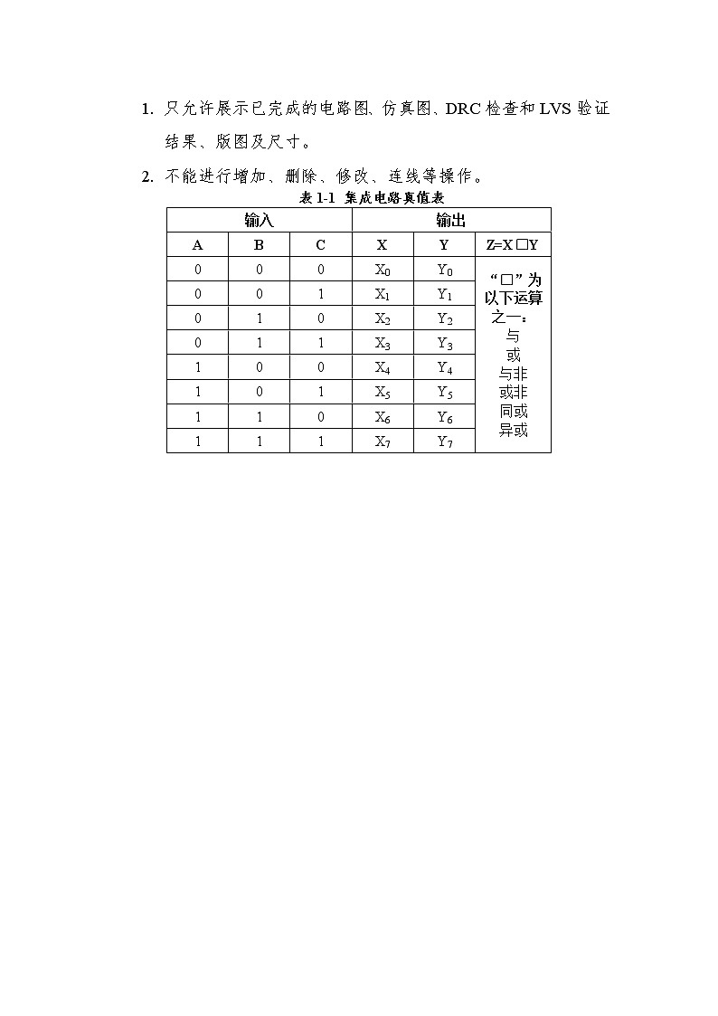
只允许展示已完成的电路图、仿真图、DRC检查和LVS验证结果、版图及尺寸。
不能进行增加、删除、修改、连线等操作。
参数抽取举例:
如图1-1所示,现场抽取初始状态S0=(1101)2,现场抽取进制值为5进制;则第一个CP上升沿到来后,S状态值变为(1110)2;第二个CP上升沿到来后,S状态值变为(1111)2;第三个CP上升沿到来后,S状态值变为(0000)2;第四个CP上升沿到来后,S状态值变为(0001)2;第五个CP上升沿到来后,S状态值变回初始状态(1101)2;以此类推,继续循环进行5进制计数。
S0(Q3Q2Q1Q0)
图1-1举例说明状态转移图
第二部分 集成电路工艺仿真
选择题应根据工艺问题或视频片断选择适合的答案,漏选、多选、错选均不得分。仿真操作题应根据题目要求,按照集成电路工艺规范,在交互仿真平台进行仿真操作。
(单选)视频中正在进行对刀操作,若①与②两者未对齐就进行划片,则会造成()现象。
A.晶圆沾污
B.晶圆整片划伤
C.蓝膜切透
D.切割处严重崩边
(单选)视频中正在进行塑封作业,若①部件闭合压力不足,可能会造成()。
A.塑封料填充不足
B.开模失败
C.溢料
D.塑封体变色
(单选)视频中是某台正在作业的设备,当该区域的液体供应不足时,可能会造成下列选项中的哪种现象?()
A.切割崩边
B.晶粒脱离蓝膜
C.划片位置偏移
D.蓝膜开裂
(单选)视频中为装片机的点胶区,银浆分配器正在给芯片座点浆,其中点浆合格的标号是()。
A.①
B.②
C.③
D.④
(单选)视频中的操作属于什么工艺环节?
扎针测试前的导片
扎针测试后的导片
晶圆烘烤前的导片
晶圆烘烤后的导片
(多选)塑料封装时,视频中的操作是模压过程(传统模)中不可或缺的一步,该操作的作用有()。
A.去除塑封料中的水分
B.制作高质量塑封料
C.提高塑封料的可重复使用率
D.加快模压过程,提高塑封机工作效率
(多选)视频展示的是编带抽真空过程中出现真空不足的现象,造成视频所述现象的原因可能有()。
设备故障
铝箔袋破损
封口温度设置过低
封口时间设置太短
(多选)视频表述的是封装工艺中引线键合的操作过程,其中①指示的部位是()。
第一焊点
第一键合点
第二焊点
第二键合点
(多选)晶圆划片后对其外观进行检查,观察到视频中的不良现象,出现该异常的原因可能有()。
载片台步进过大
划片刀磨损
划片刀转速过大
冷却水流量过小
(多选)激光打标是为芯片打上标识的过程,当大量出现视频中①标注的现象时,下列操作正确的有()。
继续完成本批次作业
暂停设备作业
将存在该问题的芯片报废处理
技术人员检修光路
(仿真操作)晶圆打点—故障结批:集成电路制造晶圆测试工艺打点环节故障处理和作业结批
(仿真操作)重力式分选机—测试运行:集成电路制造芯片测试工艺重力式测试分选环节分选机设备上料、测试等运行
(仿真操作)平移式分选机—参数设置:集成电路制造芯片测试工艺平移式测试分选环节分选机参数设置
(仿真操作)芯片粘接——设备运行:集成电路制造封装工艺芯片粘接部分装片机设备运行
(仿真操作)曝光—设备运行:集成电路制造流片工艺光刻部分曝光环节的曝光机设备运行过程
第三部分 集成电路测试
参赛选手从现场下发的元器件中选取待测试芯片及工装所需元件和材料,参考现场下发的技术资料(芯片手册、元器件清单等),在规定时间内,按照相关电路原理与电子装接工艺,设计、焊接、调试工装板,搭建和配置测试环境,使用测试仪器与工具,实施并完成测试任务。
集成电路测试共分为数字集成电路测试和模拟集成电路测试两项子任务。
子任务一:数字集成电路测试
待测芯片:数据选择器(例如:SN74F157ADR)
参数测试
(1)开短路测试
(2)VOL输出低电平电压测试
(3)IOH输出高电平电流测试
(4)IIH输入高电平电流测试
功能测试
设计、焊接、调试完成测试工装,搭建并配置测试环境,测试芯片逻辑功能,应设置输入引脚、控制引脚状态,记录输出引脚电压值并标注单位。
子任务二:模拟集成电路测试
待测芯片:TPS73625
TPS73625采用NMOS作为调整管,可以提供最大400mA的电流输出。它们的输入输出最小压降可以达到75mV,且输出端无须外接滤波电容也可以保持稳定的输出。TPS736xx系列器件的另一个显著优点是它们采用先进的双极互补金属氧化物半导体(BiCMOS)工艺在保持高精度输出的同时,提供极低输入输出压降和接地电流。此类拥有极低输入输出压降能力的稳压器通常也称为LDO。而接地电流极低也意味着待机功耗极低,对于一些便携式产品来说是很好的选择。芯片封装及引脚说明如图3-1所示:
图3-1 TPS73625封装及引脚图
参数测试
(1)输出电源
(2)最大输出电流
(3)输入输出压差
(4)接地电流
(5)负载调整率
(6)线性调整率
(7)电源抑制比
(8)输出噪声电源
应用电路测试
利用比赛现场提供的TPS736XX芯片、万能板、各类阻容元件、晶体管器件等,搭建一个输出电压为5V的稳压源。
测试并记录以下数据;
(1)输出电源
(2)最大输出电流
(3)输入输出压差
(4)接地电流
(5)负载调整率
(6)线性调整率
(7)电源抑制比
(8)输出噪声电源
第四部分 集成电路应用
集成电路应用任务要基于单片机(STC12C5AS12或stm32f103c8t6)及运放(LM358)设计一款电压表。
参赛选手应利用LM358、STC12C5AS12或stm32f103c8t6、AMS1117等集成电路芯片及4位8段数码管模块搭建电压、电流采集系统,编写控制程序,实现直流电压、电流采集、并显示当前电压、电流值等功能。
1.数码管显示部分如如图4-1和图4-2所示。
0.0
00.0
图4-1 电压显示 图4-2 电流显示
2.实现过程
开机初始化单片机内部的2路ADC及其他必要外设;
在采集端有电压接入自动采集电压数据;
有负载接入时候同时采集电压、电流数据并显示;
数据精度是0.1V、0.1A。
3. 说明
电压采集范围0~10V;
电流采集范围0.5~5A;
数码管电压显示单位是V;
数码管电流显示单位是A。
待抽取参数
抽取结果
(举例)
初始状态值
S0(Q3Q2Q1Q0)
1101
计数器进制值
5
2022年全国职业院校技能大赛高职组 云计算赛项模拟赛题(Word版): 这是一份2022年全国职业院校技能大赛高职组 云计算赛项模拟赛题(Word版),共158页。
2022年全国职业院校技能大赛高职组 移动应用开发赛项模拟赛题(Word版): 这是一份2022年全国职业院校技能大赛高职组 移动应用开发赛项模拟赛题(Word版),文件包含移动应用开发05docx、移动应用开发08docx、移动应用开发03docx、移动应用开发04docx、移动应用开发06docx、移动应用开发01docx、移动应用开发02docx、移动应用开发07docx、移动应用开发09docx、移动应用开发10docx等10份试卷配套教学资源,其中试卷共383页, 欢迎下载使用。
2022年全国职业院校技能大赛高职组 中药传统技能赛项模拟赛题(Word版): 这是一份2022年全国职业院校技能大赛高职组 中药传统技能赛项模拟赛题(Word版),文件包含2022年大赛性状+真伪试题-第7套-GA-答案docx、2022年大赛性状+真伪试题-第6套-GA-答案docx、2022年大赛性状+真伪试题-第1套-GA-答案docx、2022年大赛性状+真伪试题-第2套-GA-答案docx、2022年大赛性状+真伪试题-第9套-GA-答案docx、2022年大赛性状+真伪试题-第3套-GA-答案docx、2022年大赛性状+真伪试题-第8套-GA-答案docx、2022年大赛性状+真伪试题-第4套-GA-答案docx、2022年大赛性状+真伪试题-第10套-GA-答案docx、2022年大赛性状+真伪试题-第5套-GA-答案docx、1-2022年中药显微鉴别题库范围评分标准混合粉末doc、2022年大赛性状+真伪试题-第6套-GAdocx、2022年大赛性状+真伪试题-第7套-GAdocx、2022年大赛性状+真伪试题-第8套-GAdocx、2022年大赛性状+真伪试题-第9套-GAdocx、中药炮制操作评分标准docx、2022年大赛性状+真伪试题-第10套-GAdocx、中药调剂操作评分标准docx、2022GS-4Adoc、2022年大赛性状+真伪试题-第3套-GAdocx、2022GS-10Bdoc、2022GS-10Bdoc、2022GS-1Adoc、2022GS-1Adoc、2022GS-1Bdoc、2022GS-1Bdoc、2022GS-2Adoc、2022GS-2Adoc、2022年大赛性状+真伪试题-第4套-GAdocx、2022GS-2Bdoc、2022GS-2Bdoc、中药制剂分析操作评分标准docx、2022年大赛性状+真伪试题-第2套-GAdocx、2022GS-3Adoc、2022年大赛性状+真伪试题-第1套-GAdocx、2022GS-3Adoc、2022GS-3Bdoc、2022GS-3Bdoc、2-2022年中药显微鉴别评分标准docx、2022GS-4Adoc、2022年中药制剂分析操作题库范围评分标准样题doc、2022年中药性状+真伪评分标准docx、2022GS-10Adoc、2022年大赛性状+真伪试题-第5套-GAdocx、2022GS-6Bdoc、2022GS-7Adoc、2022GS-5Adoc、2022GS-4Bdoc、2022GS-10Adoc、2022GS-5Bdoc、2022GS-5Bdoc、2022GS-6Adoc、2022GS-6Adoc、2022GS-5Adoc、2022GS-6Bdoc、2022GS-7Adoc、2022GS-7Bdoc、2022GS-7Bdoc、2022GS-8Adoc、2022GS-8Adoc、2022GS-8Bdoc、2022GS-8Bdoc、2022GS-9Adoc、2022GS-9Adoc、2022GS-9Bdoc、2022GS-9Bdoc、中药药剂操作评分标准docx、2022GS-4Bdoc、2022年大赛中药炮制试题-第7套-GBdocx、2022年大赛中药炮制试题-第8套-GBdocx、2022年大赛中药炮制试题-第8套-GAdocx、中药审方理论评分标准docx、2022年大赛中药炮制试题-第7套-GAdocx、2022年大赛中药炮制试题-第6套-GBdocx、2022年大赛中药炮制试题-第6套-GAdocx、2022年大赛中药炮制试题-第5套-GBdocx、2022年大赛中药炮制试题-第5套-GAdocx、2022年大赛中药炮制试题-第9套-GAdocx、2022年大赛中药药剂试题-第8套doc、2022年大赛中药炮制试题-第9套-GBdocx、2022年大赛中药药剂试题-第10套doc、2022年大赛中药药剂试题-第1套doc、2022年大赛中药药剂试题-第2套doc、2022年大赛中药药剂试题-第3套doc、2022年大赛中药药剂试题-第4套doc、2022年大赛中药药剂试题-第5套doc、2022年大赛中药药剂试题-第6套doc、2022年大赛中药药剂试题-第7套doc、2022年大赛中药药剂试题-第9套doc、2022年大赛中药炮制试题-第4套-GAdocx、2022年大赛中药炮制试题-第4套-GBdocx、2022GT-9Adocx、2022年大赛中药炮制试题-第3套-GBdocx、2022GT-2Cdocx、2022GT-4Ddocx、2022GT-4Cdocx、2022GT-4Bdocx、2022GT-4Adocx、2022GT-3Ddocx、2022GT-3Cdocx、2022GT-3Bdocx、2022GT-3Adocx、2022GT-2Ddocx、2022GT-2Bdocx、2022GT-5Bdocx、2022GT-2Adocx、2022GT-1Ddocx、2022GT-1Cdocx、2022GT-1Bdocx、2022GT-1Adocx、2022GT-10Ddocx、2022GT-10Cdocx、2022GT-10Bdocx、2022GT-10Adocx、2022GT-5Adocx、2022GT-5Cdocx、2022年大赛中药炮制试题-第3套-GAdocx、2022GT-8Ddocx、2022年大赛中药炮制试题-第2套-GBdocx、2022年大赛中药炮制试题-第2套-GAdocx、2022年大赛中药炮制试题-第1套-GBdocx、2022年大赛中药炮制试题-第1套-GAdocx、2022年大赛中药炮制试题-第10套-GBdocx、2022年大赛中药炮制试题-第10套-GAdocx、2022GT-9Ddocx、2022GT-9Cdocx、2022GT-9Bdocx、2022GT-8Cdocx、2022GT-5Ddocx、2022GT-8Bdocx、2022GT-8Adocx、2022GT-7Ddocx、2022GT-7Cdocx、2022GT-7Bdocx、2022GT-7Adocx、2022GT-6Cdocx、2022GT-6Bdocx、2022GT-6Adocx、2022GT-6Ddocx等139份试卷配套教学资源,其中试卷共235页, 欢迎下载使用。