2022年全国职业院校技能大赛高职组 复杂部件数控多轴联动加工技术赛项模拟赛题(PDF版+Word版)
展开
2022年全国职业院校技能大赛高职组
“复杂部件数控多轴联动加工技术”赛项
(总时间:420分钟)
比
赛
任
务
书
开始时间: 结束时间: 赛位号:
一、注意事项
1.本任务书(含图纸)总共13页,赛后选手需如数交回。
2.任务完成总分为100分。
3.参赛团队应在420分钟(7小时)时间内完成任务书规定内容。比赛时间到,比赛即结束,选手应立即停止操作,根据裁判要求离开比赛场地,不得延误。
4.选手不得在任何纸质材料中书写泄露参赛队信息的记号,一经发现取消竞赛资格。
5.选手进入赛场不准携带移动存储器材,不准携带手机等通讯工具,违者取消竞赛资格。
6.选手比赛中如出现下列情况时另行扣分:
(1)操作过程中设备各部件之间发生严重撞击,影响运行,扣除总分10分,操作过程中发生机床主轴碰撞等严重事故的将取消竞赛资格。
(2)在完成工作任务过程中计算机及软件损坏,经裁判组检测后;如非人为损坏,由裁判长根据现场情况决定技术支持人员进行处理;如属人为损坏参照第7点处理。
7.选手在完成工作任务过程中,因违规操作而损坏赛场设备及部件的总分扣除:工具砸向机床工作台面扣10分,损坏工、量具扣5分/件,损坏其它设施及零部件扣2分/个。
8.选手扰乱赛场秩序,干扰裁判正常工作扣总分5分,情节严重者,经执委会批准,由裁判长宣布,取消竞赛资格。
二、需要完成的工作任务
任务1 数字化工艺设计;
任务2 复杂部件造型;
任务3 复杂部件多轴联动编程与仿真;
任务4 辅助部件数控编程与加工;
任务5 复杂部件多轴加工;
任务6 零件创新设计加工;
任务7 零、部件装配与调试;
任务8 职业素养与操作安全。
三、具体任务及要求
任务1 数字化工艺设计
根据以下要求,利用现场提供的CAPP软件进行数字化工艺编制。
(1)按照后附图纸(DZ0001~DZ0006)的零部件规划设计加工生产工序、刀具的配置、切削条件、加工效率等,然后在CAPP软件<加工工艺过程卡片>和<加工工序卡片>等模板中填写相关内容,要求按规范填写,可以选择插入工程标注符号。
(2)按照后附图纸(DZ0000)的装配要求,规划设计装配工艺过程,然后在CAPP软件<装配工艺卡片>模板中填写相关内容。要求按规范填写,可以选择插入工程标注符号。
(3)填写<封面>、<加工目录清单>模板。
(4)完成以上全部内容后,将所有完成的程序文件保存在计算机“U盘: \2022复杂部件数控多轴联动技术\场次-赛位”文件夹下,文件名称为“工艺文件.cxp”。
(5)文件中不得出现泄露身份的信息,一经发现取消参赛资格。
任务2 复杂部件造型
根据以下要求,利用现场提供的CAD/CAM软件等进行复杂部件的造型设计。
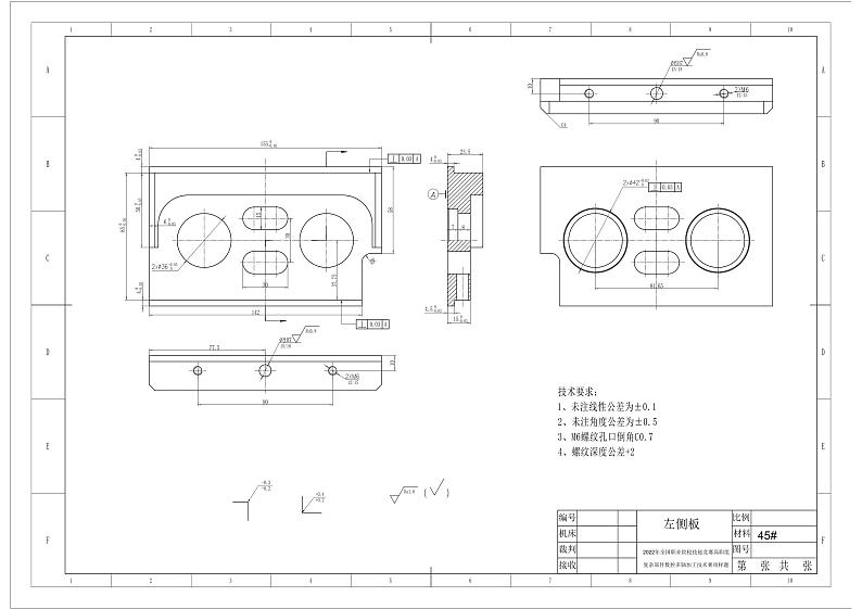
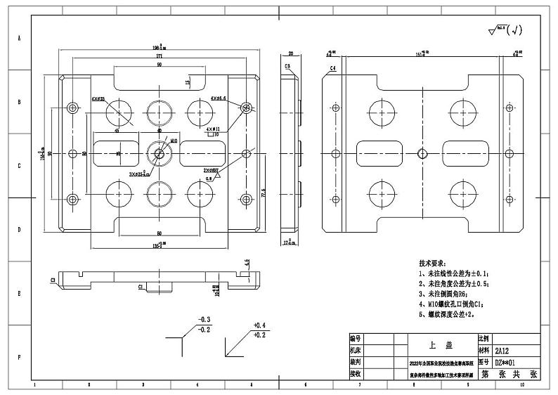
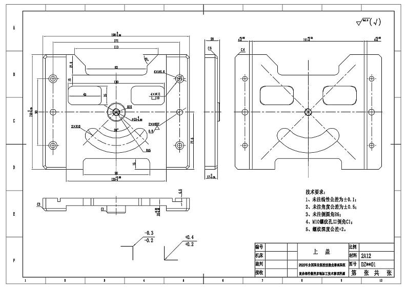
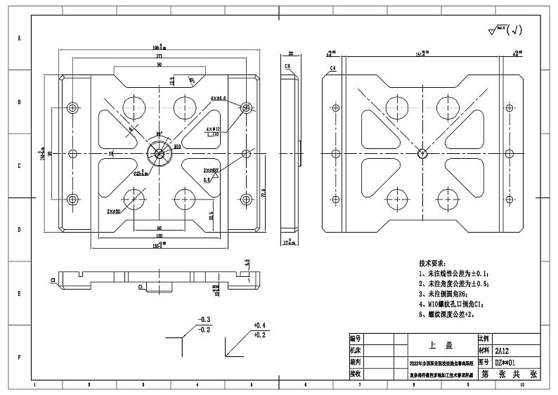
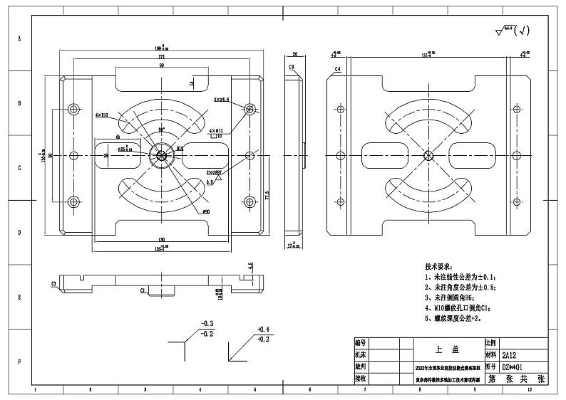
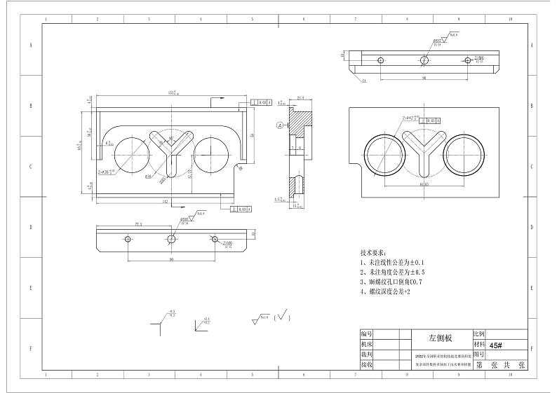
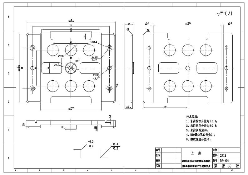
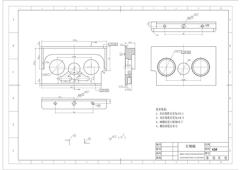
(1)按照后附图纸(DZ0005、DZ0006)的型面特点和曲面造型的需要,选用现场提供的CAD/CAM软件等建立零件的几何模型,进行复杂部件的造型设计。
(2)完成以上全部内容后,将所有完成的程序文件保存在计算机“U盘: \2022复杂部件数控多轴联动技术\场次-赛位”文件夹下,文件名称为“造型DZ0005.stp、造型DZ0006.stp”,文件格式为stp。
(3)文件中不得出现泄露身份的信息,一经发现取消参赛资格。
任务3 复杂部件多轴联动编程与仿真
根据以下要求,完成复杂部件多轴联动编程与仿真。
按照后附图纸(DZ0005、DZ0006)的技术要求,选手根据对DZ0005、DZ0006零件的加工工艺安排,在CAM软件中编程、后置处理程序,在仿真软件中设置刀具、毛坯、加工坐标系等,然后导入后置处理的程序,进行仿真加工。
(1)将仿真后的所有完成的文件汇总打包保存在计算机“U盘: \2022复杂部件数控多轴联动技术\场次-赛位\仿真”文件夹下,项目名称为“仿真加工DZ0005、仿真加工DZ0006”。
注意:项目文件要保证能在另一台电脑上能打开,并能进行过程仿真。
(2)文件中不得出现泄露身份的信息,一经发现取消参赛资格。
任务4 辅助部件数控编程与加工
根据以下要求,完成辅助部件的数控编程与加工。
按照后附图纸(DZ0001--DZ0004)的技术要求,利用赛场提供的设备及零件毛坯, 按照自行设计的工艺,自选数控编程方式,采用铣、钻、镗、铰等方式完成辅助零件的加工,并符合技术要求及保证加工精度。
任务5 复杂部件多轴加工
根据以下要求,完成复杂部件多轴加工。
按照后附图纸(DZ0005、DZ0006)的技术要求,将完成后置处理及仿真加工验证后的数控加工程序传输至加工中心,根据工艺选择相应的刀具完成复杂部件多轴加工。
任务6 零件创新设计加工
根据要求,完成零件的创新设计并加工。
利用赛场提供的毛坯,自行设计工艺,完成零件的创新设计并加工,能与辊轴装配,零件外观美观无毛刺。
任务7 零、部件装配与调试
根据图纸要求,完成部件与相关辅助零件的装配及调试。
按照后附图纸,利用赛场提供的标准件和工具,根据装配图纸要求,将加工完成零部件进行装配,并按技术要求调试,达到整体技术要求。
最后用赛位提供的铝箔材料试压成型,要求试压2片与图纸(DZ0006)相符,将结果展示给裁判,裁判确认后再将装配好的部件拆散,分别装在现场提供的气泡密封袋中,三个自带的齿轮、键及试压好的2片铝箔也一起提交。
任务8 职业素养与操作安全
考核选手在比赛过程中表现出的职业素养、安全规范等。
(1) 选手分工合作合理、工作细心细致;
(2) 执行自行设计的生产工艺步骤;
(3)操作设备规范、生产效率较高;
(4)正确使用工具、量具;
(5)合理利用原材料及装配过程中正确消耗材料;
(6)处理废弃物符合环保要求;
(7)现场安全、文明生产。
注:
1. 所有任务的完成时间都在竞赛时间内,包括装配试压。
2. 比赛结束时选手应在现场评分表中按手印,以确认自己的竞赛过程。
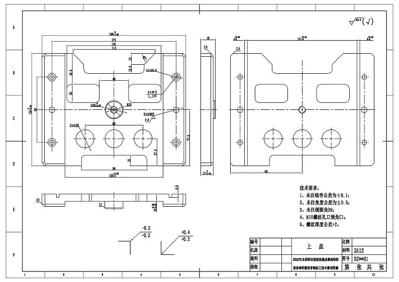
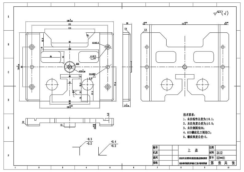
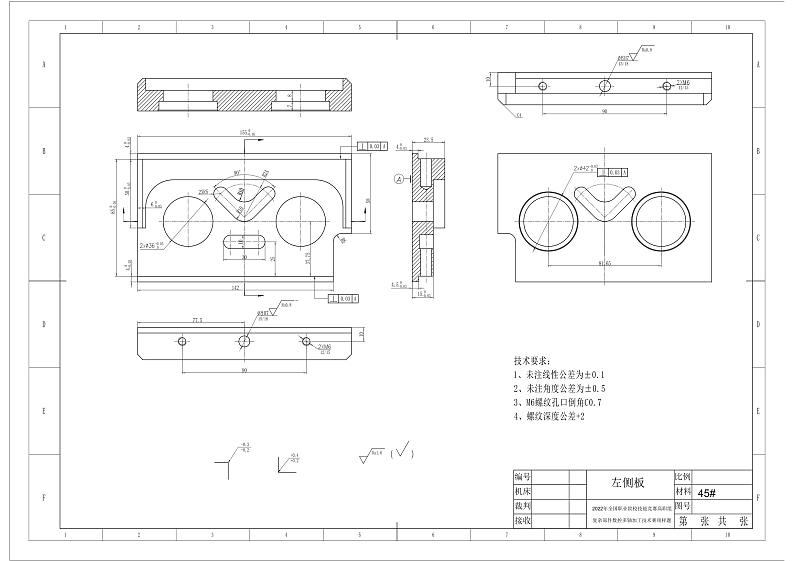
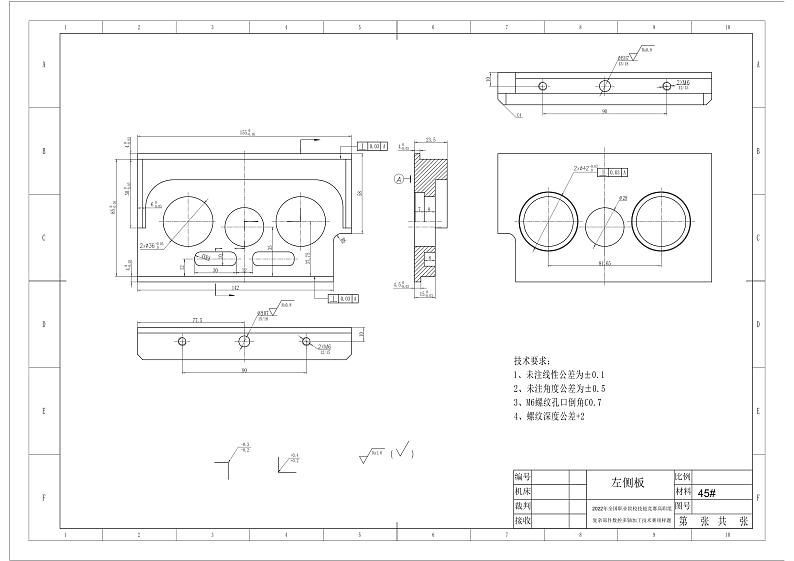
四、图纸(DZ0000~ DZ0006)
详见附件
2022年全国职业院校技能大赛高职组 园艺赛项模拟赛题(PDF版): 这是一份2022年全国职业院校技能大赛高职组 园艺赛项模拟赛题(PDF版),共40页。
2022年全国职业院校技能大赛高职组 水处理技术赛项模拟赛题(Word版): 这是一份2022年全国职业院校技能大赛高职组 水处理技术赛项模拟赛题(Word版),文件包含模块A水处理工艺赛题库1docx、模块A水处理工艺赛题库6docx、模块A水处理工艺赛题库10docx、模块A水处理工艺赛题库8docx、模块A水处理工艺赛题库7docx、模块A水处理工艺赛题库9docx、模块A水处理工艺赛题库5docx、模块A水处理工艺赛题库4docx、模块A水处理工艺赛题库3docx、模块A水处理工艺赛题库2docx、模块B2泵站系统运行与维护赛题库10docx、模块B2泵站系统运行与维护赛题库8docx、模块B2泵站系统运行与维护赛题库7docx、模块B2泵站系统运行与维护赛题库6docx、模块B2泵站系统运行与维护赛题库5docx、模块B2泵站系统运行与维护赛题库4docx、模块B2泵站系统运行与维护赛题库3docx、模块B2泵站系统运行与维护赛题库2docx、模块B2泵站系统运行与维护赛题库1docx、模块B2泵站系统运行与维护赛题库9docx、模块B1水的混凝试验赛题库9doc、模块B1水的混凝试验赛题库8doc、模块B1水的混凝试验赛题库6doc、模块B1水的混凝试验赛题库4doc、模块B1水的混凝试验赛题库3doc、模块B1水的混凝试验赛题库2doc、模块B1水的混凝试验赛题库1doc、模块B1水的混凝试验赛题库10doc、模块B1水的混凝试验赛题库5doc、模块B1水的混凝试验赛题库7doc等30份试卷配套教学资源,其中试卷共469页, 欢迎下载使用。
2022年全国职业院校技能大赛高职组 数控机床装调与技术改造赛项模拟赛题(Word版): 这是一份2022年全国职业院校技能大赛高职组 数控机床装调与技术改造赛项模拟赛题(Word版),文件包含样题1docx、样题10docx、样题2docx、样题3docx、样题4docx、样题5docx、样题6docx、样题7docx、样题8docx、样题9docx、评分标准docx等11份试卷配套教学资源,其中试卷共234页, 欢迎下载使用。

