数学职业模块 工科类第2章 坐标变换与参数方程2.3 应用举例精品课件ppt
展开【课题】 2.3 应用举例
【教学目标】
知识目标:
(1)掌握机床坐标系、工件坐标系、绝对坐标、增量坐标的概念.
(2)会解决实际生产中与本章知识相关的实际应用问题.
能力目标:
通过应用数学知识解决实际问题的应用举例,锻炼学生分析问题和解决问题的能力.
【教学重点】
机床坐标系、工件坐标系、绝对坐标及增量坐标的概念及相关计算.
【教学难点】
零件轮廓的基点坐标的计算.
【教学设计】
数控加工是建立在工件轮廓点坐标计算的基础上的.正确把握数控机床坐标系及根据不同坐标原点建立不同坐标系的方法,准确计算,才能为数控机床的程序编制和使用维修带来方便.机床坐标系、工件坐标系、绝对坐标及增量坐标的教学,目的是使学生了解生产实际中的数学模型,并且认识到学习坐标系的变换是非常必要的.编程坐标系与工件坐标系一致,是数控加工的关键.例1是这类知识的巩固性题目.教学中,要结合具体问题,合理应用坐标变换公式.
【教学备品】
教学课件.
【课时安排】
2课时.(90分钟)
【教学过程】
教 学 过 程 | 教师 行为 | 学生 行为 | 教学 意图 | 时间 |
*揭示课题 2.3应用举例. *创设情境 兴趣导入 在数控机床上的加工工件,是通过刀具相对工件的运动来实现的,刀具的动作由数控系统发出的指令来控制.为了定量的描述数控机床上刀具相对工件的运动位置,需要建立机床加工使用的坐标系. |
介绍
播放 课件
质疑 |
了解
观看 课件
思考 |
自然的走向知识点 |
0
5 |
*动脑思考 探索新知 数控机床有三个坐标系: (1)机床坐标系.它是机床厂家在机器出厂前设置好的,不可随意更改.用来确定工作台或刀架、机床主轴在工作时与机床导轨的相对位置,其坐标系原点叫做“机床原点”. (2)编程坐标系.它是在编程时为了计算方便而确定的坐标系.用来确定工件轮廓各点之间的相对位置,其坐标原点由用户选定. (3)工件坐标系.它是为加工方便而选用的坐标系.其坐标原点叫做“工件原点” ,通常情况下,工件坐标原点应与编程坐标原点重合. 图2-9 当我们把零件放到机床上时(如图2-9),能否让编程坐标系与工件坐标系一致,是加工的关键.否则,数控机床就会自行设定工件坐标系,导致工件报废,甚至出现事故. |
详细分析讲解
总结 归纳
详细分析讲解 |
思考
理解 记忆
理解 记忆
|
带领 学生 总结
|
15 |
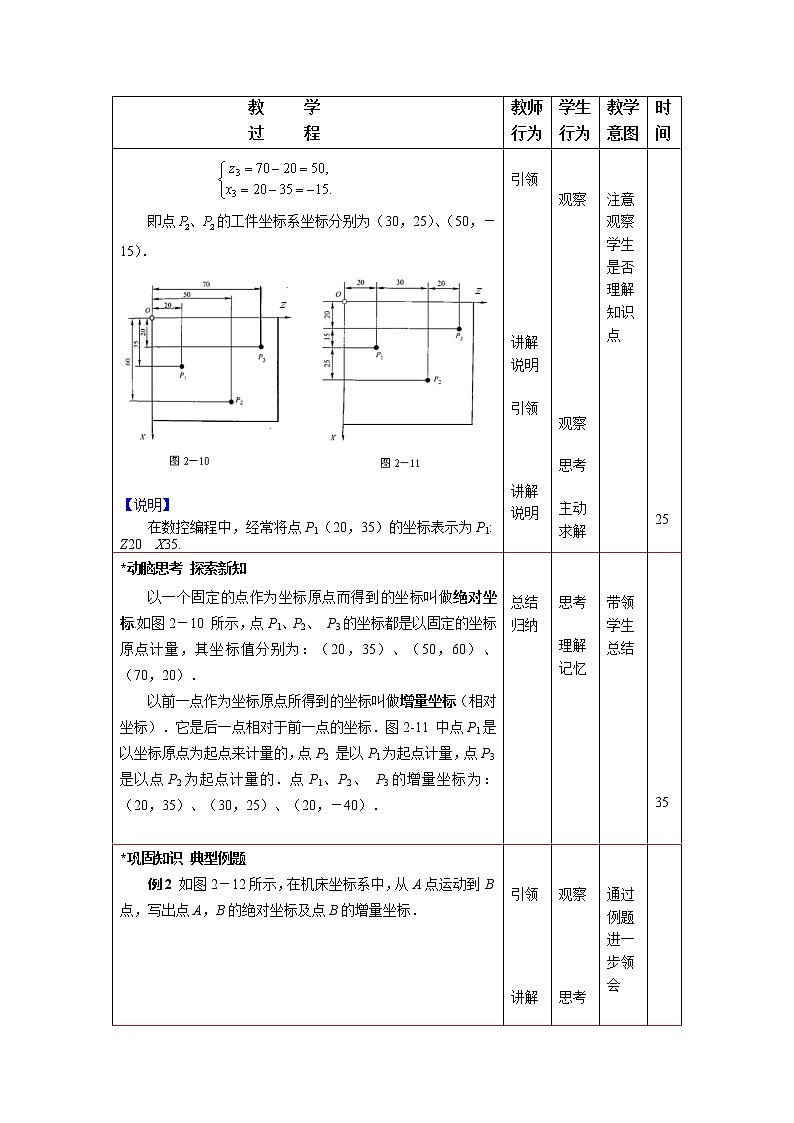
*巩固知识 典型例题 例1 如图2-10所示,点在机床坐标系中的坐标分别为(20,35)、(50,60)、(70,20).现将点作为工件原点,求点、的工件坐标系坐标. 解 设点作为工件原点的工件坐标系为,点、的工件坐标系坐标为、,则.利用公式(2.3),得 即点的工件坐标系坐标分别为(30,25)、(50,-15). 【说明】 在数控编程中,经常将点P1(20,35)的坐标表示为P1: Z20 X35. |
引领
讲解 说明
引领
讲解 说明
引领
讲解 说明 |
观察
思考
主动 求解
观察
观察
思考
主动 求解 |
通过 例题 进一 步领 会
注意 观察 学生 是否 理解 知识 点
|
25 |
*动脑思考 探索新知 以一个固定的点作为坐标原点而得到的坐标叫做绝对坐标.如图2-10 所示,点P1、P2、 P3的坐标都是以固定的坐标原点计量,其坐标值分别为:(20,35)、(50,60)、(70,20).以前一点作为坐标原点所得到的坐标叫做增量坐标(相对坐标).它是后一点相对于前一点的坐标.图2-11 中点P1是以坐标原点为起点来计量的,点P2 是以P1为起点计量,点P3是以点P2为起点计量的.点P1、P2、 P3的增量坐标为:(20,35)、(30,25)、(20,-40).
|
总结 归纳
|
思考
理解 记忆 |
带领 学生 总结
|
35 |
*巩固知识 典型例题 例2 如图2-12所示,在机床坐标系中,从A点运动到B点,写出点A,B的绝对坐标及点B的增量坐标.
解 容易看出,点A,B的绝对坐标分别为(100,30)、(40,70). 设点的增量坐标为(z1 , x1),它是以点A为起点计量的.所以 即点B的增量坐标为(-60,40). 例3 在标注零件图上的斜孔尺寸(单位:mm)时,已知点P的工件坐标为(-59.5,30.5),将工件坐标系旋转12º后,形成新坐标系,求点P在新坐标系中的坐标(精确到0.1). 解 利用公式(2.3),得 所以点P在新坐标系的坐标约为(-64.5,17.5). *例4 构成零件轮廓的直线及曲线的交点或切点叫做基点.编程时,需要根据零件图纸所给的尺寸,计算出基点的坐标.请根据零件图2-13中的尺寸,计算半径为30的圆弧与直线的切点C的坐标(精确到0.01). 解 从图2-13中所给的尺寸,可以得到. 为了计算方便,将坐标原点选在点B,构成新坐标系.在新坐标系中圆的方程为 , 由 , 得 . 由于,,所以 , 故 . 所以 , 故直线BC的方程为 . 解方程组 得在新坐标系中,点C的坐标为(64.28,39.55). 利用公式得,原编程坐标系中点C的坐标约为(64.28,51.55).
图2-13 【想一想】 例4的计算还有没有其他的方法,按照你想出的方法进行计算,比较计算的结果. |
引领
讲解 说明
引领
讲解 说明
引领
讲解 说明
引领
讲解 说明
|
观察
思考
主动 求解
观察
思考
主动 求解
观察
思考
主动 求解
观察
思考
主动 求解
|
通过 例题 进一 步领 会
注意 观察 学生 是否 理解 知识 点
|
60 |
*运用知识 强化练习 1. 已知点在机床坐标系中的坐标分别为(10,40)、(30,10)、(60,50).现将点作为工件原点,求点在工件坐标系中的坐标. 2. 在机床坐标系中,从点A(10,30)运动到点B(45,15),写出点B的增量坐标. |
提问 巡视 指导
|
动手 求解
|
及时 了解 学生 知识 掌握 情况 |
70 |
*理论升华 整体建构 思考并回答下面的问题: 绝对坐标,增量坐标的概念. 结论: 以一个固定的点作为坐标原点而得到的坐标叫做绝对坐标.以前一点作为坐标原点所得到的坐标叫做增量坐标(相对坐标).它是后一点相对于前一点的坐标. |
质疑
归纳强调 |
小组 讨论
回答
理解
强化 |
强调重点突破难点 |
75 |
*归纳小结 强化思想 本次课学了哪些内容?重点和难点各是什么? |
引导 |
回忆 |
|
80 |
*自我反思 目标检测 本次课采用了怎样的学习方法?你是如何进行学习的?你的学习效果如何? 已知点P的工件坐标为(-12.3,27.2),将工件坐标系旋转7º后,形成新坐标系,求点P在新坐标系中的坐标(精确到0.01). |
提问
巡视 指导 |
反思
动手 求解 |
检验 学习 效果
|
85 |
*继续探索 活动探究 (1)读书部分:教材 (2)书面作业:教材习题2.3(必做);学习与训练检测题2.3(选做) (3)实践调查:运用本课知识解决数控编程相关问题. |
说明 |
记录 |
分层次要求 |
90 |
【教师教学后记】
项目 | 反思点 |
学生知识、技能的掌握情况 | 学生是否真正理解有关知识; 是否能利用知识、技能解决问题; 在知识、技能的掌握上存在哪些问题; |
学生的情感态度 | 学生是否参与有关活动; 在教学活动中,是否认真、积极、自信; 遇到困难时,是否愿意通过自己的努力加以克服; |
学生思维情况 | 学生是否积极思考; 思维是否有条理、灵活; 是否能提出新的想法; 是否自觉地进行反思; |
学生合作交流的情况 | 学生是否善于与人合作; 在交流中,是否积极表达; 是否善于倾听别人的意见; |
学生实践的情况 | 学生是否愿意开展实践; 能否根据问题合理地进行实践; 在实践中能否积极思考; 能否有意识的反思实践过程的方面; |
高教版(2021)基础模块上册2.5 不等式应用举例教案配套课件ppt: 这是一份高教版(2021)基础模块上册2.5 不等式应用举例教案配套课件ppt,共36页。PPT课件主要包含了问题1,问题2,问题3等内容,欢迎下载使用。
高中数学高教版(中职)职业模块 财经、商贸与服务类5.5 线性规划问题的应用举例评优课课件ppt: 这是一份高中数学高教版(中职)职业模块 财经、商贸与服务类5.5 线性规划问题的应用举例评优课课件ppt,文件包含55线性规划问题的应用举例课件-高二下学期高教版中职数学职业模块财经商务与服务第五章线性规划初步pptx、55线性规划问题的应用举例教案-高二下学期高教版中职数学职业模块财经商务与服务第五章线性规划初步docx等2份课件配套教学资源,其中PPT共11页, 欢迎下载使用。
高教版(中职)职业模块 财经、商贸与服务类第2章 算法与程序框图2.3 算法与程序框图应用举例优秀课件ppt: 这是一份高教版(中职)职业模块 财经、商贸与服务类第2章 算法与程序框图2.3 算法与程序框图应用举例优秀课件ppt,文件包含23算法与程序框图应用举例教案-高二下学期高教版中职数学职业模块财经商务与服务第二章算法与程序框图docx、23算法与程序框图应用举例课件-高二下学期高教版中职数学职业模块财经商务与服务第二章算法与程序框图pptx等2份课件配套教学资源,其中PPT共0页, 欢迎下载使用。

